images/testate/Template-Header-Sito-OMALBALLVALVES.jpg

Kugelhahn MAGNUM Split Wafer PN 63-100 ANSI 600 aus Carbonstahl

Kugelhahn MAGNUM Split Wafer PN 63-100 ANSI 600 aus Carbonstahl
Makro Kugelhähne
Kategorie MAGNUM
Unterkategorie MAGNUM Split Wafer

Familie MAGNUM Split Wafer PN 63-100 ANSI 600

KONFIGURIEREN Steuerung
INFORMATIONEN ANFORDERN
SEITE DRUCKEN
CODE-DECODIERUNG
  • vorteile
  • eigenschaften
  • abmessungen
  • werkstoffe
  • diagramme und anlaufmomente
  • zubehör
  • dokumente

1. Antistatische Vorrichtung (Stromdurchgang zwischen Kugel, Spindel und Gehäuse)
Elektrostatische Ladungen, die bei Verwendung in leicht entflammbaren und/oder explosionsgefährdeten Umgebungen eine Zündgefahr darstellen können, werden vermieden
Garantierte Kontaktsicherheit während der gesamten Lebensdauer der Armatur

 2. Doppelter Gleitring 
Gewährleistet ein niedrigeres Antriebsmoment der Armatur
Geringerer Verschleiß im Vergleich zur Ausführung mit nur einem Ring
 
3. V-Ring-Dichtpackung mit 3 Dichtungen + O-Ring 
Garantiert eine perfekte Dichtung auch nach zahlreichen Zyklen
 
4. Tellerfedern an der Spindeldichtung 

Gleichen Spiel aus, welches durch den Verschleiß auf Grund der halbkreisförmigen Drehung der Welle entsteht und vermeiden so Leckagen nach außen
Halten die Chevron-Dichtungen (V-Packung) unter Spannung, wobei Leckagen nach außen vermieden werden, die durch den Einsatz bei verschiedenen Temperaturen entstehen können
 
5. Elastische Grafitdichtung 
Gewährleistet Dichte nach außen, unabhängig von Temperaturschwankungen, denen die Armatur ausgesetzt ist
 
Genauere Achseneinstellung durch die Bearbeitung vom Rohteil zum Fertigteil in einer einzigen Stellung 
Längere Lebensdauer der Armatur
Niedrigeres Antriebsmoment
 
Gehäuse der Armatur bei der Standardausführung aus Carbonstahl, aus nach NACE-Zertifizierung genormten Werkstoffen gefertigt 
Garantiert höhere Korrosionsbeständigkeit
Höhere Dehnbarkeit der Werkstoffe
 
Der gesamte Produktionsprozess findet hausintern bei OMAL statt
Höchste Kontrolle in allen Verarbeitungsphasen
Durch Kunden angeforderte Spezialausführungen können rasch geliefert werden
 
Fire-Safe-Zertifikat 
Garantierte Dichte der Armatur auch im Brandfall
 
ATEX-Zertifikat
Gestattet die Einrichtung in explosionsgefährdeter Umgebung
 
Zertifikat TA LUFT Flüchtige Emissionen
Gewährleistet höhere Dichtungssicherheit nach außen

Zertifikat EU/PED
Volle Übereinstimmung mit der EU-Sicherheitsrichtlinie für Druckgeräte

Zertifikat bis SIL 3
Hohe Funktionssicherheit

STANDARDAUSFÜHRUNG  
• Schwimmend gelagerte Kugel, voller Durchgang
• Weichsitz: DEVLON
• Normen für Flanschanschlüsse: EN1092-1, ASME B16.5
• Betriebstemperaturen siehe Temperatur-/Druckdiagramm
• Druckklasse: PN 63-100; ANSI 600
• Dichtungsklasse: EN12266-1 Leckrate A
• Betriebsmedien: Erdölprodukte, selbstschmierende Medien (flüssig und gasförmig), sofern sie mit den Werkstoffen kompatibel sind. Für nicht-selbstschmierende Medien (Wasser, …) oder andere Anwendungen wenden Sie sich an das Vertriebsbüro.
• Antistatische Vorrichtung EN12266-2
• Spindeldichtung: V-Packung serienmäßig aus Modified PTFE
• Zusätzliche Spindeldichtung mit O-Ring FKM
• Anti-Blow-Out-Spindel
• Bohrung Antriebsplatte für Stellantrieb gemäß Norm ISO 5211
• Schließwinkel >7°
• Oberflächenbehandlung: brüniert
 
 SONDERAUSFÜHRUNGEN AUF ANFRAGE 
• Ausführung für Temperaturen -40 C° in LF2
• Für andere Flanscharten wenden Sie sich bitte an unsere Verkaufsabteilung.
• Dichtungen aus: PTFE glasfaserverstärkt (PTFE-GF), PTFE kohlenstofffaserverstärkt (PTFE-CF). Für andere Werkstoffe bitte Kontakt mit unserer Verkaufsabteilung aufnehmen
• Einwegausführung mit Druckausgleichsöffnung in der Kugel
• Edelstahlhebel
• Muttern und Spindelfedern aus Edelstahl
• Für Sonderausführungen mit anderen Werkstoffen (Gehäuse/Kugel/Spindel) wenden Sie sich bitte an unsere Verkaufsabteilung
• Oberflächenbehandlung: Weißverzinkung, Epoxidlackbeschichtung (für andere Behandlungen wenden Sie sich bitte an unsere Verkaufsabteilung).
• ATEX-Kennzeichnung und entsprechendes Zertifikat AUF ANFRAGE
 
ZERTIFIZIERUNGEN 

• In Einklang mit der EU-Richtlinie 2014/68/EU PED; Flüchtige Emissionen ISO 15848 (ISO FE BH-C03-SSA 0); TA-LUFT VDI 2440; ISO 10497 Third ed. 2010 / API 607 Sixth ed. 2010
• Funktionales Sicherheitsniveau bis SIL 3 nach IEC 61508
• In Einklang mit der EU-Richtlinie ATEX 2014/34/EU; Atex-Zertifikat AUF ANFRAGE
 
KONSTRUKTIONSNORMEN 
• Gehäusestärken gemäß: ASME B16.34, ASME VIII div.1, EN 12516.
• Werkstoffe und Nennweiten gemäß ASME B16.34 für ANSI-Kugelhähne und EN 12516 für PN-Kugelhähne

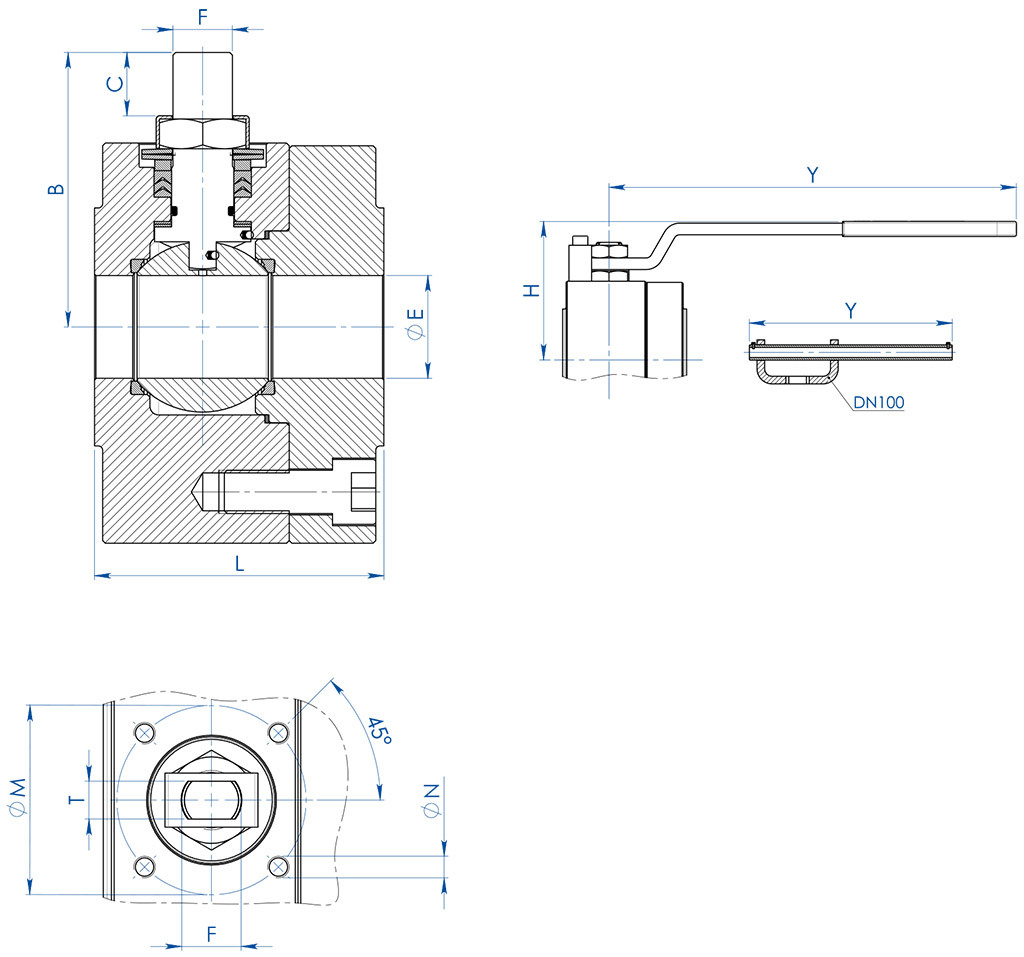
ABMESSUNGEN   
MASSE
E
L
B
C
ATT.ISO
M
N
F/T
H
Y
HEBEL-KIT
DN [mm]
[Zoll]
DN 15
1/2"
13
68
54,5
95
F04
42
M5
12/8
80
150
KLV58006
DN 20
3/4"
19
72
57,5
95
F04
42
M5
12/8
83
150
KLV58006
DN 25
1"
25
87
71,5
14,6
F05
50
M6
16/10
95
275
KLV58008
DN 32
1" 1/4
32
92
76,5
14,6
F05
50
M6
16/10
100
275
KLV58008
DN 40
1" 1/2
38
107
98,5
20,4
F07
70
M8
22/14
120
350
KLV58010
DN 50
2"
51
115
107,5
20,4
F07
70
M8
22/14
129
350
KLV58010
DN 65
2" 1/2
64
140
144
25,1
F10
102
M10
30/18
180
450
KLV58012
DN 80
3"
76
150
151,5
25,1
F10
102
M10
30/18
188
450
KLV58012
DN 100
4"
102
190
196,5
40,5
F14
140
M16
45/30
233
800
KLV58014

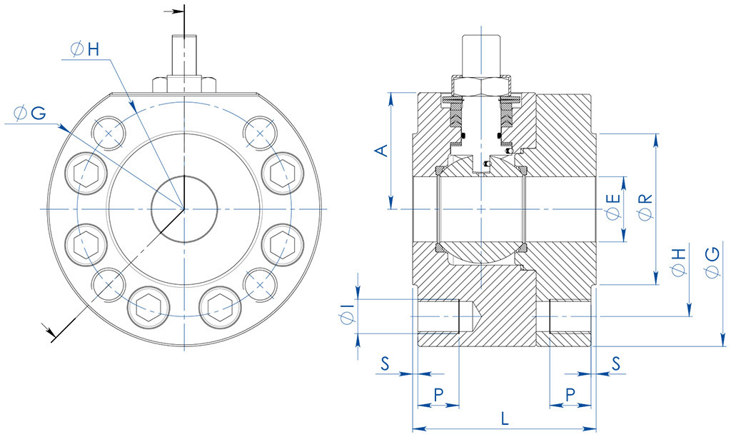
ABMESSUNGEN -PN-
MASSE
PN
A
G
R
S
H
ANZAHL BOHRUNGEN
I
P
Kg
L
DICHTUNGSSATZ
DN [mm]
[Zoll]
DN 15
1/2"
PN 63-100
40
95
45
2
75
4
M12
16
4,2
68
KGBV472040
DN 20
3/4"
PN 63-100
45
115
58
2
90
4
M16
20
6,7
72
KGBV472050
DN 25
1"
PN 63-100
50
125
68
2
100
4
M16
20
6,9
87
KGBV472060
DN 32
1" 1/4
PN 63-100
55
145
78
2
110
4
M20
24
9,3
92
KGBV472070
DN 40
1" 1/2
PN 63-100
68
160
88
3
125
4
M20
24
13,5
107
KGBV472080
DN 50
2"
PN 63
79
170
102
3
135
4
M20
24
16,5
115
KGBV472090
DN 50
2"
PN 100
79
185
102
3
145
4
M24
28
19,5
115
KGBV472090
DN 65
2" 1/2
PN 63
94
208
122
3
160
8
M20
25
29,5
140
KGBV472100
DN 65
2" 1/2
PN 100
101
220
122
3
170
8
M24
30
33,2
140
KGBV472100
DN 80
3"
PN 63
101,5
220
138
3
170
8
M20
25
34,9
150
KGBV472110
DN 80
3"
PN 100
108,5
235
138
3
180
8
M24
30
40,3
150
KGBV472110
DN 100
4"
PN 63
123
275
162
3
200
8
M24
30
67,5
190
KGBV472120
DN 100
4"
PN 100
123
275
162
3
210
8
M27
32
67,2
190
KGBV472120

ABMESSUNGEN  -ANSI-
MASSE 
ANSI
A
G
R
S
H
ANZAHL BOHRUNGEN
I
P
Kg
L
DICHTUNGSSATZ
DN [mm]
[Zoll]
DN 15
1/2"
ANSI 600
40
95
35,16,4
66,5
4
1/2”UNC
16
4,1
68
KGBV472040
DN 20
3/4"
ANSI 600
45
115
42,9
6,4
82,6
4
5/8”UNC
20
4,4
72
KGBV472050
DN 25
1"
ANSI 600
50
125
50,8
6,4
88,9
4
5/8”UNC
20
6,3
87
KGBV472060
DN 32
1" 1/4
ANSI 600
55
135
63,5
6,4
98,6
4
5/8”UNC
20
7,6
92
KGBV472070
DN 40
1" 1/2
ANSI 600
68
155
73
6,4
114,3
4
3/4”UNC
24
11,2
107
KGBV472080
DN 50
2"
ANSI 600
79
170
91,96,4
127
8
5/8”UNC
20
15,5
115
KGBV472090
DN 65
2" 1/2
ANSI 600
94
208
104,6
6,4
149,4
8
3/4”UNC
25
28,3
140
KGBV472100
DN 80
3"
ANSI 600
101,5
220
127
6,4
168,1
8
3/4”UNC
25
33,8
150
KGBV472110
DN 100
4"
ANSI 600
126
279
157,2
6,4
215,9
8
7/8”UNC
30
68,2
190
KGBV472120

WERKSTOFFE
SPLIT WAFER PN63-100 ANSI 600 Carbonstahl
Nr
Beschreibung 
A105 Carbonstahl
A350 LF2 Carbonstahl
1
Gehäuse    
ASTM A105
ASTM A350 LF2
2
Gewindering
3
KugelASTM A351 CF8(*) (1.4308/Gx5CrNi19-10) (**)
4
Spindel
A564 TP.630 (17-4PH)
5*
Sitz
DEVLON (.)
6*
Dichtung Gehäuse-Gewindering
GRAFOIL
7*
Untere Spindeldichtung
PTFE Modified (.) •
8*
V-Packung
PTFE Modified (.)
9*
O-Ring Spindel
FKM (.)
10
Haltering  
Verzinkter Carbonstahl (x) (1)
11
Gewindemutterbefestigungsplatte
304 S.S.
12
Spindelmutter  
Verzinkter Carbonstahl (x) (x)
13
Tellerfedern
Verzinkter Carbonstahl (x) (xx)
14
Antistatische Vorrichtung
316 S.S.
15
Spezialschraube Gehäuse-Gewindering  
A2.70 (304 S.S.)
16
Gegenmutter  
Verzinkter Carbonstahl (x)
17
Befestigungsschraube
A2-70 (304 S.S.)
18
Feststellvorrichtung    
Verzinkter Carbonstahl (x)
19
Hebel
Fe37 verzinkt (x)
* Bestandteile des Dichtungssatzes

Auf Anfrage erhältlich in:
(*): A351 CF8M
(**): für ≤DN32 nur in CF8M
(x): 304 s.s.
(xx): 301 s.s.
• : für ≤DN32 nur in DEVLON
(1) erhältlich: Für DN100 nur in 304
(.) erhältlich: Weitere Werkstoffe auf Anfrage erhältlich

Druck-/Temperaturdiagramm für Armaturen mit Carbonstahlgehäuse

Druck-/Temperaturdiagramm für Armaturen mit Edelstahlgehäuse

Durchflussrate/Druckverlust und Nennkoeffizient Kv

Der Kv-Wert ist der Durchflusswert in m3/h (bei einer Wassertemperatur von 15°C), der einen Druckabfall von 1 bar verursacht.

Die Abmessungen der pneumatischen Antriebe wurden unter Berücksichtigung eines Mindestversorgungsdrucks von 5,6 barg festgelegt.

GEFÜHRTE VERLÄNGERUNG AUS GUSSSTAHL MIT HEBEL

WERKSTOFFE    
TEILE-NrBESCHREIBUNG
WERKSTOFF
1
Verlängerung
AISI304 S.S.
2
Zapfen
AISI 430 F
3
Buchse
DELRIN
4
O-RING  
NBR
5
Hebel  
Fe 37 galvanisiert (*)
6
Mutter  
galvanisierter Carbonstahl (*)
7
Hebelsperre  
galvanisierter Carbonstahl (*)
8
Schraube Hebelsperre  
A2-70
9
Abstandhalter
PTFE Kohlenstoff gefüllt


(*): Auf Anfrage in Edelstahl 304 erhältlich.


ABMESSUNGEN
ISO VENTIL
ØA
ØB
ØM
ØN
F/T
X
Y
F03
36
5,5365,5
10/638,5141,5
F04
425,542M512/845,5151,5
F05
506,5506,516/1048,5276,5
F07
708,5708,522/1457,5351,5
F10
102111021130/1879,5451,5


HINWEIS:Die Artikelnummer der jeweiligen Verlängerung variiert mit Antriebsart und Ventilanschluss. Bei Bestellung anfordern.

GEFÜHRTE VERLÄNGERUNG AUS GUSSSTAHL FÜR STELLANTRIEB

 WERKSTOFFE
TEILE-Nr
 BESCHREIBUNG
WERKSTOFF
1
Verlängerung
ASTM A351 CF8M
2
Zapfen
AISI 430 F
3
Buchse
DELRIN
4
O-RING
NBR


HINWEIS:Die Artikelnummer der jeweiligen Verlängerung variiert mit Antriebsart und Ventilanschluss. Bei Bestellung anfordern.

GEFÜHRTE VERLÄNGERUNG, MIT HEBEL VERSCHWEISST

WERKSTOFFE    
PART. N°
BESCHREIBUNG
WERKSTOFF
1
Verlängerung
304 s.s.
2
Zapfen
AISI 430 F
3
Buchse
DELRIN
4
O-Ring
NBR
5
Hebel
Fe 37 galvanisiert (*)
6
Mutter
galvanisierter Carbonstahl  (*)
7
Hebelsperre
galvanisierter Carbonstahl  (*)
8
Schraube Hebelsperre
A2-70
9
Mutter Hebelsperre
A2-70 (**)
10
Abstandhalter
PTFE Kohlenstoff gefüllt


(*): auf Anfrage in Edelstahl 304 erhältlich.
(**): nicht vorhanden bei Ventilen mit ISO F04-Anschluss.

ABMESSUNGEN
ISO VENTIL
ØA
ØB
ØM
ØN
F/T
X
Y
F03
36
5,5365,510/638,5141,5
F04
425,542M512/845,5151,5
F05
506,5506,516/1048,5276,5
F07
70970922/1457,5351,5
F10
102111021130/1879,5451,5


HINWEIS:Die Artikelnummer der jeweiligen Verlängerung variiert mit Antriebsart und Ventilanschluss. Bei Bestellung anfordern.

GEFÜHRTE VERLÄNGERUNG, VERSCHWEISST, FÜR ANTRIEB

WERKSTOFFE    
TEILE-Nr
BESCHREIBUNG
WERKSTOFF
1
Verlängerung
304 S.S.
2
Zapfen
AISI 430 F
3
Buchse
DELRIN
4
O-RING  
NBR


HINWEIS: Die Artikelnummer der jeweiligen Verlängerung variiert mit Antriebsart und Ventilanschluss. Bei Bestellung anfordern.

VERLÄNGERUNG MIT ZUSÄTZLICHER DICHTUNG

WERKSTOFFE    
TEILE-Nr
BESCHREIBUNG
WERKSTOFF
1
Verlängerung
304 s.s.
2
Zapfen
AA564 TP.630 (17-4ph)
3
Gleitring
TFM1600
4
O-Ring
FKM
5
V-Ring-Dichtpackung  
TFM1600
6
Haltering
304 s.s.
7
Tellerfedern
50CrV4 Verzinkt
8
Spindelmutter
UNI 3740-1 6S Verzinkt
9
Gewindemutterbefestigungsplatte
304 s.s.
10
Dichtung
GRAFOIL



ABMESSUNGEN
ISO VENTIL
ØA
ØB
ØM
ØN
F/T
CD
F03
36
5,5
36M510/6
2010,2
F04
42
5,5
42M512/8
2615,1
F05
50
6,550M616/10
3521,2
F07
70
8,570M822/14
47,528,4
F10
102
10,5102M1030/18
6135,2

HINWEIS:Die Artikelnummer der jeweiligen Verlängerung variiert mit Antriebsart und Ventilanschluss. Bei Bestellung anfordern.

KONFIGURIEREN BETÄTIGUNG
Wählen Sie die Suchparameter
ARTIKEL SUCHEN
SCHLIESSEN

NÄCHSTES EVENT

IVS - Industrial Valve Summit 2026
IVS - Industrial Valve Summit 2026
Bergamo, Italy, 19 - 21 may 2026