images/testate/AN4SKv_Template-Header-Sito-OMAL2560x768-AGO-ok.jpg

AGO A105 - DA type carbon steel A105

  • benefits
  • features
  • dimensions
  • materials
  • specifications
  • accessories
  • documents

1.Energized and self-lubricated strips
Less friction between piston and cylinder
It prevents the bonding of the seal to the cylinder even after long periods of inactivity

2.Slots, bushes and pins made by steel with hardness higher than 50 HRC
Higher resistance to the forces inside the actuator

3.Rolling friction between piston and slot
Less friction

4.Scotch yoke with rolling friction (transforming rotary motion into linear motion using piston and shaft without teeths/gears)
Reduced friction between piston and shaft with consequently less wear on the relevant parts
Empowered Breakaway Torque (BTO & BTC)
Smaller volume/size than rack and pinion actuators (with the same torque) therefore less space required for installation
Less weight than the rack and pinion (-30% kg / Nm), with consequent savings on the construction sizing of the plant/equipment
Lower air consumption compared to the rack and pinion actuators (-40% air cm3/Nm for Double Acting and -20% air cm3/Nm for Spring Return) therefore less load on the compressor or the possibility of using a smaller compressor's size.

5.Rolled cylinder

Less wear of the energized ties thanks to the low roughness of the surface

6. Stainless Steel shaft
Higher corrosion resistance

From sizes bigger than DAN15, NAMUR interface for solenoid valve is already integrated.
No need for extra plate.

100% in- house manufacturing process technology
Maximum control and accuracy in all the stages of the manufacturing process

ATEX Certificate
Installation is allowed in a potential explosive environment

Up to SIL 3 Certified
Guarantee of the high level of functional safety.

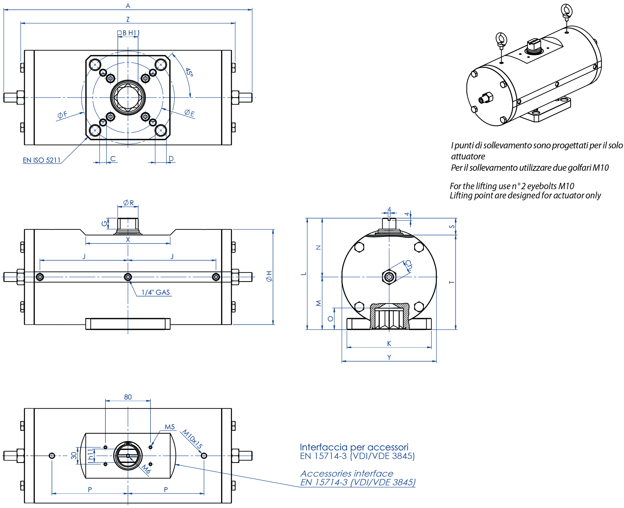
TECHNICAL FEATURES
Torque from 720 Nm to 1920 Nm.
Mounting flange according to EN ISO 5211
F03 - F05 - F07 - F10 - F12 - F16.
In compliance with EN 15714-3.
Rotation angle 92° (-1° +91°)
Torque: directly proportional to the air supply (see table pneumatic actuator DA).
The code numbers after the DA letters, always correspond to the breakaway torque in Nm by 5,6 bar air supply.
Actuator with epoxy painting
ATEX version in conformity with directive 2014/34/EU. Please add YX at the end of the code for ATEX version.

WORKING CONDITION
Temperature: from -20°C to +80°C.
Air supply: 5,6 bar; maximum 8,4 bar.
Actuating media: filtered dry compressed air, not necessarily lubricated. In case of lubricated air, either non detergent oil, NBR compatible oil, must be used.

 DATA SHEET
Code
DAC0720416S
DAC0960416S
DAC1440424S
DAC1440416S
DAC1920416S
Spare seals
KGXI0023
KGXI0024
KGXI0025
KGXI0025
KGXI0026
Size
DAC0720
F10/F12
DAC0960
F12/F16
DAC1440
F12
DAC1440
F14
DAC1920
F12/F16
A
401,5
441
524,8
524,8
562
B
27
36
36
36
46
C x depth
M10x11,5
M12x20
M12x18
M16x18
M12x23
D x depth
M12x11,5
M20x20
-
-
M20x23
ØE
102
125
125
140
125
ØF
125
165
-
-
165
G
19,5
19,5
19,5
19,5
18,5
ØH
156
169
188
188
211
I
22
24
27
27
32
J
138,5
156,3
179,5
179,5
192
K
115
150
130
130
150
L
178
198
216
216
237,7
M
78,5
93,5
101,5
101,5
114,7
N
99,5
104,5
114,5
114,5
123
O
29,5
38,5
38,5
38,5
48,5
P
116
135
160
160
160
ØR
31,8
36,5
41
41
46
S
30
30
30
30
30
T
148
168
186
186
207,7
X
150
150
150
150
150
Y
155
168
187
187
209
Z
345,8
381
433,8
433,8
469
Ch
24
24
30
30
30
Weight  (Kg)
30
40
50,5
50,5
73
Air (dm3/cycle) (l/cycle)
3,50
4,9
7,60
7,60
10,2

A105 FROM BAR DOUBLE ACTING AND SPRING RETURN PNEUMATIC ACTUATOR COMPONENTS

A105 FROM BAR DOUBLE ACTING AND SPRING RETURN PNEUMATIC ACTUATOR COMPONENTS
PosDenominationQ.tyMaterial
1Cylinder1Steel alloy
2Piston2Aluminium alloy
3Cap2Steel alloy
4Shaft1Stainless steel
5Scotch yoke1Steel alloy
6Bearing shaft1Acetalic resin
7Upper shaft support1Acetalic resin
8Bearing shaft1Acetalic resin
9Ext.elastic pin1Steel alloy
10Int.elastic pin1Steel alloy
11Steel bush2Steel alloy
12Rotative sleeve2Steel alloy
13*Dynamic seal2Polyurethane
14*Support disk4P.T.F.E. carbo-graphite filled
15*O-ring2Nitrilic rubber
16O-ring1FKM
17Thrust bearing1Acetalic resin
18Washer1Stainless steel
19Seeger1Stainless steel
20Lower shaft support1P.T.F.E. carbo-graphite filled
21O-ring1FKM
22*GD O-ring2Nitrilic rubber
23Screws8Stainless steel
24Grub screws2Stainless steel
25O-ring2Nitrilic rubber
26Adjusting nut2Stainless steel
27Fixing flange1Steel alloy
28Screws4Stainless steel
29*GS O-ring4Nitrilic rubber
30Cylinder spacer2Steel alloy
31Spring2Steel alloy
32Spring cap2Aluminium alloy
33Spring loading screw2Stainless steel
* Components of spare part kit

WORKING PLANE PNEUMATIC ACTUATOR “DA” TYPE

LIMIT SWITCH BOX

MANUAL OVERRIDE WITH HAND WHEEL

NAMUR SOLENOID VALVES

SOLENOID VALVES

ELECTROPNEUMATIC POSITIONER (INTRINSICALLY SAFE)

PNEUMATIC POSITIONER

PROXIMITY LIMIT SWITCHES

ELECTROMECHANICAL LIMIT SWITCHES

PNEUMATIC LIMIT SWITCHES

EXPLOSION PROOF LIMIT SWITCHES II2GD ExdIIC

SELECT SIZE
Select the search standards
FIND ITEM
X CLOSE

NEXT EVENT

IVS - Industrial Valve Summit 2026
IVS - Industrial Valve Summit 2026
Bergamo, Italy, 19 - 21 may 2026