images/testate/Template-Header-Sito-OMALBALLVALVES.jpg

Vanne à boisseau sphérique THOR Split Body 3 voies 4 joints PN 16-40 ANSI 150 acier au carbone

Vanne à boisseau sphérique THOR Split Body 3 voies 4 joints PN 16-40 ANSI 150 acier au carbone
Catégorie THOR

Gamme THOR Split Body 3 voies 4 garnitures PN 16-40 ANSI 150

CONFIGURER Actionnement
DEMANDE D'INFORMATIONS
IMPRIMER PAGE
DÉCODIFIER CODE
  • avantages
  • caractéristiques
  • dimensions
  • matériaux
  • diagrammes et couples de démarrage
  • spécifications
  • accessoires
  • documents

1. Dispositif antistatique (continuité électrique entre le boisseau, la tige et le corps)
Les charges électrostatiques qui pourraient provoquer une inflammation dans des environnements inflammables et/ou explosifs sont évitées
Sécurité du contact garantie pendant toute la durée de vie de la vanne

2. Double bague antifriction
Garantit un couple d’actionnement inférieur de la vanne
Usure moindre par rapport à la réalisation avec une seule bague  

3. Empilement de joints en chevron en "V" avec 3 garnitures et joint torique Une étanchéité parfaite est garantie même après un nombre élevé de cycles

4. Rondelles ressort sur l’étanchéité de la tige
Elles garantissent la récupération des jeux dus à l'usure causée par le mouvement semi-rotatif de l’arbre en évitant les fuites vers l'extérieur
Permettent de maintenir les joints en « chevron » (en V) sous tension, évitant des fuites vers l’extérieur, en présence d’importantes variations de température

5. Étanchéité élastique en graphite
Garantit une étanchéité vers l'extérieur indépendamment des excursions thermiques auxquelles est soumise la vanne

Plus grande précision dans l'alignement des axes grâce à l'usinage de la pièce brute à la finition avec un positionnement unique 
Allongement de la durée de vie de la vanne
Couple d’actionnement inférieur

Maintenance facile directement sur l’installation
Maîtrise des coûts lors de la phase de maintenance

Corps de la vanne en acier au carbone réalisé avec un matériau normalisé certifié NACE en exécution standard
Garantit une plus grande résistance à la corrosion
Plus grande ductilité du matériau

Processus de production entièrement réalisé chez OMAL
Contrôle maximum dans toutes les phases d’usinage
Possibilité de fournir rapidement des réalisations particulières requises par le client

Certificat ATEX
Permet son installation en présence d'un milieu potentiellement explosif

Certification "TA LUFT émissions fugitives"
Garantit un haut degré de sécurité de l’étanchéité de la tige vers l'extérieur

Certificat ESP 
Conformité totale aux normes de sécurité européennes pour les équipements sous pression

RÉALISATION STANDARD
• Boisseau flottant, passage intégral
• Garniture souple pour siège: TFM 1600
• Normes pour brides de raccordement: EN1092-1, ASME B16.5
• Classes de pression: ansi 150; PN16-40
• Classe d'étanchéité: EN12266-1 taux de fuite A
• Température de fonctionnement: -20°C +150°C
• Fluide véhiculé: air, eau, gaz, produits pétroliers et pétrochimiques, fluides agressifs.
• Dispositif antistatique EN12266-2
• Garniture de tige: empilement chevrons de série en Modified PTFE
• Joint supplémentaire sur tige avec joint torique FKM
• Tige anti-éjection
• Plan de perçage pour actionneur selon ISO 5211

RÉALISATIONS SUR DEMANDE
• Réalisation pour température -40 C° en A350 LF2
• Pour d’autres types de raccordements à bride, veuillez contacter notre service commercial.
• Garnitures d’étanchéité en: PTFE chargé de verre (PTFE-GF), PTFE chargé de graphite de carbone (PTFE-CF). Pour les autres types de matériaux, contactez notre service commercial.
• Levier, écrous et ressorts tige inox
• Pour les réalisations spéciales avec du matériel (corps/boisseau/tige) autre que la norme, veuillez contacter notre service commercial
• Traitement de surface: galvanisation blanche, peinture époxy, (pour d'autres traitements, contactez notre service commercial).
• Marquage et certificat ATEX SUR DEMANDE

CERTIFICATIONS
• Conforme à la directive européenne 2014/68/UE DESP; Émissions fugitives ISO 15848 (ISO FE BH-C03-SSA 0); Ta-Luft VDI: 2440
• Niveau de sécurité fonctionnelle jusqu'à SIL 3 selon CEI 61508
• Conforme à la directive ATEX 2014/34/UE, certificat ATEX SUR DEMANDE

NORMES DE CONCEPTION
• Épaisseurs de corps selon ASME B16.34, ASME VIII div.1, EN12516
• Matériaux et valeurs nominales conformes à la norme ASME B16.34 pour les vannes ANSI et EN12516 pour les vannes PN

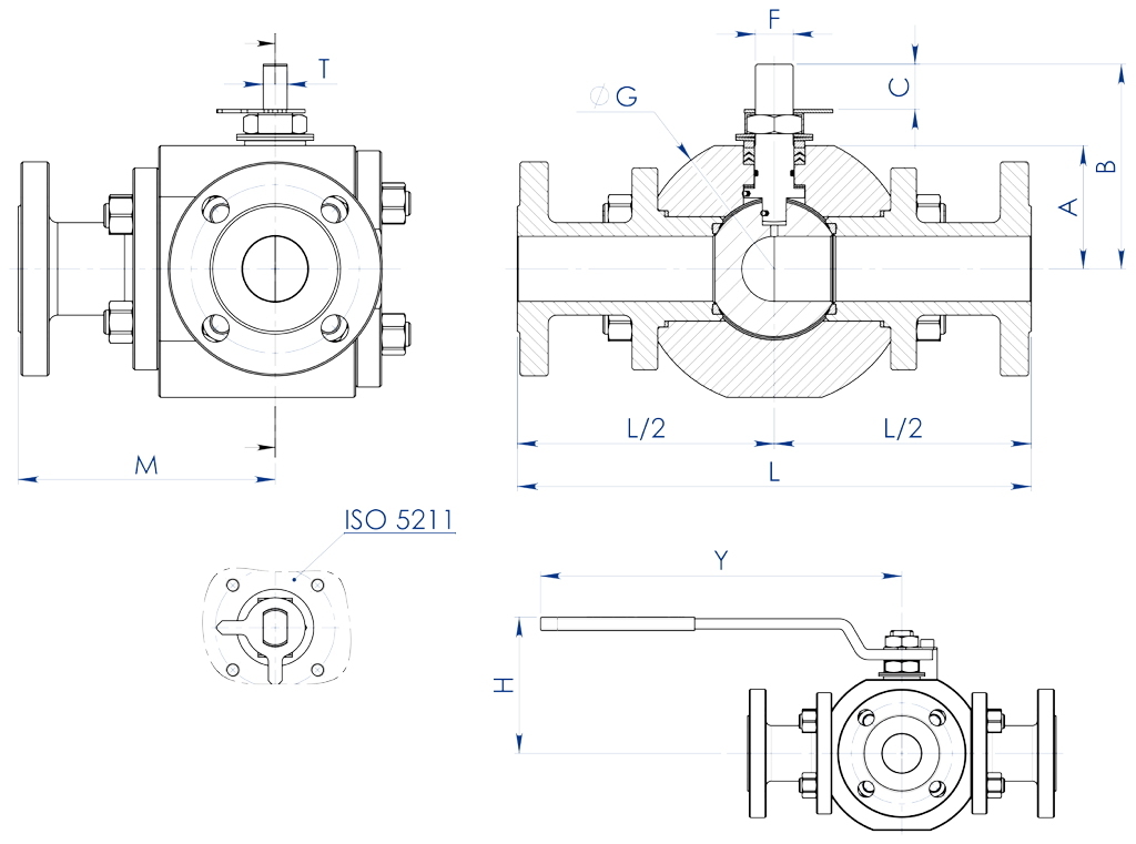
DIMENSIONS  -PN-
MESURE  PN∅ELMABCRACC. ISO
F/T∅G∅J∅RSP∅KNBRE TROUS
∅IHYKgKIT LEVIER
KIT GARNITURES
DN [mm][pouces]
DN 151/2"16-40131708535559,2F0310/684954521665414741405,8KLV58004KGBV462040
DN 203/4"16-4019200100457113F0412/8105105582187541490,515010,2KLV58006KGBV462050
DN 251"16-402523011555,590,519,1F0516/10128115682188541410727516,4KLV58008KGBV462060
DN 321" 1/416-4032240120609519,1F0516/1013514078218100418111,327519,1KLV58008KGBV462070
DN 401" 1/216-403830015072119,526,4F0722/1416015088318110418134,535027,6KLV58010KGBV462080
DN 502"16-405132016081128,526,4F0722/14178165102320125418143,535039,2KLV58010KGBV462090
DN 652" 1/216643501759315433,1F1030/18205185122318145418182,345057,3KLV58012KGBV462100
DN 803"167637018510116233,1F1030/18220200138324160818190,345071,2KLV58012KGBV462110
DN 1004"1610240020012418233,1F1030/18270220158320180818210,5450100,2KLV58012KGBV462120

DIMENSIONS -ANSI-
MESURE
ANSI∅ELMABCRACC. ISO
F/T∅G∅J∅RSP∅KNBRE TROUS
∅IHYKgKIT LEVIER
KIT GARNITURES
DN [mm][pouces]
DN 151/2"150131708535559,2F0310/6849035,11,611,660,5416741404,9KLV58004KGBV462040
DN 203/4"15019200100457113F0412/810510042,91,613,269,841690,51509,1KLV58006KGBV462050
DN 251"1502523011555,590,519,1F0516/1012811050,81,615,079,241610727515,6KLV58008KGBV462060
DN 321" 1/415032240120609519,1F0516/1013511863,51,616,188,9416111,327516,7KLV58008KGBV462070
DN 401" 1/21503830015072119,526,4F0722/14160128731,618,098,6416134,535025,8KLV58010KGBV462080
DN 502"1505132016081128,526,4F0722/1417815391,91,620,0120,6419143,535037,7KLV58010KGBV462090
DN 652" 1/2150643501759315433,1F1030/18205180104,61,623,0139,7419182,345059,1KLV58012KGBV462100
DN 803"1507637018510116233,1F1030/182201901271,624,6152,4419190,345070,6KLV58012KGBV462110
DN 1004"15010240020012418233,1F1030/18270230157,21,624,5190,5819210,5450105,1KLV58012KGBV462120

Remarque: pour les vannes à boisseau sphérique en T, les dimensions restent inchangées.

MATÉRIAUX   
SPLIT BODY PN16-40 ANSI 150

Description 
A350 LF2  Carbon steel
A105 Carbon steel
1
Corps
ASTM A350 LF2
ASTM A105
2
Couvercle
3
Terminale  
4
Boisseau
ASTM A351 CF8M
5
Tige
A564 TP.630 (17-4PH)
6*
Siège
Modified PTFE
7*
Garniture inférieure tige
Modified PTFE
8*
Empilement joints en chevron
Modified PTFE
9*
Joint torique tige
FKM
10
Bague presse-étoupe
Acier au carbone galvanisé (x)
11
Ressorts tige
Acier au carbone galvanisé  (xx)
12
Écrou tige
Acier au carbone galvanisé  (x)
13
Plaque butée écrou
304 S.S.
14
Indicateur  
304 S.S.
15*
Garniture corps-couvercle
Grafoil
16*
Garniture corps-connecteur
Grafoil
17
Goujons
ASTM A320 L7M
ASTM A193-B7
18
Écrous
ASTM A194-Gr.7M
ASTM A194-Gr.2H
19
Dispositif antistatique
316 S.S.
20
Contre-écrou
Acier au carbone galvanisé  (x)
21
Vis de butée
A2-70 (304 S.S.)
22
Butée de position
Acier au carbone galvanisé  (x)
23
Levier
Fe37 galvanisé  (x)
* Composants du kit de garnitures


Sur demande disponible en:
(x): 304 s.s.
(xx): 301 s.s.

Débit/perte de charge et coefficient nominal Kv

La valeur Kv est la valeur du débit en m3/h (avec de l’eau à 15°C) qui provoque une chute de pression d’1 bar.

Schéma boisseau en "L"

N.B.:
Avec l'actionneur SR NORMALEMENT FERMÉ, la position de repos du boisseau doit être "A".
Avec l'actionneur SR NORMALEMENT OUVERT, la position de repos du boisseau doit être "B".

Schéma boisseau en "T"

Avec l'actionneur, seules deux positions sont possibles avec une rotation de 90°: la configuration du boisseau doit toujours être communiquée à notre service commercial.

NB:
Avec l'actionneur SR NORMALEMENT FERMÉ, choisissez la position de repos du boisseau; lors de l'alimentation, l'actionneur tourne dans le sens antihoraire.
Avec l'actionneur SR NORMALEMENT OUVERT, choisissez la position de repos du boisseau; lors de l'alimentation, l'actionneur tourne dans le sens horaire.

RALLONGE GUIDÉE PAR FUSION, AVEC LEVIER

MATÉRIAUX
N° PIÈCE
DESCRIPTION
MATÉRIAUX
1
Rallonge  
AISI304 S.S.
2
AxeAISI 430 F
3
DouilleDELRIN
4
JOINT TORIQUE
NBR
5
Levier
Fe 37 galvanisé (*)
6
Écrou
acier au carbone galvanisé (*)
7
Goupille arrêt levier
acier au carbone galvanisé (*)
8
Vis goupille arrêt levier
A2-70
9
Entretoise
PTFE Chargée carbone


(*) : Sur demande disponibles en 304 S.S.


DIMENSIONS  
ISO VANNE
ØA
ØB
ØM
ØN
F/T
X
Y
F03
36
5,5365,5
10/638,5141,5
F04
425,542M512/845,5151,5
F05
506,5506,516/1048,5276,5
F07
708,5708,522/1457,5351,5
F10
102111021130/1879,5451,5


REMARQUE : Le code de la rallonge dépend du type d'actionnement et du raccord de la vanne ; à demander lors de la commande.

RALLONGE GUIDÉE PAR FUSION, POUR ACTIONNEUR

 MATÉRIAUX
N° PIÈCE
 DESCRIPTION
MATÉRIAUX
1
Rallonge
ASTM A351 CF8M
2
Axe
AISI 430 F
3
Douille
DELRIN
4
JOINT TORIQUE
NBR


REMARQUE: Le code de la rallonge dépend du type d'actionnement et du raccord de la vanne ; à demander lors de la commande

RALLONGE GUIDÉE SOUDÉE, AVEC LEVIER

MATÉRIAUX    
N° PIÈCE
DESCRIPTION
MATÉRIAUX
1
Rallonge
304 s.s.
2
Axe
AISI 430 F
3
Douille
DELRIN
4
Joint torique
NBR
5
Levier
Fe 37 galvanisé (*)
6
Écrou
acier au carbone galvanisé  (*)
7
Goupille arrêt levier
acier au carbone galvanisé  (*)
8
Vis goupille arrêt levier
A2-70
9
Écrou goupille arrêt levier
A2-70 (**)
10
Entretoise
PTFE Chargée carbone


(*) : sur demande disponibles en 304 S.S.
(**) : indisponible sur les vannes avec raccord iso F04.

DIMENSIONS
ISO VANNE
ØA
ØB
ØM
ØN
F/T
X
Y
F03
36
5,5365,510/638,5141,5
F04
425,542M512/845,5151,5
F05
506,5506,516/1048,5276,5
F07
70970922/1457,5351,5
F10
102111021130/1879,5451,5


REMARQUE : Le code de la rallonge dépend du type d'actionnement et du raccord de la vanne ; à demander lors de la commande.

RALLONGE GUIDÉE SOUDÉE, POUR ACTIONNEUR

MATÉRIAUX    
PART. N°
DESCRIPTION
MATÉRIAUX
1
Rallonge
304 S.S.
2
Axe
AISI 430 F
3
Douille
DELRIN
4
JOINT TORIQUE
NBR


REMARQUE: Le code de la rallonge dépend du type d'actionnement et du raccord de la vanne ; à demander lors de la commande

RALLONGE AVEC JOINT SUPPLÉMENTAIRE

MATÉRIAUX   
N° PIÈCE
DESCRIPTION
MATÉRIAUX
1
Rallonge  
304 s.s.
2
AxeAA564 TP.630 (17-4ph)
3
Bague antifriction
TFM1600
4
Joint torique
FKM
5
Empilement joints en chevron
TFM1600
6
Bague presse-étoupe
304 s.s.
7
Rondelles ressort
50CrV4 galvanisé
8
Écrou tige
UNI 3740-1 6S galvanisé
9
Plaque blocage écrou
304 s.s.
10
Garniture d'étanchéité
GRAFOIL


DIMENSIONS
ISO VANNE
ØA
ØB
ØM
ØN
F/T
CD
F03
36
5,5
36M510/6
2010,2
F04
42
5,5
42M512/8
2615,1
F05
50
6,550M616/10
3521,2
F07
70
8,570M822/14
47,528,4
F10
102
10,5102M1030/18
6135,2

REMARQUE: Le code de la rallonge dépend du type d'actionnement et du raccord de la vanne ; à demander lors de la commande.

CONFIGURER ACTIONNEMENT
Sélectionnez les paramètres de recherche
RECHERCHER UN ARTICLE
X FERMER

PROCHAIN ÉVÈNEMENT

Asia Water 2026
Asia Water 2026
Kuala Lumpur, 7-9 April 2026