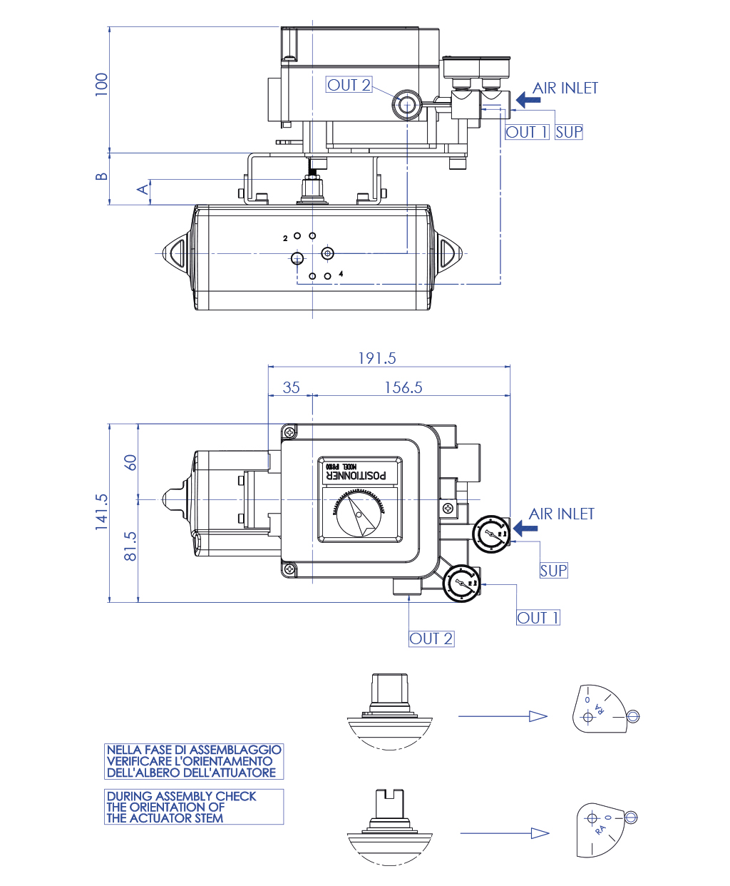
พื้นที่ปลอดภัย กล่องลิมิตสวิตช์ ลิมิตสวิตช์ภายนอกและตัวบ่งชี้ตำแหน่ง โพซิชันเนอร์ โซลินอยด์วาล์วและคอยล์ อุปกรณ์ควบคุมการไหล เกียร์บ็อกซ์พวงมาลัยมือ ตัวลดสี่เหลี่ยมและฟิลเตอร์ พื้นที่ ATEX กล่องลิมิตสวิตช์ ลิมิตสวิตช์ภายนอกและตัวบ่งชี้ตำแหน่ง โพซิชันเนอร์ โซลินอยด์วาล์วและคอยล์ Download General catalogue ดาวน์โหลด Actuator Accessories Catalogue การถอดรหัส MAGNUM & THOR กำหนดค่าผลิตภัณฑ์ของคุณ ดาวน์โหลดไฟล์ 2D และ 3D ในหลายรูปแบบ ดาวน์โหลด Sales conditions มาโคร อุปกรณ์เสริมสำหรับแอคชูเอเตอร์ หมวดหมู่ พื้นที่ ATEX หมวดย่อย โพซิชันเนอร์ ค้นหารหัส ขอข้อมูล ดาวน์โหลดแค็ตตาล็อก KPLEM4 ATEX ELECTROPNEUMATIC POSITIONER 4-20MA เมื่อซื้อตัวปรับตำแหน่งที่ติดตั้งมากับแอคชูเอเตอร์นิวเมติกของ OMAL S.p.A. จะได้รับอุปกรณ์ที่ปรับเทียบเรียบร้อยแล้ว หากไม่ได้ติดตั้งจากโรงงาน การตั้งค่าจะเป็นความรับผิดชอบของลูกค้าเอง โดย OMAL S.p.A. จะไม่รับผิดชอบในกรณีดังกล่าว คำอธิบายตัวปรับตำแหน่งอิเล็กโทรนิวเมติกแบบแคม เหมาะอย่างยิ่งสำหรับการทำงานแบบสัดส่วนของแอคชูเอเตอร์รุ่น DAN และ SRN โดยเชื่อมต่อกับแอคชูเอเตอร์ผ่านชุดติดตั้งที่ยึดอยู่กับตัวแอคชูเอเตอร์ สัญญาณไฟฟ้าควบคุมที่ได้รับจากอุปกรณ์ต่าง ๆ เช่น เทอร์โมสตัท วิสโคมิเตอร์ หรือเกจวัดความดัน จะถูกส่งเข้าสู่ตัวปรับตำแหน่ง ซึ่งจะทำหน้าที่ปรับมุมการเปิดและปิดของวาล์วตามสัญญาณนั้น การทำงานในทิศตามเข็มและทวนเข็มนาฬิกาสามารถสลับได้โดยไม่ต้องใช้อุปกรณ์เพิ่มเติม เพียงแค่กลับด้านของแคมและสลับการเชื่อมต่อของแอคชูเอเตอร์เท่านั้น คุณสมบัติทางเทคนิค- แหล่งจ่ายลม: ลมแห้งสำหรับเครื่องมือ 5 µ- สัญญาณไฟฟ้าอินพุต: 4 ÷ 20 mA- เกจวัดความดัน 2 ตัว: 1 ตัวสำหรับลมจ่าย, 1 ตัวสำหรับสัญญาณควบคุม- ค่าความต้านทานอินพุต: 235 ± 15 โอมห์ (4 ÷ 20 mA DC)- ข้อต่อลม: 1/4” NPT- ข้อต่อไฟฟ้า: M20 x 1.5- ค่าความเป็นเชิงเส้น: < ± 2%- ความไวในการทำงาน: < 0.5% ของช่วงการทำงาน- การใช้ลม: ตั้งแต่ 5 Nl/นาที (ที่ P = 1.4 บาร์) ถึง 11 Nl/นาที (ที่ P = 4 บาร์)- อุณหภูมิการทำงาน: ตั้งแต่ -20°C ถึง +80°C- ระดับการป้องกัน: IP65 (ตามมาตรฐาน IEC 60529)- การผลิตตามมาตรฐานนิรภัยภายใน ATEX II2G EE xib IICT5/T6 (ไม่มีสัญญาณป้อนกลับ) การรับรองมาตรฐาน- หนังสือรับรองความสอดคล้องตามมาตรฐาน ATEX II 2 G Ex ib IIC T5/T6 และอื่น ๆ ตามคำขอ SMC - IP 8100 หมายเหตุตัวปรับตำแหน่งแบบนิวเมติกและอิเล็กโทรนิวเมติกจะจัดส่งตามคำขอ โดยได้รับการปรับตั้งล่วงหน้าและติดตั้งโดยใช้ท่ออะลูมิเนียมหุ้มพร้อมข้อต่อแบบเร็วการปรับตั้ง A = 0° - 90°:• สัญญาณควบคุม 4 mA: ตำแหน่งปิด• สัญญาณควบคุม 20 mA: ตำแหน่งเปิดการปรับตั้ง D = 90° - 0°:• สัญญาณควบคุม 4 mA: ตำแหน่งเปิด• สัญญาณควบคุม 20 mA: ตำแหน่งปิดสำหรับข้อมูลเพิ่มเติม กรุณาดูคู่มือการใช้งานและบำรุงรักษา ตัวปรับตำแหน่งสำหรับแอคชูเอเตอร์แบบดับเบิลแอคติ้ง ตัวปรับตำแหน่งสำหรับแอคชูเอเตอร์แบบสปริงรีเทิร์น ขนาดDAN15÷DAN120SRN15÷SRN60DAN180÷DAN1920SRN90÷SRN960A (mm)2030B (mm)4151 ค้นหารหัส