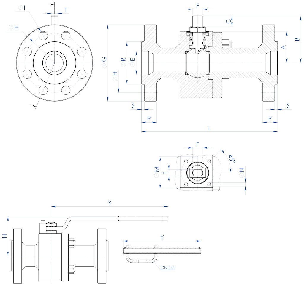
วัสดุ สปลิตบอดี้ ANSI 600 เหล็กกล้าคาร์บอน |
| ลำดับ | รายละเอียด | A105 เหล็กกล้าคาร์บอน | LF2 เหล็กกล้าคาร์บอน |
| 1 | ตัววาล์ว | ASTM A105 | ASTM A350 LF2 |
| 2 | คอนเนคเตอร์ |
| 3 | ลูกบอล | ASTM A351 CF8 (*)(**) (1.4308/Gx5CrNi19-10) |
| 4 | ก้านวาล์ว | A564 TP.630 (17-4PH) |
| 5* | ซีท | DEVLON (.) |
| 6* | ปะเก็นตัววาล์ว–คอนเนคเตอร์ | GRAFOIL |
| 7* | ซีลก้านวาล์วด้านล่าง | PTFE ดัดแปร (.) (2) |
| 8* | แหวนเชฟรอน | PTFE ดัดแปร (.) |
| 9* | โอริงก้านวาล์ว | FKM (.) |
| 10 | แหวนกดแพ็คกิ้ง | เหล็กกล้าคาร์บอน ชุบกัลวาไนซ์ (x) (1) |
| 11 | แผ่นน็อตล็อก | 304 สเตนเลสสตีล |
| 12 | น็อตก้านวาล์ว | เหล็กกล้าคาร์บอน ชุบกัลวาไนซ์ (x) |
| 13 | แหวนสปริง | เหล็กกล้าคาร์บอน ชุบกัลวาไนซ์ (xx) |
| 14 | อุปกรณ์ป้องกันไฟฟ้าสถิต | 316 สเตนเลสสตีล |
| 15 | สตัดโบลท์ | ASTM A193-B7 | ASTM A320-L7M |
| 16 | น็อต | ASTM A194-Gr.2H | ASTM A194-Gr.7M |
| 17 | น็อตล็อก | เหล็กกล้าคาร์บอน ชุบกัลวาไนซ์ (x) |
| 18 | สกรูยึด | A2-70 (304 สเตนเลสสตีล) |
| 19 | สกรูยึด | เหล็กกล้าคาร์บอน ชุบกัลวาไนซ์ (x) |
| 20 | คันโยก | Fe37 ชุบกัลวาไนซ์ (x) |
| * ส่วนประกอบของชุดซีล |