images/testate/Template-Header-Sito-OMALAngleseatZEUS.jpg

ZEUS气动阀门

  • 优点
  • 特性
  • 尺寸
  • 物料
  • 图表和起动扭矩
  • 规格
  • 附件
  • 文档

ZEUS

1.密封件位于气缸中而不是活塞上
致动器和与其相连的百叶窗具有更大的行程,从而确保了座椅上通道的大开口(压降较小)
减少密封件的磨损

2. 303 S.S.控制头插件
显着提高了由外部介质引起的耐腐蚀性能。

3.从带有镍化学涂层(10-15微米)的DN63金属活塞开始
通过提高表面硬度(700-750 HV),减少了活塞磨损

4.弹簧预装密封
它们可确保由于轴的线性滑动引起的磨损而恢复间隙,避免了外部的实际损失
它们可以使“ V形”密封(V形)保持通电,即使面对明显的温度变化也能补偿其尺寸变化。

5.“雪佛龙”(V形)密封件底部带有4个密封件
即使经过多次循环,也可以确保完美的密封

6.轧制轴
轴的低粗糙度(Ra为0.1微米)可减少密封件的磨损,从而有助于滑动

7.摆动/自动对准百叶窗
它完全适合阀体上的阀座,确保最大程度的密封

ATEX认证
可安装于潜在易爆的环境内

PED认证
完全符合欧盟有关加压装置的安全条例

一般特征:
符合EN 10226-1 Rp(ex ISO 7/1)的螺纹阀连接,用于Ares阀;用于Zeus阀的ISO 228/1。根据要求提供其他类型的攻击。
组装在任何位置:水平,垂直,倾斜。
双效版本的范围从3/8“到2”,单效通常从百叶窗的上方和下方关闭,单效通常从百叶窗的下方打开。
符合欧洲指令2014/68 /欧盟“ PED”。
订购时需要ATEX 2014/34 / 欧盟配置。

不同型号的驱动装置,各类阀门组合以及在阀塞上方或下方截止流体,使自动化阀门扩展出更多的型号。
下表中罗列了含有主要运行参数的标准型号产品。
基于阀门类型和上下游截止时的压力变化因子ΔP,即可找到驱动时所需的控制压力,以及相应的阀门代码。
选购:真空型号和氧气专用型号

控制的流体:
先导流体:润滑或干燥的压缩空气,气体和中性流体;
环境温度:-10°C至+ 60°C

截取的流体:
空气,水,酒精,油,燃料,盐溶液,蒸汽等...(但与A 351 CF8M或CuSn5Zn5Pb5-B兼容)
根据所选的尺寸和版本,工作压力为0到16/25 bar(180°C的蒸汽为0到10 bar)(请参阅以下页面)。
温度从-10°C到+ 180°C。
最大粘度600 cst(mm2/s)。

ZEUS

ZEUS 尺寸规格
DN [mm]
G * [inch]
执行器·
A
B
C
D
øE
F
ch. L
H
15
3/8”
Ø 50
166
143
157
44
70
65
27
12
15
1/2”
Ø 50
166
143
157
44
70
65
27
11
20
3/4”
Ø 50
174
149165
44
70
75
33
14
20
3/4”
Ø 63
193167
184
51
85
75
33
14
25
1”
Ø 50
1881591804470904117
25
1”
Ø 63
206
172193
51
85
90
41
17
25
1”
Ø 90
255221242
67
117
90
41
17
32
1”1/4
Ø 50
19716018644701105019
32
1”1/4
Ø 63
215
180205
51
85
110
50
19
32
1”1/4
Ø 90
267
231256
67
117
110
50
19
32
1”1/4
Ø 110
300265
290781411105019
40
1”1/2
Ø 63
23820223151851205818
40
1”1/2
Ø 90
270
235264
67
117
120
58
18
40
1”1/2
Ø 110
306
271300
78
141
120
58
18
50
2”
Ø 63
24720624151851507020
50
2”
Ø 90
281
241276
67
117
150
70
20
50
2”
Ø 110
317
276311
78
141
150
70
20
*  可选装带有NPT螺纹的型号

ZEUS Ø40端头

ZEUS Ø40 端头
DN
[mm]
G* [inch]
执行器
A
B
C
øDE
FHch. L
15
3/8”
Ø 40
144
121
134
6139
651227
15
1/2”
Ø 40
144
121
134
6139
651127
20
3/4”
Ø 40
151
128
143
6139
751433
* 可选装带有NPT螺纹的型号

ZEUS


ZEUS 材质
1
阀体
青铜 CuSn5Zn5Pb5-B
2
套筒
阀体 EN 12165 CW617N
3

316L S.S.
4*
杆密封
PTFE-CF
5*
物体密封
ГРАФИТ
6
316L S.S.
7
栓密封
PTFE
8
 执行缸
聚酰胺 PA 66 + GF 30%
9
活塞
黄铜化学镍 (PBT + GF 20% головка ø50)
10
螺纹刀片
303 S.S.

Namur plate (OPTIONAL)
PA66 + GF30%, brass inserts
* 针对高纯度应用领域,可选装带有纯PTFE阀杆密封件和Peek阀体密封件的型号

ZEUS Ø40端头


ZEUS Ø40 端头材质
1
阀体
青铜  CuSn5Zn5Pb5-B
2
 套筒
黄铜 A351-CF8M (316 S.S.)
3

316L S.S.
4*
杆密封  
PTFE-CF
5*
物体密封
GRAPHITE
6

316L S.S.
7
栓密封
PTFE
8
  执行缸
聚酰胺 PA 66 + GF 30%
9
活塞  
 PBT + GF 20%
10
螺纹刀片
303 S.S.
*针对高纯度应用领域,可选装带有纯PTFE阀杆密封件和Peek阀体密封件的型号

ZEUS

ZEUS Ø40端头

使用方法

限位开关盖

特殊的透明塑料盖上有两个凹槽,用于快速固定和调整磁性接触式限位开关。限位开关配有内置LED,在限位开关通电时可见。限位开关有REED型和HALL效应型,可自由连接或已接M12线。盖子的防护等级为IP68。注意:为了能够正确固定在限位开关的外壳中,当阀门完全打开时,视觉指示器不会到达盖子的末端。一旦阀门安装在系统中,必须调整限位开关。

套件代码
阀头尺寸
 A mm
 B mm
KFJM16
∅ 503077
KFJM18
∅ 632687
KFJM21
∅ 901597
KFJM23
∅ 1108107

套件不包含限位开关。

行程限制器
它允许您在打开期间限制阀门百叶窗的行程,从而调节流量。适用于所有版本。在常开单效果器版本中,它也可用作紧急手动控制。

控制
 A mm
代码
∅ 50 25,5
KLJL0016
∅ 63 21,5
KLJL0018
∅ 90 5,2
KLJL0021
∅ 1105,9
KLJL0023

不适用于机头 ∅ 40.

手动紧急控制
使您可以在紧急情况下打开阀门(先导油不足,系统故障,先导信号不足等..)。适用于所有常闭型阀门。

控制  
mm
代码
∅ 50
35,8
KLJA0016
∅ 63
35,8
KLJA0018
∅ 90
29,5
KLJA0021
∅ 110
29,5
KLJA0023

不适用于机头∅ 40

电试点 3/2 - 电磁阀 3/2 - 5/2

控制电磁阀
3/2电磁先导直接安装。
阀体和线圈可旋转360°
标准手动控制。
安装相应的5/2和3/2功能底座(均已随附)的电磁阀(NAMUR标准)。
环境温度从-10°C到+ 50°C

电压
24 Vac115 Vac230 Vac24 Vdc
电试点
EP415024EP415110EP415220EP412024

电压
24 Vac115 Vac230 Vac24 Vdc
NAMUR电磁阀* ER8188A2ER8188A4ER8188A5ER8188C2
NAMUR接口KBNJ0001 Not available with ∅ 40 head

* 仅与NAMUR界面一起使用

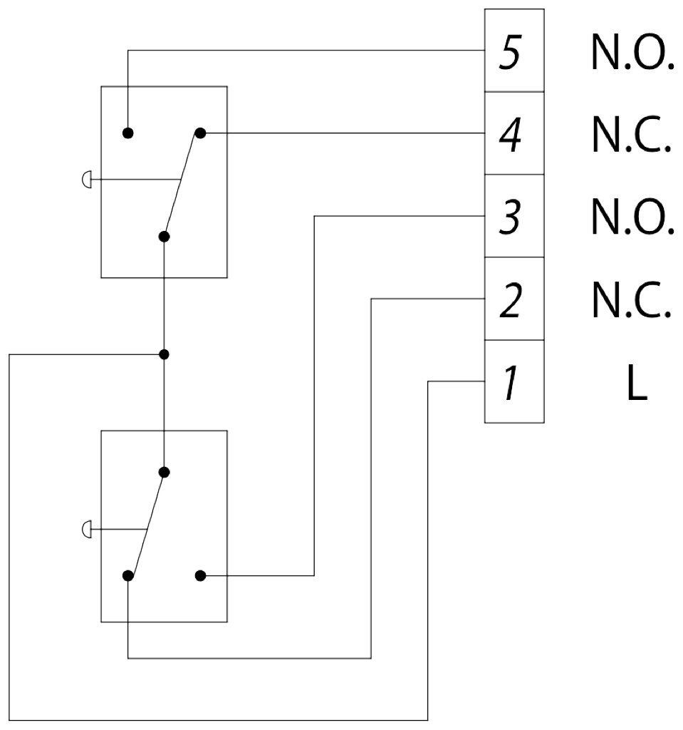
限位开关盒
​​​​带有两个机械或感应式限位开关的用于控制打开或关闭位置的信号盒适合安装在整个系列的带执行器∅50-∅63--90-∅110的阀门上。
可根据要求提供用于通过LED连接电磁阀和视觉指示器的端子。
防护等级IP 65
环境温度从-20°C到+ 70°C
电缆入口1 PG11
聚酰胺外壳材料带有透明的聚甲基丙烯酸酯盖。

控制
A
mm

∅ 50  
52,1
∅ 63
47,5
∅ 90
37,7
∅ 110
29,5

可用的限位开关类型

NAMUR EExia感应式限位开关
额定电压:8V DC
功耗:驱动≤1 mA;释放≥3 mA
运行温度:-20℃~+70℃

配置
代码  
1个限位器:阀门打开时处于高位
KSIN9A0xx
1个限位器:阀门打开时处于低位
KSIN9C0xx
2个限位器:阀门打开和关闭
KSIN920xx


接近式限位开关
额定电压:10~30V DC
电流消耗:15 mA;
运行温度:-20℃~+70℃

配置 代码 
1个限位器:阀门打开时处于高位
KSI09A0xx
1个限位器:阀门打开时处于低位
KSI09C0xx
2 个限位器:阀门打开和关闭
KSI0920xx

机械式限位开关
高位限位:阀门打开
低位限位:阀门关闭
最大负载:5A 250V AC;1A 250V DC

配置
代码
2个限位器
KSM0C20xx

xx = Ø 控制端  
16 = Ø50
18 = Ø63
21 = Ø90
23 = Ø110

配置 驾驶
选择搜索参数
搜索文章
X 关闭

下一新闻

Asia Water 2026
Asia Water 2026
Kuala Lumpur, 7-9 April 2026