images/testate/Template-Header-Sito-OMALAngleseatZEUS.jpg

Vanne pneumatique ZEUS

  • avantages
  • caractéristiques
  • dimensions
  • matériaux
  • diagrammes et couples de démarrage
  • spécifications
  • accessoires
  • documents

ZEUS

1. Garniture placée dans le vérin et non sur le piston.
On obtient une plus grande course de l'actionneur et de l'obturateur correspondant, garantissant de grandes ouvertures du passage sur le siège (moins de perte de charge).
Usure moindre de la garniture.

2. Inserts de la tête de commande en 303 S.S.
Cela augmente considérablement la résistance à la corrosion causée par des agents externes.

3. À partir du DN63, piston métallique avec revêtement en NICKELAGE CHIMIQUE (10-15 microns).
Cela réduit l’usure du piston du fait d’une dureté de surface plus élevée (700-750 HV).

4. Garnitures précontraintes par ressort.
Elles permettent de récupérer le jeu dû à l'usure causée par le glissement linéaire de l'arbre évitant les fuites vers l'extérieur.
Elles permettent de maintenir les joints en "chevron" (en V) sous tension, en compensant leurs variations dimensionnelles, y compris en présence d’importantes variations de température.

5. Empilement de joints en chevron en "V" avec trois garnitures et joint torique   
Une étanchéité parfaite est garantie même après un nombre élevé de cycles

6. Arbre laminé.
Moins d'usure des garnitures grâce à la faible rugosité (0,1 micron Ra) de l’arbre qui facilite le glissement.

7. Obturateur oscillant/à auto-alignement.
Il s'adapte parfaitement au siège sur le corps de la vanne, assurant une étanchéité maximum.

Certificat ATEX
Permet son installation en présence d'un milieu potentiellement explosif

Certificat ESP 
Conformité totale aux normes de sécurité européennes pour les équipements sous pression

CARACTÉRISTIQUES GÉNÉRALES:
Raccords vanne filetés selon EN 10226-1 Rp (ex ISO 7/1) pour vannes Ares; ISO 228/1 pour vannes Zeus. Autres types de raccords sur demande.
Montage dans toutes les positions: horizontale, verticale, oblique
Gamme disponible de 3/8” à 2” dans les versions double effet, simple effet normalement fermé par le haut et le bas de l'obturateur, simple effet normalement ouvert par le bas de l'obturateur.
Conforme à la directive européenne 2014/68/UE DESP 

Configuration ATEX 2014/34/UE à demander lors de la commande.
Les différentes versions des commandes, les différentes combinaisons de la valve et la possibilité d'intercepter le flux au-dessus ou en dessous de l'obturateur, donnent lieu à plusieurs versions de la valve automatique.
Les tableaux suivants répertorient les versions standard avec les principaux paramètres de fonctionnement.
En fonction du type de valve et de la variation de pression ΔP qui doit être interceptée entre l'amont et l'aval de celle-ci, la pression de commande nécessaire à l'entraînement et par conséquent le code de vanne correspondant est identifié.
Sur demande: versions à vide et pour usage oxygène.

FLUIDE DE COMMANDE:
Fluide de pilotage: air comprimé lubrifié ou sec, gaz et fluides neutres;
Température ambiante: de -10°C à +60° C

FLUIDE VÉHICULÉ:
Air, eau, alcool, huiles, carburants, solutions salines, vapeur, etc...(toutefois compatible avec A 351 CF8M O CuSn5Zn5Pb5-B )
Pression d'alimentation de 0 à 16 / 25 bar (vapeur à 180°C de 0 à 10 bar) selon la taille et la version choisie (voir pages suivantes).
Température de -10°C à +180°C.
Viscosité maximale 600 cst (mm2/s).

ZEUS

ZEUS DIMENSIONS
DN [mm]
G * [pouces]
Actionneur
A
B
C
D
øE
F
ch. L
H
15
3/8”
Ø 50
166
143
157
44
70
65
27
12
15
1/2”
Ø 50
166
143
157
44
70
65
27
11
20
3/4”
Ø 50
174
149165
44
70
75
33
14
20
3/4”
Ø 63
193167
184
51
85
75
33
14
25
1”
Ø 50
1881591804470904117
25
1”
Ø 63
206
172193
51
85
90
41
17
25
1”
Ø 90
255221242
67
117
90
41
17
32
1”1/4
Ø 50
19716018644701105019
32
1”1/4
Ø 63
215
180205
51
85
110
50
19
32
1”1/4
Ø 90
267
231256
67
117
110
50
19
32
1”1/4
Ø 110
300265
290781411105019
40
1”1/2
Ø 63
23820223151851205818
40
1”1/2
Ø 90
270
235264
67
117
120
58
18
40
1”1/2
Ø 110
306
271300
78
141
120
58
18
50
2”
Ø 63
24720624151851507020
50
2”
Ø 90
281
241276
67
117
150
70
20
50
2”
Ø 110
317
276311
78
141
150
70
20
*  Sur demande la version avec filetage NPT

ZEUS TÊTE Ø40

ZEUS TÊTE Ø 40 DIMENSIONS
DN
[mm]
G* [pouces]
Actionneur
A
B
C
øDE
FHch. L
15
3/8”
Ø 40
144
121
134
6139
651227
15
1/2”
Ø 40
144
121
134
6139
651127
20
3/4”
Ø 40
151
128
143
6139
751433
* Sur demande la version avec filetage NPT

ZEUS


ZEUS MATÉRIAUX   
1
Corps vanne
Bronze  CuSn5Zn5Pb5-B
2
Manchon presse-étoupe
Laiton EN 12165 CW617N
3
Tige
316L S.S.
4*
Garniture tige  
PTFE-CF
5*
Garniture corps  
GRAPHITE
6
Obturateur
316L S.S.
7
Garniture Obturateur
PTFE
8
Tête de commande
Polyamide PA 66 + GF 30%
9
Piston
Laiton nickel chimique (PBT + GF 20% tête ø50)
10
Inserts pilotes
303 S.S.

Namur plate (OPTIONAL)
PA66 + GF30%, brass inserts
* Pour les applications de haute pureté, des joints de tige en PTFE vierge et des joints de corps Peek sont disponibles

ZEUS TÊTE Ø40


ZEUS TÊTE Ø40 MATÉRIAUX   
1
Corps vanne
Bronze  CuSn5Zn5Pb5-B
2
Manchon presse-étoupe
Laiton EN 12165 CW617N
3
Tige
316L S.S.
4*
Garniture tige  
PTFE-CF
5*
Garniture corps  
GRAPHITE
6
Obturateur
316L S.S.
7
Garniture obturateur
PTFE
8
Tête de commande
Polyamide PA 66 + GF 30%
9
Piston
PBT + GF 20%
10
Inserts pilotes
303 S.S.
* Pour les applications de haute pureté, des joints de tige en PTFE vierge et des joints de corps Peek sont disponibles

ZEUS

ZEUS TÊTE Ø40

MODE D'UTILISATION

Bouchon pour fin de course

Le bouchon spécial, en matière plastique transparente, présente deux rainures pour pouvoir fixer et régler rapidement les fins de course à contact magnétique. Les fins de course sont équipés d'une LED interne visible lorsque le fin de course lui-même est excité. Des fins de course de type REED et à effet HALL sont disponibles avec connexion libre ou déjà câblés M12. Le bouchon a un degré de protection IP68. Attention : pour permettre la fixation correcte dans le boîtier du fin de course, l'indicateur visuel, lorsque la vanne est complètement ouverte, n'arrive pas à l'extrémité du bouchon. Les fins de course doivent être réglées une fois la vanne installée dans le système.

Code kit
Dimension de la tête
 A mm
 B mm
KFJM16
∅ 503077
KFJM18
∅ 632687
KFJM21
∅ 901597
KFJM23
∅ 1108107

Le kit ne comprend pas les interrupteurs de fin de course.

Limiteur de course 
Permet de limiter la course de l’obturateur de la vanne en ouverture et donc de régler le débit. Disponible pour toutes les versions. Dans les versions simple effet normalement ouvertes, il peut également être utilisé comme commande manuelle d'urgence.

Commande A mm
Code
∅ 5025,5
KLJL0016
∅ 6321,5
KLJL0018
∅ 905,2
KLJL0021
∅ 1105,9
KLJL0023

Non disponible avec la tête ∅ 40.

Commande manuelle d'urgence 
Permet d'ouvrir la vanne en cas d'urgence (manque de liquide de pilotage, panne du système, absence de signal de pilotage, etc.). Disponible pour toutes les vannes dans les versions normalement fermées.

Commande  
mm
Code
∅ 50
35,8
KLJA0016
∅ 63
35,8
KLJA0018
∅ 90
29,5
KLJA0021
∅ 110
29,5
KLJA0023

Non disponible avec la tête ∅ 40

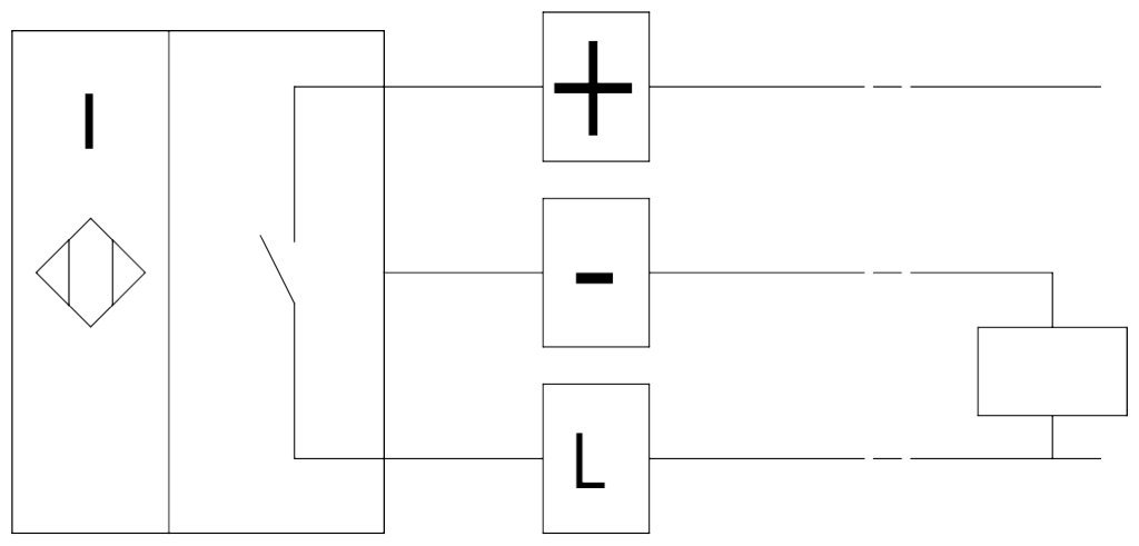
Électropilote 3/2 - Électrovanne 3/2 - 5/2

Électrovanne de commande
Électropilote 3/2 pour le montage direct.
Corps et bobine réglables à 360°
Commande manuelle standard.
L'électrovanne (NAMUR) permet la sélection de la fonction 5/2 et 3/2 qui s'effectue en montant la plaque de montage correspondante (les deux étant fournies).
Température ambiante comprise entre -10°C et + 50°C

Tension24 Vac115 Vac230 Vac24 Vdc
Électropilote
EP415024EP415110EP415220EP412024

Tension
24 Vac115 Vac230 Vac24 Vdc
Électrovanne NAMUR*ER8188A2ER8188A4ER8188A5ER8188C2
Interface NAMURKBNJ0001 Not available with ∅ 40 head

* À utiliser uniquement avec l'interface NAMUR

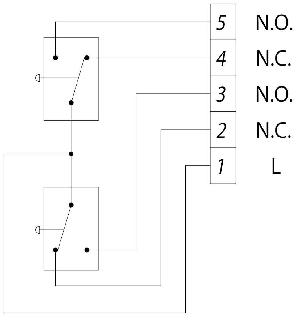
Boîtier de signalisation 
Le boîtier de signalisation pour vérifier la position ouverte ou fermée avec deux interrupteurs de fin de course mécaniques ou inductifs peut être monté sur  toute la gamme de vannes avec actionneurs ∅50 - ∅63 - ∅90 - ∅110.
Sur demande, des bornes sont disponibles pour connecter l'électrovanne et les indicateurs visuels via des LED.
Indice de protection IP 65
Température ambiante entre -20°C et +70°C 1 serre-câble PG11
Matériau du boîtier en polyamide avec couvercle en polyméthacrylate transparent.

Commande
A
mm

∅ 50  
52,1
∅ 63
47,5
∅ 90
37,7
∅ 110
29,5

TYPES DE FIN DE COURSE DISPONIBLES

Interrupteurs de fin de course inductifs NAMUR EExia
Tension nominale: 8 Vcc
Consommation: actionné ≤1 mA; relâché ≥3 mA
Température de fonctionnement: de -20°C à +70°C

ConfigurationCode 
1 fin de course: position haute vanne ouverte
KSIN9A0xx
1 fin de course: position basse vanne fermée
KSIN9C0xx
2 fins de course vanne ouverte et fermée
KSIN920xx

Interrupteurs de fin de course de proximité
Tension nominale: 10÷30 Vcc
Consommation: 15 mA ;
Température de fonctionnement: de -20°C à +70°C

Configuration Code 
1 fin de course: position haute vanne ouverte
KSI09A0xx
1 fin de course: position basse vanne fermée
KSI09C0xx
2 fins de course vanne ouverte et fermée
KSI0920xx

Interrupteurs de fin de course mécaniques
Fin de course haut: vanne ouverte
Fin de course bas: vanne fermée
Charge max: 5A 250 Vca; 1A 250 Vcc

Configuration
Code
2 fins de course
KSM0C20xx

xx = Ø tête de commande  
16 = Ø50
18 = Ø63
21 = Ø90
23 = Ø110

CONFIGURER ACTIONNEMENT
Sélectionnez les paramètres de recherche
RECHERCHER UN ARTICLE
X FERMER

PROCHAIN ÉVÈNEMENT

IVS - Industrial Valve Summit 2026
IVS - Industrial Valve Summit 2026
Bergamo, Italy, 19 - 21 may 2026