images/testate/Template-Header-Sito-OMALBALLVALVES.jpg

Item D122黄铜球阀

Item D122黄铜球阀
球阀

配备快速接口的畜牧领域专用球阀,全通径

配置 动力
申请详细信息
打印页面
  • 特性
  • 特性
  • 物料

常规参数:
• 使用温度:-15℃~+100℃
• 使用压力:室温下最高为10bar
• 截止流体:空气、水、流体猪饲料
• 用途:畜牧业设施
• 螺纹接口:UNI/ISO 228/1标准母头;通过螺栓锁止的快速接口(专利系统)

选装特殊配置:

• 其他应用领域敬请咨询我司的销售部门。

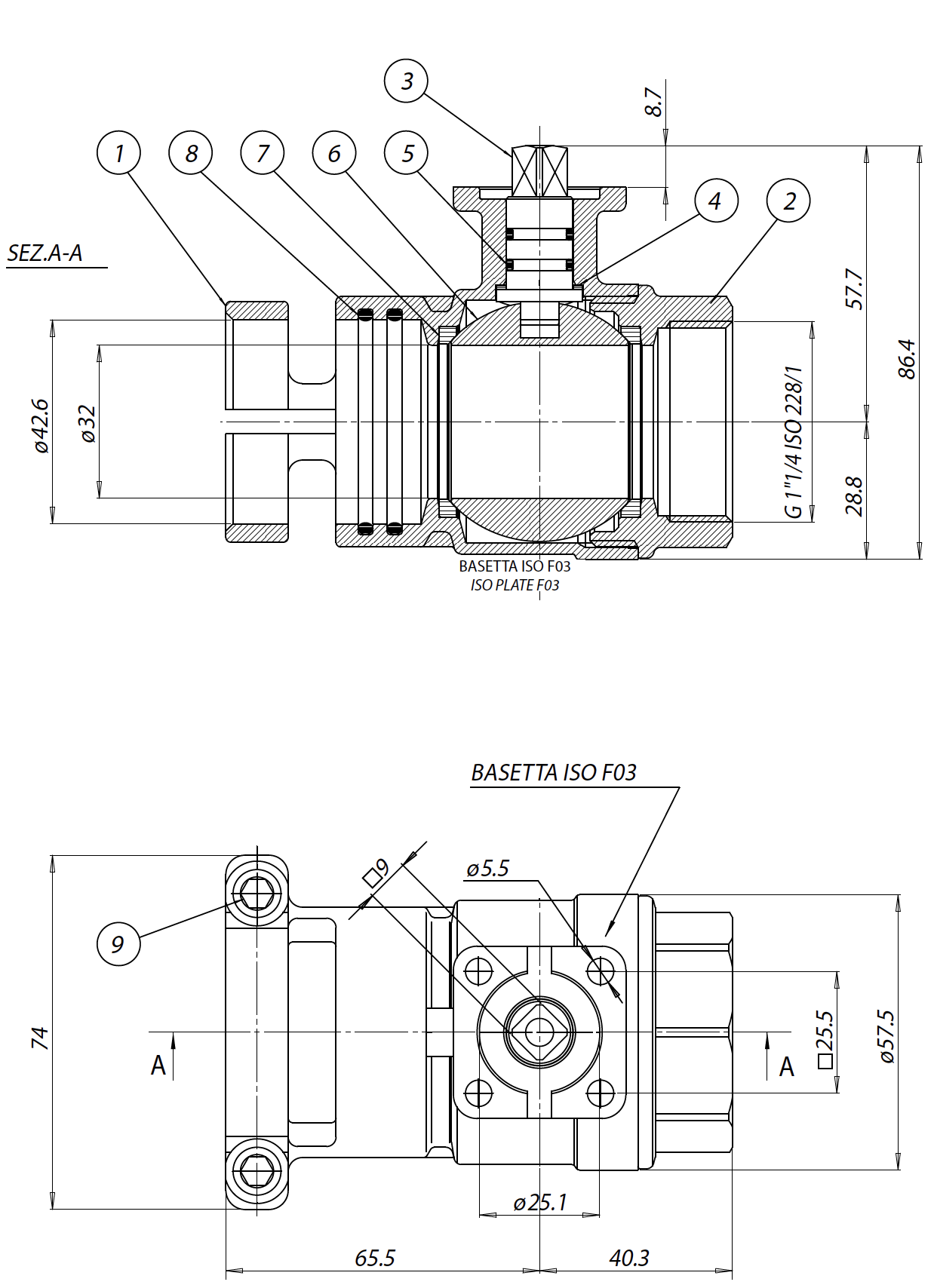
尺寸规格
阀门
螺纹/快速(F/R)接口母头
V122N997
公称直径
mm.32
内螺纹气体
1"1/4
标称通过 ∅Pmm.32
重量Kg1,7

材质
1
快速接口*阀体
黄铜
镀镍
EN 12164 CW617N
2
螺纹接口母头*
黄铜
镀镍
EN 12164 CW617N
3
阀轴
黄铜

EN 12164 CW614N
4
抗磨盘
P.T.F.E.


5
阀杆O形圈 1.78x11.11(OR114)
NBR


6
球体
Nickel-chrome plating

EN 12164 CW614N
7
侧密封件
P.T.F.E.


8
套管O形密封圈 2.62x42.52(OR3168)
NBR


9
M8x20螺栓
304 不锈钢


* 外表面处理:亮光镀镍

配置 驾驶
选择搜索参数
搜索文章
X 关闭

下一新闻

IVS - Industrial Valve Summit 2026
IVS - Industrial Valve Summit 2026
Bergamo, Italy, 19 - 21 may 2026