images/testate/Template-Header-Sito-OMALBALLVALVES.jpg

Vanne à boisseau sphérique en laiton, Item D122

Vanne à boisseau sphérique en laiton, Item D122

Vanne à boisseau sphérique à raccord rapide pour usage zootechnique, passage intégral

CONFIGURER Actionnement
DEMANDE D'INFORMATIONS
IMPRIMER PAGE
  • caractéristiques
  • dimensions
  • matériaux

CARACTÉRISTIQUES GÉNÉRALES:
• Température de fonctionnement: de -15°C à +100°C
• Pressions de fonctionnement: 10 bar max. à température ambiante
• Fluide véhiculé: air, eau, liquides pour l'alimentation des porcs
• Utilisations: pour installations zootechniques
• Extrémités filetées: femelle UNI/ISO 228/1; rapide avec verrouillage par vis (système breveté)

 RÉALISATIONS SPÉCIALES SUR DEMANDE:
• Pour d'autres applications, veuillez vous adresser à notre service commercial.

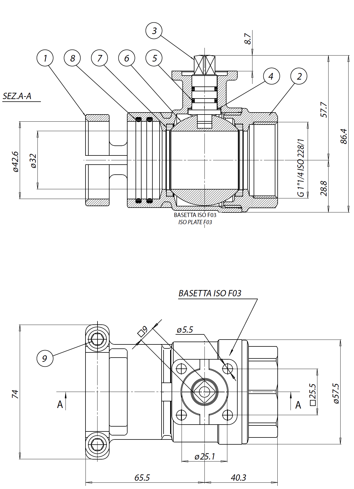
DIMENSIONS
VanneRaccord femelle fil./rapide (F/R)V122N997
Diamètre nominal
mm.32
Filetage manchon femelle
Gas1"1/4
Passage nominal ∅P
mm.32
PoidsKg1,7

MATÉRIAUX
1
Corps avec manchon rapide*
Laiton
Nickelé
EN 12164 CW617N
2
Manchon fileté femelle*
Laiton
Nickelé
EN 12164 CW617N
3
Arbre
Laiton

EN 12164 CW614N
4
Disque antifriction
P.T.F.E.


5
Joint torique tige 1,78x11,11 (OR114)
NBR


6
Boisseau
Nickel-chrome plating

EN 12164 CW614N
7
Garniture d’étanchéité latérale
P.T.F.E.


8
Joint torique étanchéité tuyau 2,62x42,52 (OR3168)
NBR


9
Vis M8x20
304 S.S.


* Traitement extérieur: Nickelage brillant

CONFIGURER ACTIONNEMENT
Sélectionnez les paramètres de recherche
RECHERCHER UN ARTICLE
X FERMER

PROCHAIN ÉVÈNEMENT

IVS - Industrial Valve Summit 2026
IVS - Industrial Valve Summit 2026
Bergamo, Italy, 19 - 21 may 2026