images/testate/Template-Header-Sito-OMALBALLVALVES.jpg

Item 635-636-637-638 PVC球阀

Item 635-636-637-638 PVC球阀
球阀

配备“T”形或“L”形球体的3通道全通径螺纹接口或适用粘接的PVC球阀

ITEM 635

接合:螺纹接口
“T”形球体阀门

ITEM 636

接合:螺纹接口
“L”形球体阀门

ITEM 637

接合:粘接
“T”形球体阀门

ITEM 638

接合:粘接
“L”形球体阀门

配置 动力
申请详细信息
打印页面
  • 特性
  • 特性
  • 物料
  • 图表和起动扭矩
  • 规格

常规参数:
• 混合3种密封件的分流阀。关闭三个流量通道中的一个时,可将流体导流至各个方向。
• 使用温度:0℃~+60℃
• 使用压力:参见图表
• 应用领域:不会与破坏PVC材质化学耐性的化学物质和流体。
• 接口:

  • DIN/ISO 228/1标准螺纹母头;
  • ISO 727 UNI EN 1452标准粘接工艺
  • 若流体兼容阀门的化学耐性,PN 10可达25℃。

选装特殊配置:

• 请联络我司的销售部门。

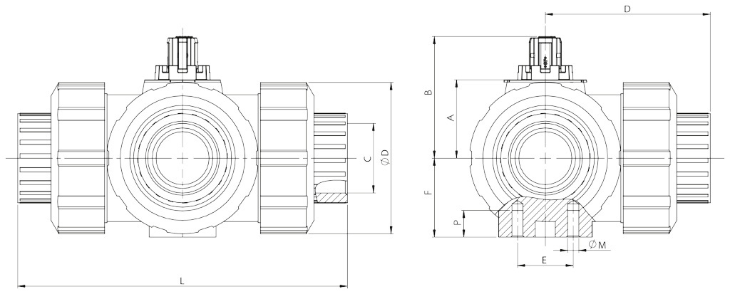
尺寸规格
尺寸
A
B
C
螺纹
C
粘接
D
螺纹
D
粘接
E
F
L
螺纹
L
粘接
øM
P
øQ
DN
[mm]

[inch]
DN 10
3/8"
26,1
41
3/8"
16
54
52
25
28
113
109
6
8
50
DN 15
1/2"
26,1
41
1/2"
20
56
54
25
28
117
112
6
8
50
DN 20
3/4"
30
48,5
3/4"
25
66
64
25
32
135
131
6
8
58
DN 25
1"
35,2
55
1"
32
74
72
25
36
155
151
6
8
68
DN 32
1" 1/4
44
66,9
1" 1/4
40
89
90
45
45
179
181
8
9
84
DN 40
1" 1/2
50,2
73,1
1" 1/2
50
102,5
105
45
51
201
205
8
9
97
DN 50
2"
62
89,4
2"
63
130,5
133,5
45
65
255
261
8
9
124

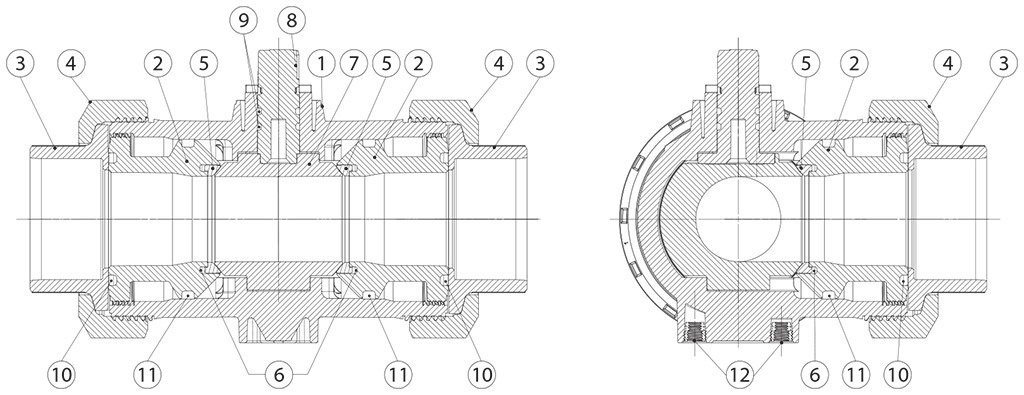
材质
1
阀体
PVC-U
2
球体密封支架  
PVC-U
3
套管
PVC-U
4
环型螺母
PVC-U
5
球体密封件
PTFE
6
阀座背向O形圈
EPDM
7
球体
PVC-U
8
阀杆
PVC-U
9
内杆O形圈
EPDM
10末端O形密封圈
EPDM
11阀体O形圈
EPDM
12装配嵌件
不锈钢

压力/温度图表

流量/压力损失和公称系数Kv

“L”形球体

DN10
DN15
DN20
DN25
DN32
DN40
DN50

Kv100
50
75
150
280
480
620
1230
KV100 litri al minuto
KV
3
4,5
9
16,8
28,8
37,2
73,8
KV metricubi/ora

"T”形球体

DN10
DN15
DN20
DN25
DN32
DN40
DN50

Kv100
140
200
470
793
1290
1910
3100
KV100 litri al minuto
KV
8,4
12
28,2
47,2
77,4
114,6
186
KV metricubi/ora

流量系数Kv的数值等于压降为1 bar时的流量值(单位为m3/h,水温为15℃)。

起动扭矩(Nm) 
尺寸
DN 10 3/8"
DN 15 1/2"
DN 20 3/4"
DN 25
1"
DN 32 1"1/4
DN 40 1"1/2
DN 50
2"

PN 10 bar
2
2
3
4
5,5
7,5
10

扭矩值可能因温度和流体类型的影响而出现变化。纳入考虑的安全因子为1.4。
在频繁开闭的循环条件下,操纵扭矩可能会略低于初始扭矩。后文中列示的执行器/阀门装配以平均温度下截止洁净的液体或气体时为准。欲了解详情或其他应用方式,请联络我司的销售部门。

“L”形球体示意图

注意:
执行器SR常闭时,球体的待命位置必须为“A”。
执行器SR常开时,球体的待命位置必须为“B”。

从上面看

“T”形球体示意图 

搭配执行器使用时,仅存在两个旋转90°的方位:有关球体配置,敬请联络我司的销售部门。

注意:
执行器SR常闭时即可选择球体的待命位置;流体供应时,应逆时针旋转执行器。
执行器SR常开时即可选择球体的待命位置;流体供应时,需顺时针旋转执行器。

从上面看

配置 驾驶
选择搜索参数
搜索文章
X 关闭

下一新闻

IVS - Industrial Valve Summit 2026
IVS - Industrial Valve Summit 2026
Bergamo, Italy, 19 - 21 may 2026