images/testate/Template-Header-Sito-OMALBALLVALVES.jpg

Kugelhahn aus PVC Item 635-636-637-638

Kugelhahn aus PVC Item 635-636-637-638
Makro Kugelhähne

Kugelhahn aus PVC, 3 Wege, mit Gewinde- oder Klebeanschlüssen, T- oder L-Bohrung, voller Durchgang
 
ITEM 635
Anschluss: Gewinde
Kugelhahn mit T-Bohrung
 
ITEM 636
Anschluss: Gewinde
Kugelhahn mit L-Bohrung
 
ITEM 637 
Anschluss: Klebefittings
Kugelhahn mit T-Bohrung
 
ITEM 638 
Anschluss: Klebefittings
Kugelhahn mit L-Bohrung

KONFIGURIEREN Steuerung
INFORMATIONEN ANFORDERN
SEITE DRUCKEN
  • eigenschaften
  • abmessungen
  • werkstoffe
  • diagramme und anlaufmomente
  • merkmale

ALLGEMEINE EIGENSCHAFTEN: 
• Verteil- und Mischhahn mit 3 Dichtungen. Ermöglicht die Verteilung des Flusses in alle Richtungen und das Schließen des Förderstroms an einem der drei Anschlüsse.
• Betriebstemperatur: 0°C bis +60°C.
• Betriebsdruck: siehe Diagramm.
• Anwendungen: Chemikalien sowie Flüssigkeiten, gegen die PVC chemisch resistent ist.
• Anschlüsse:
     • Innengewinde nach DIN/ISO 228/1;
     • Klebefitting gemäß ISO 727 UNI EN 1452
• PN 10 bis 25°C bei Einstufung als CHEMISCH RESISTENT.

SONDERAUSFÜHRUNGEN AUF ANFRAGE: 
• Kontaktieren Sie unsere Verkaufsabteilung.

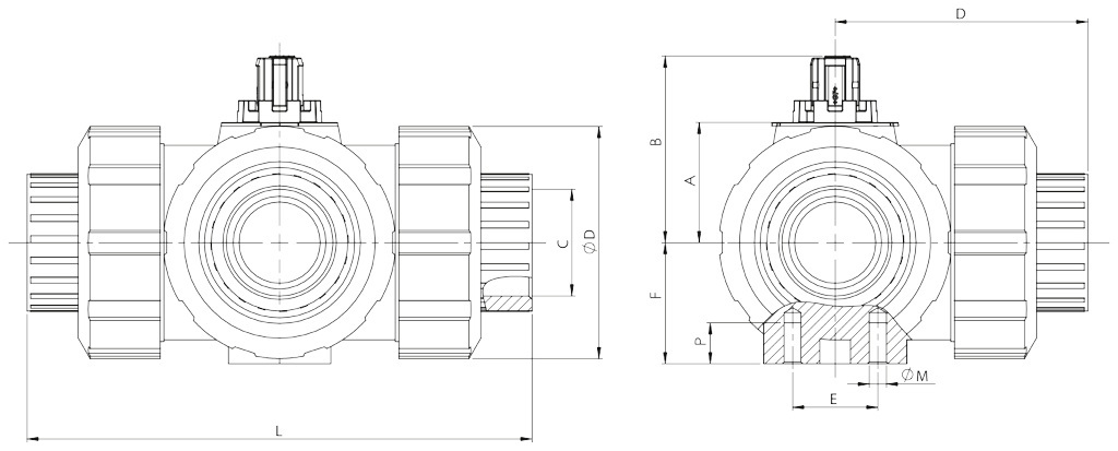
ABMESSUNGEN  
BAUGRÖSSE 
A
B
C
Klebefitting
C
Gewinde
D
Klebefitting
D
Gewinde
E
F
L
Klebefitting
L
Gewinde
øM
P
øQ
DN
[mm]

[Zoll]
DN 10
3/8"
26,1
41
3/8"
16
54
52
25
28
113
109
6
8
50
DN 15
1/2"
26,1
41
1/2"
20
56
54
25
28
117
112
6
8
50
DN 20
3/4"
30
48,5
3/4"
25
66
64
25
32
135
131
6
8
58
DN 25
1"
35,2
55
1"
32
74
72
25
36
155
151
6
8
68
DN 32
1" 1/4
44
66,9
1" 1/4
40
89
90
45
45
179
181
8
9
84
DN 40
1" 1/2
50,2
73,1
1" 1/2
50
102,5
105
45
51
201
205
8
9
97
DN 50
2"
62
89,4
2"
63
130,5
133,5
45
65
255
261
8
9
124

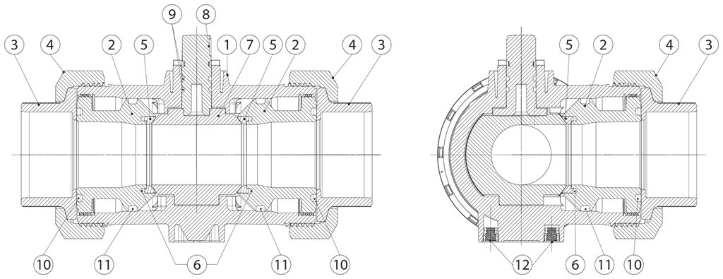
WERKSTOFFE
1
Gehäuse
PVC-U
2
Dichtungshalter Kugel
PVC-U
3
Muffe
PVC-U
4
Gewindering
PVC-U
5
Kugeldichtung
PTFE
6
Einziehbarer O-Ring
EPDM
7
Kugel
PVC-U
8
Spindel  
PVC-U
9
O-Ring Spindel  
EPDM
10Muffendichtung O-Ring
EPDM
11O-Ring Gehäuse
EPDM
12Montageeinsätze
S.S.

DRUCK-/TEMPERATURDIAGRAMM

Durchflussrate/Druckverlust und Nennkoeffizient Kv

L-BOHRUNG

DN10
DN15
DN20
DN25
DN32
DN40
DN50

Kv100
50
75
150
280
480
620
1230
Kv100 Liter/Minute
KV
3
4,5
9
16,8
28,8
37,2
73,8
Kv Kubikmeter/Stunde

T-BOHRUNG

DN10
DN15
DN20
DN25
DN32
DN40
DN50

Kv100
140
200
470
793
1290
1910
3100
Kv100 Liter/Minute
KV
8,4
12
28,2
47,2
77,4
114,6
186
Kv Kubikmeter/Stunde

Der Kv-Wert ist der Durchflusswert in m3/h (bei einer Wassertemperatur von 15°C), der einen Druckabfall von 1 bar verursacht.

ANLAUFMOMENTE in Nm 
BAUGRÖSSE 
DN 10 3/8"
DN 15 1/2"
DN 20 3/4"
DN 25
1"
DN 32 1"1/4
DN 40 1"1/2
DN 50
2"

PN 10 bar
2
2
3
4
5,5
7,5
10

Die angegebenen Anlaufmomentwerte können sich je nach Temperatur oder Betriebsmedien ändern. Berücksichtigen Sie bitte einen Sicherheitsfaktor von 1,4.
Bei häufigen Öffnungs- und Schließzyklen kann sich das Betriebsdrehmoment im Vergleich zum Anfangswert leicht verringern. Die auf den folgenden Seiten angegebenen Kombinationen Antrieb/Armatur beziehen sich auf Armaturen mit flüssigen, gasförmigen sauberen Medien bei mittleren Temperaturen. Für weitere Informationen oder andere Verwendungszwecke wenden Sie sich bitte an unsere Verkaufsabteilung.

Schema „L-Bohrung“

HINWEIS:
Bei NORMAL GESCHLOSSENEM SR-Stellantrieb muss die Ruheposition der Kugel „A“ sein.
Bei NORMAL GEÖFFNETEM SR-Stellantrieb muss die Ruheposition der Kugel „B" sein.

Ansicht von oben

Schema „T-Bohrung“ 
 
Mit Antrieb sind nur zwei Positionen mit 90°-Drehung möglich: Die Konfiguration der Kugel muss unserer Verkaufsabteilung stets mitgeteilt werden.

HINWEIS:
Bei NORMAL GESCHLOSSENEM SR-Stellantrieb die Ruhestellung der Kugel wählen; bei Betrieb dreht sich der Antrieb gegen den Uhrzeigersinn.
Bei NORMAL GEÖFFNETEM SR-Stellantrieb die Ruhestellung der Kugel wählen; bei Betrieb dreht sich der Antrieb in den Uhrzeigersinn.

Ansicht von oben

KONFIGURIEREN BETÄTIGUNG
Wählen Sie die Suchparameter
ARTIKEL SUCHEN
SCHLIESSEN

NÄCHSTES EVENT

IVS - Industrial Valve Summit 2026
IVS - Industrial Valve Summit 2026
Bergamo, Italy, 19 - 21 may 2026