images/testate/Template-Header-Sito-OMALBALLVALVES.jpg

MAGNUM Split Wafer PN 16-40 ANSI 150-300 casting stainless steel ball valve

MAGNUM Split Wafer PN 16-40 ANSI 150-300 casting stainless steel ball valve
球阀
小类 MAGNUM

家族 MAGNUM Split Wafer PN 16-40 ANSI 150-300 casting stainless steel

配置 动力
申请详细信息
打印页面
产品代码解码
  • 优点
  • 特性
  • 物料
  • 附件
  • 文档

1.防静电装置(球体、阀杆和阀体间存在常电)
此装置可以避免在易燃和/或易爆环境中静电荷的聚集
阀门在整个寿命周期中的接触安全均具有保障

2.双抗磨环
借助更低的扭矩即可操纵阀门;
相较于单环装置,双环的磨损在运行中更低

3.3组密封件组成的V形密封套件和+O形圈

在定量的循环过后,该装置仍可确保完美的密封性

4.阀杆密封件上的碟型弹簧

封堵因轴的半周旋转磨损而形成的间隙,避免内容物外泄;
确保雪佛龙密封套件(V形)保持紧致,避免在温差显著的环境中出现内容物外泄。

5.石墨弹性密封件

确保外端密封性不受阀门所在环境的温差影响

得益于粗加工至细加工的单一定位,实现更高的轴向对齐精度
更佳的阀门寿命
更小的操纵扭矩

依照执行标准,采用NACE规范认证材料打造的碳钢阀体

更佳的耐腐蚀性保障
更强的材料韧性

在OMAL自有设施内完成全部生产流程

对加工各个阶段的最佳管控
按照客户的需求可快速供货

“Fire Safe”认证

阀门在火灾环境下的密封性保障

ATEX认证

可安装于潜在易爆的环境内

“TA LUFT排放泄漏”认证

更高的阀杆外端密封性保障

PED认证

完全符合欧盟有关加压装置的安全条例

最高达SIL3等级的认证

更高的运行安全等级

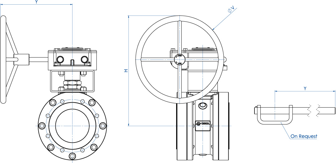
裸轴尺寸规格

-PN-裸轴尺寸规格
尺寸
PNØE
ABCØG
ØR
SØH
孔数
ØI
PF/TISO接头
ØM
ØN
LKg密封套件
DN [mm][英寸]
DN 1506"PN16152154227,540,533221232408M202545/30F14140M1624084,4KGBV485140
DN 1506"PN25-40152154227,540,533221832508M242445/30F14140M1624086,6KGBV48514D
DN 2008"PN1618818827444,8396268329512M203052/35F14140M16314151,0KGBV485150
DN 2008"PN2520318827444,8396278331012M243052/35F14140M16314155,7KGBV485150


-ANSI- 裸轴尺寸规格
尺寸
ANSIØE
ABCØG
ØR
SØH
孔数
ØI
PF/TISO接头
ØM
ØN
LKg密封套件
DN [mm][英寸]
DN 1506"ANSI150152154227,540,5332215,9
1,6241,383/4"UNC2545/30F14140M1624085,4KGBV485140
DN 1506"ANSI300152154227,540,5332215,9
1,6269,7
123/4"UNC
2545/30F14140M1624087,2KGBV48514D
DN 2008"ANSI15020318827444,8396269,7
1,6298,4
83/4"UNC
3052/35F14140M16314152,9KGBV485150

减速器尺寸规格

-PN-减速器尺寸规格
尺寸
PNHYØV
Kg手柄套件
DN [mm][英寸]
DN 1506"PN16522326400126---
DN 1506"PN25-40522347600147---
DN 2008"PN16516347500200---
DN 2008"PN25516347500200---

-ANSI-减速器尺寸规格
尺寸
ANSIHYØV
Kg手柄套件
DN [mm][英寸]
DN 1506"ANSI150522326400126---
DN 1506"ANSI300522347600147---
DN 2008"ANSI150516347500200---

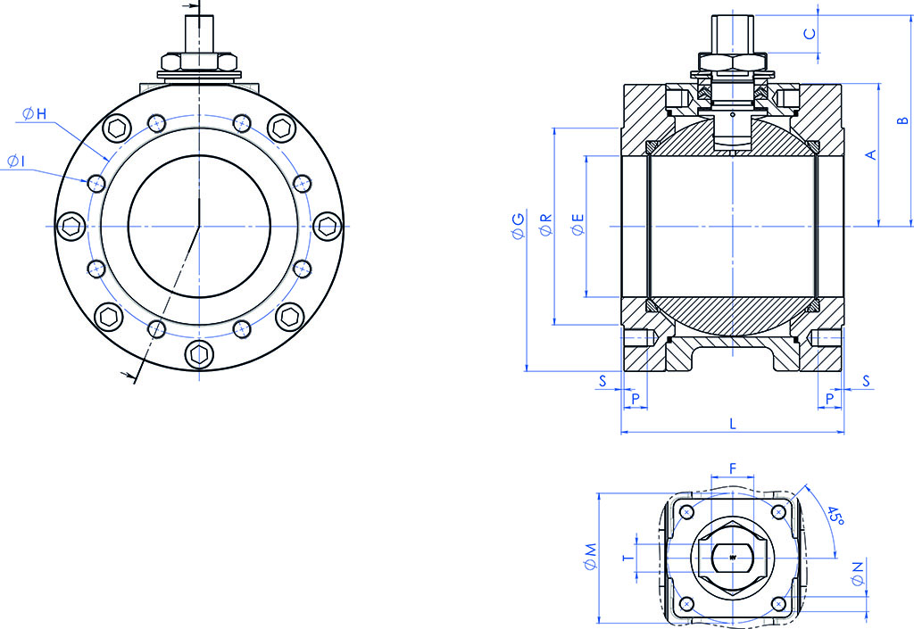
材质 PN16-40 ANSI 150-300 铸造
编号.
介绍
CF8M 不锈钢
1阀体
ASTM A351 CF8M (1.4408/Gx5CrNiMo19-12-2)
2环型螺母
ASTM A182 F316 / A479TP.316 (1.4401 / X5CrNiMo17-12-2)
3球体
ASTM A351 CF8M (1.4408/GX5CrNiMo19-12-2)
4阀杆
A564 TP.630 (17-4PH)
5*阀座
Modified PTFE (.) (2)
6*阀体环型螺母密封垫
天然石墨
7*阀杆下密封件
Modified PTFE (.)
8*V形密封套件
Modified PTFE (.)
9*内杆O形圈
FKM (.)
10密封顶环
304 S.S.
11螺母锁片
304 S.S.
12内杆螺母
镀锌碳钢 (x)
13碟型弹簧
镀锌碳钢 (xx)
14防静电装置
316 S.S.
15阀体-环型螺母螺栓
A2.70 (304 S.S)
16变速器
铸铁(涂漆)
17手轮
Carbon steel painted
18手柄
Fe37 镀锌 (x)
* 密封套件的组件

可选装型号:
(x): 304不锈钢
(xx): 301不锈钢
(2)戴维龙用于:DN150 PN25-40 - ANSI300

(.): 可选装的其他材料

手柄专用外杆延长套

材质 

组件编号.

介绍

材质

1
延长套
AISI304不锈钢
2
传动轴
AISI 430 F
3
衬套
DELRIN
4
O形圈
NBR
5
手柄
Fe37 镀锌(*)
6
螺母
镀锌碳钢(*)
7
手柄止动杆
镀锌碳钢(*)
8
止动杆螺栓
A2-70
9
定距片
PTFE 碳填充


(*): 可选配304不锈钢


尺寸规格
ISO标准阀门
ØA
ØB
ØM
ØN
F/T
X
Y
F03
36
5,5365,510/638,5141,5
F04
425,542M512/845,5151,5
F05
506,5506,516/1048,5276,5
F07
708,5708,522/1457,5351,5
F10
102111021130/1879,5451,5


注意:延长套的代码取决于驱动类型和阀门接头;请在下订单时询问细节。

执行器专用外杆延长套

材质

组件编号.

介绍

材质

1
延长套
ASTM A351 CF8M
2
传动轴
AISI 430 F
3
衬套
DELRIN
4
O形圈
丁腈橡胶


注意:延长套的代码取决于驱动类型和阀门接头;请在下订单时询问细节

手柄专用焊接外杆延长套

材质    
组件编号.
介绍
材质
1
延长套
304 s.s.
2
传动轴
AISI 430 F
3
衬套
DELRIN
4
O形圈
NBR
5
手柄
Fe 37 镀锌碳钢 (*)
6
螺母
镀锌碳钢(*)
7
手柄止动杆
镀锌碳钢(*)
8
止动杆螺栓
A2-70
9
止动杆螺母
A2-70 (**)
10
定距片
PTFE 碳填充


(*):可选配304不锈钢
(**): 未存在于ISO F04接头的阀门

尺寸规格
ISO标准阀门
ØA
ØB
ØM
ØN
F/T
X
Y
F03
36
5,5365,510/638,5141,5
F04
425,542M512/845,5151,5
F05
506,5506,516/1048,5276,5
F07
70970922/1457,5351,5
F10
102111021130/1879,5451,5


注意:延长套的代码取决于驱动类型和阀门接头;请在下订单时询问细节。

执行器专用外杆延长套

材质    
组件编号.
介绍
材质
1
延长套
304 S.S.
2
传动轴
AISI 430 F
3
衬套
DELRIN
4
O形圈
NBR


注:延长套的代码取决于驱动类型和阀门接头;请在下订单时询问细节

配备额外密封件的延长套

材质
组件编号
介绍
材质
1
延长套
304 s.s
2
传动轴
AA564 TP.630 (17-4ph)
3
抗磨环
TFM1600
4
O形圈
FKM
5
V形密封套件
TFM1600
6
密封顶环
304 s.s
7
碟型弹簧
50CrV4 镀锌
8
内杆螺母
UNI 3740-1 6S 镀锌
9
螺母锁片
304 s.s
10
密封件
天然石墨


尺寸规格
ISO标准阀门
ØA
ØB
ØM
ØN
F/T
CD
F03
36
5,5
36M510/6
2010,2
F04
42
5,5
42M512/8
2615,1
F05
50
6,550M616/10
3521,2
F07
70
8,570M822/14
47,528,4
F10
102
10,5102M1030/18
6135,2

注意:延长套的代码取决于驱动类型和阀门接头;请在下订单时询问细节。

配置 驾驶
选择搜索参数
搜索文章
X 关闭

下一新闻

IVS - Industrial Valve Summit 2026
IVS - Industrial Valve Summit 2026
Bergamo, Italy, 19 - 21 may 2026