images/testate/Template-Header-Sito-OMALBALLVALVES.jpg

Valvola a sfera MAGNUM Split Wafer PN 16-40 ANSI 150-300 acciaio inox da fusione

Valvola a sfera MAGNUM Split Wafer PN 16-40 ANSI 150-300 acciaio inox da fusione
Categoria MAGNUM
Sottocategoria MAGNUM Split Wafer

Famiglia MAGNUM Split Wafer PN 16-40 ANSI 150-300 acciaio inox da fusione

CONFIGURA Azionamento
RICHIEDI INFORMAZIONI
STAMPA PAGINA
DECODIFICA CODICE
  • benefits
  • dimensioni
  • materiali
  • accessori
  • documenti

1. Antistatic device (continuità elettrica tra sfera, stelo e corpo)
Si evitano cariche elettrostatiche che potrebbero essere causa d'innesco in ambienti infiammabili e/o esplosivi
Sicurezza garantita del contatto durante tutta la vita della valvola

2. Doppio anello antifrizione
Garantisce una minor coppia di azionamento della valvola
Minor usura rispetto all'esecuzione con singolo anello

3. Pacco guarnizioni a "v" con 3 guarnizioni più o-ring
Si garantisce una perfetta tenuta anche dopo un numero elevato di cicli

4. Molle a tazza sulla tenuta dello stelo
Garantiscono il recupero dei giochi dovuti all'usura causata dal movimento semirotatorio dell'albero evitando perdite vero l'esterno
Consentono di mantenere energizzate le guarnizoini tipo "chevron" (a V),evitando perdite verso l'esterno, a fronte di notevoli escursioni termiche

5. Tenuta elasticizzata in grafite
Garantisce una tenuta verso l'esterno indipendentemente dalle escursioni termiche a cui è sottoposta la valvola

Maggiore precisione nell'allineamento degli assi grazie alla lavorazione dal grezzo al finito con un unico posizionamento
Maggior vita della valvola stessa
Minor coppia di azionamento

Corpo valvola in acciaio al carbonio realizzato con materiale normalizzato certificato NACE in esecuzione standard
Garantisce una maggior resistenza alla corrosione
Maggior duttilità del materiale

Processo produttivo interamente eseguito in OMAL
Massimo controllo in tutte le fasi di lavorazione
Possibilità di fornire rapidamente esecuzioni speciali richieste dal cliente

Certificato "Fire Safe"
Garantisce la tenuta della valvola anche in caso di incendio

Certificato ATEX
Ne consente l'installazione in presenza di ambiente potenzialmente esplosivo

Certificazione "TA LUFT fugitive emission"
Garantisce un elevato grado di sicurezza della tenuta stelo verso l'esterno

Certificato PED
Piena conformità alle norme di sicurezza europee per i dispositivi in pressione

Certificato fino a SIL 3
Elevato livello di sicurezza funzionale

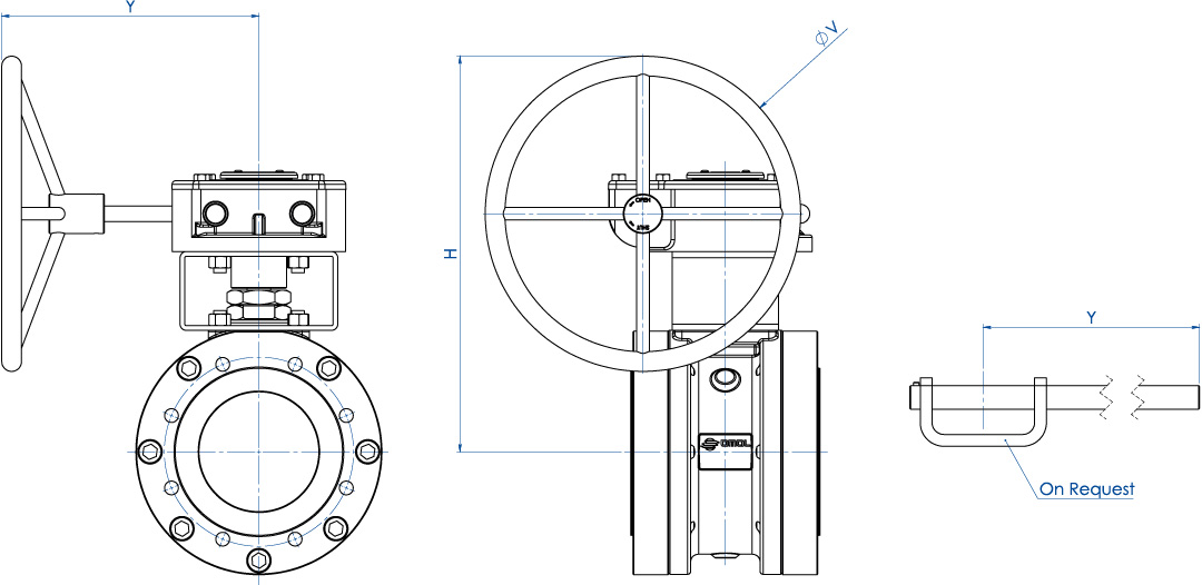
DIMENSIONI ASSE NUDO

DIMENSIONI ASSE NUDO -PN-
MISURAPNØE
ABCØG
ØR
SØH
N°FORI
ØI
PF/TATT.ISOØM
ØN
LKgKit guarnizioni
DN [mm][inch]
DN 1506"PN16152154227,540,533221232408M202545/30F14140M1624084,4KGBV485140
DN 1506"PN25-40152154227,540,533221832508M242445/30F14140M1624086,6KGBV48514D
DN 2008"PN1618818827444,8396268329512M203052/35F14140M16314151,0KGBV485150
DN 2008"PN2520318827444,8396278331012M243052/35F14140M16314155,7KGBV485150

DIMENSIONI ASSE NUDO -ANSI-
MISURAANSIØE
ABCØG
ØR
SØH
N°FORI
ØI
PF/TATT.ISOØM
ØN
LKgKit guarnizioni
DN [mm][inch]
DN 1506"ANSI150152154227,540,5332215,91,6241,383/4"UNC2545/30F14140M1624085,4KGBV485140
DN 1506"ANSI300152154227,540,5332215,9
1,6269,7123/4"UNC
2545/30F14140M1624087,2KGBV48514D
DN 2008"ANSI15020318827444,8396269,71,6298,483/4"UNC
3052/35F14140M16314152,9KGBV485150

DIMENSIONI RIDUTTORE

DIMENSIONI RIDUTTORE -PN-
MISURAPNHYØV
KgKit leva
DN [mm][inch]
DN 1506"PN16522326400126---
DN 1506"PN25-40522347600147---
DN 2008"PN16516347500200---
DN 2008"PN25516347500200---

DIMENSIONI RIDUTTORE -ANSI-
MISURAANSIHYØV
KgKit leva
DN [mm][inch]
DN 1506"ANSI150522326400126---
DN 1506"ANSI300522347600147---
DN 2008"ANSI150516347500200---

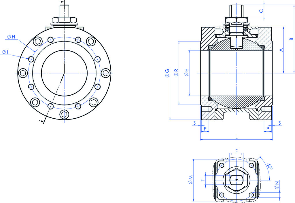
MATERIALI PN16-40 ANSI 150-300 DA FUSIONE
DESCRIZIONECF8M STAINLESS STEEL
1Corpo
ASTM A351 CF8M (1.4408/Gx5CrNiMo19-12-2)
2Ghiera
ASTM A182 F316 / A479TP.316 (1.4401 / X5CrNiMo17-12-2)
3Sfera
ASTM A351 CF8M (1.4408/GX5CrNiMo19-12-2)
4Stelo
A564 TP.630 (17-4PH)
5*Seggio
PTFE Modificato (.) (2)
6*Guarnizione corpo ghiera
GRAFOIL
7*Tenuta inferiore stelo
PTFE Modificato (.)
8*Pacco a V
PTFE Modificato (.)
9*O-ring stelo
FKM (.)
10Anello premiguarnizione
304 S.S.
11Piastra blocca dado
304 S.S.
12Dado stelo
Acciaio al carbonio zincato (x)
13Molle a tazza
Acciaio al carbonio zincato (xx)
14Dispositivo antistatico
316 S.S.
15Vite corpo-ghiera
A2.70 (304 S.S)
16Riduttore
Ghisa (verniciato)
17Volantino
Acciaio al carbonio Verniciato
18Leva
Fe37 zincato (x)
* Componenti del kit di guarnizioni

A richiesta disponibile in:
(x): 304 s.s.
(xx): 301 s.s.
(2) DEVLON per DN150 PN25-40 - ANSI300

(.): Altri materiali disponibili a richiesta

PROLUNGA GUIDATA DA FUSIONE A LEVA

MATERIALI    
PART. N°
DESCRIZIONE
MATERIALE
1
Prolunga  
AISI304 S.S.
2
Perno
AISI 430 F
3
Bussola
DELRIN
4
O-RING  
NBR
5
Leva  
Fe 37 galvanized (*)
6
Dado  
galvanized carbon steel (*)
7
Fermo leva  
galvanized carbon steel (*)
8
Vite fermo leva  
A2-70
9
Distanziale
PTFE Carbon Filled

(*): A richiesta disponibili in 304 S.S.

DIMENSIONI   
ISO VALVOLA
ØA
ØB
ØM
ØN
F/T
X
Y
F03
36
5,5365,5
10/638,5141,5
F04
425,542M512/845,5151,5
F05
506,5506,516/1048,5276,5
F07
708,5708,522/1457,5351,5
F10
102111021130/1879,5451,5

NOTA: Il codice della prolunga dipende dal tipo di azionamento e dall’attacco valvola; richiedere in fase d’ordine.

PROLUNGA GUIDATA DA FUSIONE PER ATTUATORE

MATERIALI    
PART. N°
DESCRIZIONE
MATERIALE
1
Prolunga
ASTM A351 CF8M
2
Perno  
AISI 430 F
3
Bussola  
DELRIN
4
O-RING  
NBR

NOTA: Il codice della prolunga dipende dal tipo di azionamento e dall’attacco valvola; richiedere in fase d’ordine

PROLUNGA GUIDATA SALDATA A LEVA

MATERIALI    
PART. N°
DESCRIZIONE
MATERIALE
1
Prolunga  
304 s.s.
2
Perno
AISI 430 F
3
Bussola
DELRIN
4
O-Ring
NBR
5
Leva
Fe 37 galvanized (*)
6
Dado
galvanized carbon steel  (*)
7
Fermo leva
galvanized carbon steel  (*)
8
Vite fermo leva
A2-70
9
Dado fermo leva
A2-70 (**)
10
Distanziale
PTFE Carbon Filled


(*): a richiesta disponibili in 304 S.S.

(**): non presente su valvole con attacco iso F04.

DIMENSIONI   
ISO VALVOLA
ØA
ØB
ØM
ØN
F/T
X
Y
F03
36
5,5365,510/638,5141,5
F04
425,542M512/845,5151,5
F05
506,5506,516/1048,5276,5
F07
70970922/1457,5351,5
F10
102111021130/1879,5451,5


NOTA: Il codice della prolunga dipende dal tipo di azionamento e dall’attacco valvola; richiedere in fase d’ordine.

PROLUNGA GUIDATA SALDATA PER ATTUATORE

MATERIALI    
PART. N°
DESCRIZIONE
MATERIALE
1
Prolunga
304 S.S.
2
Perno  
AISI 430 F
3
Bussola  
DELRIN
4
O-RING  
NBR


NOTA: Il codice della prolunga dipende dal tipo di azionamento e dall’attacco valvola; richiedere in fase d’ordine

PROLUNGA CON TENUTA AGGIUNTIVA

MATERIALI    
PART. N°
DESCRIZIONE
MATERIALE
1
Prolunga  
304 s.s.
2
Perno
A564 TP.630 (17-4ph)
3
Anello Antifrizione  
TFM1600
4
O-Ring
FKM
5
Pacco A V  
TFM1600
6
Anello Premiguarnizione  
304 s.s.
7
Molle A Tazza  
50CrV4 Zincato
8
Dado Stelo
UNI 3740-1 6S Zincato
9
Piastra Blocca Dado  
304 s.s.
10
Guarnizione di tenuta
GRAFOIL

DIMENSIONI
ISO VALVOLA
ØA
ØB
ØM
ØN
F/T
CD
F03
36
5,5
36M510/6
2010,2
F04
42
5,5
42M512/8
2615,1
F05
50
6,550M616/10
3521,2
F07
70
8,570M822/14
47,528,4
F10
102
10,5102M1030/18
6135,2

NOTA: Il codice della prolunga dipende dal tipo di azionamento e dall’attacco valvola; richiedere in fase d’ordine.

CONFIGURA AZIONAMENTO
Seleziona i parametri di ricerca
CERCA ARTICOLO
X CHIUDI

PROSSIMO EVENTO

IVS - Industrial Valve Summit 2026
IVS - Industrial Valve Summit 2026
Bergamo, Italia, 19 - 21 maggio 2026