images/testate/header-valvole-farfalla.jpg

Item 494蝶阀

Item 494蝶阀
蝶形阀

ITEM 494
2通道夹具蝶阀

配置 动力
申请详细信息
打印页面
  • 特性
  • 特性
  • 物料
  • 图表和起动扭矩

标准配置:
- 完全采用304不锈钢(490-492-493系列)或316L不锈钢(494系列)制造的阀门。
- 阀门适用于需要特定卫生条件的领域。
- 使用温度:0℃~+150℃
- 使用压力:PN6
• 截止流体:食品用。
- 接口:

  • DIN/ISO 228/1标准气体用螺纹母头;
  • DIN 11851标准螺纹接口;
  • 焊接接头符合DIN 11850-1标准;
  • 夹具接合 BS 4825 (DIN 32676-系列C)
  -外表面处理:亮光

选装配置:

- SMS 1146螺纹接口
- MACON螺纹接口
- 夹具接合 DIN 32676 系列A
- 夹具接合 ISO 2852
- 有关其他应用领域,请联络我司的销售部门

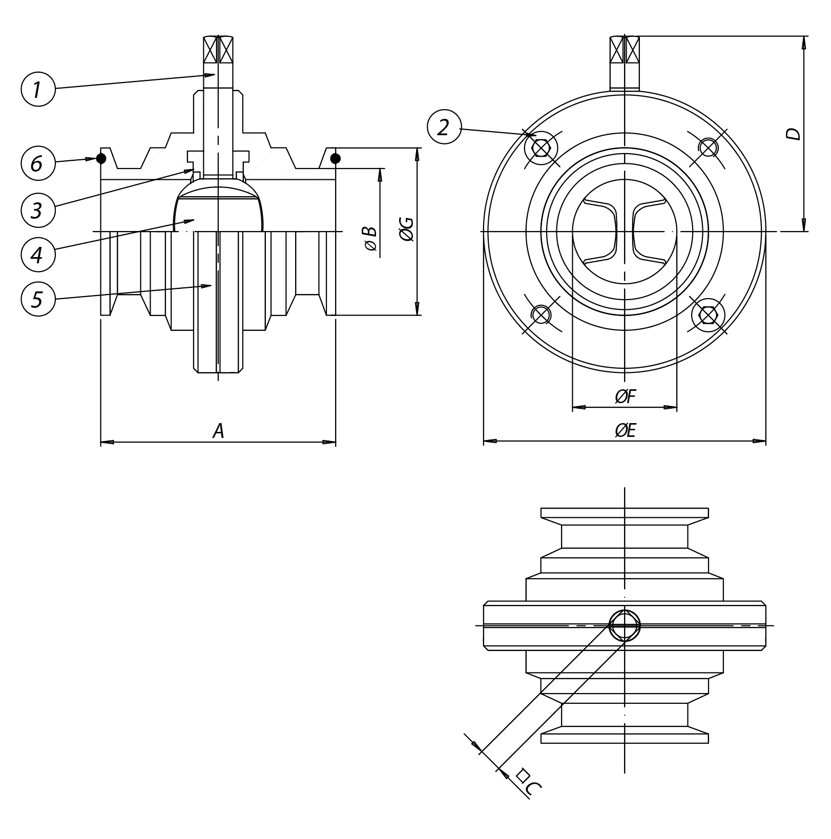
ITEM 494 夹具接合型 BS 4825 (DIN 32676 C系列)

尺寸规格
夹具尺寸 [inch]
A
ØB
C
D
øE
øF
øG
1"
68
25,4
9
58
79
22,1
50,4
1"1/2
76
38,1
9
63
85
34,8
50,4
2"
80
50,8
9
71
105
47,5
64
2"1/2
82
63,5
9
76
113
60,2
77,4
3"
82
76,1
9
81
125
72,8
90,9
4"
88
101,6
11
100
157
97,6
118,8

夹具接合 BS 4825(DIN 32676-系列C)

材质
1
阀杆
316L 不锈钢
1.4401
UNI X5CrNiMo 17 12
2
固定螺栓
316L 不锈钢
1.4401
UNI X5CrNiMo 17 12
3*
内密封件
硅料


4
蝶板
CF3M
1.4401
UNI X5CrNiMo 17 12
5
末端
316L S.S.
1.4401
UNI X5CrNiMo 17 12
6**
Clamp seal
硅料


* Main seat spare part
** Components of complete spare part

起动扭矩(Nm) 
尺寸 
DN 25
1"
DN 32 1"1/4
DN 40 1"1/2
DN 50
2"
DN 65 2"1/2
DN 80
3"
DN 100
4"

PN 6 bar
7
9
15
18
29
43
65


扭矩值可能因温度和流体类型的影响而出现变化。纳入考虑的安全因子为1.4。
在频繁开闭的循环条件下,操纵扭矩可能会略低于初始扭矩。后文中列示的执行器/阀门装配以平均温度下截止洁净的液体或气体时为准。欲了解详情或其他应用方式,请联络我司的技术部门。

配置 驾驶
选择搜索参数
搜索文章
X 关闭

下一新闻

IVS - Industrial Valve Summit 2026
IVS - Industrial Valve Summit 2026
Bergamo, Italy, 19 - 21 may 2026