images/testate/header-valvole-farfalla.jpg

Item 494 butterfly valve

  • features
  • dimensions
  • materials
  • diagrams and breakaway torque

STANDARD EXECUTIONS:
- Valve manufactured in 304 (series 490-492-493) and in 316L (series 494) stainless steel.
- The valve it’s suitable for food industries.
- Working temperature: from 0°C to + 150°C
- Working pressure: PN 6
- Fluid range: food industry.
- Connections: 

  • GAS threads as per DIN/ISO 228/1;
  • DIN 11851 threads for food industry;
  • to be butt-welded as per DIN 11850-1;
  • Clamp BS 4825 (DIN 32676 C serie)
- Surface treatment: polished.

ON REQUEST:
- Threaded SMS 1146
- Threaded MACON
- Clamp DIN 32676 A serie
- Clamp ISO 2852
- For other applications, please contact our sales department.

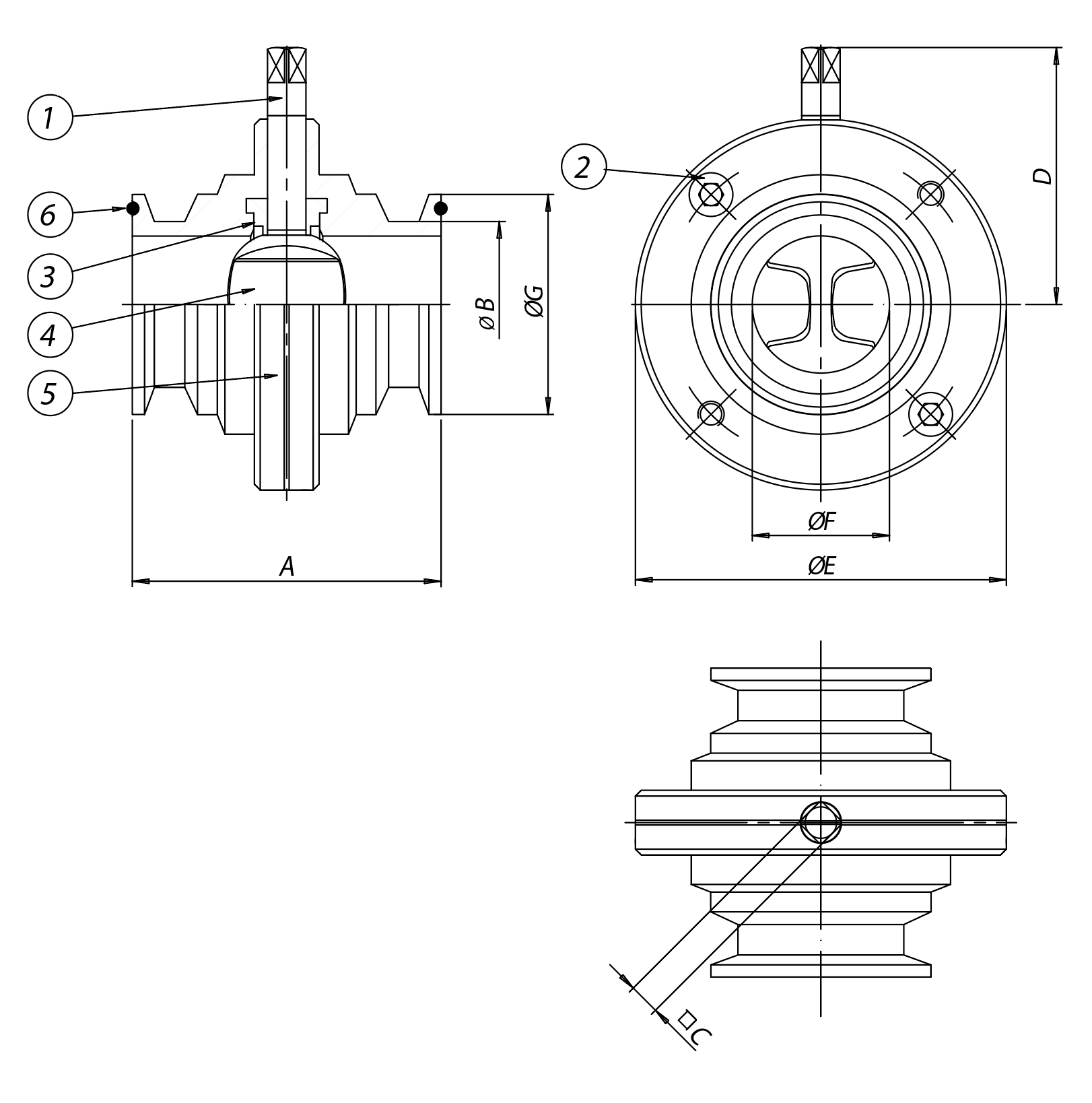
ITEM 494 CLAMP BS 4825 (DIN 32676 C serie)

DIMENSIONS 
CLAMP SIZE [inch]
A
ØB
C
D
øE
øF
øG
1"
68
25,4
9
58
79
22,1
50,4
1"1/2
76
38,1
9
63
85
34,8
50,4
2"
80
50,8
9
71
105
47,5
64
2"1/2
82
63,5
9
76
113
60,2
77,4
3"
82
76,1
9
81
125
72,8
90,9
4"
88
101,6
11
100
157
97,6
118,8

CLAMP BS 4825 (DIN 32676 C serie)

MATERIALS
1
Shaft
316L S.S.
1.4401
UNI X5CrNiMo 17 12
2
Screws
316L S.S.
1.4401
UNI X5CrNiMo 17 12
3*
Internal sealsSilicon


4
Disc
3CF3M
1.4401
UNI X5CrNiMo 17 12
5
Ends
316L S.S.
1.4401
UNI X5CrNiMo 17 12
6**
Clamp sealSilicon


* Main seat spare part
** Components of complete spare part

  BREAKAWAY TORQUES Nm
  SIZE
DN 25
1"
DN 32 1"1/4
DN 40 1"1/2
DN 50
2"
DN 65 2"1/2
DN 80
3"
DN 100
4"

PN 6 bar
7
9
15
18
29
43
65


Torque can vary depending on temperature and type of fluid; a safety factor of 1.4 must be applied. Torque can drop on high frequency of operations. The actuator/valve sizing, indicated on the following pages, are based for valves to be used with liquids or gaseous fluids, clean, and for medium temperatures. For further information, or different uses please contact our technical department.

CONFIGURE DRIVE
Select the search standards
FIND ITEM
X CLOSE

NEXT EVENT

IVS - Industrial Valve Summit 2026
IVS - Industrial Valve Summit 2026
Bergamo, Italy, 19 - 21 may 2026