images/testate/Template-Header-Sito-OMALBALLVALVES.jpg

Válvula de esfera MAGNUM Split Wafer de 3 vias 4 Guarnições PN 16-40 ANSI 150 aço inoxidável

Válvula de esfera MAGNUM Split Wafer de 3 vias 4 Guarnições PN 16-40 ANSI 150 aço inoxidável
Categoria MAGNUM

Família MAGNUM Split Wafer 3 vias 4 guarnições PN 16-40 ANSI 150

CONFIGURAR Acionamento
SOLICITAR INFORMAÇÃO
IMPRIMIR PÁGINA
CÓDIGO DE DECODIFICAÇÃO
  • benefícios
  • características
  • dimensões
  • materiais
  • diagramas e torques de partida
  • especificações
  • acessórios
  • documentos

1. Dispositivo antiestático (continuidade elétrica entre a esfera, a haste e o corpo)

São evitadas cargas eletrostáticas que podem causar ignição em ambientes
inflamáveis e/ou explosivos
Segurança garantida do contato durante toda a vida útil da válvula

2. Anel antifricção duplo
Garante um menor torque de acionamento da válvula
Menor desgaste comparado com a execução com anel simples

3. Pacote de guarnições em "v" com 3 guarnições mais o-ring
Uma vedação perfeita é garantida mesmo após um grande número de ciclos

4. Molas a prato na vedação da haste
Garantem a recuperação das folgas devido ao desgaste causado pelo movimento semi-rotativo do eixo evitando perdas para fora
Permitem manter energizadas as guarnições "chevron" (em V), evitando vazamentos para fora, diante de variações de temperatura consideráveis.

5. Vedação elastificada em grafite
Garante uma vedação para fora independentemente das variações de temperatura às quais a válvula está sujeita

Maior precisão no alinhamento dos eixos graças ao processamento do bruto ao acabado com um único posicionamento 
Maior vida útil da própria válvula
Menor torque de acionamento 

Corpo da válvula em aço carbono feito com material normalizado certificado NACE em execução standard

Garante uma maior resistência à corrosão
Maior ductilidade do material

Processo de produção realizado inteiramente na OMAL
Controle máximo em todas as fases de processamento
Possibilidade de fornecer rapidamente execuções especiais exigidas pelo cliente

Certificado ATEX
Permite a instalação na presença de um ambiente potencialmente explosivo.

Certificação "TA LUFT fugitive emission"
Garante um alto grau de segurança da vedação da haste para o exterior

Certificado PED
Cumprimento total das normas de segurança europeias para os dispositivos sob pressão

EXECUÇÃO STANDARD
• Esfera flutuante, passagem total
• Vedação soft seat Modified PTFE
• Normas para flanges de fixação: EN1092-1, ASME B16.5
• Classes de pressão: ansi 150; PN16-40
• Classe de vedação: EN12266-1 rate A
• Temperatura de operação: -40°C +150°C
• Fluido interceptado: ar, água, gás, produtos petrolíferos e petroquímicos, fluidos agressivos.
• Dispositivo antiestático EN12266-2
• Vedação da haste: pacote em V de série no Modified PTFE
• Vedação adicional na haste com O-ring FKM
• Haste anti Blow-out
• Perfuração do plano do atuador em conformidade com a norma ISO 5211

EXECUÇÕES A PEDIDO

• Para outros tipos de flanges contatar nosso escritório de vendas.
• Guarnições de vedação em: PTFE preenchido com vidro (PTFE-GF), PTFE preenchido com carbografite (PTFE-CF). Para outros tipos de material, contatar nosso escritório de vendas.
• Alavanca inox
• Porcas e molas de haste inox
• Para execuções com materiais (corpo/esfera/haste) diferentes do standard, contatar nosso escritório de vendas
• Marcação e certificado ATEX A PEDIDO

CERTIFICAÇÕES
• Em conformidade com a diretiva europeia 2014/68/UE PED; Fugitive Emission ISO 15848 (ISO FE BH-C03-SSA 0); Ta-Luft VDI: 2440
• Nível de segurança funcional até SIL 3, de acordo com IEC 61508
• Em conformidade com a diretiva ATEX 2014/34/EU, com certificação ATEX A PEDIDO

NORMAS DE PROJETO
• Espessuras do corpo de acordo com ASME B16.34, ASME VIII div.1, EN12516
• Materiais e classificações de acordo com ASME B16.34 para válvulas ANSI e EN12516 para válvulas PN


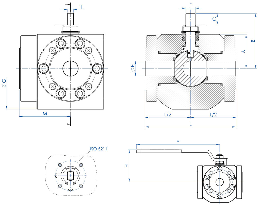
DIMENSÕES -PN-
MEDIDA
PN∅ELMABCATT. ISOF/TØG∅JØRSPØKN° FUROS
ØIHYKg.

KIT DE ALAVANCA

KIT DE GUARNIÇÕES
DN [mm][polegada]
151/2"16-40131246240559,2F0310/61129045215654M12731406,8KLV58004KGBV557040
203/4"16-401913679487113F0412/813010058214754M1290,415010,5KLV58006KGBV557050
251"16-402515185579219,1F0516/1014911068216854M12108,427515,2KLV58008KGBV557060
321" 1/416-403216796609519,1F0516/10164130782201004M16111,427520,8KLV58008KGBV557070
401" 1/216-403818510072119,526,4F0722/14185140883201104M16132,535026,1KLV58010KGBV557080
502"16-405120011081128,526,7F0722/141951501023201254M16141,535032,4KLV58010KGBV557090
652" 1/216642181219315433,2F1030/182201781223201454M16180,345047,6KLV58012KGBV557100
803"167624412610116233,2F1030/182391901353201608M16188,345057,9KLV58012KGBV557110
1004"1610232515012418233,2F1030/182962351583201808M16208,3450109KLV58012KGBV557120

DIMENSÕES -ANSI-
MEDIDA
ANSIØELMABCATT. ISOF/TØGØJØRSPØKN° FUROS
ØIHYKg.

KIT DE ALAVANCA

KIT DE GUARNIÇÕES
DN [mm][polegada]
151/2"150131246240559,2F0310/61129035,11,61660,541/2"UNC731406,8KLV58004KGBV557040
203/4"1501913679487113F0412/813010042,91,61669,841/2"UNC90,415010,4KLV58006KGBV557050
251"1502515185579219,1F0516/1014911050,81,61679,241/2"UNC108,427515,2KLV58008KGBV557060
321" 1/41503216796609519,1F0516/1016413063,51,61688,941/2"UNC111,427521,3KLV58008KGBV557070
401" 1/21503818510072119,526,4F0722/14185140731,61698,641/2"UNC132,535026,4KLV58010KGBV557080
502"1505120011081128,526,7F0722/1419515091,91,620120,645/8"UNC141,535032,6KLV58010KGBV557090
652" 1/2150642181219315433,2F1030/18220178104,61,620139,745/8"UNC180,345046,6KLV58012KGBV557100
803"1507624412610116233,2F1030/182391901271,620152,445/8"UNC188,345058,5KLV58012KGBV557110
1004"15010232515012418233,2F1030/18296235157,21,620190,585/8"UNC208,3450109KLV58012KGBV557120

MATERIAIS - SPLIT WAFER PN16-40 ANSI 150

Descrição 
Aço inoxidável 316
1
Corpo
ASTM A182 F316 / A479TP.316
2
Anel
3
Anel side entry
4
Esfera
ASTM A351 CF8M
5
Haste
A564 TP.630 (17-4PH)
6*
Sede
Modified PTFE
7*
Vedação inferior da haste
Modified PTFE
8*
Pacote em V
Modified PTFE
9*
O-ring da haste
FKM
10
Anel aperta guarnição
304 S.S.
11
Molas haste
Aço carbono galvanizado (xx)
12
Porca da haste
Aço carbono galvanizado (x)
13
Placa de bloqueio da porca
304 S.S.
14
Indicador
304 S.S.
15*
Guarnição corpo anel
Grafoil
16*
Guarnição corpo anel side entry
Grafoil
17
Parafusos corpo anel
A2-70 (304 S.S.)
18
Parafusos corpo anel side entry
19
Dispositivo antiestático
316 S.S.
20
Contraporca
Aço carbono galvanizado (x)
21
Parafuso de retenção
A2-70 (304 S.S.)
22
Retenção de posição
Aço carbono galvanizado (x)
23
Alavanca
Fe37 galvanizado (x)
* Componentes do kit de guarnições

A PEDIDO DISPONÍVEL EM:
(x): 304 s.s.
(xx): 301 s.s.

Fluxo/queda de pressão e coeficiente nominal Kv

O valor Kv é o valor da vazão em m3/h (com água a 15°C) que causa a queda de pressão de 1 bar.

Diagrama da esfera em "L"

NB:
Com o atuador SR NORMALMENTE FECHADO, a posição de repouso da esfera deve ser "A".
Com o atuador SR NORMALMENTE ABERTO, a posição de repouso da esfera deve ser "B".

Vista de cima

Diagrama da esfera em "T"

Com o atuador, apenas duas posições são possíveis com rotação de 90°: a configuração da esfera deve sempre ser comunicada ao nosso escritório de vendas.

NB:
Com o atuador SR NORMALMENTE FECHADO, escolher a posição de repouso da esfera; alimentando, o atuador gira no sentido anti-horário.
Com o atuador SR NORMALMENTE ABERTO, escolher a posição de repouso da esfera; alimentando, o atuador gira no sentido horário.

Vista de cima

O dimensionamento dos atuadores pneumáticos foi realizado considerando uma pressão de alimentação mínima de 5,6 barg. Se fluidos desengordurantes e / ou contendo partículas sólidas forem interceptados, os torques de manobra podem ser maiores que o esperado.

EXTENSÃO GUIADA POR FUSÃO A ALAVANCA

MATERIAIS   
PART. N°
DESCRIÇÃO
MATERIAL
1
Extensão
AISI304 S.S.
2
Pino
AISI 430 F
3
Bucha
DELRIN
4
O-RING  
NBR
5
Alavanca
Fe 37 galvanizado(*)
6
Porca
aço carbono galvanizado (*)
7
Trava da alavanca
aço carbono galvanizado (*)
8
Parafuso de parada da alavanca
A2-70
9
Espaçador
PTFE Carbon Filled


(*): A pedido disponível em 304 S.S.


DIMENSÕES
ISO VÁLVULA
ØA
ØB
ØM
ØN
F/T
X
Y
F03
36
5,5365,5
10/638,5141,5
F04
425,542M512/845,5151,5
F05
506,5506,516/1048,5276,5
F07
708,5708,522/1457,5351,5
F10
102111021130/1879,5451,5


NOTA: O código da extensão depende do tipo de acionamento e da conexão da válvula; requerer junto com o pedido

EXTENSÃO GUIADA POR FUSÃO PARA ATUADOR

 MATERIAIS
PART. N°
 DESCRIÇÃO
MATERIAL
1
Extensão
ASTM A351 CF8M
2
Pino
AISI 430 F
3
Bucha
DELRIN
4
O-RING
NBR


NOTA: O código da extensão depende do tipo de acionamento e da conexão da válvula; requerer junto com o pedido.

EXTENSÃO GUIADA SOLDADA A ALAVANCA

MATERIAIS    
PART. N°
DESCRIÇÃO
MATERIAL
1
Extensão
304 s.s.
2
Pino
AISI 430 F
3
Bucha
DELRIN
4
O-Ring
NBR
5
Alavanca
Fe 37 galvanizado (*)
6
Porca
aço carbono galvanizado  (*)
7
Parada da alavanca
aço carbono galvanizado  (*)
8
Parafuso de parada da alavanca
A2-70
9
Porca de parada da alavanca
A2-70 (**)
10
Espaçador
PTFE Carbon Filled


(*): A pedido disponível em 304 S.S.
(**): não presente nas válvulas com conexão iso F04.

DIMENSÕES
ISO VÁLVULA
ØA
ØB
ØM
ØN
F/T
X
Y
F03
36
5,5365,510/638,5141,5
F04
425,542M512/845,5151,5
F05
506,5506,516/1048,5276,5
F07
70970922/1457,5351,5
F10
102111021130/1879,5451,5


NOTA: O código da extensão depende do tipo de acionamento e da conexão da válvula; requerer junto com o pedido.

EXTENSÃO GUIADA SOLDADA PARA ATUADOR

MATERIAIS    
PART. N°
DESCRIÇÃO
MATERIAL
1
Extensão
304 S.S.
2
Pino
AISI 430 F
3
Bucha
DELRIN
4
O-RING  
NBR


NOTA: O código da extensão depende do tipo de acionamento e da conexão da válvula; requerer junto com o pedido.

EXTENSÃO COM VEDAÇÃO ADICIONAL

MATERIAIS    
PART. N°
DESCRIÇÃO
MATERIAL
1
Extensão
304 s.s.
2
Pino
AA564 TP.630 (17-4ph)
3
Anel Anti-fricção
TFM1600
4
O-Ring
FKM
5
Gaxeta Em V
TFM1600
6
Anel Aperta-guarnição
304 s.s.
7
Molas prato
50CrV4 Galvanizado
8
Porca de haste
UNI 3740-1 6S Galvanizado
9
Placa de Bloqueio da Porca
304 s.s.
10
Guarnição de vedação
GRAFOIL


DIMENSÕES
ISO VÁLVULA
ØA
ØB
ØM
ØN
F/T
CD
F03
36
5,5
36M510/6
2010,2
F04
42
5,5
42M512/8
2615,1
F05
50
6,550M616/10
3521,2
F07
70
8,570M822/14
47,528,4
F10
102
10,5102M1030/18
6135,2

NOTA: O código da extensão depende do tipo de acionamento e da conexão da válvula; requerer junto com o pedido.

CONFIGURAR DIRIGIR
Selecionar os parâmetros de pesquisa
PESQUISA DE ITEM
X FECHAR

PRÓXIMO EVENTO

IVS - Industrial Valve Summit 2026
IVS - Industrial Valve Summit 2026
Bergamo, Italy, 19 - 21 may 2026