images/testate/rj1myG_Template-Header-Sito-OMALAngleseatARESOK.jpg

Пневмоклапан ARES под зажимную соединительную муфту 3A

  • характеристики
  • размеры
  • спецификации
  • аксессуары
  • документы

ОБЩИЕ ХАРАКТЕРИСТИКИ: 
Материал корпуса клапана : A351-CF3M (316L S.S.).
Присоединения арматуры: См. схему расшифровки обозначения.
Сборка в любм положении : горизонтальное, вертикальное, наклонное.
В диапазоне от DN 15 до DN 50 предлагаются двухнаправленные исполнения и однонаправленные исполнения, включая нормально закрытые, нормально закрытые с гасителем гидроударов и нормально открытые. Эксплуатационные параметры и схемы давления такие же, как в стандартных исполнениях, но ограничены классом PN16
По запросу: исполнения для вакуума и кислорода
Конфигурация ATEX 2014/34/UE запросить в процессе заказа.
 
УПРАВЛЯЮЩАЯ СРЕДА 
Управляющая среда: смазанный или сухой сжатый воздух, газ и нейтральные жидкости
Температура: от -10°C до +60° C
 
РАБОЧАЯ СРЕДА:
Воздух, вода, спирт, масло, топливо, солевые растворы, пар, и тд..(так же совместимы с CF3M (316L S.S.) e PTFE)
Давление при использовании от 0 a 16 bar (пар до 180°C от 0 до 10 bar) в зависимости от типоразмера и выбранного исполнения (см. следующие страницы).
Температура от -10°C a +180°C.

Под заказ исполнения по ISO 2852

Working pressure up to 16 bar (for details see diagrams).

РАЗМЕРЫ   
ЗАЖИМНАЯ   СОЕДИНИТЕЛЬНАЯ МУФТА
Головка управления
Проход
 (mm)
A
B
C
D
øE
F *
øG
øH
øL
M
1/2”
Ø 50
9,5(*)
179
156
168,6
44
70
88,9
25,2
19
9,5
22
3/4”
Ø 50
15
181,5
156
168,6
44
70
101,6
25,2
19
15,8
22
1”
Ø 50
20
189,3
160
185,3
44
70
114,3
50,5
32
22,2
43,5
1”
Ø 63
20
207,3
178
203,3
50,5
84,4
114,3
50,5
23
22,2
43,5
1”1/2
Ø 63
32
214,6
186
211,3
50,5
84,4
139,7
50,5
38
34,9
43,5
1”1/2
Ø 90
32
254,6
226
251,3
66,2
116,4
139,7
50,5
38
34,9
43,5
1”1/2
Ø 110
32
290,6
261
286,3
77,4
140,6
139,7
50,5
38
34,9
43,5
2”
Ø 63
40
224,7
190
222
50,5
84,4
158,8
64
54
47,6
56,5
2”
Ø 90
40
264,7
230
262
66,2
116,4
158,8
64
54
47,6
56,5
2”
Ø 110
40
300,7
266
298
77,4
140,6
158,8
64
54
47,6
56,5
(*) Проход клапана составляет 15 мм, сужение до 9,5 мм обусловлено проходом зажимной соединительной муфты
Рекомендуемые присоединения выделены жирным шрифтом. Другие комбинации под заказ.  

СПОСОБ ИСПОЛЬЗОВАНИЯ

Крышка для концевого выключателя

Специальная крышка из прозрачного пластика имеет две канавки для быстрой фиксации и регулировки концевых выключателей с магнитным контактом. Концевые выключатели оснащены внутренним светодиодом, который виден, когда концевой выключатель находится под напряжением. Доступны концевые выключатели типа REED и HALL с бесплатным подключением или уже подключенные M12. Крышка имеет степень защиты IP68. Внимание: для правильной фиксации в корпусе концевого выключателя визуальный индикатор, когда клапан полностью открыт, не достигает конца крышки. Концевые выключатели должны быть отрегулированы после установки клапана в систему.

Код комплекта
Размер головки
 A mm
 B mm
KFJM16
∅ 503077
KFJM18
∅ 632687
KFJM21
∅ 901597
KFJM23
∅ 1108107

В комплект не входят концевые выключатели.

Ограничитель хода
Позволяет ограничивать ход золотника при открывании и, следовательно, регулировать расход через арматуру. Имеется для всех исполнений. В исполнениях простого действия нормальной открытых можно также использовать в качестве аварийного ручного привода.

Привод  
mm
Код
∅ 50
35,8
KLJA0016
∅ 63
35,8
KLJA0018
∅ 90
29,5
KLJA0021
∅ 110
29,5
KLJA0023

С головкой ∅ 40 не имеется.

Аварийное ручное управление
Позволяет открывать арматуру в аварийной ситуации (недостаток управляющей среды, неисправность системы, отсутствие управляющего сигнала и т. д.). Имеется для всей арматуры в нормально закрытых исполнениях.

Привод  
mm
Код
∅ 50
35,8
KLJA0016
∅ 63
35,8
KLJA0018
∅ 90
29,5
KLJA0021
∅ 110
29,5
KLJA0023

С головкой ∅ 40 не имеется.

Управляющий пневмоаппарат 3/2 - Электромагнитный пневмораспределитель 3/2 - 5/2

Электромагнитный пневмораспределитель
Управляющий пневмоаппарат 3/2 прямого монтажа.
Выполнены поворотными на 360° корпусом и катушкой
Стандартное ручное управление.
Электромагнитный клапан (NAMUR) предназначен для выбора режимов 5/2 и  3/2 с помощью соответствующей переходной плиты (обе прилагаются).
Температура окружающей среды от -10°С до + 50°С

Напряжение
24 Vac115 Vac230 Vac24 Vdc
Управляющий пневмоаппарат
EP415024EP415110EP415220EP412024

Напряжение
24 Vac115 Vac230 Vac24 Vdc
Электромагнитный пневмораспределитель NAMUR*  ER8188A2ER8188A4ER8188A5ER8188C2
Присоединительный адаптер NAMUR
KBNJ0001 Not available with ∅ 40 head

*Только вместе с присоединительным адаптером NAMUR

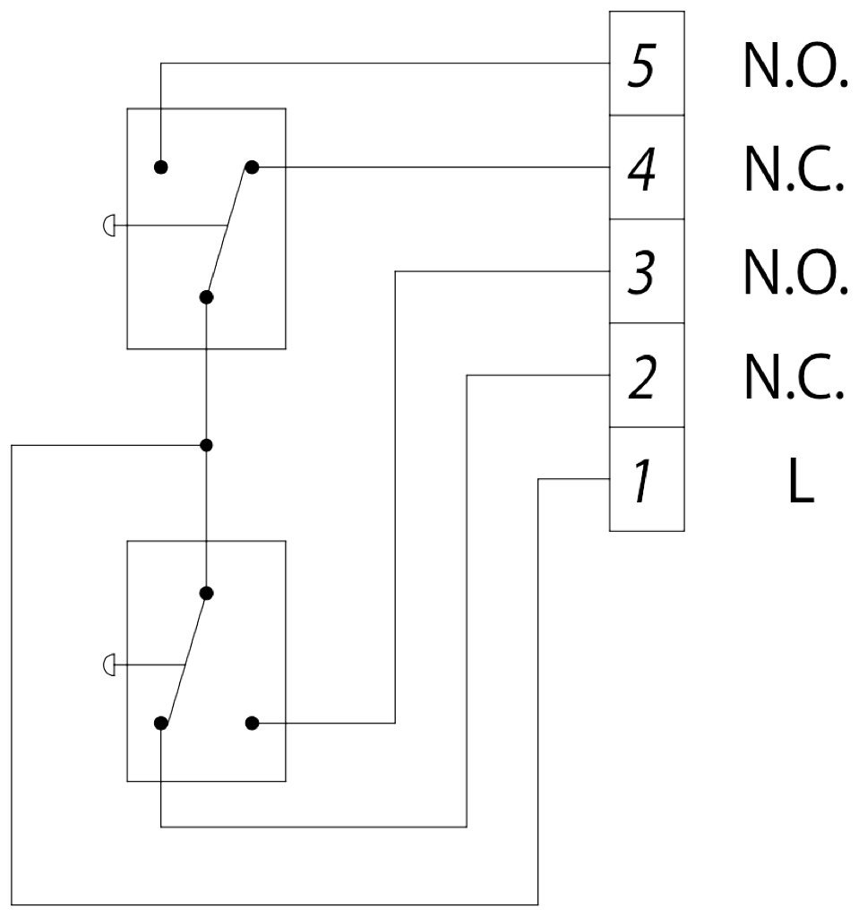
Сигнальная коробка
Сигнальная коробка для контроля открытого или закрытого положения с двумя механическими или индуктивными концевыми выключателям приспособлена для монтажа на всю серию арматуры с приводами ∅50 - ∅63 - ∅90 - ∅110.
Под заказ возможна поставка клеммников для подсоединения электромагнитного пневмораспределителя и светодиодных индикаторов.
Степень защиты IP 65
Температура окружающей среды: от -20°С до + 70°С
Герметичный кабельный ввод PG11, 1 шт.
Корпус из полиамида с прозрачной крышкой из оргстекла (ПММА).

Привод
A
mm

∅ 50  
52,1
∅ 63
47,5
∅ 90
37,7
∅ 110
29,5

ТИПЫ ИМЕЮЩИХСЯ КОНЦЕВЫХ ВЫКЛЮЧАТЕЛЕЙ

Индуктивные конечные выключатели NAMUR EExia
Номинальное напряжение: 8 В пост. тока
потребление: срабатывание ≤1 мA; отпускание ≥3 мA
Рабочая температура: от -20° C до +70 C

Компоновка Код
1 конечный выключатель: вверху, в открытом положении клапана
KSIN9A0xx
1 конечный выключатель: внизу, в закрытом положении клапана
KSIN9C0xx
2 конечных выключателя открытого и закрытого положения клапана
KSIN920xx


Бесконтактные конечные выключатели
Номинальное напряжение: 10÷30 В пост. тока
Потребление: 15 мА;
Рабочая температура: от -20° C до +70° C

Компоновка КОД 
1 конечный выключатель: вверху, в открытом положении клапанаKSI09A0xx
1 конечный выключатель: внизу, в закрытом положении клапанаKSI09C0xx
2 конечных выключателя открытого и закрытого положения клапана
KSI0920xx

Механические конечные выключатели
Верхний конечный выключатель: клапан открыт
Нижний конечный выключатель: клапан закрыт
Макс. нагрузка: 5 A 250 В пер. тока; 1 A 250 В пост. тока

Компоновка
КОД

2 конечных выключателя

KSM0C20xx

xx = Ø головки управления  
16 = Ø50
18 = Ø63
21 = Ø90
23 = Ø110

 СЕРТИФИКАТЫ

 ИНСТРУКЦИИ

НАСТРОЙКА ВОДИТЬ МАШИНУ
Выберите параметры поиска
ПОИСК ИЗДЕЛИЯ
X ЗАКРЫТЬ

СЛЕДУЮЩЕЕ СОБЫТИЕ

Asia Water 2026
Asia Water 2026
Kuala Lumpur, 7-9 April 2026