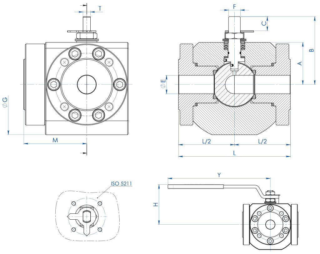
H2 INVICTUS (เอชทู อินวิคตัส) MAGNUM (แม็กนัม) MAGNUM Wafer (แม็กนัม เวเฟอร์) MAGNUM Split Wafer (แม็กนัม สปลิต เวเฟอร์) MAGNUM Split Wafer 3 ways 4 seals (แม็กนัม สปลิต เวเฟอร์ 3 เวย์ 4 ซีล) THOR PROCHEMIE 60 (โปรเคมมี 60) HERCULES (เฮอร์คิวลีส) KRATOS (เครโทส) SUPREME TRUNNION (ซูพรีม ทรันเนียน) OTHER BRASS BALL VALVES (วาล์วลูกบอลทองเหลืองอื่น ๆ) OTHER CAST IRON BALL VALVES (วาล์วลูกบอลเหล็กหล่ออื่น ๆ) OTHER STAINLESS STEEL BALL VALVES (วาล์วลูกบอลสแตนเลสอื่น ๆ) OTHER CARBON STEEL BALL VALVES (วาล์วลูกบอลเหล็กกล้าคาร์บอนอื่น ๆ) OTHER PVC BALL VALVES (วาล์วลูกบอลพีวีซีอื่น ๆ) Download General catalogue ดาวน์โหลด Actuator Accessories Catalogue การถอดรหัส MAGNUM & THOR กำหนดค่าผลิตภัณฑ์ของคุณ ดาวน์โหลดไฟล์ 2D และ 3D ในหลายรูปแบบ ดาวน์โหลด Sales conditions มาโคร วาล์วบอล หมวดหมู่ MAGNUM (แม็กนัม) หมวดย่อย MAGNUM Split Wafer 3 ways 4 seals (แม็กนัม สปลิต เวเฟอร์ 3 เวย์ 4 ซีล) ครอบครัว MAGNUM Split Wafer 3 ways 4 seals PN 16-40 ANSI 150 (แม็กนัม สปลิต เวเฟอร์ 3 เวย์ 4 ซีล พีเอ็น 16-40 แอนซี 150) กำหนดค่า ระบบขับเคลื่อน ขอข้อมูล พิมพ์หน้าเว็บ ดาวน์โหลดแค็ตตาล็อก MAGNUM SPLIT WAFER 3 WAYS 4 SEALS (แม็กนัม สปลิต เวเฟอร์ 3 เวย์ 4 ซีล) ถอดรหัส ประโยชน์ คุณลักษณะ มิติ วัสดุ แผนภาพและแรงบิดเริ่มต้น ข้อกำหนดทางเทคนิค อุปกรณ์เสริม เอกสาร 1. อุปกรณ์ป้องกันไฟฟ้าสถิต (การนำไฟฟ้าต่อเนื่องระหว่างลูกบอล, ก้าน และตัววาล์ว)หลีกเลี่ยงการเกิดประจุไฟฟ้าสถิตซึ่งอาจทำให้เกิดประกายไฟและเพลิงไหม้ในสภาพแวดล้อมที่ติดไฟหรือระเบิดได้รับประกันความปลอดภัยของการสัมผัสตลอดอายุการใช้งานของวาล์ว2. แหวนป้องกันการเสียดสีคู่ช่วยลดแรงบิดเริ่มเคลื่อนที่ (Breakaway Torque)ลดการสึกหรอเมื่อเทียบกับการใช้แหวนเดี่ยว3. ชุดซีลแบบ "V"; 3 ซีล + โอริงรับประกันการซีลที่สมบูรณ์แม้หลังจากจำนวนรอบการใช้งานมาก4. สปริงดิสก์บนซีลก้านวาล์วชดเชยระยะเล่นที่เกิดจากการสึกหรอเนื่องจากการหมุนของก้าน เพื่อป้องกันการรั่วไหลออกภายนอกช่วยรักษาแรงกดของซีลแบบเชฟรอน (V) ป้องกันการรั่วไหลแม้มีการเปลี่ยนแปลงอุณหภูมิอย่างมาก5. ซีลกราไฟต์แบบยืดหยุ่นรับประกันการซีลภายนอกโดยไม่ขึ้นกับการเปลี่ยนแปลงอุณหภูมิที่วาล์วต้องเผชิญความแม่นยำสูงขึ้นในการจัดแนวเพลา เนื่องจากการวางตำแหน่งครั้งเดียวตั้งแต่การกลึงชิ้นงานดิบจนสำเร็จอายุการใช้งานของวาล์วนานขึ้นแรงบิดเริ่มเคลื่อนที่ลดลงตัววาล์วทำจากเหล็กคาร์บอน ที่ผ่านการรับรองมาตรฐาน NACEความต้านทานการกัดกร่อนสูงขึ้นความเหนียวและความยืดหยุ่นของวัสดุสูงขึ้นกระบวนการผลิตทั้งหมดดำเนินการภายในบริษัทควบคุมและตรวจสอบอย่างเข้มงวดในทุกขั้นตอนการผลิตสามารถจัดหาผลิตภัณฑ์พิเศษตามความต้องการของลูกค้าได้อย่างรวดเร็วใบรับรอง ATEXสามารถติดตั้งในสภาพแวดล้อมที่มีความเสี่ยงการระเบิดใบรับรอง TA LUFT fugitive emissionรับประกันความปลอดภัยสูงของการซีลภายนอกใบรับรอง PEDสอดคล้องอย่างสมบูรณ์กับมาตรฐานความปลอดภัยยุโรปสำหรับอุปกรณ์แรงดัน คุณสมบัติมาตรฐาน (STANDARD FEATURES)• ลูกบอลลอย, แบบ full bore• ซีลเบาะนั่งแบบอ่อน Modified PTFE• มาตรฐานหน้าแปลนเชื่อมต่อ: EN1092-1, ASME B16.5• ระดับความดัน: ANSI 150; PN16-40• ระดับความแน่นสนิท: EN12266-1 ระดับ A• อุณหภูมิการทำงาน: -40°C ถึง +150°C• ของไหลที่กั้นได้: อากาศ, น้ำ, ก๊าซ, ผลิตภัณฑ์ปิโตรเลียมและปิโตรเคมี, ของไหลที่มีฤทธิ์กัดกร่อน• อุปกรณ์ป้องกันไฟฟ้าสถิต: EN12266-2• ซีลก้านวาล์ว: Modified PTFE V-pack• ซีลเสริมบนก้านวาล์วด้วยโอริง FKM• ก้านวาล์วป้องกันการหลุด (Anti Blow-out stem)• การเชื่อมต่อกับ ตัวกระตุ้น ตามมาตรฐาน ISO 5211การผลิตพิเศษตามคำขอ (EXECUTION ON REQUEST)• สำหรับหน้าแปลนชนิดอื่น กรุณาติดต่อฝ่ายขาย• ซีล: PTFE เสริมใยแก้ว (PTFE-GF), PTFE เสริมคาร์บอนกราไฟท์ (PTFE-CF) สำหรับ วัสดุ ประเภทอื่น กรุณาติดต่อฝ่ายขาย• คันโยกสแตนเลส• น็อตและสปริงก้านวาล์วสแตนเลส• สำหรับรุ่นที่ใช้ วัสดุ (ตัวเรือน/ลูกบอล/ก้านวาล์ว) แตกต่างจากมาตรฐาน กรุณาติดต่อฝ่ายขาย• การทำเครื่องหมายและใบรับรอง ATEX ตามคำขอการรับรอง (CERTIFICATIONS)• เป็นไปตามข้อกำหนดสหภาพยุโรป Directive 2014/68/EU PED; Fugitive Emission ISO 15848 (ISO FE BH-C03-SSA 0); Ta-Luft VDI: 2440• ระดับความปลอดภัย (Safety integrity level) ได้ถึง SIL3 ตามมาตรฐาน IEC 61508• เป็นไปตามข้อกำหนดสหภาพยุโรป ATEX 2014/34/EU, ใบรับรอง ATEX ตามคำขอมาตรฐานทางวิศวกรรม (ENGINEERING STANDARD)• ความหนาตัวเรือนเป็นไปตามมาตรฐาน: ASME B16.34, ASME VIII div.1, EN12516• วัสดุ และค่าการรับแรงดันเป็นไปตามมาตรฐาน ASME B16.34 สำหรับวาล์ว ANSI และ EN12516 สำหรับวาล์ว PN ขนาด -PN-ขนาดPN∅ELMABCแอคชูเอเตอร์ ISOF/TØG∅JØRSPØKจำนวนรูØIHYKg.ชุดคันโยกชุดซีลDN [mm][inch]151/2"16-40131246240559,2F0310/61129045215654M12731406,8KLV58004KGBV557040203/4"16-401913679487113F0412/813010058214754M1290,415010,5KLV58006KGBV557050251"16-402515185579219,1F0516/1014911068216854M12108,427515,2KLV58008KGBV557060321" 1/416-403216796609519,1F0516/10164130782201004M16111,427520,8KLV58008KGBV557070401" 1/216-403818510072119,526,4F0722/14185140883201104M16132,535026,1KLV58010KGBV557080502"16-405120011081128,526,7F0722/141951501023201254M16141,535032,4KLV58010KGBV557090652" 1/216642181219315433,2F1030/182201781223201454M16180,345047,6KLV58012KGBV557100803"167624412610116233,2F1030/182391901353201608M16188,345057,9KLV58012KGBV5571101004"1610232515012418233,2F1030/182962351583201808M16208,3450109KLV58012KGBV557120ขนาด -ANSI-ขนาดANSIØELMABCแอคชูเอเตอร์ ISOF/TØGØJØRSPØKจำนวนรูØIHYKg.ชุดคันโยกชุดซีลDN [mm][inch]151/2"150131246240559,2F0310/61129035,11,61660,541/2"UNC731406,8KLV58004KGBV557040203/4"1501913679487113F0412/813010042,91,61669,841/2"UNC90,415010,4KLV58006KGBV557050251"1502515185579219,1F0516/1014911050,81,61679,241/2"UNC108,427515,2KLV58008KGBV557060321" 1/41503216796609519,1F0516/1016413063,51,61688,941/2"UNC111,427521,3KLV58008KGBV557070401" 1/21503818510072119,526,4F0722/14185140731,61698,641/2"UNC132,535026,4KLV58010KGBV557080502"1505120011081128,526,7F0722/1419515091,91,620120,645/8"UNC141,535032,6KLV58010KGBV557090652" 1/2150642181219315433,2F1030/18220178104,61,620139,745/8"UNC180,345046,6KLV58012KGBV557100803"1507624412610116233,2F1030/182391901271,620152,445/8"UNC188,345058,5KLV58012KGBV5571101004"15010232515012418233,2F1030/18296235157,21,620190,585/8"UNC208,3450109KLV58012KGBV557120 วัสดุ - SPLIT WAFER PN16-40 ANSI 150ลำดับคำอธิบาย316 สแตนเลสสตีล1ตัวเรือน (Body)ASTM A182 F316 / A479TP.3162น็อตวงแหวน (Ring nut)3น็อตวงแหวนด้านข้าง (Side entry ring nut)4ลูกบอล (Ball)ASTM A351 CF8M5ก้านวาล์ว (Stem)A564 TP.630 (17-4PH)6*เบาะนั่ง (Seat)Modified PTFE7*ซีลก้านวาล์วด้านล่างModified PTFE8*แหวนเชฟรอน (Chevron ring)Modified PTFE9*โอริงก้านวาล์วFKM10แหวนยึดแพ็คกิ้ง304 สแตนเลส11สปริงก้านวาล์วเหล็กกล้าคาร์บอนชุบสังกะสี (xx)12น็อตก้านวาล์วเหล็กกล้าคาร์บอนชุบสังกะสี (x)13แผ่นน็อตล็อค304 สแตนเลส14ตัวบ่งชี้ (Indicator)304 สแตนเลส15*ปะเก็นน็อตวงแหวนตัวเรือนGrafoil16*ปะเก็นน็อตวงแหวนด้านข้างของตัวเรือนGrafoil17สกรูน็อตวงแหวนตัวเรือนA2-70 (304 สแตนเลส)18สกรูน็อตวงแหวนด้านข้างของตัวเรือน19อุปกรณ์ป้องกันไฟฟ้าสถิต316 สแตนเลส20น็อตล็อคเหล็กกล้าคาร์บอนชุบสังกะสี (x)21สกรูยึดA2-70 (304 สแตนเลส)22สกรูยึดเหล็กกล้าคาร์บอนชุบสังกะสี (x)23คันโยกFe37 ชุบสังกะสี (x)* ส่วนประกอบของชุดซีลมีให้ตามคำขอ:(x) : 304 สแตนเลส(xx) : 301 สแตนเลส แผนภูมิการไหล/การสูญเสียความดันและสัมประสิทธิ์ Kv ชื่อค่า Kv คือสัมประสิทธิ์ ซึ่งแสดงเป็น m³/h (กับน้ำที่ 15°C) ซึ่งทำให้เกิดการสูญเสียความดัน 1 bar แผนผังสำหรับพอร์ต "L"หมายเหตุ:“A” ต้องเป็นตำแหน่งพักของลูกบอลกับแอคชูเอเตอร์ SR FAIL CLOSE“B” ต้องเป็นตำแหน่งพักของลูกบอลกับแอคชูเอเตอร์ SR FAIL OPEN มุมมองจากด้านบน แผนผังสำหรับพอร์ต "T"หมายเหตุ:การใช้แอคชูเอเตอร์ 2 ตำแหน่งพร้อมการหมุน 90° เป็นไปได้เฉพาะ: ต้องแจ้งการกำหนดตำแหน่งลูกบอลกับฝ่ายขายของเราเสมอเลือกตำแหน่งพักของลูกบอลกับแอคชูเอเตอร์ SR FAIL CLOSE; เมื่อมีลม แอคชูเอเตอร์จะหมุนทวนเข็มนาฬิกาเลือกตำแหน่งพักของลูกบอลกับแอคชูเอเตอร์ SR FAIL OPEN; เมื่อมีลม แอคชูเอเตอร์จะหมุนตามเข็มนาฬิกา มุมมองจากด้านบน การกำหนดขนาดของแอคชูเอเตอร์นิวเมติกพิจารณาจากแรงดันจ่ายขั้นต่ำ 5.6 bargในกรณีของไหลที่ไม่ได้รับการหล่อลื่น และ/หรือของไหลที่มีอนุภาคแข็ง แรงบิดอาจสูงกว่าที่ระบุ ก้านขยายแบบหล่อพร้อมคันโยก วัสดุหมายเลขชิ้นส่วน คำอธิบายวัสดุ1ขยายAISI304 S.S.2พินAISI 430 F3บุชDELRIN4โอริงNBR5คันโยกFe 37 ชุบสังกะสี (*)6น็อตเหล็กคาร์บอนชุบสังกะสี (*)7ตัวยึดคันโยกเหล็กคาร์บอนชุบสังกะสี (*)8สกรูตัวยึดA2-709สเปเซอร์PTFE เติมคาร์บอน(*) : สามารถสั่งทำได้ในวัสดุสแตนเลส AISI 304 ขนาด วาล์วมาตรฐาน ISOØAØBØMØNF/TXYF03365,5365,510/638,5141,5F04425,542M512/845,5151,5F05506,5506,516/1048,5276,5F07708,5708,522/1457,5351,5F10102111021130/1879,5451,5หมายเหตุ: รหัสของก้านขยายขึ้นอยู่กับประเภทของไดรฟ์และการเชื่อมต่อของวาล์ว; ต้องแจ้งเมื่อสั่งซื้อ ก้านขยายแบบหล่อสำหรับแอคชูเอเตอร์ วัสดุหมายเลขชิ้นส่วน คำอธิบายวัสดุ1ขยายASTM A351 CF8M2พินAISI 430 F3บุชDELRIN4โอริงNBRหมายเหตุ: รหัสของก้านขยายขึ้นอยู่กับประเภทของไดรฟ์และการเชื่อมต่อของวาล์ว; ต้องแจ้งเมื่อสั่งซื้อ ก้านขยายแบบเชื่อมพร้อมคันโยก วัสดุ หมายเลขชิ้นส่วนคำอธิบายวัสดุ1ขยาย304 s.s.2พินAISI 430 F3บุชDELRIN4โอริงNBR5คันโยกFe 37 ชุบสังกะสี (*)6น็อตเหล็กคาร์บอนชุบสังกะสี (*)7ตัวยึดคันโยกเหล็กคาร์บอนชุบสังกะสี (*)8สกรูตัวยึดA2-709น็อตตัวยึดA2-70 (**)10สเปเซอร์PTFE เติมคาร์บอน(*) : สามารถสั่งทำได้ในวัสดุสแตนเลส AISI 304(**) : ไม่มีให้สำหรับวาล์วที่มีการเชื่อมต่อ ISO F04 ขนาดวาล์วมาตรฐาน ISOØAØBØMØNF/TXYF03365,5365,510/638,5141,5F04425,542M512/845,5151,5F05506,5506,516/1048,5276,5F0770970922/1457,5351,5F10102111021130/1879,5451,5หมายเหตุ: รหัสของก้านขยายขึ้นอยู่กับประเภทของไดรฟ์และการเชื่อมต่อของวาล์ว; ต้องแจ้งเมื่อสั่งซื้อ ก้านขยายแบบเชื่อมสำหรับแอคชูเอเตอร์ วัสดุ หมายเลขชิ้นส่วนคำอธิบายวัสดุ1ขยาย304 S.S.2พินAISI 430 F3บุชDELRIN4โอริงNBRหมายเหตุ: รหัสของก้านขยายขึ้นอยู่กับประเภทของไดรฟ์และการเชื่อมต่อของวาล์ว; ต้องแจ้งเมื่อสั่งซื้อ ก้านขยายพร้อมซีลเสริม วัสดุหมายเลขชิ้นส่วน คำอธิบาย วัสดุ1ขยาย304 s.s.2พินA564 TP.630 (17-4ph)3ซีลด้านล่างTFM16004โอริงFKM5แหวนเชฟรอนTFM16006แหวนอัดแพ็กกิ้ง304 s.s.7สปริงวอชเชอร์50CrV4 ชุบสังกะสี8น็อตก้านวาล์วUNI 3740-1 6S ชุบสังกะสี9แผ่นน็อตล็อก304 s.s.10ปะเก็นGRAFOIL ขนาดวาล์วมาตรฐาน ISOØAØBØMØNF/TCDF03365,536M510/62010,2F04425,542M512/82615,1F05506,550M616/103521,2F07708,570M822/1447,528,4F1010210,5102M1030/186135,2หมายเหตุ: รหัสของก้านขยายขึ้นอยู่กับประเภทของไดรฟ์และการเชื่อมต่อของวาล์ว; ต้องแจ้งเมื่อสั่งซื้อ ใบรับรอง ATEX - Ball Valves FUGITIVE EMISSION DN100 CL.300 T1-T2-T3-M1-M4-M5-M6 FUGITIVE EMISSION DN25 CL.300 T1-T2-T3-M1-M4-M5-M6 PED SIL IEC 61508 - MAGNUM & THOR TA LUFT - MAGNUM & THOR UKCA คู่มือ MANUAL UMAH1000 กำหนดค่า ไดรฟ์ เลือกมาตรฐานการค้นหา -- ไดรฟ์ -- วาล์วขับเคลื่อนด้วยเพลาอิสระ ชนิด L-BALL วาล์วขับเคลื่อนด้วยเพลาอิสระ ชนิด T-BALL วาล์วขับเคลื่อนด้วยคันโยก ชนิด L-BALL วาล์วขับเคลื่อนด้วยคันโยก ชนิด T-BALL ตัวกระตุ้นลมแบบ DA ชนิด L-BALL ตัวกระตุ้นลมแบบ DA ชนิด T-BALL ตัวกระตุ้นลมแบบ SR ชนิด L-BALL ตัวกระตุ้นลมแบบ SR ชนิด T-BALL ค้นหารายการ