images/testate/header-valvole-farfalla.jpg

วาล์วผีเสื้อ รุ่น 494

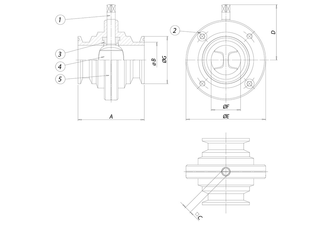
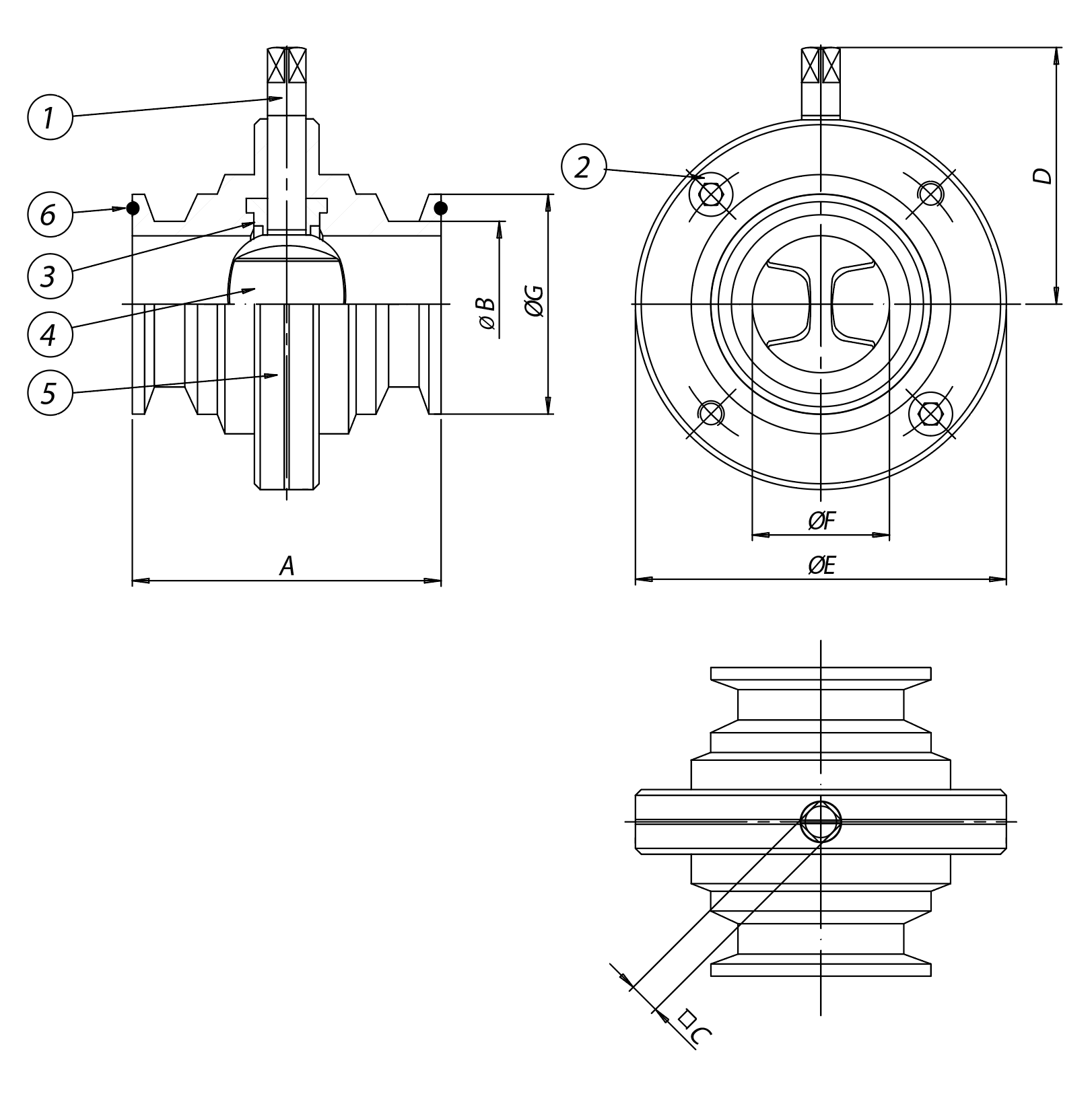
  • คุณลักษณะ
  • ขนาด
  • วัสดุ
  • แผนภาพและแรงบิดเริ่มต้น

รูปแบบมาตรฐาน:
• วาล์วผลิตจากสแตนเลส 304 (ซีรีส์ 490-492-493) และสแตนเลส 316L (ซีรีส์ 494)
• วาล์วเหมาะสำหรับอุตสาหกรรมอาหาร
• อุณหภูมิการทำงาน: 0°C ถึง +150°C
• ความดันการทำงาน: PN 6
• ช่วงของของไหล: สำหรับอุตสาหกรรมอาหาร
• การเชื่อมต่อ:

  • เกลียว GAS ตามมาตรฐาน DIN/ISO 228/1
  • เกลียว DIN 11851 สำหรับอุตสาหกรรมอาหาร
  • เชื่อมชนตามมาตรฐาน DIN 11850-1
  • แคลมป์ BS 4825 (DIN 32676 ซีรีส์ C)
• การเคลือบผิว: ขัดเงา ตามคำขอพิเศษ:
• เกลียวมาตรฐาน SMS 1146
• เกลียว MACON
• แคลมป์ DIN 32676 ซีรีส์ A
• แคลมป์ ISO 2852
• สำหรับการใช้งานอื่น ๆ โปรดติดต่อฝ่ายขายของเรา

วาล์วผีเสื้อแบบแคลมป์ รุ่น 494 มาตรฐาน BS 4825 (DIN 32676 ซีรีส์ C)

ขนาด 
ขนาดแคลมป์ [inch]
A
ØB
C
D
øE
øF
øG
1"
68
25,4
9
58
79
22,1
50,4
1"1/2
76
38,1
9
63
85
34,8
50,4
2"
80
50,8
9
71
105
47,5
64
2"1/2
82
63,5
9
76
113
60,2
77,4
3"
82
76,1
9
81
125
72,8
90,9
4"
88
101,6
11
100
157
97,6
118,8

แคลมป์มาตรฐาน BS 4825 (DIN 32676 ซีรีส์ C)

วัสดุ
1
เพลา
สแตนเลส 316L
1.4401
UNI X5CrNiMo 17 12
2
สกรู
สแตนเลส 316L
1.4401
UNI X5CrNiMo 17 12
3*
ซีลภายใน
ซิลิโคน


4
ดิสก์
3CF3M
1.4401
UNI X5CrNiMo 17 12
5
ปลายวาล์ว
สแตนเลส 316L
1.4401
UNI X5CrNiMo 17 12
6**
ซีลแคลมป์
ซิลิโคน


* อะไหล่เบาะหลัก
** ส่วนประกอบของชุดอะไหล่ครบชุด

  แรงบิดเริ่มต้น Nm
  ขนาด
DN 25
1"
DN 32 1"1/4
DN 40 1"1/2
DN 50
2"
DN 65 2"1/2
DN 80
3"
DN 100
4"

PN 6 บาร์
7
9
15
18
29
43
65


แรงบิดอาจเปลี่ยนแปลงได้ตามอุณหภูมิและชนิดของของไหล ควรใช้ค่าสัมประสิทธิ์ความปลอดภัย 1.4 แรงบิดอาจลดลงเมื่อมีการใช้งานบ่อยครั้ง การเลือกขนาดของแอคชูเอเตอร์/วาล์วที่แสดงไว้ในหน้าถัดไปนั้นอ้างอิงสำหรับวาล์วที่ใช้กับของเหลวหรือของไหลที่เป็นก๊าซที่สะอาด และอุณหภูมิปานกลาง สำหรับข้อมูลเพิ่มเติมหรือการใช้งานที่แตกต่าง โปรดติดต่อฝ่ายเทคนิคของเรา

กำหนดค่า ไดรฟ์
เลือกมาตรฐานการค้นหา
ค้นหารายการ
ปิด X

กิจกรรมถัดไป

Asia Water 2026
Asia Water 2026
Kuala Lumpur, 7-9 April 2026