images/testate/JjHdsW_Template-Header-Sito-OMAL2560x768-AGO-ok.jpg

AGO 316 - SR单气动316锻造执行器

  • 优点
  • 特性
  • 特性
  • 物料
  • 规格
  • 附件
  • 文档

1.自润滑的密封滑动轴承
降低活塞与缸筒之间的摩擦力;
即便长期停用,亦可避免密封件与缸筒发生粘连。

2.缸筒、套管和传动轴的硬度超过50 HRC

更强的执行器内部抗力

3.缸筒和活塞之间的滚动摩擦

更小的摩擦力

4.滚动摩擦的十字滑块(通过活塞和无传动装置的轴,将线性运动转换为旋转运动)。

活塞和传动轴之间的摩擦力更小,从而减少零部件磨损
打开和关闭时有着更强的起动扭矩
相较于齿轮和齿条式执行器,其尺寸更小,安装空间需求更低
相较于齿轮和齿条式执行器,其重量更小(-30% Kg/Nm),建造基础设施时可降低成本
相较于齿轮和齿条式执行器,其耗气量更低,(双效:-40% 空气 cm³/Nm;单效:-20% 空气 cm³/Nm),能够有效降低压缩机的工作负荷,或直接使用小尺寸压缩机。

5.滑动缸筒

得益于较低的表面粗糙度,可以降低轴承的磨耗

6. Stainless Steel shaft
Higher corrosion resistance

自DAN15型号起接埠NAMUR电磁阀的接口

无需安装额外基座

在OMAL自有设施内完成全部生产流程

对加工各个阶段的最佳管控

ATEX认证
可安装于潜在易爆的环境内

最高达SIL3等级的认证
更高的运行安全等级

技术参数
扭矩介于360Nm~960Nm之间。
法兰接口标准:EN ISO 5211;F10 - F12 - F14 - F16
符合15714-3标准
旋转角度:92°(-1°,+91°)
起动扭矩:返回时的起动扭矩仅取决于弹簧的运动,与供应压力无关。弹簧调教共有4种不同类型;具体请参见SR气动执行器产品目录中的表格。
弹簧顺时针旋转时,实现自动关闭。对于任意一台执行器,SR后的数字即对应于压力为5.6bar时的起动扭矩(Nm)。
ATEX认证型号符合欧盟《2014/34/UE》ATEX防爆条例。*ATEX型号的代码末尾处添加“YX”

运行条件

温度:-20℃~+80℃
额定压力:5.6bar;最高作业压力:8.4bar。
流体源:无需润滑且经过滤的压缩空气。需要润滑时,请使用与NBR材质相兼容的油料.

技术参数表

代码
SR0360416S
SR0480416S
SR0720424S
SR0720416S
SR0960416S

密封备件
KGXI0023
KGXI0024
KGXI0025
KGXI0025
KGXI0026

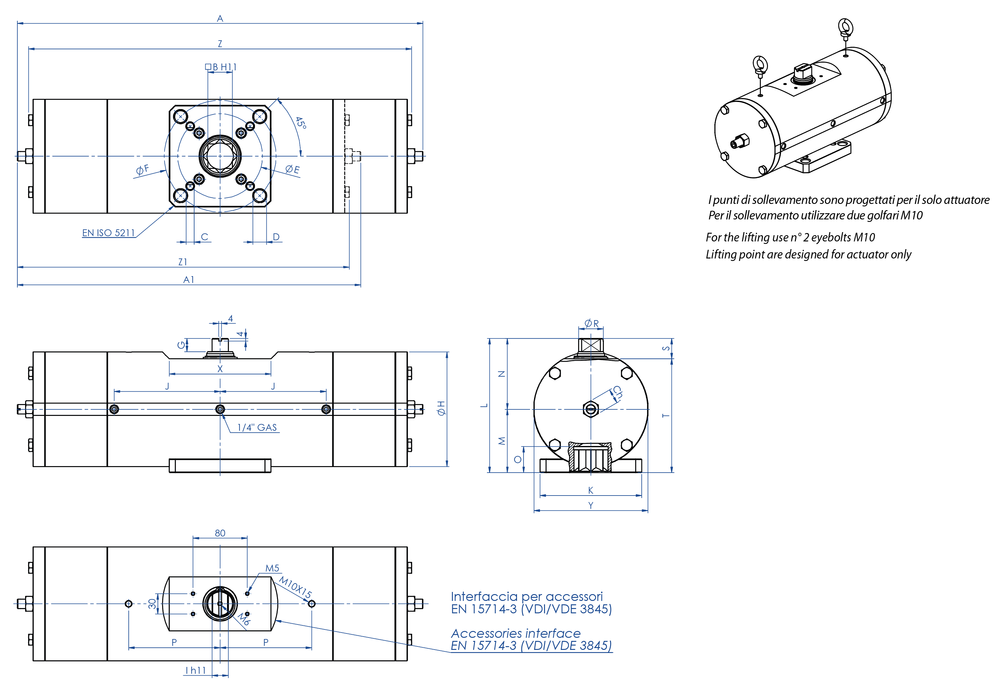
尺寸·SR0360
F10/F12
SR0480
F12/F16
SR0720
F12
SR0720
F14
SR0960
F12/F16

A
565,5
598
736,8
736,8
769,6

A1 (2,8 Bar)
483,5
506
630,8
630,8
645

B
27
36
36
36
46

C x depth
M10x11,5
M12x20
M12x18
M16x18
M12x23

D x depth
M12x11,5
M20x20
-
-
M20x23

ØE
102
125
125
140
125

ØF
125
165
-
-
165

G
19,5
19,5
19,5
19,5
18,5

ØH
156
169
188
188
211

I
22
24
27
27
32

J
138,5
156,3
179,5
179,5
192

K
115
150
130
130
150

L
178
198
216
216
237,7

M
78,5
93,5
101,5
101,5
114,7

N
99,5
104,5
114,5
114,5
123

O
29,5
38,5
38,5
38,5
48,5

P
116
135
160
160
160

Q
-
-
-
-
-

Q2
-
-
-
-
-

ØR
31,8
36,5
41
41
46

S
30
30
30
30
30

S2
-
-
-
-
-

T
148
168
186
186
207,7

T2
-
-
-
-
-

X
150
150
150
150
150

Y
155
168
187
187
209

Z
525,8
565
685
685
718,4

Z1 (2,8 Bar)
435,8
473
559,4
559,4
593,8

Ch
22
22
24
24
24

Ch1 (2,8 Bar)
24
24
30
30
30

重量 (Kg)
45,5
60
82,5
82,5
112

重量 (2,8 Bar) (Kg)
37,5
51
77
77
96

供气量 (dm3/cycle) (l/cycle)
2,00
2,8
4,20
4,20
5,9

杆件气动执行器的双作用和简单作用316

杆件气动执行器的双作用和简单作用: 316
位置
名称
数量
材质
1缸筒
1不锈钢
2活塞
2铝合金
3封盖
2不锈钢
4阀轴
1不锈钢
5十字滑块
1合金钢
6滑套/支承套
1乙缩醛树脂
7上支撑环
1乙缩醛树脂
8支承滑套
1乙缩醛树脂
9十字滑块塑料外杆1合金钢
10十字滑块塑料内杆
1合金钢
11钢套
2合金钢
12旋转销
2合金钢
13*密封环
2聚氨酯
14*支撑轴承
4

P.T.F.E. carbo-graphite filled

15*活塞O形圈
2NBR
16轴上O形圈
1FKM
17外支承环
1乙缩醛树脂
18垫片
1不锈钢
19Seeger弹性圈
1不锈钢
20下支承轴承
1P.T.F.E. carbo-graphite filled
21轴下O形圈
1FKM
22*封盖O形圈
2Nitrilic rubber
23螺栓
8不锈钢
24调整螺柱
2不锈钢
25调节O形圈
2NBR
26锁止螺母
2不锈钢
27固定法兰
1不锈钢
28螺栓
4不锈钢
29*封盖O形圈
4Nitrilic rubber
30缸筒定距环
2不锈钢
31弹簧
2合金钢
32弹簧压板
2铝合金
33弹簧预张紧螺栓
2不锈钢
* 备件套装的组件

配备限位器的信号盒

手动解锁操纵器

NAMUR 电磁阀

电磁阀

电气定位器(内置安全装置)

气动定位器

接近式限位器

机电式限位器

气动式限位器

抗爆燃限位器II2GD ExdIIC

选择 尺寸
选择搜索参数
搜索文章
X 关闭

下一新闻

IVS - Industrial Valve Summit 2026
IVS - Industrial Valve Summit 2026
Bergamo, Italy, 19 - 21 may 2026