images/testate/JjHdsW_Template-Header-Sito-OMAL2560x768-AGO-ok.jpg

AGO 316 - SR inox 316 de barra

  • ventajas
  • características
  • dimensiones
  • materiales
  • especificaciones
  • accesorios
  • documentos

1. Bandas de sellado y deslizamiento energizadas autolubricantes
Menor fricción entre pistón y cilindro
Se evita el pegado de la junta al cilindro incluso después de largos períodos de parada

2. Ranura, casquillo y enchufes con acero con dureza mayor a 50 HRC
Mayor resistencia a las fuerzas presentes dentro del actuador

3. Fricción a la rodadura entre la ranura y el pistón
Menor fricción

4. Yugo escocés con fricción a la rodadura (transformación del movimiento lineal en movimiento rotatorio mediante pistón y eje sin engranajes)
Menor fricción entre pistón y eje con el consecuente menor desgaste de las piezas
Momento de torsión potenciado en fase de apertura y cierre
Menor espacio con respecto a los actuadores piñón y cremallera con el consecuente menor espacio necesario
Menor peso con respecto a los actuadores piñón y cremallera (-30% Kg/Nm) con los consecuentes ahorros en la realización de la estructura del sistema
Menor consumo de aire con respecto a los actuadores piñón y cremallera (-40% aire cm³/Nm doble efecto y -20% aire cm³/Nm simple efecto) con la consecuente menor carga de trabajo del compresor o posibilidad de uso de compresor con dimensiones reducidas

5. Cilindro laminado
Menor desgaste de las tiras energizadas gracias a la baja rugosidad de la superficie

6. Stainless Steel shaft
Higher corrosion resistance

Interfaz para electroválvulas NAMUR integrada por el DAN15
No requiere ninguna placa de bornes adicional

Proceso productivo totalmente realizado en OMAL
Máximo control en todas las fases de elaboración

Certificado ATEX
Permite la instalación en presencia de entornos potencialmente explosivos

Certificado hasta SIL 3
Alto nivel de seguridad funcional garantizado

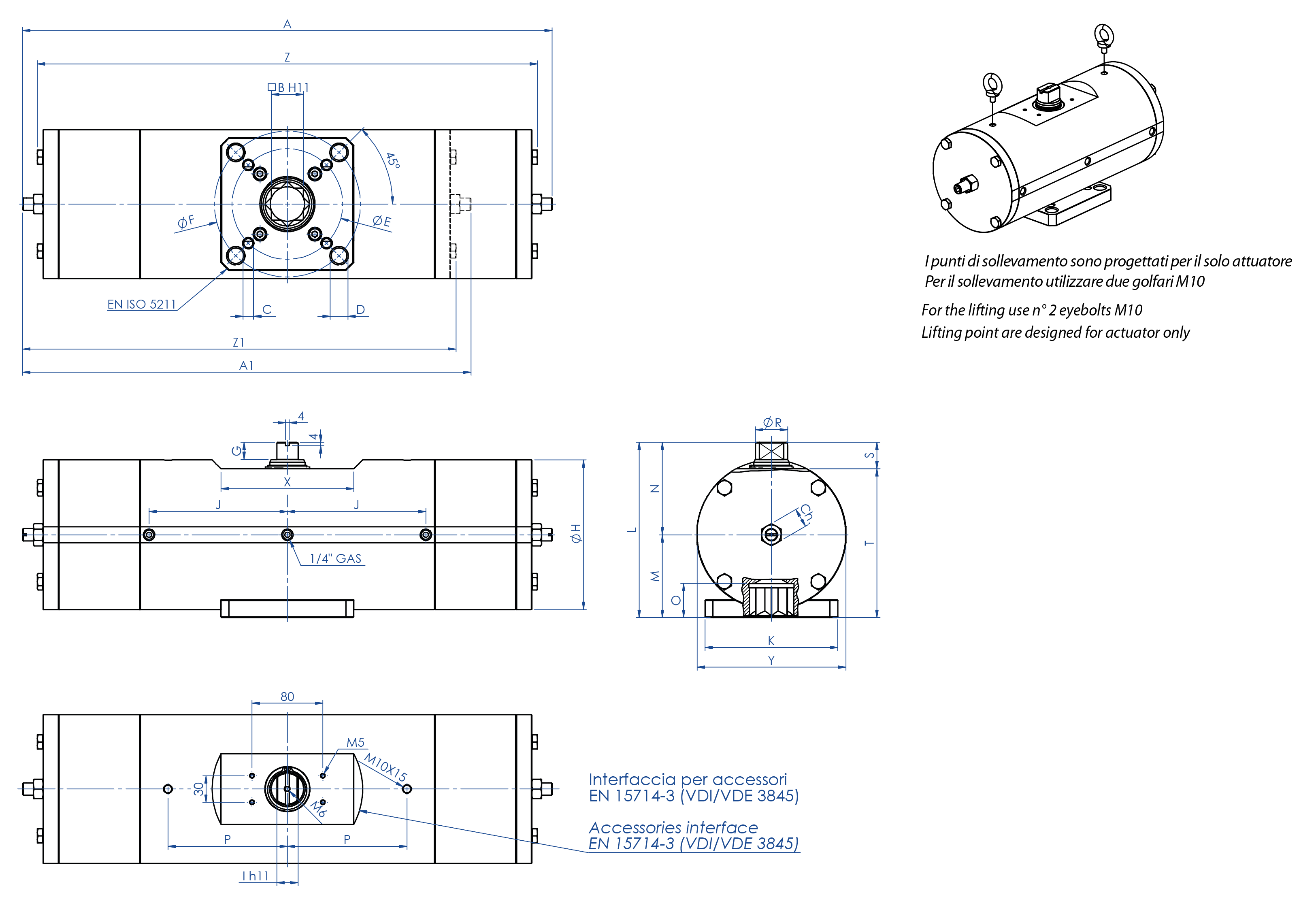
DATOS TÉCNICOS
Par desde 360 Nm a 960 Nm.
Brida de conexión: EN ISO 5211; F10 - F12 - F14 - F16.
Conforme a la EN 15714-3
Ángulo de rotación: 92° (-1°, +91°)
Momento de torsión: el momento de torsión de retorno depende solo de la acción del muelle y es independiente de la presión de alimentación.
Están disponibles 4 diferentes calibraciones para el muelle; ver tabla actuadores neumáticos SR catálogo general.
El cierre automático por medio de los muelles se realiza en sentido de las agujas del reloj. En cada actuador la cifra que sigue a la sigla SR corresponde al valor del par de aceleración en Nm. a la presión de 5,6 bar.
Versión ATEX de conformidad con la directiva 2014/34/UE. Para la versión ATEX añadir YX al final del código.

CONDICIONES DE EJERCICIO
Temperatura: desde -20°C a +80°C.
Presión nominal: 5,6 bar; máxima de ejercicio 8,4 bar.
Fluido de alimentación: aire comprimido filtrado seco no necesariamente lubricado. En caso de lubricación usar aceite no detergente, compatible con NBR.

FICHA TÉCNICA

Código
SR0360416S
SR0480416S
SR0720424S
SR0720416S
SR0960416S

Juntas de repuesto
KGXI0023
KGXI0024
KGXI0025
KGXI0025
KGXI0026

MedidaSR0360
F10/F12

SR0480
F12/F16

SR0720
F12

SR0720
F14

SR0960
F12/F16


A
565,5
598
736,8
736,8
769,6

A1 (2,8 Bar)
483,5
506
630,8
630,8
645

B
27
36
36
36
46

C x profundidad
M10x11,5
M12x20
M12x18
M16x18
M12x23

D x profundidadM12x11,5
M20x20
-
-
M20x23

ØE
102
125
125
140
125

ØF
125
165
-
-
165

G
19,5
19,5
19,5
19,5
18,5

ØH
156
169
188
188
211

I
22
24
27
27
32

J
138,5
156,3
179,5
179,5
192

K
115
150
130
130
150

L
178
198
216
216
237,7

M
78,5
93,5
101,5
101,5
114,7

N
99,5
104,5
114,5
114,5
123

O
29,5
38,5
38,5
38,5
48,5

P
116
135
160
160
160

Q
-
-
-
-
-

Q2
-
-
-
-
-

ØR
31,8
36,5
41
41
46

S
30
30
30
30
30

S2
-
-
-
-
-

T
148
168
186
186
207,7

T2
-
-
-
-
-

X
150
150
150
150
150

Y
155
168
187
187
209

Z
525,8
565
685
685
718,4

Z1 (2,8 Bar)
435,8
473
559,4
559,4
593,8

Ch
22
22
24
24
24

Ch1 (2,8 Bar)
24
24
30
30
30

Peso (kg)
45,5
60
82,5
82,5
112

Peso (2,8 Bar) (Kg)
37,5
51
77
77
96

Aire (dm3/ciclo) (l/ciclo)
2,00
2,8
4,20
4,20
5,9


COMPONENTES ACTUADOR NEUMÁTICO DOBLE Y SIMPLE EFECTO 316 POR BARRA

COMPONENTES ACTUADOR NEUMÁTICO EFECTO DOBLE Y SIMPLE 316 POR BARRA
Pos
Denominación
Cant.
Material
1Cilindro
1Acero inoxidable
2Pistón
2Aleación de aluminio
3Tapón
2Acero inoxidable
4Eje
1Acero inoxidable
5Horquilla
1Aleación de acero
6Brújula de deslizamiento
1Resina acetálica
7Anillo de soporte superior
1Resina acetálica
8Brújula de deslizamiento
1Resina acetálica
9Pasador elástico externo
1Aleación de acero
10Pasador elástico interno
1Aleación de acero
11Casquillo acero
2Aleación de acero
12Perno Giratorio
2Aleación de acero
13*Anillo de estanqueidad
2Poliuretano
14*Disco de soporte
4P.T.F.E. carbo-graphite filled
15*Junta tórica del pistón
2Goma de nitrilo
16Junta tórica del eje superior
1FKM
17Anillo de soporte externo
1Resina acetálica
18Arandela calce
1Acero inoxidable
19Anillo de retención
1Acero inoxidable
20Tira sup.infer.
1P.T.F.E. carbo-graphite filled
21Junta tórica del eje inferior
1FKM
22*Junta tórica del tapón
2Nitrilic rubber
23Tornillos
8Acero inoxidable
24Clavija de regulación
2Acero inoxidable
25Junta tórica regulación
2Goma de nitrilo
26Contratuerca
2Acero inoxidable
27Brida de fijación
1Acero inoxidable
28Tornillos
4Acero inoxidable
29*Junta tórica del tapón
4Nitrilic rubber
30Cilindro distanciador
2Acero inoxidable
31Muelle
2Aleación de acero
32Contenedor del muelle
2Aleación de aluminio
33Tornillo de prec. muelle
2Acero inoxidable
* Detalles del kit de repuesto

ESQUEMA DE FUNCIONAMIENTO ACTUADOR NEUMÁTICO "SR"

CAJA DE SEÑALIZACIÓN CON TOPE

OPERADOR MANUAL DE DESBLOQUEO

TOPES INDUCTIVOS NAMUR

TOPES INDUCTIVOS

POSICIONADOR ELECTRONEUMÁTICO (SEGURIDAD INTRÍNSECA)

POSICIONADOR NEUMÁTICO

TOPE DE PROXIMIDAD

TOPES ELECTROMECÁNICOS

TOPES NEUMÁTICOS

TOPES ANTIDEFLAGRANTES II2GD ExdIIC

SELECCIONA TALLA
Selecciona los parámetros de búsqueda
BUSCA ARTÍCULO
X CERRAR

SIGUIENTE EVENTO

IVS - Industrial Valve Summit 2026
IVS - Industrial Valve Summit 2026
Bergamo, Italy, 19 - 21 may 2026