images/testate/JjHdsW_Template-Header-Sito-OMAL2560x768-AGO-ok.jpg

AGO 316 - SR inox 316 da barra

  • benefits
  • caratteristiche
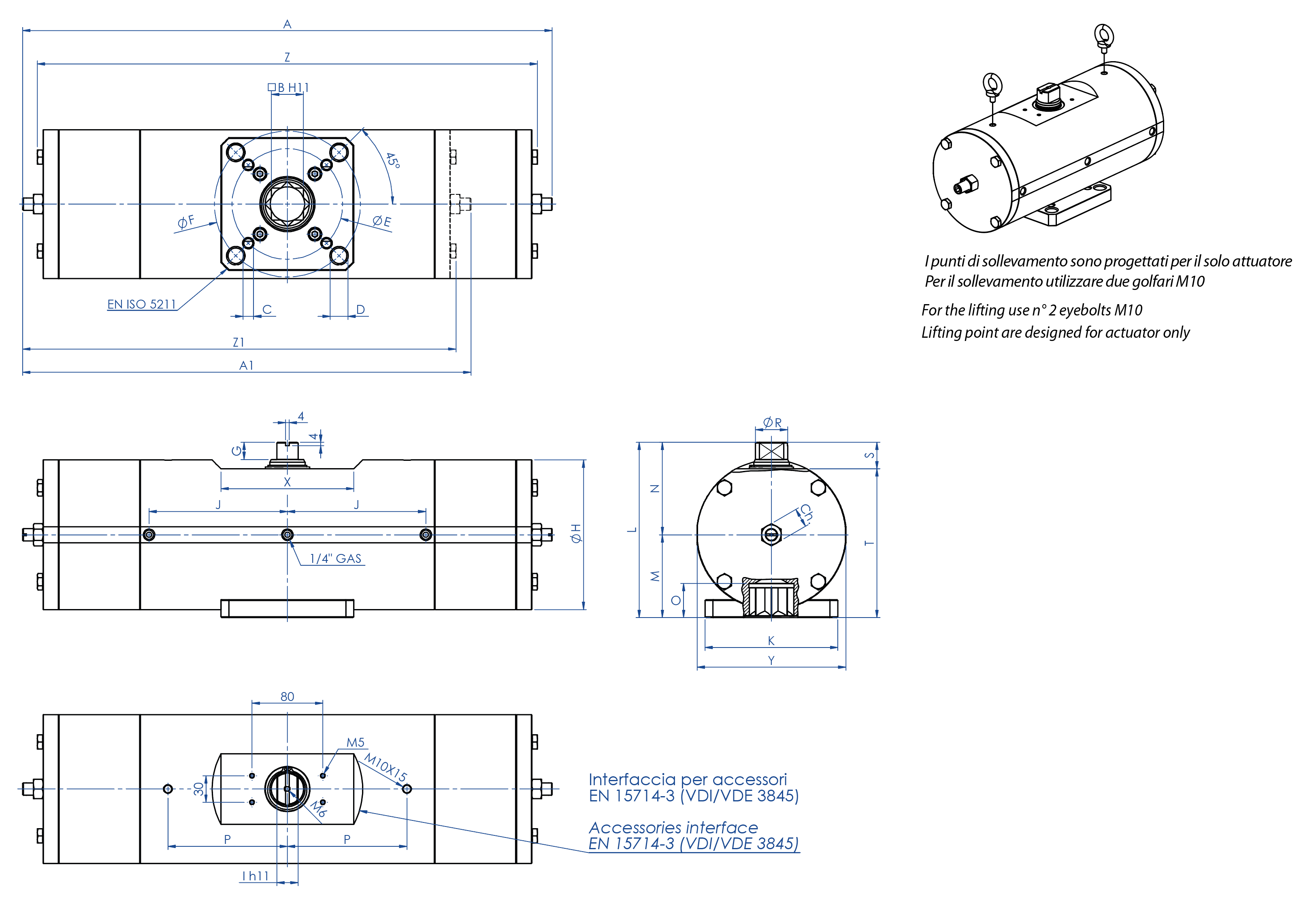
  • dimensioni
  • materiali
  • specifiche
  • accessori
  • documenti

1.Fasce di tenuta e scorrimento energizzate autolubrificanti
Minor attrito tra pistone e cilindro
Si evita l’incollaggio della guarnizione al cilindro anche dopo lunghi periodi di fermo

2.Slot, bussole e spine con acciaio con durezza maggiore a 50 HRC
Maggior resistenza alle forze presenti all' interno dell'attuatore

3.Attrito volvente tra slot e pistone
Minor attrito

4.Scotch yoke con attrito volvente (trasformazione del movimento lineare in movimento rotatorio mediante pistone e albero privo di ingranaggi).
Minor attrito tra pistone e albero con conseguente minor usura dei pezzi
Momento torcente potenziato in fase di apertura e chiusura
Minor ingombro rispetto agli attuatori pignone e cremagliera con conseguente minor spazio necessario
Minor peso rispetto agli attuatori pignone e cremagliera (-30% Kg/Nm) con conseguenti risparmi sulla realizzazione della struttura dell'impianto
Minor consumo d'aria rispetto agli attuatori pignone e cremagliera (-40% aria cm³/Nm doppio effetto e -20% aria cm³/Nm semplice effetto) con conseguente minor carico di lavoro del compressore o possibilità di utilizzo di un compressore con dimensioni ridotte

5.Cilindro rullato

Minor usura delle fascette energizzate grazie alla bassa rugosità della superficie

6. Albero Inox
Maggiore resistenza alla corrosione

Interfaccia per elettrovalvole NAMUR integrata dal DAN15

Non richiede alcuna basetta supplementare

Processo produttivo interamente eseguito in OMAL
Massimo controllo in tutte le fasi di lavorazione

Certificato ATEX
Ne consente l'installazione in presenza di ambiente potenzialmente esplosivo

Certificato fino a SIL 3
Elevato livello di sicurezza funzionale garantito

DATI TECNICI
Coppia da 360 Nm. a 960 Nm.
Flangia d’attacco: EN ISO 5211; F10 - F12 - F14 - F16.
Conforme alla EN 15714-3
Angolo di rotazione: 92° (-1°, +91°)
Momento torcente: Il momento torcente di ritorno dipende solo dall’azione della molla ed è indipendente dalla pressione di alimentazione.
Sono disponibili 4 differenti tarature per la molla; vedi tabella attuatori pneumatici SR catalogo generale.
La chiusura automatica per mezzo delle molle avviene in senso orario. In ciascun attuatore la cifra che segue la sigla SR corrisponde al valore della coppia di spunto in Nm. alla pressione di 5,6 bar.
Versione ATEX in conformità alla direttiva 2014/34/UE. Per la versione ATEX aggiungere YX alla fine del codice.

CONDIZIONI DI ESERCIZIO

Temperatura: da -20°C a +80°C.
Pressione nominale: 5,6 bar; massima di esercizio 8,4 bar.
Fluido di alimentazione: aria compressa filtrata secca non necessariamente lubrificata.
In caso di lubrificazione usare olio non detergente, compatibile con NBR.

SCHEDA TECNICA

Codice
SR0360416S
SR0480416S
SR0720424S
SR0720416S
SR0960416S

Guarnizioni ricambio
KGXI0023
KGXI0024
KGXI0025
KGXI0025
KGXI0026

Misura
SR0360
F10/F12
SR0480
F12/F16
SR0720
F12
SR0720
F14
SR0960
F12/F16

A
565,5
598
736,8
736,8
769,6

A1 (2,8 Bar)
483,5
506
630,8
630,8
645

B
27
36
36
36
46

C x depth
M10x11,5
M12x20
M12x18
M16x18
M12x23

D x depth
M12x11,5
M20x20
-
-
M20x23

ØE
102
125
125
140
125

ØF
125
165
-
-
165

G
19,5
19,5
19,5
19,5
18,5

ØH
156
169
188
188
211

I
22
24
27
27
32

J
138,5
156,3
179,5
179,5
192

K
115
150
130
130
150

L
178
198
216
216
237,7

M
78,5
93,5
101,5
101,5
114,7

N
99,5
104,5
114,5
114,5
123

O
29,5
38,5
38,5
38,5
48,5

P
116
135
160
160
160

Q
-
-
-
-
-

Q2
-
-
-
-
-

ØR
31,8
36,5
41
41
46

S
30
30
30
30
30

S2
-
-
-
-
-

T
148
168
186
186
207,7

T2
-
-
-
-
-

X
150
150
150
150
150

Y
155
168
187
187
209

Z
525,8
565
685
685
718,4

Z1 (2,8 Bar)
435,8
473
559,4
559,4
593,8

Ch
22
22
24
24
24

Ch1 (2,8 Bar)
24
24
30
30
30

Peso (Kg)
45,5
60
82,5
82,5
112

Peso (2,8 Bar) (Kg)
37,5
51
77
77
96

Aria  (dm3/cycle) (l/cycle)
2,00
2,8
4,20
4,20
5,9

COMPONENTI ATTUATORE PNEUMATICO DOPPIO E SEMPLICE EFFETTO 316 DA BARRA

COMPONENTI ATTUATORE PNEUMATICO DOPPIO E SEMPLICE EFFETTO 316 DA BARRA
PosDenominazioneQ.tyMateriale
1Cilindro1Acciaio inox
2Pistone2Lega di alluminio
3Tappo2Acciaio inox
4Albero1Acciaio inox
5Forcella1Lega di acciaio
6Bussola scorrim/supporto1Resina acetalica
7Anello di supporto superiore1Resina acetalica
8Bussola di scorrimento1Resina acetalica
9Spina elastica est.1Lega di acciaio
10Spina elastica int.1Lega di acciaio
11Bussola acciaio2Lega di acciaio
12Perno Rotative2Lega di acciaio
13*Anello di tenuta2Poliuretano
14*Dischetto supporto4P.T.F.E. carbo-graphite filled
15*O-ring del pistone2Gomma nitrilica
16O-ring albero sup.1FKM
17Anello supporto est1Resina acetalica
18Rondella spessoramento1Acciaio inox
19Seeger1Acciaio inox
20Fascetta di supporto inferiore1P.T.F.E. carbo-graphite filled
21O-ring albero inferiore1FKM
22*O-ring tappo2Gomma nitrilica
23Viti8Acciaio inox
24Grano di regolazione2Acciaio inox
25O-ring regolazione2Gomma nitrilica
26Controdado2Acciaio inox
27Flangia di fissaggio1Acciaio inox
28Viti4Acciaio inox
29*O-ring tappo4Gomma nitrilica
30Cilindro distanziale2Acciaio inox
31Molla2Lega di acciaio
32Contenitore molla2Lega di alluminio
33Viti di precarica molla2Acciaio inox
* Particolari del kit di ricambio

SCHEMA DI FUNZIONAMENTO ATTUATORE PNEUMATICO “SR”

BOX DI SEGNALAZIONE CON FINECORSA

OPERATORE MANUALE DI SBLOCCO

ELETTROVALVOLE NAMUR

ELETTROVALVOLE

POSIZIONATORE ELETTROPNEUMATICO (SICUREZZA INTRINSECA)

POSIZIONATORE PNEUMATICO

FINECORSA DI PROSSIMITA'

FINECORSA ELETTROMECCANICI

FINECORSA PNEUMATICI

FINECORSA ANTIDEFLAGRANTI II2GD ExdIIC

SELEZIONA MISURA
Seleziona i parametri di ricerca
CERCA ARTICOLO
X CHIUDI

PROSSIMO EVENTO

IVS - Industrial Valve Summit 2026
IVS - Industrial Valve Summit 2026
Bergamo, Italia, 19 - 21 maggio 2026