images/testate/Template-Header-Sito-OMALBALLVALVES.jpg

Item 545碳钢球阀

Item 545碳钢球阀
球阀

采用扁平阀体和“L”形球体的3通道螺纹法兰接口碳钢球阀 小通径.

配置 动力
申请详细信息
打印页面
  • 特性
  • 特性
  • 物料
  • 图表和起动扭矩
  • 规格

常规参数:
阀门仅作为导流器使用。由于流体源自中央通道,因此不得关闭入口通道;具体参见图表。
• 法兰接口标准:EN 1092-1 PN40至DN50;PN16 DN65,80,100.
• 使用温度:-10℃~+150℃(搭配特殊材质密封件时可达+200℃)。
• 使用压力:参见图表。
• 截止流体:水、石油和石化流体产品。
• 小通径。

选装特殊配置:

•  A 350 LF2型阀体可在-20℃环境下运行
• 密封件材质:

  • 玻璃填料PTFE;
  • 碳石墨填料PTFE;
  • “T”形球体仅允许3号通道流入。
• 有关其他应用领域,请联络我司的技术部门。

认证:
• 符合欧盟《2014/34/UE》ATEX防爆条例
• 可选装ATEX认证型号

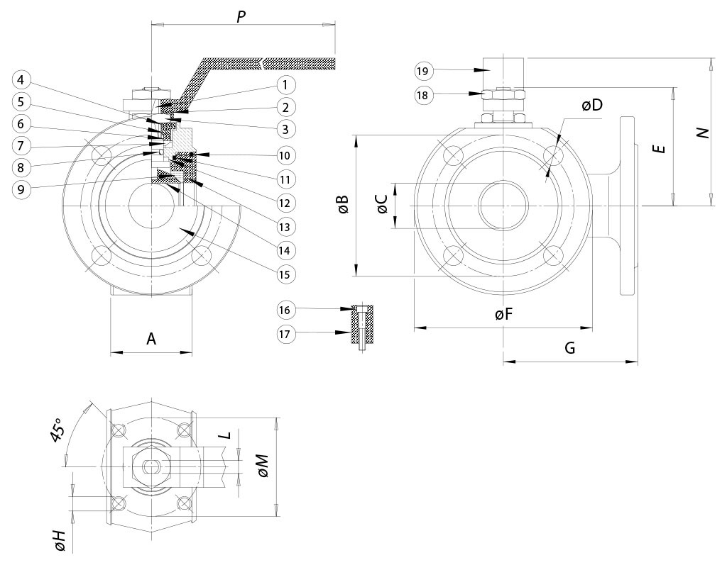
尺寸规格
尺寸
AøBøCøDEøFGøHLøMNP
DN [mm][inch]
DN 151/2"356510M12X4489085M563665140
DN 203/4"387515M12X45110090M563670140
DN 251"438520M12X462,511090M584282180
DN 321" 1/45410025M16X467130105M584285180
DN 401" 1/26611032M16X480140120M61050102230
DN 502"8312540M16X487150130M61050110230
DN 652" 1/210314550M16X4119,5175150M81470137,5350
DN 803"12216065M16X8129,5190175M81470150350
DN 1004"15318078M16X8148,5220185M1016102165508

材质
1
阀杆
316 不锈钢
1.4401
UNI X5CrNiMo 17 12
2
螺母锁止片
 304 不锈钢
1.4301
UNI X5CrNi 18 10
3
锁止螺母碳钢


4
碟型弹簧
50Crv4


5
定距片304 不锈钢
1.4301
UNI X5CrNi 18 10
6*
密封顶环 304 不锈钢
1.4301
UNI X5CrNi 18 10
7*
上密封件
P.T.F.E.


8*
中部O形密封圈
FKM


9*
侧密封件
P.T.F.E.


10*
O形密封圈
FKM


11*
环型螺母密封件
P.T.F.E.


12*
下密封件
P.T.F.E.


13
环型螺母
A105


14
DN15-DN50 球体
316 不锈钢
1.4401
UNI X5CrNiMo 17 12
14
DN65-DN100 球体
 304 不锈钢
1.4301
UNI X5CrNi 18 10
15
阀体
A105


16
限位螺栓
碳钢


17
限位杆
304 不锈钢
1.4301
UNI X5CrNi 18 10
18
止动杆螺母
碳钢


19
操纵手柄
碳钢


* KGBV63备件套装的组件...

压力/温度图表

起动扭矩(Nm) 
尺寸   
DN 15
1/2"
DN 20
3/4"
DN 25
1"
DN 32 1"1/4
DN 40 1"1/2
DN 50
2"
DN 65 2"1/2
DN 80
3"
DN 100
4"

PN 16 bar






85
128
212
PN 40 bar
8
13
20
30
42
61




扭矩值可能因温度和流体类型的影响而出现变化。纳入考虑的安全因子为1.4。
在频繁开闭的循环条件下,操纵扭矩可能会略低于初始扭矩。后文中列示的执行器/阀门装配以平均温度下截止洁净的液体或气体时为准。欲了解详情或其他应用方式,请联络我司的销售部门。

“L”形球体示意图

注意:
执行器SR常闭时,球体的待命位置必须为“A”。
执行器SR常开时,球体的待命位置必须为“B”。

从上面看

“T”形球体(选装)示意图 

搭配执行器使用时,仅存在两个旋转90°的方位:有关球体配置,敬请联络我司的销售部门。

注意:
执行器SR常闭时即可选择球体的待命位置;流体供应时,应逆时针旋转执行器。
执行器SR常开时即可选择球体的待命位置;流体供应时,需顺时针旋转执行器。

从上面看

配置 驾驶
选择搜索参数
搜索文章
X 关闭

下一新闻

IVS - Industrial Valve Summit 2026
IVS - Industrial Valve Summit 2026
Bergamo, Italy, 19 - 21 may 2026