images/testate/Template-Header-Sito-OMALBALLVALVES.jpg

Válvula de bola de acero al carbono Item 545

Válvula de bola de acero al carbono Item 545

Válvula de bola de acero al carbono 3 vías reforzada de cuerpo plano bola en "L" paso reducido.

CONFIGURA Accionamiento
SOLICITA INFORMACIÓN
IMPRIME PÁGINA
  • características
  • dimensiones
  • materiales
  • diagramas y pares de aceleración
  • especificaciones

CARACTERÍSTICAS GENERALES:
• La válvula funciona solo como un desviador. No permite ningún cierre de la entrega que solo puede tener lugar desde la dirección central; Ver diagrama.
• Normas para bridas de conexión: EN 1092-1 PN40 HASTA DN50; PN16 DN65,80,100.
• Temperatura de uso: desde -10°C a +150°C (+200°C con juntas especiales).
• Presión de uso: ver diagrama.
• Fluido interceptado: agua, productos petrolíferos y petroquímicos líquidos.
• Paso reducido.

EJECUCIONES ESPECIALES BAJO PEDIDO:

• Cuerpo en A350 LF2 para -20°C
• Junta de sellado en:

  • PTFE cargado vidrio; 
  • PTFE cargado carbografito;
 • Bola en “T” con entrada solo en la puerta 3.
• Para otras aplicaciones contactar con nuestro departamento técnico.

CERTIFICACIONES:
• Versión ATEX cumple con la Directiva Europea 2014/34/UE
• Certificado ATEX bajo pedido

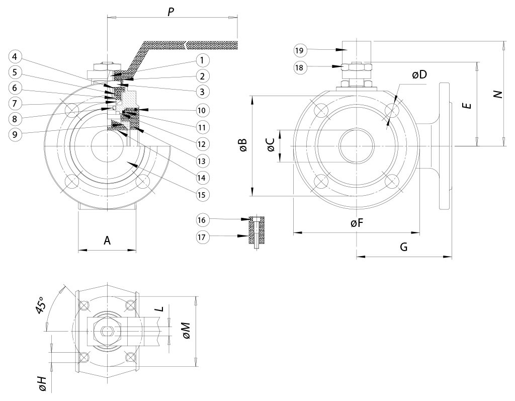
DIMENSIONES
MEDIDA
AøBøCøDEøFGøHLøMNP
DN [mm][pulgadas]
DN 151/2"356510M12X4489085M563665140
DN 203/4"387515M12X45110090M563670140
DN 251"438520M12X462,511090M584282180
DN 321" 1/45410025M16X467130105M584285180
DN 401" 1/26611032M16X480140120M61050102230
DN 502"8312540M16X487150130M61050110230
DN 652" 1/210314550M16X4119,5175150M81470137,5350
DN 803"12216065M16X8129,5190175M81470150350
DN 1004"15318078M16X8148,5220185M1016102165508

MATERIALES    
1
Vástago
316 S.S.
1.4401
UNI X5CrNiMo 17 12
2
Placa bloquea tuerca
 304 S.S.
1.4301
UNI X5CrNi 18 10
3
Tuerca de bloqueo
Acero al carbono


4
Arandelas Belevilles
50Crv4


5
Distanciador
304 S.S.
1.4301
UNI X5CrNi 18 10
6*
Anillo prensajuntas
 304 S.S.
1.4301
UNI X5CrNi 18 10
7*
Par de sellado superior
P.T.F.E.


8*
Junta tórica de sellado intermedia
FKM


9*
Juntas de sellado lateral
P.T.F.E.


10*
Junta tórica sellado abrazadera
FKM


11*
Juntas de sellado abrazadera  
P.T.F.E.


12*
Junta inferior
P.T.F.E.


13
Abrazadera
A105


14
Sfera DN15-DN50
316 S.S.
1.4401
UNI X5CrNiMo 17 12
14
Sfera DN65-DN100
 304 S.S.
1.4301
UNI X5CrNi 18 10
15
Cuerpo
A105


16
Tornillo para retención de posición
Acero al carbono


17
Retención de posición
304 S.S.
1.4301
UNI X5CrNi 18 10
18
Tuerca de bloqueo de la palanca
Acero al carbono


19
Palanca de maniobra
Acero al carbono


* Detalles del kit de repuesto KGBV63...

DIAGRAMA PRESIÓN/TEMPERATURA

PARES DE ACELERACIÓN en Nm 
MEDIDA  
DN 15
1/2"
DN 20
3/4"
DN 25
1"
DN 32 1"1/4
DN 40 1"1/2
DN 50
2"
DN 65 2"1/2
DN 80
3"
DN 100
4"

PN 16 bar






85
128
212
PN 40 bar
8
13
20
30
42
61




Los valores del par pueden variar según la temperatura y el tipo de fluido. Tener en cuenta un factor de seguridad igual a 1.4.
Con frecuentes ciclos de apertura y cierre, el par de maniobra puede disminuir sensiblemente con respecto al inicial. Los acoplamientos actuador/válvula, mostrados en las siguientes páginas, se realizan para válvulas que interceptan fluidos líquidos o gaseosos, limpios y para temperaturas medias. Para más información, o usos diferentes, consultar nuestro departamento comercial.

Esquema bola en "L"

N.B.:
Con actuador SR NORMALMENTE CERRADO la posición de reposo de la bola debe ser la “A”.
Con actuador SR NORMALMENTE ABIERTO la posición de reposo de la bola debe ser la “B”.

Vista desde arriba

Esquema bola en "T" (bajo pedido)  

Con el actuador son posibles solo dos posiciones con rotación de 90°: la configuración de la bola siempre debe comunicarse a nuestro departamento comercial.

N.B.:
Con el actuador SR NORMALMENTE CERRADO elegir la posición de reposo de la bola; alimentando, el actuador gira en sentido contrario a las agujas del reloj.
Con el actuador SR NORMALMENTE ABIERTO elegir la posición de reposo de la bola; alimentando, el actuador gira en sentido de las agujas del reloj.

Vista desde arriba

CONFIGURA CONDUCIR
Selecciona los parámetros de búsqueda
BUSCA ARTÍCULO
X CERRAR

SIGUIENTE EVENTO

IVS - Industrial Valve Summit 2026
IVS - Industrial Valve Summit 2026
Bergamo, Italy, 19 - 21 may 2026