images/testate/Template-Header-Sito-OMALBALLVALVES.jpg

Valvola a sfera in acciaio carbonio Item 545

Valvola a sfera in acciaio carbonio Item 545

Valvola a sfera in acciaio al carbonio 3 vie flangiata a corpo piatto sfera a “L”, passaggio ridotto.

CONFIGURA Azionamento
RICHIEDI INFORMAZIONI
STAMPA PAGINA
  • caratteristiche
  • dimensioni
  • materiali
  • diagrammi e coppie di spunto
  • specifiche

CARATTERISTICHE GENERALI:
• La valvola funziona solo come deviatore. Non permette nessuna chiusura della mandata che può avvenire solo dalla via centrale; vedi schema.
• Norme per flange d’attacco: EN 1092-1 PN40 FINO A DN50; PN16 DN65,80,100.
• Temperatura di utilizzo: da -10°C a +150°C (+200°C con guarnizioni speciali).
• Pressione di utilizzo: vedi diagramma.
• Fluido intercettato: acqua, prodotti petroliferi e petrolchimici liquidi.
• Passaggio ridotto.

ESECUZIONI SPECIALI A RICHIESTA:
• Corpo in A350 LF2 per -20°C
• Guarnizioni di tenuta in:

  • PTFE caricato vetro; 
  • PTFE caricato carbografite;
• Sfera a “T” con ingresso solo su porta 3.
• Per altre applicazioni contattare il nostro ufficio tecnico.

CERTIFICAZIONI:
• 
Versione ATEX in conformità alla Direttiva Europea 2014/34/UE
• Certificato ATEX a richiesta

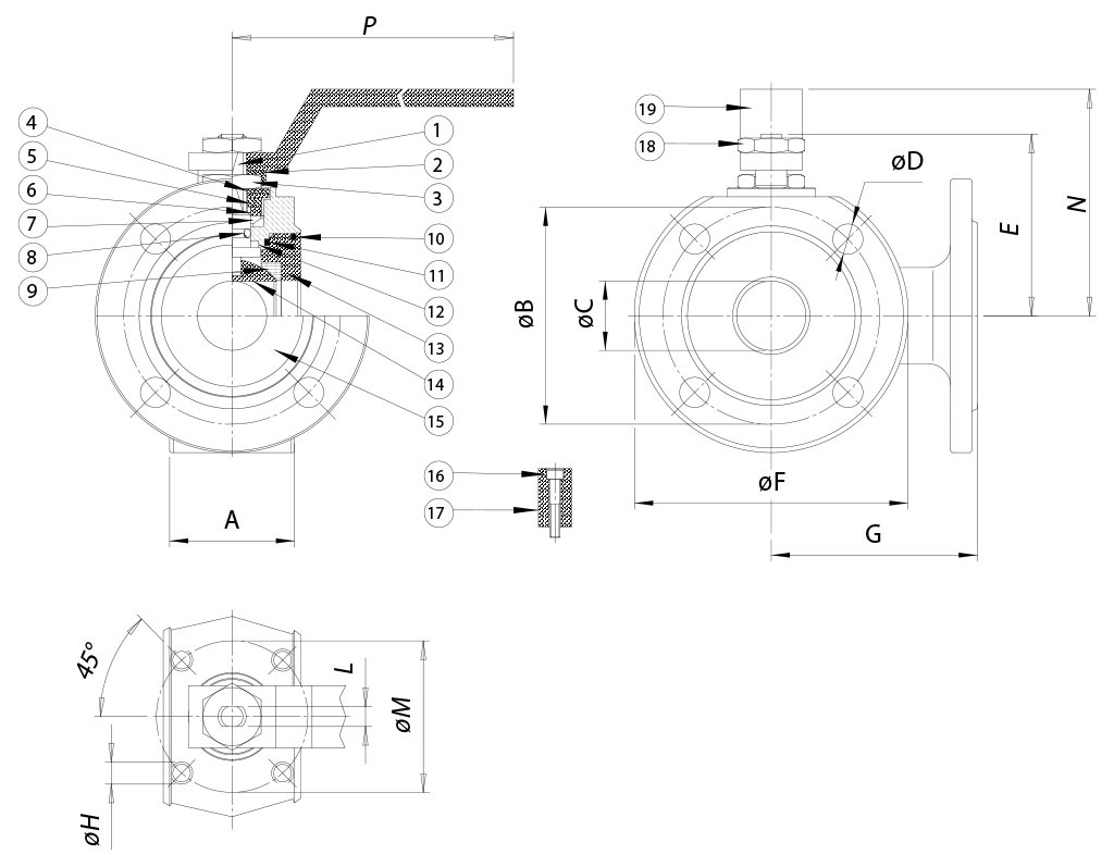
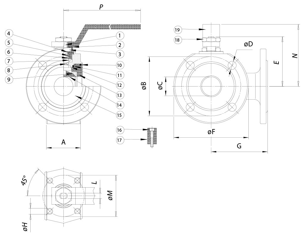
DIMENSIONI 
MISURAAøBøCøDEøFGøHLøMNP
DN [mm][inch]
DN 151/2"356510M12X4489085M563665140
DN 203/4"387515M12X45110090M563670140
DN 251"438520M12X462,511090M584282180
DN 321" 1/45410025M16X467130105M584285180
DN 401" 1/26611032M16X480140120M61050102230
DN 502"8312540M16X487150130M61050110230
DN 652" 1/210314550M16X4119,5175150M81470137,5350
DN 803"12216065M16X8129,5190175M81470150350
DN 1004"15318078M16X8148,5220185M1016102165508

MATERIALI    
1
Stelo  
316 S.S.
1.4401
UNI X5CrNiMo 17 12
2
Piastra bloccadado  
304 S.S.
1.4301
UNI X5CrNi 18 10
3
Dado di bloccaggio
Acciaio carbonio  


4
Molla a tazza
50Crv4


5
Distanziale  
304 S.S.
1.4301
UNI X5CrNi 18 10
6*
Anello premiguarnizione
304 S.S.
1.4301
UNI X5CrNi 18 10
7*
Coppia di tenuta superiore  
P.T.F.E.


8*
O-ring di tenuta intermedia
FKM


9*
Guarnizioni di tenuta laterale
P.T.F.E.


10*
O-ring tenuta ghiera
FKM


11*
Guarnizioni di tenuta ghiera  
P.T.F.E.


12*
Tenuta inferiore
P.T.F.E.


13
Ghiera
A105


14
Sfera DN15-DN50
316 S.S.
1.4401
UNI X5CrNiMo 17 12
14
Sfera DN65-DN100
304 S.S.
1.4301
UNI X5CrNi 18 10
15
Corpo  
A105


16
Vite per fermo posizione  
Acciaio carbonio  


17
Fermo di posizione
304 S.S.
1.4301
UNI X5CrNi 18 10
18
Dado blocca leva
Acciaio carbonio


19
Leva di manovra
Acciaio carbonio


* Particolari del kit di ricambio  KGBV63...

Diagramma pressione/temperatura

COPPIE DI SPUNTO in Nm  
MISURA  
DN 15
1/2"
DN 20
3/4"
DN 25
1"
DN 32 1"1/4
DN 40 1"1/2
DN 50
2"
DN 65 2"1/2
DN 80
3"
DN 100
4"

PN 16 bar






85
128
212
PN 40 bar
8
13
20
30
42
61




I valori della coppia possono variare in funzione della temperatura e del tipo di fluido. Considerare un fattore di sicurezza pari a 1,4.
Con frequenti cicli di apertura e chiusura la coppia di manovra può diminuire sensibilmente rispetto a quella iniziale. Gli accoppiamenti attuatore/valvola, riportati nelle pagine seguenti, sono realizzati per valvole che intercettano fluidi liquidi o gassosi, puliti e per medie temperature. Per maggiori informazioni, o utilizzi diversi, consultare il nostro ufficio commerciale.

Schema sfera a "L"

N.B.:
Con attuatore SR NORMALMENTE CHIUSO la posizione di riposo della sfera deve essere la “A”.
Con attuatore SR NORMALMENTE APERTO la posizione di riposo della sfera deve essere la “B”.

Schema sfera a L

Schema sfera a "T" (a richiesta)

Con l’attuatore sono possibili solo due posizioni con rotazione di 90°: la configurazione della sfera deve essere sempre comunicata al nostro ufficio commerciale.

N.B.:
Con attuatore SR NORMALMENTE CHIUSO scegliere la posizione di riposo della sfera; alimentando, l’attuatore ruota in senso antiorario.
Con attuatore SR NORMALMENTE APERTO scegliere la posizione di riposo della sfera; alimentando, l’attuatore ruota in senso orario.

Schema sfera a T (a richiesta)

CONFIGURA AZIONAMENTO
Seleziona i parametri di ricerca
CERCA ARTICOLO
X CHIUDI

PROSSIMO EVENTO

IVS - Industrial Valve Summit 2026
IVS - Industrial Valve Summit 2026
Bergamo, Italia, 19 - 21 maggio 2026