images/testate/header-valvole-farfalla.jpg

Item 270-474蝶阀

Item 270-474蝶阀
蝶形阀

可装配“Wafer”型法兰的“金属-金属”蝶阀

ITEM 270

阀体:铸铁
蝶板:铸铁*
ITEM 474

阀体:CF8M
蝶板:CF8M

配置 动力
申请详细信息
打印页面
  • 特性
  • 特性
  • 物料

标准配置:
- 270系列阀门:阀体和蝶板均为铸铁。*
- 474系列阀门:阀体和蝶板均为CF8M材质。

- 尺寸范畴:DN40至DN200 (other sizes on request) PN10 - PN16 - ANSI 150
- 标准法兰接埠:PN10 - PN16 - ANSI 150
• ISO 5752标准化面到面尺寸
- ISO 5211标准阀门端头
- 配备金属-金属密封件的阀门经过专门设计,用于截止燃烧废气、工业锅炉烟雾,适用于作业温度介于from -10°C to +180°C cast iron type; from -50°C to +180°C CF8M type;
- 使用压力:PN 16 bar:DN40~DN200
- 本型阀门密封件的密封损失约为1.5-2%以内。

*CF8M适用于DN100(含)以内的阀门

选装配置:

- DN40至DN600: cast iron -10°C/+350°C, CF8M -50°C/+600°C.
- 相关详情请咨询我司技术部门。

认证:

选装ATEX防爆(2014/34/UE)配置请在下订单时咨询。

搭配双效气动执行器
DN [mm]
[inch]
产品代码执行器
装配套件
L [mm]
H [mm]
A [mm]
Kg
DN 40
1" 1/2
DG*XM68
DAN0015411S
KCNADDD5438
159,0
272,2
33
4,2
DN 50
2"
DG*XM69
DAN0015411S
KCNADDD5438
159,0
288,2
43
5,7
DN 65
2" 1/2
DG*XM70
DAN0015411S
KCNADDD5439
159,0
293,2
46
6,7
DN 80
3"
DG*XM71
DAN0030411S
KCNCDDD5440
174,2
308,2
46
7,7
DN 100
4"
DG*XM72
DAN0030411S
KCNCDDD5440
174,2
326,2
52
9,2
DN 125
5"
DG*XM73
DAN0030411S
KCNCDDD5442
174,2
345,2
56
10,8
DN 150
6"
DG*XM74
DAN0030411S
KCNCDDD5442
174,2
354,2
56
11,8
DN 200
8"
DG*XM75
DAN0060412S
KCNDDDD5444
198,0
405,4
60
18,7

搭配双效气动执行器
DN [mm]
[inch]
产品代码
执行器
装配套件
L [mm]H [mm]A [mm]Kg
DN 40
1" 1/2
SG*XM68SRN0015401SKCNADDD5438233,2279,2334,7
DN 50
2"
SG*XM69SRN0015401SKCNADDD5438233,2295,2436,2
DN 65
2" 1/2
SG*XM70SRN0015401SKCNADDD5439233,2300,2467,2
DN 80
3"
SG*XM71SRN0030402SKCNCDDD5441258,8319,4468,6
DN 100
4"
SG*XM72SRN0030402SKCNCDDD5441258,8337,45210,1
DN 125
5"
SG*XM73SRN0030402SKCNCDDD5443258,8356,45611,7
DN 150
6"
SG*XM74SRN0030402SKCNCDDD5443258,8365,45612,7
DN 200
8"
SG*XM75SRN0060401SKCNDDDD5445338,5422,06020,4

* = 270 铸铁阀门 * = 474 CF8M阀门
确定气动执行器的尺寸时考虑的最低供应压力为5.6 Barg。

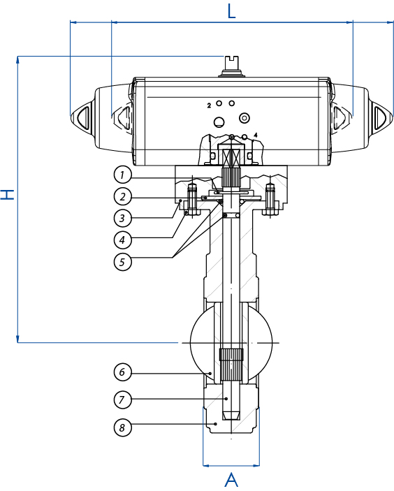
ITEM 270-474 材质
1) 安全弹性环
镀镍钢
2) 垫圈
镀镍钢
3) 适配器
涂漆铝
4)螺栓镀镍钢
5) O 形圈
FKM
6) 蝶板
球墨铸件 GGG50 - CF8M
7) 控制轴
420 不锈钢 - 303 不锈钢
8) 阀体
球墨铸件 GGG50 - CF8M

配置 驾驶
选择搜索参数
搜索文章
X 关闭

下一新闻

Asia Water 2026
Asia Water 2026
Kuala Lumpur, 7-9 April 2026