images/testate/header-valvole-farfalla.jpg

Valvola a farfalla Item 270-474

Valvola a farfalla Item 270-474

Valvola a farfalla “metallo-metallo” per montaggio tra flange tipo “Wafer”

ITEM 270
Corpo: Ghisa
Lente: Ghisa*
ITEM 474
Corpo: CF8M
Lente: CF8M

CONFIGURA Azionamento
RICHIEDI INFORMAZIONI
STAMPA PAGINA
  • caratteristiche
  • dimensioni
  • materiali

ESECUZIONI STANDARD:
- Valvola serie 270: corpo e lente in ghisa.*
- Valvola serie 474: corpo e lente in CF8M.

- Gamma disponibile: dal DN 40 al DN 200 (altre misure a richiesta) PN10 - PN16 - ANSI 150
- Flangiatura standard: PN10 - PN16 - ANSI 150
- Ingombri da faccia a faccia normalizzati ISO 5752.
- Testa della valvola normalizzata ISO 5211.
- La valvola con tenuta metallo-metallo é stata studiata per l'intercettazione di gas di scarico, fumi di forni industriali, in impianti di cogenerazione: da -10°C a +180°C versione ghisa; da -50°C a +180°C versione CF8M;
- Pressione di utilizzo: PN 16 bar per DN 40÷200
- La tenuta di questa valvola contiene le perdite entro un valore stimato di 1,5-2%.

*CF8M per le valvole fino al DN100 Compreso.

ESECUZIONI A RICHIESTA:
- Versioni dal DN 40 al DN 600: ghisa -10°C/+350°C, CF8M -50°C/+600°C.
- Per ulteriori informazioni contattare il nostro ufficio tecnico.

CERTIFICAZIONI:
Configurazione ATEX 2014/34/UE da richiedere in fase d'ordine.

Con attuatore pneumatico doppio effetto
DN [mm]
[inch]
ArticoloAttuatoreKIT montaggio
L [mm]
H [mm]
A [mm]
Kg
DN 40
1" 1/2
DG*XM68
DAN0015411S
KCNADDD5438
159,0
272,2
33
4,2
DN 50
2"
DG*XM69
DAN0015411S
KCNADDD5438
159,0
288,2
43
5,7
DN 65
2" 1/2
DG*XM70
DAN0015411S
KCNADDD5439
159,0
293,2
46
6,7
DN 80
3"
DG*XM71
DAN0030411S
KCNCDDD5440
174,2
308,2
46
7,7
DN 100
4"
DG*XM72
DAN0030411S
KCNCDDD5440
174,2
326,2
52
9,2
DN 125
5"
DG*XM73
DAN0030411S
KCNCDDD5442
174,2
345,2
56
10,8
DN 150
6"
DG*XM74
DAN0030411S
KCNCDDD5442
174,2
354,2
56
11,8
DN 200
8"
DG*XM75
DAN0060412S
KCNDDDD5444
198,0
405,4
60
18,7

Con attuatore pneumatico semplice effetto
DN [mm]
[inch]
Articolo
Attuatore
KIT montaggio
L [mm]H [mm]A [mm]Kg
DN 40
1" 1/2
SG*XM68SRN0015401SKCNADDD5438233,2279,2334,7
DN 50
2"
SG*XM69SRN0015401SKCNADDD5438233,2295,2436,2
DN 65
2" 1/2
SG*XM70SRN0015401SKCNADDD5439233,2300,2467,2
DN 80
3"
SG*XM71SRN0030402SKCNCDDD5441258,8319,4468,6
DN 100
4"
SG*XM72SRN0030402SKCNCDDD5441258,8337,45210,1
DN 125
5"
SG*XM73SRN0030402SKCNCDDD5443258,8356,45611,7
DN 150
6"
SG*XM74SRN0030402SKCNCDDD5443258,8365,45612,7
DN 200
8"
SG*XM75SRN0060401SKCNDDDD5445338,5422,06020,4

* = 270 Valvola in ghisa     * = 474 Valvola CF8M
Dimensionamento degli attuatori pneumatici fatto considerando una pressione minima di alimentazione pari a 5,6 barg.

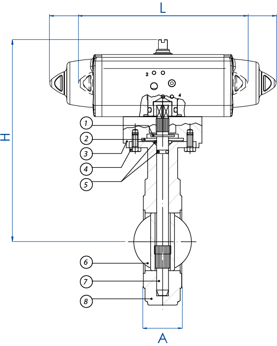
ITEM 270-474 MATERIALI
1) Anello elastico di sicurezza
Acciaio nichelato
2) Rosetta premi O-Ring
Acciaio nichelato
3) Adattatore
Alluminio verniciato
4) Viti
Acciaio nichelato
5) O-ring
FKM
6) Lente
Ghisa sferoidale GGG50 - CF8M
7) Albero di comando
420 S.S. - 303 S.S.
8) Corpo
Ghisa sferoidale GGG50 - CF8M

CONFIGURA AZIONAMENTO
Seleziona i parametri di ricerca
CERCA ARTICOLO
X CHIUDI

PROSSIMO EVENTO

IVS - Industrial Valve Summit 2026
IVS - Industrial Valve Summit 2026
Bergamo, Italia, 19 - 21 maggio 2026