images/testate/header-valvole-farfalla.jpg

Vanne à papillon Item 270-474

Vanne à papillon Item 270-474

Vanne à papillon « métal-métal » pour montage entre brides de type à oreilles de centrage

ITEM 270 
Corps: Fonte
Papillon: Fonte*
ITEM 474
Corps: CF8M
Papillon: CF8M

CONFIGURER Actionnement
DEMANDE D'INFORMATIONS
IMPRIMER PAGE
  • caractéristiques
  • dimensions
  • matériaux

RÉALISATIONS STANDARD:
- Vanne série 270: corps et papillon en fonte.*
- Vanne série 474: corps et papillon en CF8M.

- Gamme disponible: du DN 40 au DN 200 (other sizes on request) PN10 - PN16 -  ANSI 150.
- Raccordement à brides standard: PN10 - PN16 - ANSI 150
- Encombrements face à face normalisés ISO 5752.
- Tête de vanne normalisée ISO 5211.
- La vanne avec joint métal/métal est conçue pour l’arrêt des gaz d'échappement, des fumées de fours industriels, dans les centrales de cogénération: from -10°C to +180°C cast iron type; from -50°C to +180°C CF8M type;
- Pression d’utilisation: PN 16 bar pour DN 40÷200
- L’étanchéité de cette vanne limite les fuites à 1,5-2 %.

*CF8M pour les vannes jusqu'à DN100 inclus

RÉALISATIONS SUR DEMANDE:
- Versions du DN 40 au DN 600: cast iron -10°C/+350°C, CF8M -50°C/+600°C.
- Pour plus d'informations, veuillez vous adresser à notre bureau technique.

CERTIFICATIONS:
Configuration ATEX 2014/34/UE à demander lors de la commande.

Avec actionneur pneumatique à double effet
DN [mm]
[pouces]
ArticleActionneurKIT montage
L [mm]
H [mm]
A [mm]
Kg
DN 40
1" 1/2
DG*XM68
DAN0015411S
KCNADDD5438
159,0
272,2
33
4,2
DN 50
2"
DG*XM69
DAN0015411S
KCNADDD5438
159,0
288,2
43
5,7
DN 65
2" 1/2
DG*XM70
DAN0015411S
KCNADDD5439
159,0
293,2
46
6,7
DN 80
3"
DG*XM71
DAN0030411S
KCNCDDD5440
174,2
308,2
46
7,7
DN 100
4"
DG*XM72
DAN0030411S
KCNCDDD5440
174,2
326,2
52
9,2
DN 125
5"
DG*XM73
DAN0030411S
KCNCDDD5442
174,2
345,2
56
10,8
DN 150
6"
DG*XM74
DAN0030411S
KCNCDDD5442
174,2
354,2
56
11,8
DN 200
8"
DG*XM75
DAN0060412S
KCNDDDD5444
198,0
405,4
60
18,7

Avec actionneur pneumatique à simple effet
DN [mm]
[pouces]
Article
Actionneur
KIT montage
L [mm]H [mm]A [mm]Kg
DN 40
1" 1/2
SG*XM68SRN0015401SKCNADDD5438233,2279,2334,7
DN 50
2"
SG*XM69SRN0015401SKCNADDD5438233,2295,2436,2
DN 65
2" 1/2
SG*XM70SRN0015401SKCNADDD5439233,2300,2467,2
DN 80
3"
SG*XM71SRN0030402SKCNCDDD5441258,8319,4468,6
DN 100
4"
SG*XM72SRN0030402SKCNCDDD5441258,8337,45210,1
DN 125
5"
SG*XM73SRN0030402SKCNCDDD5443258,8356,45611,7
DN 150
6"
SG*XM74SRN0030402SKCNCDDD5443258,8365,45612,7
DN 200
8"
SG*XM75SRN0060401SKCNDDDD5445338,5422,06020,4

* = 270 Vanne en fonte     * = 474 Vanne CF8M
Dimensionnement des actionneurs pneumatiques établi en tenant compte d’une pression d’alimentation minimale de 5,6 barg.

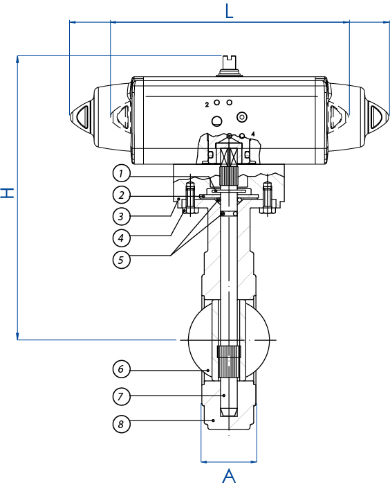
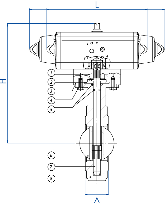
ARTICLE 270-474 MATÉRIAUX
1) Bague élastique de sécurité
Acier nickelé
2) Rondelle pour presser le joint torique
Acier nickelé
3) Adaptateur
Aluminium peint
4) Vis
Acier nickelé
5) Joint torique
FKM
6) Papillon
Fonte ductile GGG50 - CF8M
7) Arbre de commande
420 S.S. - 303 S.S.
8) Corps
Fonte ductile GGG50 - CF8M

CONFIGURER ACTIONNEMENT
Sélectionnez les paramètres de recherche
RECHERCHER UN ARTICLE
X FERMER

PROCHAIN ÉVÈNEMENT

IVS - Industrial Valve Summit 2026
IVS - Industrial Valve Summit 2026
Bergamo, Italy, 19 - 21 may 2026