images/testate/1600x499accattuatori.jpg

KPFH Posicionador Smart HART 4-20 mA

Execução ATEX
STANDARD
Spoll ValveSTANDARD
Versão de Efeito duplo
SIM
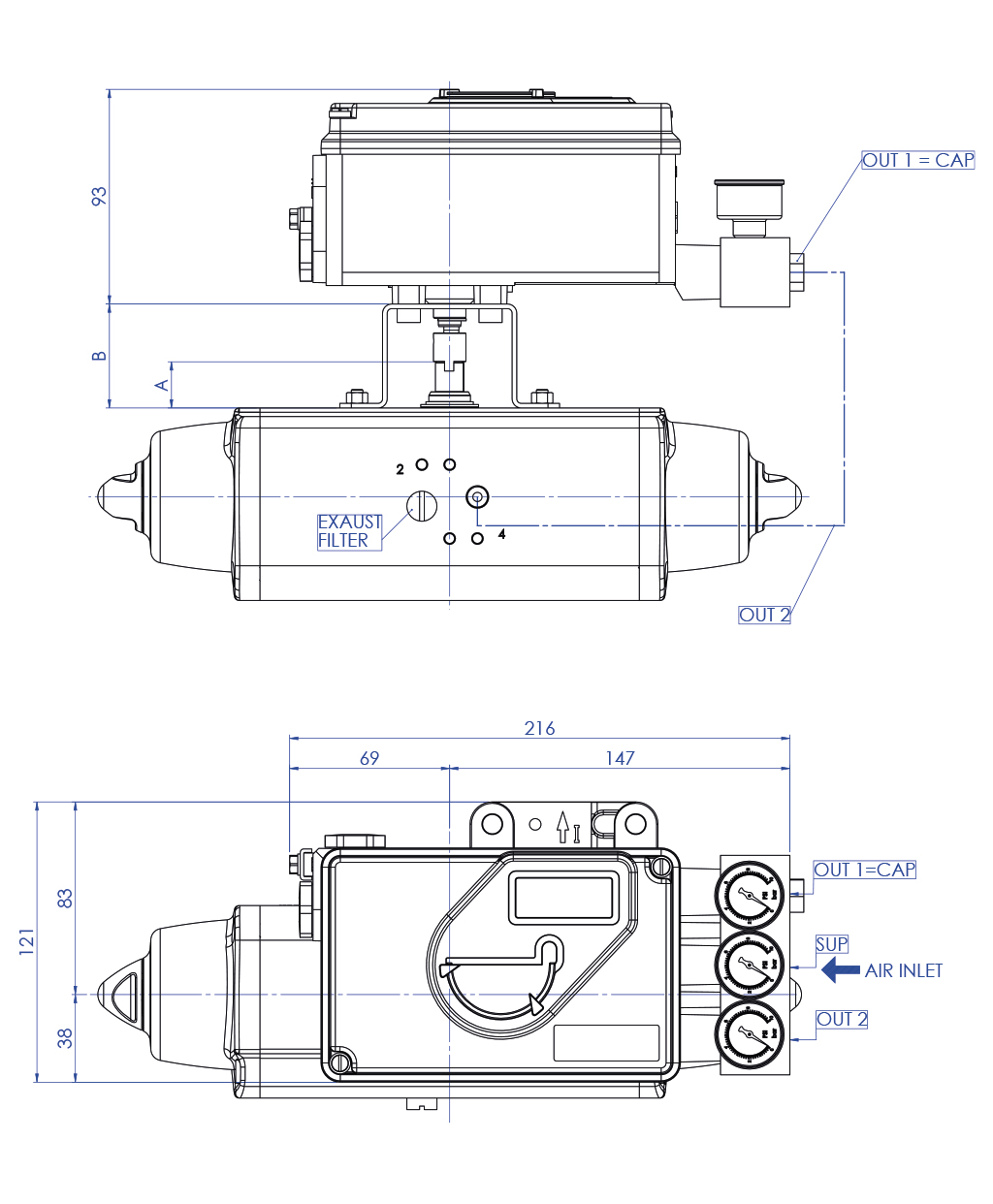
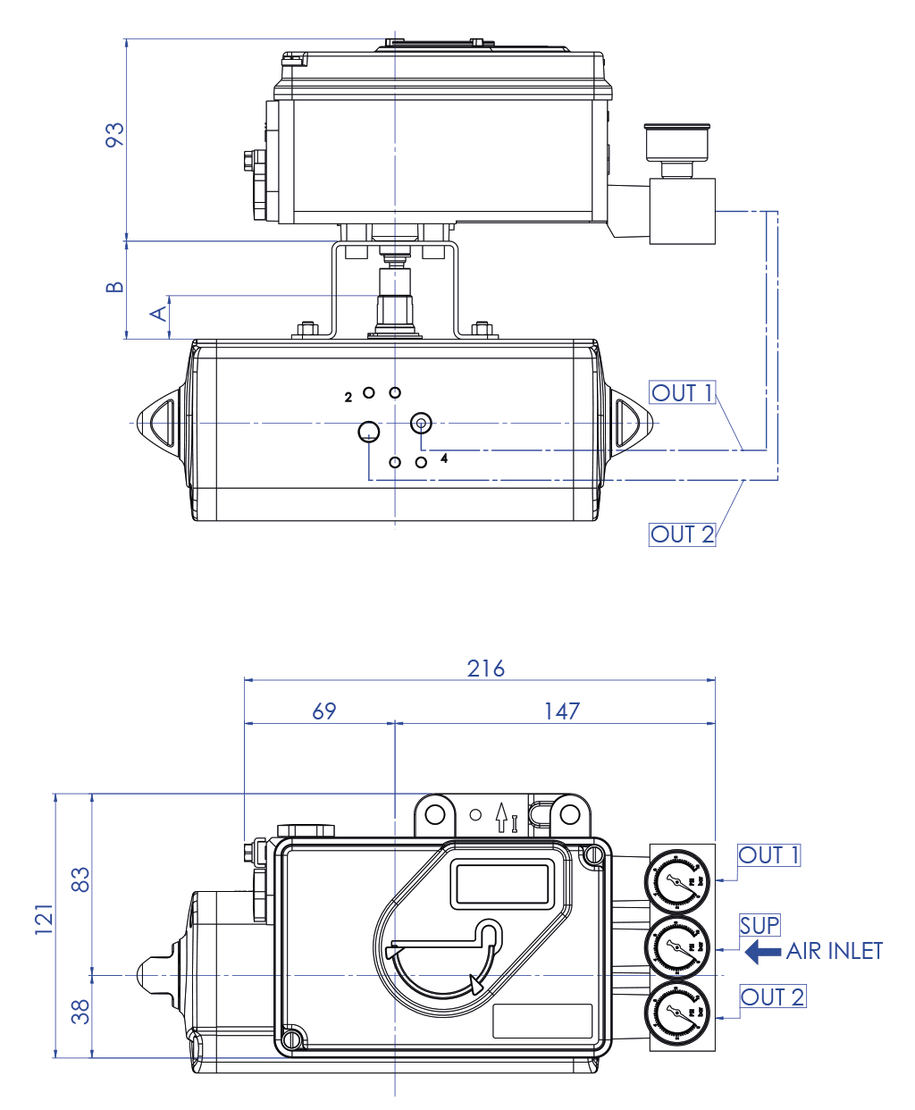
Manifold completo com manômetros
SIM
Caixa de Alumínio Pintada com Epóxi
STANDARD
Caixa em AÇO INOX
OPÇÃO
Comunicação Smart Hart
SIM

O POSICIONADOR É VENDIDO JÁ CALIBRADO SE COMPRADO EM UMA MONTAGEM COM ATUADOR PNEUMÁTICO DA OMAL S.P.A.; AO CONTRÁRIO, SE VENDIDO INDIVIDUALMENTE, A RESPONSABILIDADE PELA CALIBRAGEM É DO CLIENTE. A OMAL S.P.A. NÃO É RESPONSÁVEL PELO SET-UP.

CARACTERÍSTICAS PRINCIPAIS
- Posicionador Inteligente SRD991 projetado para o controle de atuadores pneumáticos. Configuração simples graças à função Autostart Comunicazione HART. Em opção PROFIBUS-PA / FOUNDATION Fieldbus H1 de acordo com a norma FISCO / FoxCom. Na versão com feedback, o instrumento é equipado com retransmissão da posição para o monitoramento contínuo da válvula (4–20 mA).
- Caixa de Alumínio pintada com Eesina Epóxi
- Temperatura de operação: -40°C a 80°C
- VERSÃO: Efeito Simples/Duplo
- INPUT / COMUNICAÇÃO: 4-20 mA, e protocolo HART
- INPUTS/OUTPUTS ADICIONAIS: Não
- INTERRUPTORES DE LIMITE INTERNOS: Não
- CONEXÃO ELÉTRICA: M20x1.5, completo com Prensa-Cabo
- EXECUÇÃO ELÉTRICA: ATEX, II 2 G EEx ia/ib IIB/IIC T4/T6
- Grau de proteção ambiental: IP65 (IP66 a pedido)

ACESSÓRIOS INCLUÍDOS
- Amplificador pneumático tipo "Spool Valve"
- Manifold completo com manômetros, com conexão ao processo 1/4-18 NPT.
- Kit de montagem para atuador rotativo, de acordo com VDI/VDE 3845.
- Display LCD com menu de configuração em 3 idiomas: Inglês, alemão, italiano (outros a pedido)

OPÇÕES A PEDIDO
- Transmissão Posição da válvula 4-20 mA Intrinsecamente Segura
- N°2 Limit Switches NAMUR / PNP microinterruptores Intrinsecamente Seguros
- Caixa em aço Inoxidável 316
- Caixa E manômetros em aço inoxidável 316

CERTIFICAÇÕES
- A pedido.

FOXBORO ECKART-SRD991

NOTAS
Os posicionadores pneumáticos e eletropneumáticos são fornecidos a pedido ajustados e montados com tubos em alumínio revestido e acoplamentos rápidos.

Para mais informações, consultar o manual de uso e manutenção.

Posicionador com atuador Efeito Duplo

Posicionador com atuador Efeito Simples

Para as medidas A e B ver pág. 19.

PESQUISAR CóDIGO 
X FECHAR

PRÓXIMO EVENTO

IVS - Industrial Valve Summit 2026
IVS - Industrial Valve Summit 2026
Bergamo, Italy, 19 - 21 may 2026