images/testate/1600x499accattuatori.jpg

KPFH Posicionador Inteligente HART 4-20mA

Ejecución ATEX
ESTÁNDAR
Válvula de carrete
ESTÁNDAR
Versión doble efecto
SI
Colector con manómetros
SI
Funda de aluminio barnizada epoxídica
ESTÁNDAR
Funda INOX
OPCIÓN
Comunicación Smart Hart
SI

EL POSICIONADOR SE VENDE YA CALIBRADO SI SE COMPRA CON EL ACTUADOR NEUMÁTICO DE OMAL S.P.A.; POR EL CONTRARIO, SI SE VENDE SOLO, LA RESPONSABILIDAD DEL CALIBRADO ES A CARGO DEL CLIENTE. OMAL S.P.A. NO SE HACE RESPONSABLE DEL AJUSTE.

CARACTERÍSTICAS PRINCIPALES
- Posicionador Inteligente SRD991, diseñado para el control de actuadores neumáticos. Fácil de configurar gracias a la función Autostart Comunicación HART. Como opción PROFIBUS-PA / FOUNDATION Fieldbus H1 de conformidad con la normativa FISCO / FoxCom. En la versión con retroalimentación, la herramienta cuenta con retransmisión de la posición para el monitoreo continuo de la válvula (4 – 20 mA).
- Funda de aluminio barnizada con resina epoxídica
- Temperatura de funcionamiento: de -40°C a 80°C
- VERSIÓN: Simple / Doble efecto
- ENTRADA / COMUNICACIÓN: 4-20 mA, y protocolo HART
- ENTRADAS/SALIDAS ADICIONALES: No
- INTERRUPTORES DE TOPE INTERNOS: No
- EMPALME ELÉCTRICO: M20x1.5, con prensaestopas
- EJECUCIÓN ELÉCTRICA: ATEX, II 2 G EEx ia/ib IIB/IIC T4/T6
- Grado de protección ambiental: IP65 (IP66 bajo pedido)

ACCESORIOS INCLUIDOS
- Amplificador neumático tipo "Válvula de carrete"
- Colector con manómetros, con empalme en el proceso 1/4-18 NPT.
- Kit de montaje para actuador rotativo, de conformidad con VDI/VDE 3845.
- Pantalla LCD con menú de configuración en 3 idiomas: inglés, alemán, italiano (otros bajo pedido)

OPCIONES BAJO PEDIDO
- Trasmisión de posición de la válvula 4-20 mA de seguridad intrínseca
- 2 Interruptores de tope NAMUR / PNP microinterruptores de seguridad intrínseca
- Funda de acero inox. 316
- Funda y manómetros de acero inox. 316

CERTIFICACIONES
- Bajo pedido

FOXBORO ECKART-SRD991

NOTAS
Los posicionadores neumáticos y electroneumáticos se proporcionan bajo pedido, regulados y montados utilizando tubos de aluminio revestido y empalmes rápidos.
 
Para más información ver el manual de uso y mantenimiento.

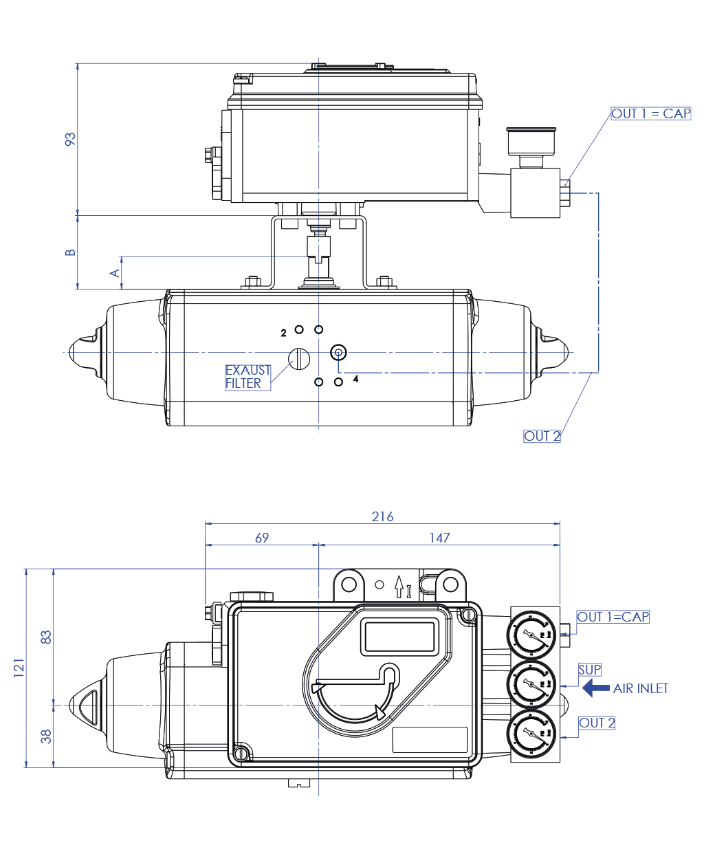
Posicionador con actuador Doble Efecto

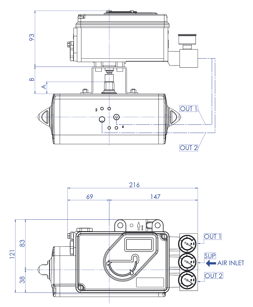
Posicionador con actuador Simple Efecto

Para las dimensiones A y B véase la pág. 19.

BUSCAR CóDIGO 
X CERRAR

SIGUIENTE EVENTO

IVS - Industrial Valve Summit 2026
IVS - Industrial Valve Summit 2026
Bergamo, Italy, 19 - 21 may 2026