images/testate/header-valvole-farfalla.jpg

Válvula de borboleta Item 490-492-493

Válvula de borboleta Item 490-492-493

Válvula de borboleta de 2 vias rosqueada ISO 228/1, DIN 11851 a ser soldado

ITEM 490
Conexões: Rosqueadas ISO 228/1,
Material: 304 S.S.
ITEM 492

Conexões: DIN 11851,
Material: 304 S.S.
ITEM 493

Conexões: DIN 11850 série 1,
Material: 304 S.S.

CONFIGURAR Acionamento
SOLICITAR INFORMAÇÃO
IMPRIMIR PÁGINA
  • características
  • dimensões
  • materiais
  • diagramas e torques de partida

EXECUÇÕES STANDARD:
- Válvula totalmente construída em aço inoxidável 304 (série 490-492-493) e em 316L (série 494).
- A válvula é adequada para usos que exigem condições higiênicas específicas.
- Temperatura de operação: de 0°C a +150°C
- Pressão de operação: PN 6
- Fluido interceptado: para usos alimentares.
- Conexões:

  • rosqueadas gás de acordo com a norma DIN/ISO228/1;
  • rosqueadas alimentares de acordo com a norma DIN 11851;
  • a ser soldado de cabeça de acordo com a norma DIN 11850-1;
  • Clamp BS 4825 (DIN 32676 série C)
  - Tratamento externo: polida.

EXECUÇÕES A PEDIDO:

- Rosqueada SMS 1146
- Rosqueada MACON
- Clamp DIN 32676 serie A
- Clamp ISO 2852
- Para outras aplicações, consulte nosso departamento de vendas

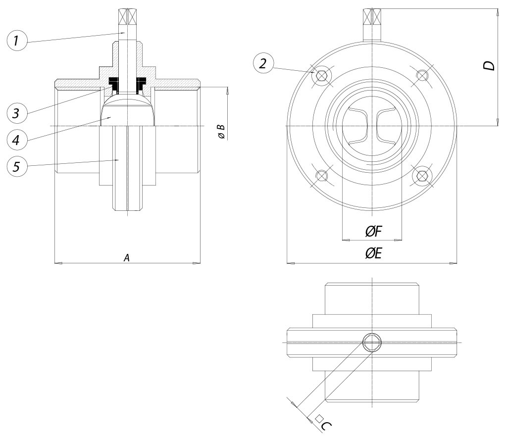
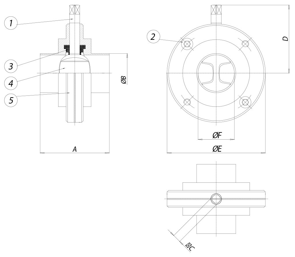
  • ITEM 490
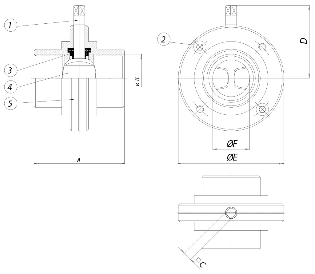
  • ITEM 492
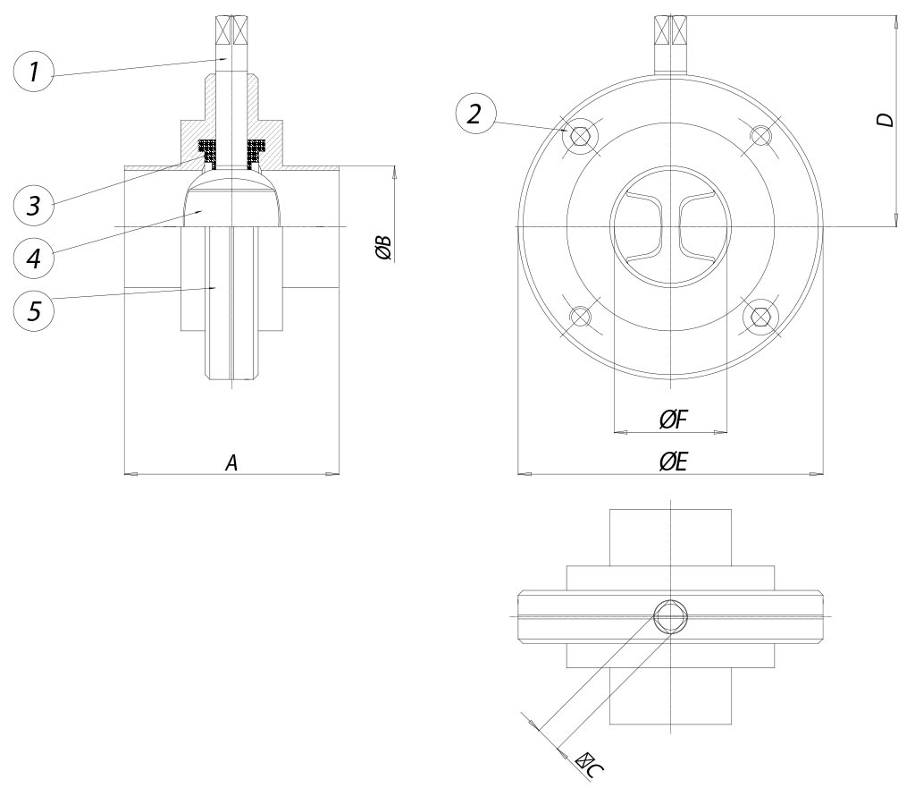
  • ITEM 493

ITEM 490 ISO 228/1

DIMENSÕES  
MEDIDA  
A
ØB
C
D
øE
øF
DN [mm]
[polegada]
DN 25
1"
68
289
58
79
25
DN 32
1" 1/4
76
349
63
85
32
DN 40
1" 1/2
76
409
65
92
40
DN 50
2"
80
529
71
105
50
DN 65
2" 1/2
82
709
81
125
65
DN 80
3"
84
8511
88
137
80
DN 100
4"
88
10411
100
157
100

ITEM 492 DIN 11851

DIMENSÕES   
MEDIDA 
A
ØB
C
D
øE
øF
DN [mm]
[polegada]
DN 25
1"
68
52X1/6
9
58
79
25
DN 32
1" 1/4
76
58X1/6
9
63
85
32
DN 40
1" 1/2
76
65x1/6
9
65
92
40
DN 50
2"
80
78X1/6
9
71
105
50
DN 65
2" 1/2
82
95x1/6
9
81
125
65
DN 80
3"
84
110X1/4
11
88
137
80
DN 100
4"
88
130X1/4
11
100
157
100

ITEM 493 DIN 11850 SERIE 1

DIMENSÕES   
MEDIDA  
A
ØB
C
D
øE
øF
DN [mm]
[polegada]
DN 25
1"
68
29
9
58
79
25
DN 32
1" 1/4
76
35
9
63
85
31
DN 40
1" 1/2
76
41
9
65
92
37
DN 50
2"
80
53
9
71
105
49
DN 65
2" 1/2
82
70
9
81
125
66
DN 80
3"
84
85
11
88
137
81
DN 100
4"
88
104
11
100
157
100

  • ITEM 490
  • ITEM 492
  • ITEM 493

ITEM 490 ISO 228/1

ITEM 490 ISO 228/1 MATERIAIS
1
Haste
304 S.S.
1.4301
UNI X5CrNi 18 10
2
Parafusos de travamento
304 S.S.
1.4301
UNI X5CrNi 18 10
3*
Juntas de vedação internas
Silicone  Silicon


4
Lente
CF8M
1.4301
UNI X5CrNi 18 10
5
Semicorpos
304 S.S.
1.4301
UNI X5CrNi 18 10
* Detalhes do kit de substituição KGBV70...

ITEM 492 DIN 11851

ITEM 492 DIN 11851 MATERIAIS
1
Haste
304 S.S.
1.4301
UNI X5CrNi 18 10
2
Parafusos de travamento
304 S.S.
1.4301
UNI X5CrNi 18 10
3**
Guarnições de vedação lateral
Silicone  


4*
Guarnições de vedação internas
Silicone  


5
Lente
CF8M
1.4301
UNI X5CrNi 18 10
6
Semicorpos
304 S.S.
1.4301
UNI X5CrNi 18 10
* Main seat spare part
** Components of complete spare part

ITEM 493 DIN 11850 SERIE 1

ITEM 493 DIN 11850 SERIE 1 MATERIAIS
1
Haste
304 S.S.
1.4301
UNI X5CrNi 18 10
2
Parafusos de travamento
304 S.S.
1.4301
UNI X5CrNi 18 10
3*
Guarnições de vedação internas
Silicone


4
Lente
CF8M
1.4301
UNI X5CrNi 18 10
5
Semicorpos
304 S.S.
1.4301
UNI X5CrNi 18 10
* Detalhes do kit de substituição KGBV70...

TORQUES DE PARTIDA em Nm    
MEDIDA 
DN 25
1"
DN 32 1"1/4
DN 40 1"1/2
DN 50
2"
DN 65 2"1/2
DN 80
3"
DN 100
4"

PN 6 bar
7
9
15
18
29
43
65


Os valores do torque podem variar dependendo da temperatura e do tipo de fluido. Considere um fator de segurança de 1,4.
Com ciclos frequentes de abertura e fechamento, o torque de manobra pode diminuir significativamente em comparação ao inicial. Os acoplamentos atuador/válvula, mostrados nas páginas a seguir, são realizados para válvulas que interceptam fluidos líquidos ou gasosos, limpos e para temperaturas médias. Para maiores informações ou usos diferentes, consultar nosso departamento técnico.

CONFIGURAR DIRIGIR
Selecionar os parâmetros de pesquisa
PESQUISA DE ITEM
X FECHAR

PRÓXIMO EVENTO

IVS - Industrial Valve Summit 2026
IVS - Industrial Valve Summit 2026
Bergamo, Italy, 19 - 21 may 2026