images/testate/header-valvole-farfalla.jpg

Valvola a farfalla Item 490-492-493

Valvola a farfalla Item 490-492-493

Valvola a farfalla 2 vie filettata ISO 228/1, DIN 11851, da saldare

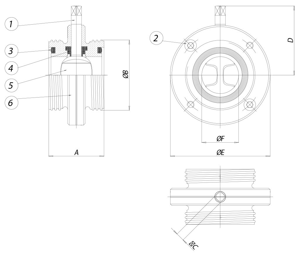
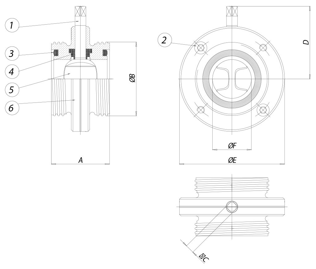
ITEM 490
Connessioni: Filettate ISO 228/1,
Materiale: 304 S.S.
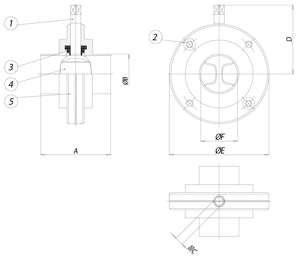
ITEM 492
Connessioni: DIN 11851,
Materiale: 304 S.S.
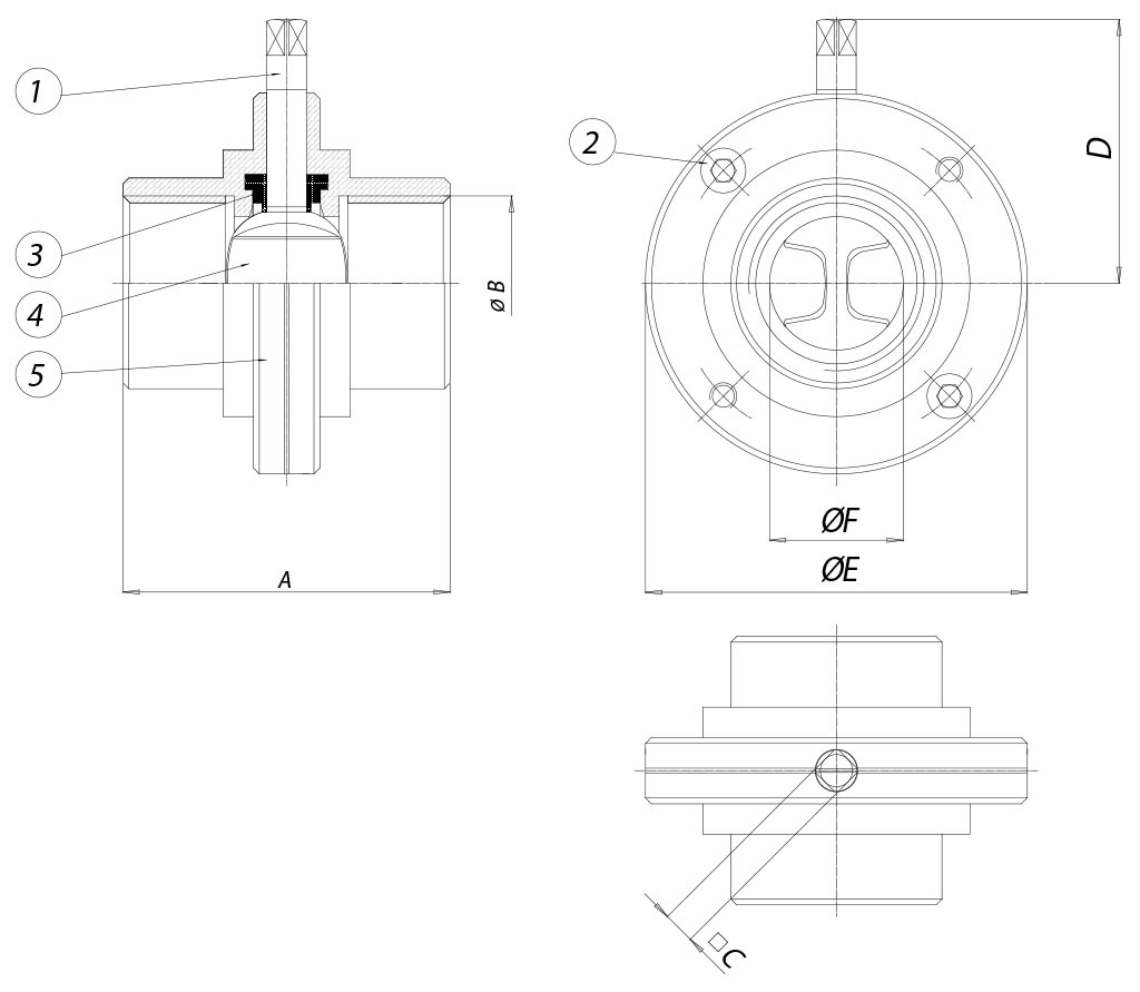
ITEM 493
Connessioni: DIN 11850 serie 1,
Materiale: 304 S.S.

CONFIGURA Azionamento
RICHIEDI INFORMAZIONI
STAMPA PAGINA
  • caratteristiche
  • dimensioni
  • materiali
  • diagrammi e coppie di spunto

ESECUZIONI STANDARD:
- Valvola interamente costruita in acciaio inox 304 (serie 490-492-493) e in 316L (serie 494).
- La valvola si presta ad utilizzi che richiedono condizioni igieniche particolari.
- Temperatura di utilizzo: da 0°C a + 150°C
- Pressione di utilizzo: PN 6
- Fluido intercettato: per usi alimentari.
- Attacchi:

  • filettati gas a norma DIN/ISO 228/1;
  • filettati alimentare a norma DIN 11851;
  • da saldare di testa a norma DIN 11850-1;
  • Clamp BS 4825 (DIN 32676 serie C)
- Trattamento esterno: lucidata.

ESECUZIONI A RICHIESTA:

- Filettata SMS 1146
- Filettata MACON
- Clamp DIN 32676 serie A
- Clamp ISO 2852
- Per altre applicazioni consultare il nostro ufficio commerciale

  • ITEM 490
  • ITEM 492
  • ITEM 493

ITEM 490 ISO 228/1

DIMENSIONI  
MISURA  
A
ØB
C
D
øE
øF
DN [mm]
[inch]
DN 25
1"
68
289
58
79
25
DN 32
1" 1/4
76
349
63
85
32
DN 40
1" 1/2
76
409
65
92
40
DN 50
2"
80
529
71
105
50
DN 65
2" 1/2
82
709
81
125
65
DN 80
3"
84
8511
88
137
80
DN 100
4"
88
10411
100
157
100

ITEM 492 DIN 11851

DIMENSIONI   
MISURA  
A
ØB
C
D
øE
øF
DN [mm]
[inch]
DN 25
1"
68
52X1/6
9
58
79
25
DN 32
1" 1/4
76
58X1/6
9
63
85
32
DN 40
1" 1/2
76
65x1/6
9
65
92
40
DN 50
2"
80
78X1/6
9
71
105
50
DN 65
2" 1/2
82
95x1/6
9
81
125
65
DN 80
3"
84
110X1/4
11
88
137
80
DN 100
4"
88
130X1/4
11
100
157
100

ITEM 493 DIN 11850 SERIE 1

DIMENSIONI   
MISURA  
A
ØB
C
D
øE
øF
DN [mm]
[inch]
DN 25
1"
68
29
9
58
79
25
DN 32
1" 1/4
76
35
9
63
85
31
DN 40
1" 1/2
76
41
9
65
92
37
DN 50
2"
80
53
9
71
105
49
DN 65
2" 1/2
82
70
9
81
125
66
DN 80
3"
84
85
11
88
137
81
DN 100
4"
88
104
11
100
157
100

  • ITEM 490
  • ITEM 492
  • ITEM 493

ITEM 490 ISO 228/1

ITEM 490 ISO 228/1 MATERIALI
1
Stelo  
304 S.S.
1.4301
UNI X5CrNi 18 10
2
Viti di bloccaggio
304 S.S.
1.4301
UNI X5CrNi 18 10
3*
Guarnizioni di tenuta interne  
Silicone  Silicon


4
Lente
CF8M
1.4301
UNI X5CrNi 18 10
5
Semicorpi  
304 S.S.
1.4301
UNI X5CrNi 18 10
* Particolari del kit di ricambio KGBV70...

ITEM 492 DIN 11851

ITEM 492 DIN 11851 MATERIALI
1
Stelo  
304 S.S.
1.4301
UNI X5CrNi 18 10
2
Viti di bloccaggio
304 S.S.
1.4301
UNI X5CrNi 18 10
3**
Guarnizioni di tenuta laterale  
Silicone  


4*
Guarnizioni di tenuta interne
Silicone  


5
Lente
CF8M
1.4301
UNI X5CrNi 18 10
6
Semicorpi  
304 S.S.
1.4301
UNI X5CrNi 18 10
* Ricambio della guarnizione principale
** Particolari del kit di ricambio completo

ITEM 493 DIN 11850 SERIE 1

ITEM 493 DIN 11850 SERIE 1 MATERIALI
1
Stelo  
304 S.S.
1.4301
UNI X5CrNi 18 10
2
Viti di bloccaggio
304 S.S.
1.4301
UNI X5CrNi 18 10
3*
Guarnizioni di tenuta interne
Silicone


4
Lente
CF8M
1.4301
UNI X5CrNi 18 10
5
Semicorpi  
304 S.S.
1.4301
UNI X5CrNi 18 10
* Particolari del kit di ricambio KGBV70...

COPPIE DI SPUNTO in Nm    
MISURA  
DN 25
1"
DN 32 1"1/4
DN 40 1"1/2
DN 50
2"
DN 65 2"1/2
DN 80
3"
DN 100
4"

PN 6 bar
7
9
15
18
29
43
65


I valori della coppia possono variare in funzione della temperatura e del tipo di fluido. Considerare un fattore di sicurezza pari a 1,4.
Con frequenti cicli di apertura e chiusura la coppia di manovra può diminuire sensibilmente rispetto a quella iniziale. Gli accoppiamenti attuatore/valvola, riportati nelle pagine seguenti, sono realizzati per valvole che intercettano fluidi liquidi o gassosi, puliti e per medie temperature. Per maggiori informazioni, o utilizzi diversi, consultare il nostro ufficio tecnico.

CONFIGURA AZIONAMENTO
Seleziona i parametri di ricerca
CERCA ARTICOLO
X CHIUDI

PROSSIMO EVENTO

IVS - Industrial Valve Summit 2026
IVS - Industrial Valve Summit 2026
Bergamo, Italia, 19 - 21 maggio 2026