images/testate/header-valvole-farfalla.jpg

Vanne à papillon, Item 490-492-493

Vanne à papillon, Item 490-492-493

Vanne à papillon 2 voies filetée ISO 228/1, DIN 11851, à souder

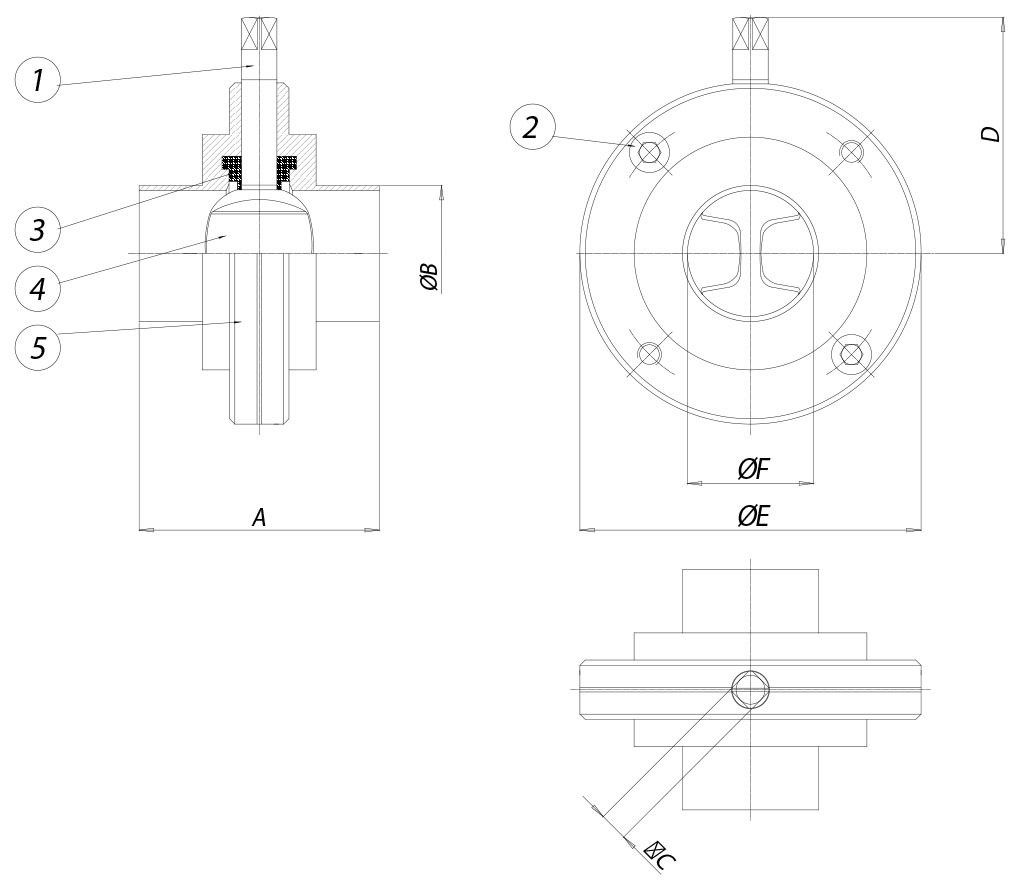
ITEM 490
Raccords: Filetés ISO 228/1,
Matériau: 304 S.S.
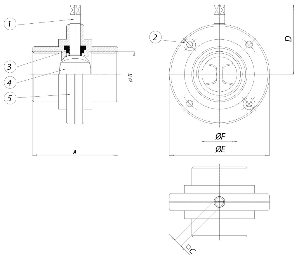
ITEM 492
Raccords: DIN 11851,
Matériau: 304 S.S.
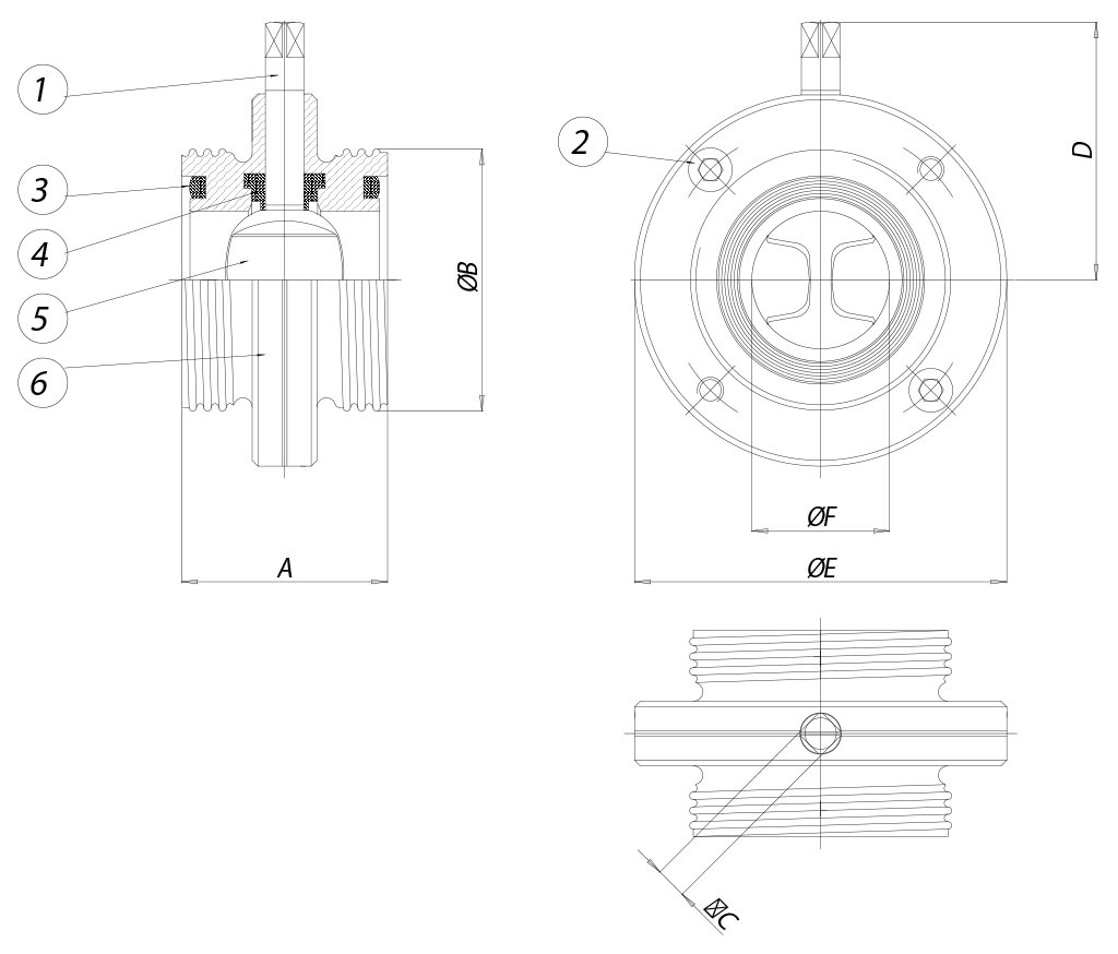
ITEM 493
Raccords: DIN 11850 série 1,
Matériau: 304 S.S.

CONFIGURER Actionnement
DEMANDE D'INFORMATIONS
IMPRIMER PAGE
  • caractéristiques
  • dimensions
  • matériaux
  • diagrammes et couples de démarrage

RÉALISATIONS STANDARD:
- Vanne entièrement réalisée en acier inoxydable 304 (série 490-492-493) et en 316L (série 494).
- La vanne convient aux utilisations nécessitant des conditions d'hygiène particulières.
- Température de fonctionnement: de 0°C à +150°C
- Pression de fonctionnement: PN 6
- Fluide véhiculé: à usage alimentaire.
- Raccords:
  •filetés gaz selon DIN/ISO 228/1;
  •filetés alimentaire selon DIN 11851;
  •à souder bout à bout selon DIN 11850-1;
  •Clamp BS 4825 (DIN 32676 série C)

- Traitement extérieur: polissage

RÉALISATIONS SUR DEMANDE:
- Filetée SMS 1146
- Filetée MACON
- Clamp DIN 32676 série A
- Clamp ISO 2852
- Pour d'autres applications, veuillez vous adresser à notre service commercial

  • ITEM 490
  • ITEM 492
  • ITEM 493

ARTICLE 490 ISO 228/1

DIMENSIONS  
MESURE  
A
ØB
C
D
øE
øF
DN [mm]
[pouces]
DN 25
1"
68
289
58
79
25
DN 32
1" 1/4
76
349
63
85
32
DN 40
1" 1/2
76
409
65
92
40
DN 50
2"
80
529
71
105
50
DN 65
2" 1/2
82
709
81
125
65
DN 80
3"
84
8511
88
137
80
DN 100
4"
88
10411
100
157
100

ARTICLE 492 DIN 11851

DIMENSIONS   
MESURE  
A
ØB
C
D
øE
øF
DN [mm]
[pouces]
DN 25
1"
68
52X1/6
9
58
79
25
DN 32
1" 1/4
76
58X1/6
9
63
85
32
DN 40
1" 1/2
76
65x1/6
9
65
92
40
DN 50
2"
80
78X1/6
9
71
105
50
DN 65
2" 1/2
82
95x1/6
9
81
125
65
DN 80
3"
84
110X1/4
11
88
137
80
DN 100
4"
88
130X1/4
11
100
157
100

ARTICLE 493 DIN 11850 SÉRIE 1

DIMENSIONS   
MESURE  
A
ØB
C
D
øE
øF
DN [mm]
[pouces]
DN 25
1"
68
29
9
58
79
25
DN 32
1" 1/4
76
35
9
63
85
31
DN 40
1" 1/2
76
41
9
65
92
37
DN 50
2"
80
53
9
71
105
49
DN 65
2" 1/2
82
70
9
81
125
66
DN 80
3"
84
85
11
88
137
81
DN 100
4"
88
104
11
100
157
100

  • ITEM 490
  • ITEM 492
  • ITEM 493

ARTICLE 490 ISO 228/1

ARTICLE 490 ISO 228/1 MATÉRIAUX
1
Tige
304 S.S.
1.4301
UNI X5CrNi 18 10
2
Vis de blocage
304 S.S.
1.4301
UNI X5CrNi 18 10
3*
Garnitures d'étanchéité internes
Silicone  Silicon


4
PapillonCF8M
1.4301
UNI X5CrNi 18 10
5
Demi-corps
304 S.S.
1.4301
UNI X5CrNi 18 10
* Détails du kit des pièces de rechange KGBV70...

ARTICLE 492 DIN 11851

ARTICLE 492 DIN 11851 MATÉRIAUX
1
Tige
304 S.S.
1.4301
UNI X5CrNi 18 10
2
Vis de blocage
304 S.S.
1.4301
UNI X5CrNi 18 10
3**
Garnitures d’étanchéité latérale
Silicone  


4*
Garnitures d'étanchéité internes
Silicone  


5
PapillonCF8M
1.4301
UNI X5CrNi 18 10
6
Demi-corps
304 S.S.
1.4301
UNI X5CrNi 18 10
* Main seat spare part
** Components of complete spare part

ARTICLE 493 DIN 11850 SÉRIE 1

ARTICLE 493 DIN 11850 SÉRIE 1 MATÉRIAUX
1
Tige
304 S.S.
1.4301
UNI X5CrNi 18 10
2
Vis de blocage
304 S.S.
1.4301
UNI X5CrNi 18 10
3*
Garnitures d'étanchéité internes
Silicone


4
PapillonCF8M
1.4301
UNI X5CrNi 18 10
5
Demi-corps
304 S.S.
1.4301
UNI X5CrNi 18 10
* Détails du kit des pièces de rechange KGBV70...

COUPLES DE DÉMARRAGE en Nm    
MESURE  
DN 25
1"
DN 32 1"1/4
DN 40 1"1/2
DN 50
2"
DN 65 2"1/2
DN 80
3"
DN 100
4"

PN 6 bar
7
9
15
18
29
43
65


Les valeurs du couple peuvent varier en fonction de la température et du fluide. Considérer un facteur de sécurité de 1,4.
Avec des cycles fréquents d'ouverture et de fermeture, le couple de manœuvre pourrait être considérablement inférieur au couple initial. Les accouplements actionneur/vanne, montrés aux pages suivantes, sont conçus pour les vannes qui arrêtent des fluides liquides ou gazeux, propres et pour des températures moyennes. Pour plus d'informations ou pour des utilisations différentes, veuillez vous adresser à notre bureau technique.

CONFIGURER ACTIONNEMENT
Sélectionnez les paramètres de recherche
RECHERCHER UN ARTICLE
X FERMER

PROCHAIN ÉVÈNEMENT

IVS - Industrial Valve Summit 2026
IVS - Industrial Valve Summit 2026
Bergamo, Italy, 19 - 21 may 2026