images/testate/Template-Header-Sito-OMALBALLVALVES.jpg

Válvula de esfera de aço inoxidável Item 424

Válvula de esfera de aço inoxidável Item 424

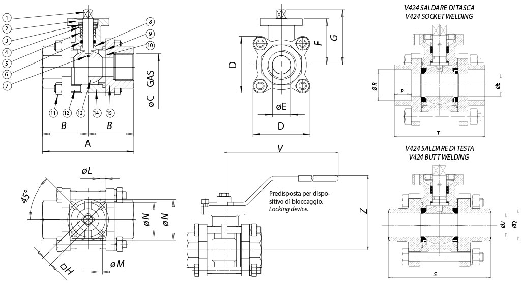
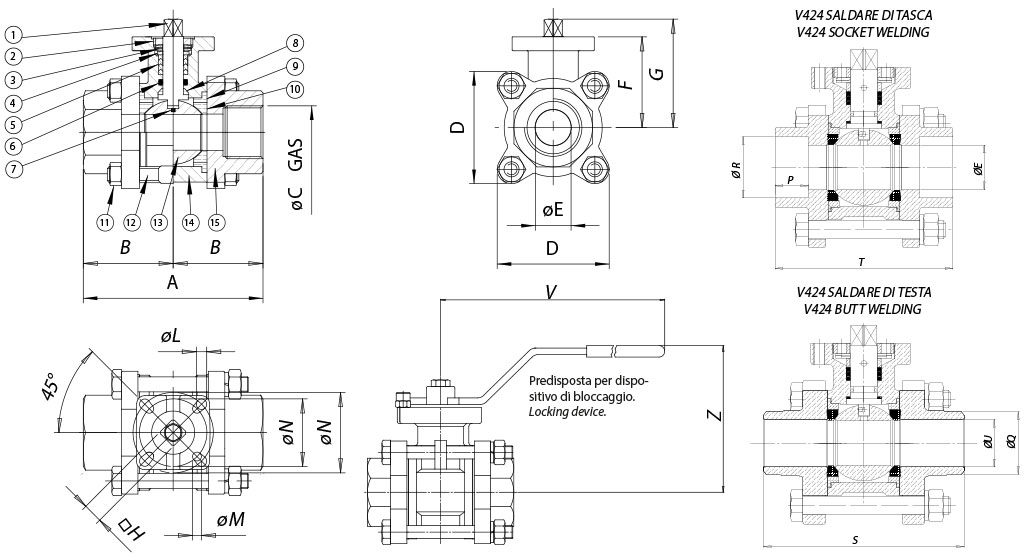
Válvula de esfera em aço inoxidável  micro-fundida em 3 peças 2 vias rosqueada ou soldada passagem integral PN 63

CONFIGURAR Acionamento
SOLICITAR INFORMAÇÃO
IMPRIMIR PÁGINA
  • características
  • dimensões
  • materiais
  • diagramas e torques de partida
  • documentos

CARACTERÍSTICAS GERAIS:
• Construído em 3 peças para facilitar a intervenção em sistemas de manutenção de alta frequência.
• Extremidade: rosqueada em conformidade com a norma ISO 7/1; a ser soldada a bolso; a ser soldada a cabeça; NPT (ANSI B1.20.1).
• Guarnições de esfera standard em PTFE virgem.
• Temperatura de operação: de -20°C a +150°C
• Pressão de operação: ver o diagrama.
• Fluido interceptado: ar, água, gás, produtos petrolíferos e produtos petroquímicos, fluidos agressivos.
• Flange de montagem do atuador conforme norma ISO 5211.
• Para versão com alavanca: sistema de tranca integrado.

EXECUÇÕES ESPECIAIS A PEDIDO:
• Guarnições de vedação em:

  • RPTFE (15% carregado com vidro)
  • CTFE (25% carregado com grafite)
  • TFM1600.
 • Para outras aplicações, entrar em contato com nosso departamento de vendas.

CERTIFICAÇÕES:

• Versão ATEX em conformidade com a Diretiva Europeia 2014/34/UE
• Certificado ATEX a pedido
• Em conformidade com a Diretiva Europeia 2014/68/UE PED

DIMENSÕES
MEDIDA
ABØE
DFGH
ØL
ØM
ØN
THREADED END
SOCKET WELDING ENDBUTT WELDING ENDVZ
DN [mm][polegada]ØC
ØR
PTØU
ØQ
S
DN 081/4"
65
32,5
11,2
48,8
42
49,5
9
6636-42
1/4"
14,3
13,0
65,0
10,4
14,8
70
150
78,0
DN 103/8"
6532,5
12,6
48,8
42
49,5
9
6636-42
3/8"
17,7
13,0
65,0
13,7
18,5
70
150
78,0
DN 151/2"
7537,5
15,0
48,8
42
49,5
9
6636-42
1/2"
22,0
16,0
75,0
15,0
21,0
75150
78,0
DN 203/4"
8040,0
20,050,3
4553,5
9
6636-42
3/4"
27,5
16,0
80,0
21,4
28,3
90150
82,5
DN 251"
9045,0
25,0
64,05262,7
11
7642-501"
34,3
17,0
90,0
27,2
35,5
100200
91,5
DN 321" 1/4
11055,0
32,0
73,4
5767,711
7642-50
1" 1/4
43,0
20,0
110,0
35,5
43,7
110200
95,5
DN 401" 1/2
12060,0
38,0
82,0
6881,5
11
9750-701" 1/2
49,0
20,0
120,0
41,2
50,0
125250
112,0
DN 502"14070,0
50,8
94,3
7791,0
149750-70
2"
61,4
22,0
140,0
52,7
63,0
150250
118,5
DN 652"1/2
18592,5
65,0
165,0
100117
1711970-1022" 1/2
77,2
33,0
185,0
65,3
77,2
190300
140,0
DN 803"
205102,5
80,0
190,0
111127,7
1711970-102
3"
90,0
34,3
205,0
79,5
89,8
220300
151,0
DN 1004"
240120,0
100,0
240,0138159,8
221311102-1254"
115,4
41,0
240,0
102,3
115,4
270400178,0

MATERIAIS    
1
Haste
316 S.S.
1.4401
UNI X5CrNiMo 17 12
2
Porca aperta guarnição
304 S.S.
1.4301
UNI X5CrNi 18 10
3
Mola a copo
301 S.S.
1.4310
UNI X12CrNi 17 07
4
Anel aperta guarnição
304 S.S.
1.4301
UNI X5CrNi 18 10
5*
Guarnição de vedação da haste
P.T.F.E.


6*
O-ring
FKM


7
Dispositivo antiestático
316 S.S.
1.4401
UNI X5CrNiMo 17 12
8*
Guarnição
P.T.F.E.


9*
Centragem da guarnição da esfera
P.T.F.E.


10*
Guarnição da esfera
P.T.F.E.


11
Porca
304 S.S.
1.4301
UNI X5CrNi 18 10
12
Tirante
304 S.S.
1.4301
UNI X5CrNi 18 10
13
Esfera
316 S.S.
1.4401
UNI X5CrNiMo 17 12
14
Corpo
316 S.S.
1.4408

15
Manga
316 S.S.
1.4408

* Detalhes do kit de substituição KGBV60...

DIAGRAMA DE PRESSÃO/TEMPERATURA

Fluxo/queda de pressão e coeficiente nominal Kv

O valor Kv é o valor da vazão em m3/h (com água a 15°C) que causa a queda de pressão de 1 bar.

TORQUE DE PARTIDA em Nm 

MEDIDA

DN 8 1/4"
DN 10 3/8"
DN 15 1/2"
DN 20 3/4"
DN 25
1"

DN 32 1"1/4
DN 40 1"1/2
DN 50
2"

DN 65 2"1/2
DN 80
3"

DN 100
4"

PN 63 bar
6
7
8
10
14
20
29
42
85
146
235

Os valores do torque podem variar dependendo da temperatura e do tipo de fluido. Considerar um fator de segurança de 1,4.
Com ciclos frequentes de abertura e fechamento, o torque de manobra pode diminuir significativamente em comparação ao inicial. Os acoplamentos atuador/válvula, mostrados nas páginas a seguir, são realizados para válvulas que interceptam fluidos líquidos ou gasosos, limpos e para temperaturas médias. Para maiores informações ou usos diferentes, consultar nosso departamento de vendas.

CONFIGURAR DIRIGIR
Selecionar os parâmetros de pesquisa
PESQUISA DE ITEM
X FECHAR

PRÓXIMO EVENTO

IVS - Industrial Valve Summit 2026
IVS - Industrial Valve Summit 2026
Bergamo, Italy, 19 - 21 may 2026