images/testate/Template-Header-Sito-OMALBALLVALVES.jpg

Vanne à boisseau sphérique en acier inox, Item 424

Vanne à boisseau sphérique en acier inox, Item 424

Vanne à boisseau sphérique 3 pièces en acier inox fonte de précision 2 voies, filetée ou à souder, passage intégral PN63

CONFIGURER Actionnement
DEMANDE D'INFORMATIONS
IMPRIMER PAGE
  • caractéristiques
  • dimensions
  • matériaux
  • diagrammes et couples de démarrage
  • documents

CARACTÉRISTIQUES GÉNÉRALES:
• Construite en 3 pièces pour faciliter les interventions sur les installations à maintenance fréquente.
• Extrémités: filetées selon ISO 7/1; bout-à-bout, emboîté-soudé; NPT (ANSI B1.20.1).
• Garnitures standard du boisseau en PTFE vierge.
• Température de fonctionnement: de -20°C à +180°C (voir diagramme)
• Pression de fonctionnement: voir diagramme.
• Fluide véhiculé: air, eau, gaz, produits pétroliers et pétrochimiques, fluides agressifs.
• Bride montage actionneur selon ISO 5211.
• Pour version avec levier: système de cadenassage intégré.

RÉALISATIONS SPÉCIALES SUR DEMANDE:
Garnitures d’étanchéité en:
  •RPTFE  (chargées de verre 15%)
  •CTFE  (chargées de verre 25%)
  •TFM1600

Pour d'autres applications, veuillez vous adresser à notre service commercial.

CERTIFICATIONS:
• Version ATEX conformément à la directive européenne 2014/34/UE
• Certificat ATEX sur demande
• Conforme à la directive européenne 2014/68/UE DESP.

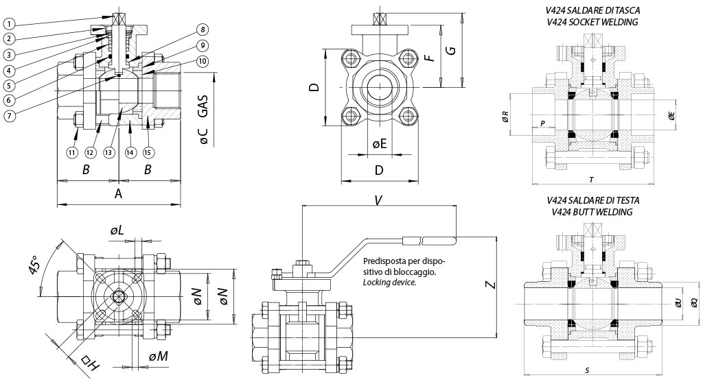
DIMENSIONS
MESURE
ABØE
DFGH
ØL
ØM
ØN
THREADED END
SOCKET WELDING ENDBUTT WELDING ENDVZ
DN [mm][pouces]ØC
ØR
PTØU
ØQ
S
DN 081/4"
65
32,5
11,2
48,8
42
49,5
9
6636-42
1/4"
14,3
13,0
65,0
10,4
14,8
70
150
78,0
DN 103/8"
6532,5
12,6
48,8
42
49,5
9
6636-42
3/8"
17,7
13,0
65,0
13,7
18,5
70
150
78,0
DN 151/2"
7537,5
15,0
48,8
42
49,5
9
6636-42
1/2"
22,0
16,0
75,0
15,0
21,0
75150
78,0
DN 203/4"
8040,0
20,050,3
4553,5
9
6636-42
3/4"
27,5
16,0
80,0
21,4
28,3
90150
82,5
DN 251"
9045,0
25,0
64,05262,7
11
7642-501"
34,3
17,0
90,0
27,2
35,5
100200
91,5
DN 321" 1/4
11055,0
32,0
73,4
5767,711
7642-50
1" 1/4
43,0
20,0
110,0
35,5
43,7
110200
95,5
DN 401" 1/2
12060,0
38,0
82,0
6881,5
11
9750-701" 1/2
49,0
20,0
120,0
41,2
50,0
125250
112,0
DN 502"14070,0
50,8
94,3
7791,0
149750-70
2"
61,4
22,0
140,0
52,7
63,0
150250
118,5
DN 652"1/2
18592,5
65,0
165,0
100117
1711970-1022" 1/2
77,2
33,0
185,0
65,3
77,2
190300
140,0
DN 803"
205102,5
80,0
190,0
111127,7
1711970-102
3"
90,0
34,3
205,0
79,5
89,8
220300
151,0
DN 1004"
240120,0
100,0
240,0138159,8
221311102-1254"
115,4
41,0
240,0
102,3
115,4
270400178,0

MATÉRIAUX    
1
Tige
316 S.S.
1.4401
UNI X5CrNiMo 17 12
2
Écrou presse-étoupe
304 S.S.
1.4301
UNI X5CrNi 18 10
3
Rondelle ressort
301 S.S.
1.4310
UNI X12CrNi 17 07
4
Bague presse-étoupe
304 S.S.
1.4301
UNI X5CrNi 18 10
5*
Garniture étanchéité tige
P.T.F.E.


6*
Joint torique
FKM


7
Dispositif antistatique
316 S.S.
1.4401
UNI X5CrNiMo 17 12
8*
Garniture
P.T.F.E.


9*
Centrage garniture boisseau
P.T.F.E.


10*
Garniture boisseau
P.T.F.E.


11
Écrou
304 S.S.
1.4301
UNI X5CrNi 18 10
12
Goujon
304 S.S.
1.4301
UNI X5CrNi 18 10
13
Boisseau
316 S.S.
1.4401
UNI X5CrNiMo 17 12
14
Corps
316 S.S.
1.4408

15
Manchon
316 S.S.
1.4408

* Détails du kit des pièces de rechange KGBV60...

DIAGRAMME PRESSION/TEMPÉRATURE

Débit/perte de charge et coefficient nominal Kv

La valeur Kv est la valeur du débit en m3/h (avec de l’eau à 15°C) qui provoque une chute de pression d’1 bar.

COUPLES DE DÉMARRAGE en Nm

MESURE
DN 8 1/4"
DN 10 3/8"
DN 15 1/2"
DN 20 3/4"
DN 25
1"

DN 32 1"1/4
DN 40 1"1/2
DN 50
2"

DN 65 2"1/2
DN 80
3"

DN 100
4"

PN 63 bar
6
7
8
10
14
20
29
42
85
146
235


Les valeurs du couple peuvent varier en fonction de la température et du fluide. Considérer un facteur de sécurité de 1,4.
Avec des cycles fréquents d'ouverture et de fermeture, le couple de manœuvre pourrait être considérablement inférieur au couple initial. Les accouplements actionneur/vanne, montrés aux pages suivantes, sont conçus pour les vannes qui arrêtent des fluides liquides ou gazeux, propres et pour des températures moyennes. Pour plus d'informations ou pour des utilisations différentes, veuillez vous adresser à notre service commercial.

CONFIGURER ACTIONNEMENT
Sélectionnez les paramètres de recherche
RECHERCHER UN ARTICLE
X FERMER

PROCHAIN ÉVÈNEMENT

IVS - Industrial Valve Summit 2026
IVS - Industrial Valve Summit 2026
Bergamo, Italy, 19 - 21 may 2026