1. Geometria interna desenvolvida para minimizar quedas de pressão.
Um estudo de fluidodinâmica da passagem interna foi realizado para maximizar o coeficiente de vazão.
2. Atuador e válvula integrados em um único produto.
Dimensões gerais menores em comparação com uma válvula atuada.
3. Pistão com revestimento químico de níquel (20-25 mícrons).
Maior proteção contra agentes corrosivos.
Menor desgaste das guarnições graças ao aumento da dureza superficial (400-550 HV).
4. Guarnições a lábio.
Menor desgaste da guarnição em comparação com um o-ring.
5. Furos de verificação de vazamento das guarnições a lábio.
Os furos permitem verificar se há vazamentos nas guarnições a lábio, evitando que o fluido interceptado retorne ao sistema de abastecimento de ar.
6. Porta sede suporte da guarnição.
Suporte do assento em 316L para compatibilidade química máxima.
Várias guarnições de vedação.
Compatibilidade máxima com diferentes tipos de fluidos dependendo da guarnição instalada (EPDM, NBR, FKM).
Sedes para montagem de sensores integrados.
Os sensores de posição da válvula podem ser montados em ambos os lados para otimizar as dimensões gerais.
Ausência de partes móveis externas.
Nenhum risco de ferimentos devido a elementos móveis.
Facilidade de montagem em qualquer posição.
Longa vida garantida.
Vida útil até 10 vezes mais longa do que as válvulas de esfera com custos de manutenção reduzidos.
Processo de produção totalmente realizado na OMAL.
Controle máximo em todas as fases de manufatura.
Menor consumo de ar.
Economia de ar de pelo menos 70% em comparação a uma válvula com atuador de efeito simples com consequente menor carga de trabalho do compressor ou possibilidade de uso de um compressor menor.
Certificação ATEX.
Permite a instalação na presença de um ambiente potencialmente explosivo.
Certificado PED.
Cumprimento total das normas de segurança europeias para dispositivos pressurizados.
Certificado até SIL 3.
Alto nível de segurança funcional.
CARACTERÍSTICAS GERAIS:
• Disponível nas versões de efeito duplo “DA” e efeito simples “SR” (seja normalmente aberto seja normalmente fechado) com tamanhos de 3/8” a 2”.
• Fluxo unidirecional.
• P MAX 40 bar (580 psi) na direção indicada.
• Conexões rosqueadas GAS EN 10226-1 Rp (Ex ISO 7/1) - DIN 2999 ; NPT.
• Conexões de fluido de controle rosqueadas (NAMUR a pedido com base).
• A otimização da dinâmica de fluidos interna permitiu a realização de um duto com perdas de pressão reduzidas ao mínimo.
• Possibilidade de uso em qualquer posição de montagem (horizontal, vertical, oblíqua).
• Vedação principal PTFE + VIDRO.
• Vedações a lábio e O-ring:
- NBR: compatível com ar, fluidos gasosos, óleos, água, etc.
- FKM: excelente compatibilidade com a maioria dos fluidos. Não recomendado para vapor.
- EPDM: ótima compatibilidade com água quente. Não é compatível com produtos minerais (óleos, graxas, etc.).
• Possibilidade de sinalizar a abertura ou fechamento da válvula através da aplicação de interruptores de limite indutivos com contacto magnético externos (disponíveis a pedido). Após compra da versão VIP EVO com ímã interno, a ser especificado durante o pedido.
• Taxa de fuga classe VI de acordo com a norma IEC 60534-4 (ANSI-FCI 70-2 classe VI).
• Em conformidade com a diretiva Europeia 2014/68/UE “PED”.
• Configuração ATEX 2014/34/UE a ser solicitada durante o pedido.
• Vedação a vácuo: taxa de vazamento <5·10-5 mbar·l/s (valor inferior a 2g de ar à temperatura ambiente por ano).
Fluido de controle:
• Ar comprimido filtrado não necessariamente lubrificado; de acordo com UNI EN 15714-3:2009.
• Em caso de lubrificação, usar óleo compatível com as guarnições utilizadas.
• Pressão de controle:
- Efeito duplo: mín. 3 bar (44 psi); máx. 8,5 bar (123 psi).
- Efeito duplo N.C.: mín. 4 bar (58 psi); máx. 8,5 bar (123 psi).
- Efeito simples N.O.: mín. 4,5 bar (65 psi); máx. 8,5 bar (123 psi).
LÍQUIDO INTERCEPTADO:
• Pressão: máx. 40 bar (580 psi), consultar o diagrama.
• Temperatura:
- NBR (also version with magnet): from -20°C (-4°F) a +80°C (176°F)
- EPDM and FKM without magnet: from -20°C (-4°F) a +150°C (302°F)
- EPDM and FKM with magnet: from -20°C (-4°F) a +90°C (194°F)
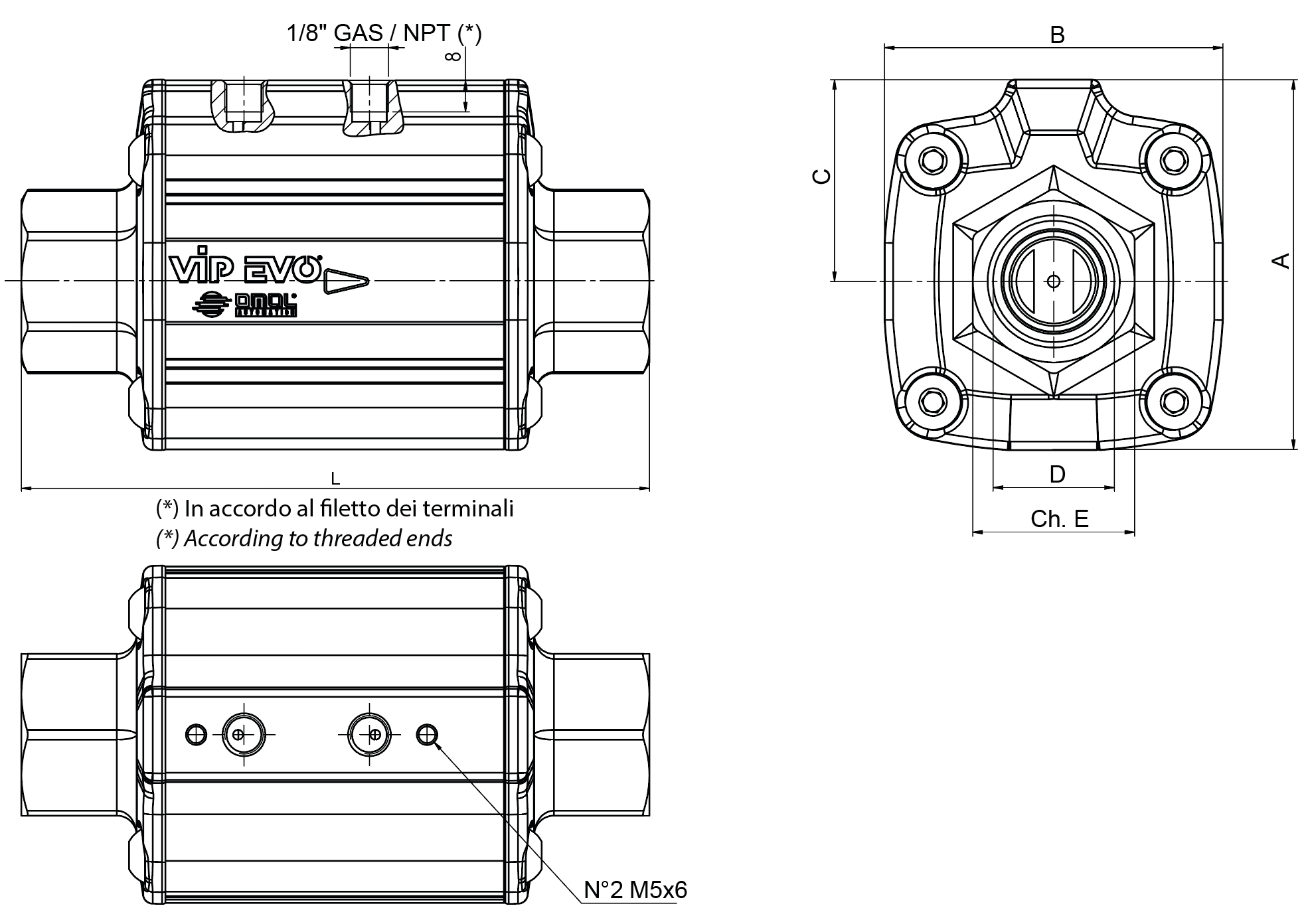
| DIMENSÕES [métricas] | ||||||||
| Diâmetro nominal DN | mm | 10 | 15 | 20 | 25 | 32 | 40 | 50 |
| D Rosca | GAS / NPT 3 | 3/8” | 1/2” | 3/4” | 1” | 1”1/4 | 1”1/2 | 2” |
| Passagem | mm | 10,5 | 16 | 20,8 | 26,6 | 33,5 | 41 | 51 |
| A | mm | 63 | 73,5 | 85,5 | 94 | 110 | 123,5 | 134 |
| B | mm | 56 | 66 | 78,5 | 86 | 103 | 115,5 | 123,5 |
| L | mm | 120 | 134,5 | 154 | 159 | 185 | 211 | 228 |
| ch. E | mm | 22 | 27 | 34 | 41 | 50 | 60 | 70 |
| C | mm | 35,5 | 40,5 | 47 | 51 | 60 | 66 | 72,5 |
| Efeito duplo "DA" - Volume de ar | dm3/ciclo | 0,024 | 0,039 | 0,074 | 0,082 | 0,15 | 0,22 | 0,25 |
| Efeito simples "SR" - Volume de ar | dm3/ciclo | 0,011 | 0,021 | 0,034 | 0,037 | 0,07 | 0,10 | 0,13 |
| Efeito duplo "DA" - Peso | Kg | 1,1 | 1,7 | 2,5 | 3 | 4,7 | 7,2 | 8 |
| Efeito simples "SR" - Peso | Kg | 1,15 | 1,8 | 2,6 | 3,1 | 4,9 | 7,5 | 8,3 |
| Tempos de operação | ms | 25/40 | 30/55 | 40/60 | 45/70 | 50/80 | 70/120 | 100/160 |
| DIMENSÕES [imperial] | ||||||||
| D Filete | GAS / NPT | 3/8” | 1/2” | 3/4” | 1” | 1”1/4 | 1”1/2 | 2” |
| Passagem | pol | 0,41 | 0,63 | 0,82 | 1,05 | 1,32 | 1,61 | 2,01 |
| A | pol | 2,48 | 2,89 | 3,37 | 3,70 | 4,33 | 4,86 | 5,28 |
| B | pol | 2,20 | 2,60 | 3,09 | 3,39 | 4,06 | 4,55 | 4,86 |
| L | pol | 4,72 | 5,30 | 6,06 | 6,26 | 7,28 | 8,31 | 8,98 |
| ch. E | pol | 0,87 | 1,06 | 1,34 | 1,61 | 1,97 | 2,36 | 2,76 |
| C | pol | 1,40 | 1,59 | 1,85 | 2,01 | 2,36 | 2,60 | 2,85 |
| Efeito duplo "DA" - Volume de ar | pol3/ciclo | 1,46 | 2,38 | 4,52 | 5,00 | 9,15 | 13,43 | 15,26 |
| Efeito simples "SR" - Volume de ar | pol3/ciclo | 0,67 | 1,28 | 2,07 | 2,26 | 4,27 | 6,10 | 7,93 |
| Efeito duplo "DA" - Peso | lib | 2,43 | 3,75 | 5,51 | 6,61 | 10,36 | 15,87 | 17,64 |
| Efeito simples "SR" - Peso | lib | 2,54 | 3,97 | 5,73 | 6,83 | 10,80 | 16,53 | 18,30 |
| Tempos de operação | ms | 25/40 | 30/55 | 40/60 | 45/70 | 50/80 | 70/120 | 100/160 |
| MATERIAIS | ||||
| Pos. | Descrição | Qtd | Material | Tratamento |
| 1 | Cilindro do atuador piloto | 1 | Alumínio | Anodização preta |
| 2 | Manga de saída | 1 | Latão CW617N | Revestimento de níquel |
| 3 | Manga de entrada | 1 | Latão CW617N | Revestimento de níquel |
| 4 | Pistão | 1 | Latão CW617N | Revestimento de níquel |
| 5 | Suporte interno | 1 | Latão CW614N | - |
| 6* | Porta sede | 1 | 316L S.S. | - |
| 7* | Guarnição | 1 | PTFE+15% vidro | - |
| 8* | O-ring guarnição | 1 | NBR/EPDM/FKM | - |
| 9* | Anel de batente | 1 | Latão CW614N | - |
| 10** | Lábio | 2 | NBR/EPDM/FKM | - |
| 11** | O-ring do pistão de controle | 1 | NBR/EPDM/FKM | - |
| 12** | O-ring do pistão interno | 2 | NBR/EPDM/FKM | - |
| 13* | O-ring do corpo da manga | 1 | NBR/EPDM/FKM | - |
| 14* | O-ring frontal | 2 | NBR/EPDM/FKM | - |
| 15** | O-ring de suporte | 3 | NBR/EPDM/FKM | - |
| 16 | Parafusos de fechamento | 8 | A2-70 | - |
| 17 | Arruela | 1 | A2 (304 S.S.) | - |
| 18 | Parafuso | 1 | A2-70 | - |
| 19 | Mola | 1 | 301 S.S. | - |
| 20 | Ímã | 1 | Plasto-ferrite | - |
| NBR | KIT DE REPOSIÇÃO PARA GUARNIÇÕES NBR | ||
| DN [mm] | [polegada] | Kit sobressalente da guarnição principal | Kit sobressalente completo |
| 10 | 3/8" | KGEB203 | KGEB203C |
| 15 | 1/2" | KGEB204 | KGEB204C |
| 20 | 3/4" | KGEB205 | KGEB205C |
| 25 | 1" | KGEB206 | KGEB206C |
| 32 | 1"1/4 | KGEB207 | KGEB207C |
| 40 | 1"1/2 | KGEB208 | KGEB208C |
| 50 | 2" | KGEB209 | KGEB209C |
| EPDM | KIT DE REPOSIÇÃO PARA GUARNIÇÕES EPDM | ||
| DN [mm] | [polegada] | Kit sobressalente da guarnição principal | Kit sobressalente completo |
| 10 | 3/8" | KGEE203 | KGEE203C |
| 15 | 1/2" | KGEE204 | KGEE204C |
| 20 | 3/4" | KGEE205 | KGEE205C |
| 25 | 1" | KGEE206 | KGEE206C |
| 32 | 1"1/4 | KGEE207 | KGEE207C |
| 40 | 1"1/2 | KGEE208 | KGEE208C |
| 50 | 2" | KGEE209 | KGEE209C |
| FKM | KIT DE REPOSIÇÃO PARA GUARNIÇÕES FKM | ||
| DN [mm] | [polegada] | Kit sobressalente da guarnição principal | Kit sobressalente completo |
| 10 | 3/8" | KGEV203 | KGEV203C |
| 15 | 1/2" | KGEV204 | KGEV204C |
| 20 | 3/4" | KGEV205 | KGEV205C |
| 25 | 1" | KGEV206 | KGEV206C |
| 32 | 1"1/4 | KGEV207 | KGEV207C |
| 40 | 1"1/2 | KGEV208 | KGEV208C |
| 50 | 2" | KGEV209 | KGEV209C |
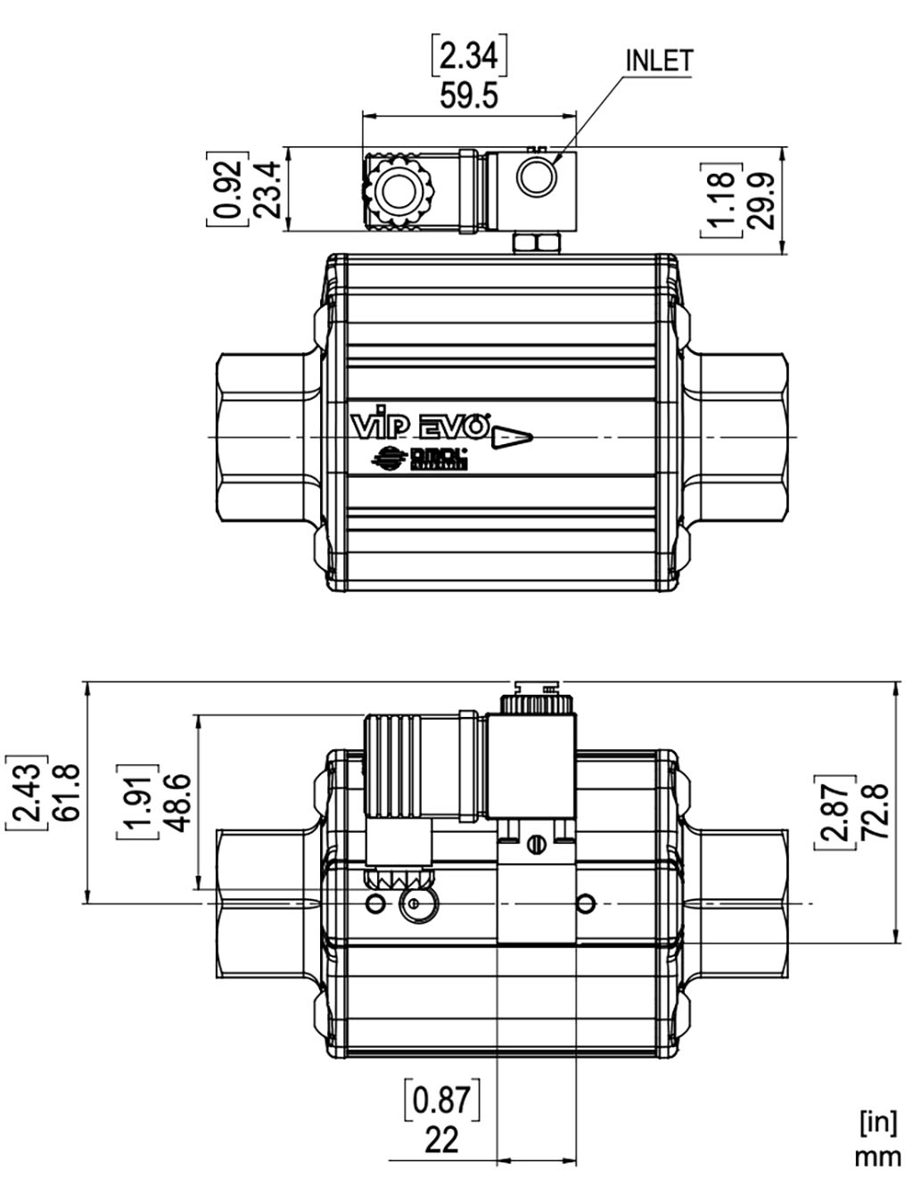
PRINCÍPIO DE FUNCIONAMENTO
A válvula de interceptação pneumática "VIP EVO" é a evolução da válvula "VIP". A "VIP EVO" é para todos os efeitos uma válvula automática que agrupa, num único dispositivo, tanto o mecanismo de fechamento (entre o duto IN-OUT) como o mecanismo de controle (A-B). O princípio de operação é baseado no movimento interno de um pistão devido à pressão do fluido de controle. Uma vez terminado o curso do pistão (VIP EVO é uma válvula on/off), ele pressiona ou se destaca da guarnição da sede de vedação, permitindo ou impedindo a passagem do líquido interceptado. Como a vedação ocorre na sede e as pressões do fluido interceptado se descarregam nesta, a pressão necessária para o movimento do pistão é pouco influenciada pela pressão do fluido interceptado. Isso permite conter os pesos e as dimensões gerais e garantir um número altíssimo de operações de abertura e fechamento. A dinâmica interna dos fluidos foi estudada a fim de minimizar as turbulências e quedas de pressão.
VÁLVULA FECHADA
EFEITO SIMPLES - SR N.C. A mola está alojada na câmara “A1” o que significa que, na ausência de comando, o pistão está em contato com a guarnição da sede de vedação: a posição preferencial é, portanto, a fechada.
VÁLVULA ABERTA
EFEITO SIMPLES - SR N.C. Ao introduzir ar no furo de alimentação “B” (o furo “A” deve ser para descarga) o pistão, uma vez terminado o seu curso, se encontra a uma distância máxima da sede de vedação: a válvula está aberta.
EFEITO SIMPLES - SR N.O. Ao introduzir ar no furo de comando “A” (o furo “B” deve ser para descarga), o pistão, uma vez terminado o seu curso, pressiona a guarnição da sede de vedação: a válvula está fechada.
EFEITO SIMPLES - SR N.O. A mola está alojada na câmara “B1” o que significa que, na ausência de comando, o pistão está em contato com a guarnição da sede de vedação: a posição preferencial é, portanto, a fechada.
EFEITO DUPLO - DA Ao introduzir ar no furo de comando “A” (o furo “B” deve ser para descarga), o pistão, uma vez terminado o seu curso, pressiona a guarnição da sede de vedação: a válvula está fechada. Ímã para interruptor de limite: a ser solicitado ao fazer o pedido.
EFEITO DUPLO - DA Ao introduzir ar no furo de comando “B” (o furo “A” deve ser para descarga) o pistão, uma vez terminado o seu curso, se distancia da sede de vedação: a válvula está aberta.
Ímã para interruptor de limite: a ser solicitado durante o pedido.
Versões Efeito Duplo DA: mola para dispositivo antiestático incluída.
| VÁLVULA SOLENÓIDE NAMUR | |||||
| Válvula solenóide | ER8188A2 | ER8188A4 | ER8188A5 | ER8188C2 | ER8188C4 |
| Voltagem | 24V AC | 115V AC | 230V AC | 24V DC | 110V DC |
Válvula solenóide 5/2 de acordo com NAMUR
• A válvula solenóide é configurada para a seleção entre a função de 5/2 e 3/2
vias que é executada usando a placa de interface apropriada da válvula solenóide.
• Potência absorvida D.C.: 2,5 W.
Potência absorvida A.C.: 2 W.
• Tolerância da tensão de alimentação: ± 10%.
• Classe de isolamento da bobina: F.
• Grau de proteção com conector: IP 65.
• Conexão elétrica: PG 9.
• Conexões pneumáticas: alimentação 1/4”; descarga 1/4” ISO 228.
• Pressão máxima da válvula solenóide: 10 bar (145 psi).
• Temperatura do fluido de alimentação: de -10°C a +80°C (de 14°F a 176°F).
• Temperatura ambiente: de -10°C a + 50°C (de 14°F a 122°F).
| MICRO VÁLVULA SOLENÓIDE | |||||
| Válvula solenóide | EP415024 | EP415110 | EP415220 | EP412012 | EP412024 |
| Voltagem | 24V AC | 115V AC | 230V AC | 12V DC | 24V DC |
Micro Válvula solenóide universal compacta
• A conexão da válvula solenóide é realizada diretamente na entrada de ar do atuador, eliminando qualquer peça intermediária e parafusos de fixação.
• Válvula solenóide do tipo 3/2 com um solenóide disponível com as seguintes tensões: 24-110-220V AC; 12-24V DC.
• Potência absorvida na partida - A.C.: 9 VA.
• Potência absorvida em estado estacionário - D.C.: 5 W.
• Potência absorvida em estado estacionário - A.C.: 6 VA.
• Tolerância da tensão de alimentação: ±10%.
• Classe de isolamento do fio de cobre: H.
• Classe de isolamento da bobina: F.
• Grau de proteção com conector: IP 65.
• Conexão elétrica: PG 9 (ajustável 360°)
• Conexão pneumática: 1/8” ISO 228 (ajustável 360°).
• Pressão máxima da válvula solenóide: 10 bar (145 psi).
• Temperatura do fluido de alimentação: de -10°C a +50°C (de 14°F a 122°F).
• Temperatura ambiente: de -10°C a + 50°C (de 14°F a 122°F).
• Diâmetro de passagem nominal 1,3 mm (0,05 pol.).
| INTERRUPTOR DE LIMITE |
VIP EVO está configurado para o uso de interruptores de limite indutivos a contato magnético, com LEDs de sinalização, que são fornecidas com um kit que permite a rápida fixação nas ranhuras laterais do corpo. Os ímãs para detectar a posição por meio de interruptores de limite se encontram dentro, consequentemente eles podem ser instalados somente durante a montagem do VIP EVO e não em fase sucessiva. Por esse motivo, é necessário especificar na hora do pedido o requerimento do ímã.
| DADOS TÉCNICOS DO INTERRUPTOR DE LIMITE | ||||||||
| Modelo elétrico | REED (PNP/NPN) | REED (PNP) | HALL (PNP) | HALL (PNP) | ||||
| Tipo de contato | N.O. | N.O. | N.O. | N.O. | ||||
| Tensão de alimentação | V | 5-120 AC/DC | 5-50 AC/DC | 10-30 DC | 10-30 DC | |||
| Capacidade de corrente permanente da saída de comutação AC | mA | 100 | 350 | - | - | |||
| Capacidade de corrente permanente da saída de comutação DC | mA | 100 | 500 | 100 | 100 | |||
| Grau de proteção | IP 67 | IP 67 | IP 69K | IP 67 | ||||
| Temperatura ambiente | °C | -25/70 | -25/+70 | -25/+85 | -25/+60 | |||
| °F | -13÷158 | -13 ÷ +158 | -13/185 | -13/+140 | ||||
| Número de fios | 2 | 3 | 3 | 3 | ||||
| Comprimento do fio | m | 2 | 2 | 0,3 | 2 | 0,3 | 2 | 0,3 |
| ft | 6,56 | 6,56 | 1 | 6,56 | 1 | 6,56 | 1 | |
| Conexão | Direto | Direto | M12 | Direto | M12 | Direto | M12 | |
| Categoria Atex | - | - | - | II 3D Ex tc IIIC T125°C Dc C | ||||
| Certificações | CE/UKCA/UL/EAC/CCC | CE/UKCA/UL/EAC/CCC | CE/UKCA/UL/EAC | CE/UKCA/EAC | ||||
| Códigos | FM7B7200 | FM7B9200 | FM7B9112 | FM7C3200 | FM7C3112 | FM7A3200 | FM7A3112 | |
| Material | PA / Inox | |||||||
| BASE DE INTERFACE NAMUR |