1. Géométrie interne développée pour minimiser les chutes de pression.
Une étude de la dynamique des fluides du passage interne a été réalisée afin de maximiser le coefficient de débit.
2. Actionneur et vanne intégrés dans un produit unique.
Plus petite encombrement qu'une vanne actionnée.
3. Piston avec nickelage chimique (20-25 microns).
Protection accrue contre les agents corrosifs.
Réduction de l'usure des garnitures grâce à une dureté de la surface accrue (400-550 HV).
4. Joint à lèvres.
Réduction de l’usure de la garniture par rapport à un joint torique.
5. Trous de vérification de l'étanchéité des joints à lèvres.
Les trous permettent de vérifier les éventuelles fuites des joints à lèvres, évitant que le fluide véhiculé ne retourne dans le système d'alimentation en air.
6. Garniture support de siège.
Support de siège en 316 L pour une compatibilité chimique maximale.
Différentes garnitures d'étanchéité.
Compatibilité maximale avec différents types de fluides selon la garniture montée (EPDM, NBR, FKM).
Emplacements pour le montage des capteurs intégrés.
Les capteurs de position des vannes peuvent être montés des deux côtés pour optimiser les encombrements.
Pas de pièces mobiles externes.
Aucun risque de blessure du fait des pièces mobiles.
Montage facile dans n'importe quelle position.
Longue durée de vie garantie.
Dure jusqu'à 10 fois plus longtemps que la vanne à boisseau, avec des coûts de maintenance réduits.
Processus de production entièrement réalisé par OMAL.
Contrôle maximal durant toutes les phases d'usinage.
Consommation d’air réduite.
Économie d'air d'au moins 70 % par rapport à une vanne actionnée par un actionneur à simple effet, ce qui se traduit par une réduction de la charge de travail du compresseur ou la possibilité d'utiliser un compresseur plus petit.
Certificat ATEX.
Permet son installation en présence d'un milieu potentiellement explosible.
Certificat DESP.
Conformité totale aux normes de sécurité européennes pour les équipements sous pression.
Certificat jusqu’à SIL 3.
Niveau de sécurité fonctionnelle élevé.
CARACTÉRISTIQUES GÉNÉRALES
• Disponible dans les versions à double effet « DA » et à simple effet « SR » (normalement ouvertes et normalement fermées) avec des mesures allant de 3/8” à 2”.
• Flux unidirectionnel.
• P MAX 40 bar (580 psi) dans la direction indiquée.
• Raccords filetés GAZ EN 10226-1 Rp (Ex ISO 7/1) - DIN 2999 ; NPT.
• Raccordements du fluide de commande filetés (NAMUR avec embase sur demande).
• L'optimisation de la dynamique interne des fluides a permis la création d'une conduite avec des pertes de charge minimales.
• Peut s’utiliser dans n'importe quelle position de montage (horizontale, verticale, oblique).
• Garniture d'étanchéité principale PTFE = + VERRE.
• Joints à lèvres et joints toriques :
- NBR : compatible avec l'air, les fluides gazeux, les huiles, l'eau, etc.
- FKM : excellente compatibilité avec la plupart des fluides. Déconseillé pour la vapeur.
- EPDM : excellente compatibilité avec eau chaude. Non compatible avec les produits minéraux (huiles, graisses, etc.).
• Possibilité de signaler l'ouverture ou la fermeture de la vanne par l'application de fins de course inductifs avec contact magnétique externes (disponibles sur demande). À préciser lors de la commande pour 'achat de la version VIP EVO avec aimant interne.
• Taux de fuite classe VI selon IEC 60534-4 (ANSI-FCI 70-2 classe VI).
• Conforme à la directive européenne 2014/68/UE « DESP ».
• Configuration ATEX 2014/34/UE à demander lors de la commande.
• Étanchéité au vide : taux de fuite <5·10-5 mbar·l/s (Valeur inférieure à 2 g d’air à température ambiante par an).
FLUIDE DE COMMANDE :
• Air comprimé filtré, pas nécessairement lubrifié ; selon la norme UNI EN 15714-3:2009.
• En cas de lubrification, utiliser une huile compatible avec les garnitures utilisées.
• Pression de commande :
- Double effet : min. 3 bar (44 psi) ; max. 8,5 bar (123 psi).
- Simple effet N.F. : min. 4 bar (58 psi) ; max. 8,5 bar (123 psi).
- Simple effet N.O. : min. 4,5 bar (65 psi) ; max. 8,5 bar (123 psi).
FLUIDE VÉHICULÉ :
• Pression : max. 40 bar (580 psi), voir diagramme.
• Température :
- NBR (also version with magnet): from -20°C (-4°F) a +80°C (176°F)
- EPDM and FKM without magnet: from -20°C (-4°F) a +150°C (302°F)
- EPDM and FKM with magnet: from -20°C (-4°F) a +90°C (194°F)
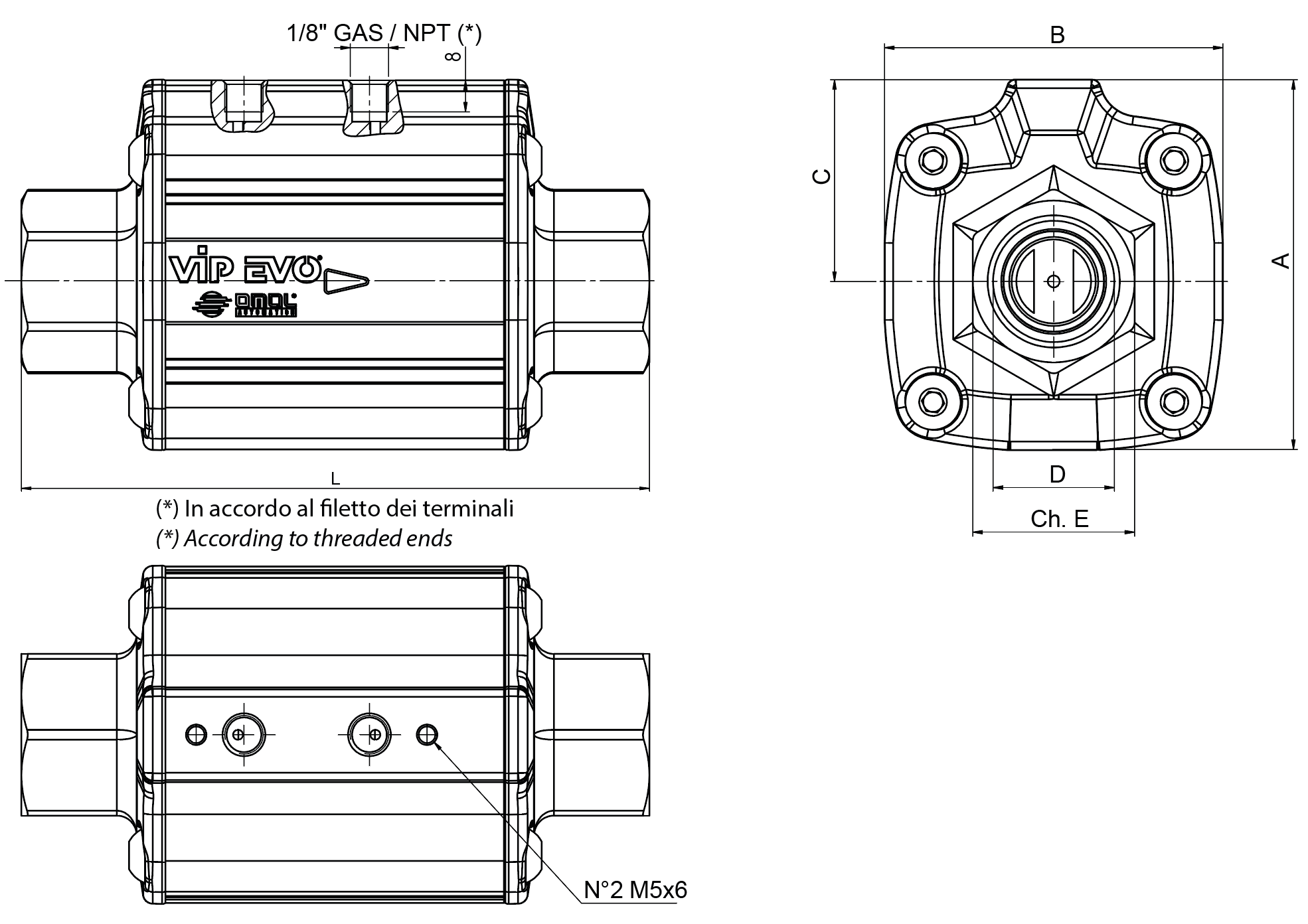
| DIMENSIONS [métriques] | ||||||||
| DN diamètre nominal | mm | 10 | 15 | 20 | 25 | 32 | 40 | 50 |
| D Filetage | GAS / NPT 3 | 3/8” | 1/2” | 3/4” | 1” | 1”1/4 | 1”1/2 | 2” |
| Passage | mm | 10,5 | 16 | 20,8 | 26,6 | 33,5 | 41 | 51 |
| A | mm | 63 | 73,5 | 85,5 | 94 | 110 | 123,5 | 134 |
| B | mm | 56 | 66 | 78,5 | 86 | 103 | 115,5 | 123,5 |
| L | mm | 120 | 134,5 | 154 | 159 | 185 | 211 | 228 |
| ch. E | mm | 22 | 27 | 34 | 41 | 50 | 60 | 70 |
| C | mm | 35,5 | 40,5 | 47 | 51 | 60 | 66 | 72,5 |
| Double effet « DA » - Volume d’air | dm3/cycle | 0,024 | 0,039 | 0,074 | 0,082 | 0,15 | 0,22 | 0,25 |
| Simple effet « SR » - Volume d’air | dm3/cycle | 0,011 | 0,021 | 0,034 | 0,037 | 0,07 | 0,10 | 0,13 |
| Double effet « DA » - Poids | Kg | 1,1 | 1,7 | 2,5 | 3 | 4,7 | 7,2 | 8 |
| Simple effet « SR » - Poids | Kg | 1,15 | 1,8 | 2,6 | 3,1 | 4,9 | 7,5 | 8,3 |
| Délai d'actionnement | ms | 25/40 | 30/55 | 40/60 | 45/70 | 50/80 | 70/120 | 100/160 |
| DIMENSIONS [système impérial] | ||||||||
| D Filetage | GAS / NPT | 3/8” | 1/2” | 3/4” | 1” | 1”1/4 | 1”1/2 | 2” |
| Passage | en | 0,41 | 0,63 | 0,82 | 1,05 | 1,32 | 1,61 | 2,01 |
| A | en | 2,48 | 2,89 | 3,37 | 3,70 | 4,33 | 4,86 | 5,28 |
| B | en | 2,20 | 2,60 | 3,09 | 3,39 | 4,06 | 4,55 | 4,86 |
| L | en | 4,72 | 5,30 | 6,06 | 6,26 | 7,28 | 8,31 | 8,98 |
| ch. E | en | 0,87 | 1,06 | 1,34 | 1,61 | 1,97 | 2,36 | 2,76 |
| C | en | 1,40 | 1,59 | 1,85 | 2,01 | 2,36 | 2,60 | 2,85 |
| Double effet « DA » - Volume d’air | en3/cycle | 1,46 | 2,38 | 4,52 | 5,00 | 9,15 | 13,43 | 15,26 |
| Simple effet « SR » - Volume d’air | en3/cycle | 0,67 | 1,28 | 2,07 | 2,26 | 4,27 | 6,10 | 7,93 |
| Double effet « DA » - Poids | lb | 2,43 | 3,75 | 5,51 | 6,61 | 10,36 | 15,87 | 17,64 |
| Simple effet « SR » - Poids | lb | 2,54 | 3,97 | 5,73 | 6,83 | 10,80 | 16,53 | 18,30 |
| Délai d'actionnement | ms | 25/40 | 30/55 | 40/60 | 45/70 | 50/80 | 70/120 | 100/160 |
| MATÉRIAUX | ||||
| Pos. | Description | Qté | Matériaux | Traitement |
| 1 | Cylindre actionneur de pilotage | 1 | Aluminium | Anodisation noire |
| 2 | Manchon de sortie | 1 | Laiton CW617N | Nickelage |
| 3 | Manchon d'entrée | 1 | Laiton CW617N | Nickelage |
| 4 | Piston | 1 | Laiton CW617N | Nickelage |
| 5 | Support interne | 1 | Laiton CW614N | - |
| 6* | Support de siège | 1 | 316L S.S. | - |
| 7* | Garniture | 1 | PTFE+15% verre | - |
| 8* | Joint torique garniture | 1 | NBR/EPDM/FKM | - |
| 9* | Douille de butée | 1 | Laiton CW614N | - |
| 10** | Lèvre | 2 | NBR/EPDM/FKM | - |
| 11** | Joint torique piston de commande | 1 | NBR/EPDM/FKM | - |
| 12** | Joint torique piston interne | 2 | NBR/EPDM/FKM | - |
| 13* | Joint torique corps manchon | 1 | NBR/EPDM/FKM | - |
| 14* | Joint torique avant | 2 | NBR/EPDM/FKM | - |
| 15** | Joint torique support | 3 | NBR/EPDM/FKM | - |
| 16 | Vis de fermeture | 8 | A2-70 | - |
| 17 | Rondelle | 1 | A2 (304 S.S.) | - |
| 18 | Vis | 1 | A2-70 | - |
| 19 | Ressort | 1 | 301 S.S. | - |
| 20 | Aimant | 1 | Plasto-ferrite | - |
| NBR | KIT DE RECHANGE POUR GARNITURES NBR | ||
| DN [mm] | [pouces] | Kit de rechange de la garniture principale | Kit de rechange complet |
| 10 | 3/8" | KGEB203 | KGEB203C |
| 15 | 1/2" | KGEB204 | KGEB204C |
| 20 | 3/4" | KGEB205 | KGEB205C |
| 25 | 1" | KGEB206 | KGEB206C |
| 32 | 1"1/4 | KGEB207 | KGEB207C |
| 40 | 1"1/2 | KGEB208 | KGEB208C |
| 50 | 2" | KGEB209 | KGEB209C |
| EPDM | KIT DE RECHANGE POUR GARNITURES EPDM | ||
| DN [mm] | [pouces] | Kit de rechange de la garniture principale | Kit de rechange complet |
| 10 | 3/8" | KGEE203 | KGEE203C |
| 15 | 1/2" | KGEE204 | KGEE204C |
| 20 | 3/4" | KGEE205 | KGEE205C |
| 25 | 1" | KGEE206 | KGEE206C |
| 32 | 1"1/4 | KGEE207 | KGEE207C |
| 40 | 1"1/2 | KGEE208 | KGEE208C |
| 50 | 2" | KGEE209 | KGEE209C |
| FKM | KIT DE RECHANGE POUR GARNITURES FKM | ||
| DN [mm] | [pouces] | Kit de rechange de la garniture principale | Kit de rechange complet |
| 10 | 3/8" | KGEV203 | KGEV203C |
| 15 | 1/2" | KGEV204 | KGEV204C |
| 20 | 3/4" | KGEV205 | KGEV205C |
| 25 | 1" | KGEV206 | KGEV206C |
| 32 | 1"1/4 | KGEV207 | KGEV207C |
| 40 | 1"1/2 | KGEV208 | KGEV208C |
| 50 | 2" | KGEV209 | KGEV209C |
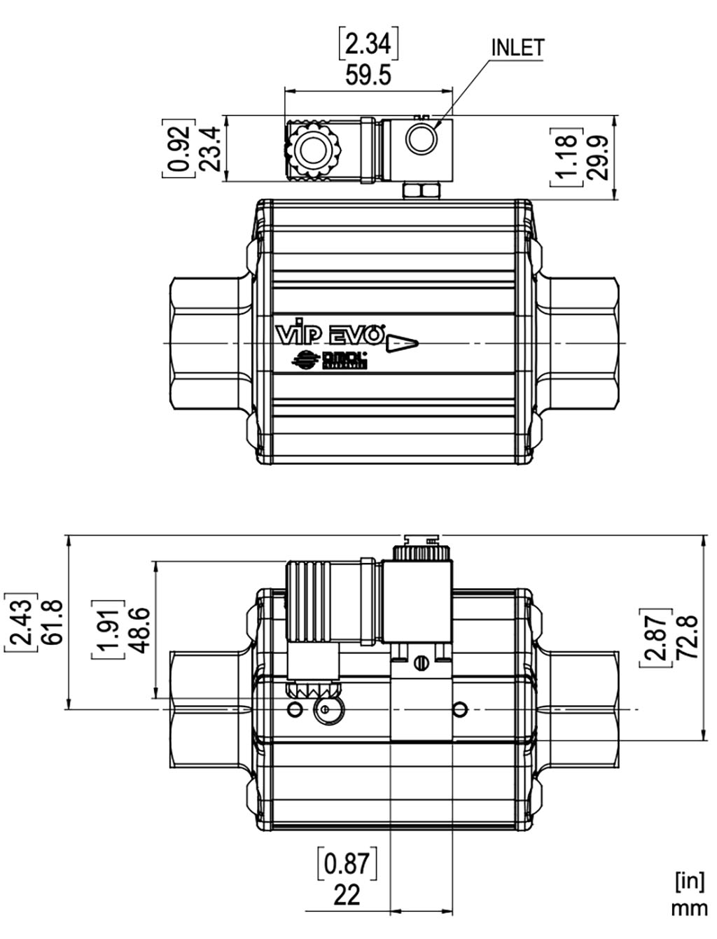
PRINCIPE DE FONCTIONNEMENT
La vanne d'arrêt pneumatique « VIP EVO » est l'évolution de la vanne « VIP ». « VIP EVO » est en tout point une vanne automatique qui regroupe, en un seul appareil, le mécanisme d'interception (entre le conduit IN-OUT) et le mécanisme de commande (A-B). Son principe de fonctionnement est basé sur le mouvement interne d'un piston, sous l’effet de la pression du fluide de commande. Après avoir terminé sa course, le piston ( la vanne VIP EPO est une vanne tout-ou-rien ), presse sur la garniture du siège d'étanchéité ou se détache de celui-ci, permettant ou empêchant le passage du liquide véhiculé. Étant donné que la garniture d'étanchéité est appliquée sur le siège et que les pressions du fluide véhiculé se déchargent sur celui-ci, la pression nécessaire au mouvement du piston est peu affectée par celle du fluide véhiculé. Cela nous a permis de limiter les poids et les encombrements et de garantir un nombre très élevé d'ouvertures et de fermetures. La dynamique des fluides internes a été étudiée afin de réduire au minimum les turbulences et les chutes de pression.
VANNE FERMÉE
SIMPLE EFFET - SR N.F. Le ressort est logé dans la chambre « A1 », ce qui signifie que, en l'absence de commande, le piston est en contact avec la garniture du siège d'étanchéité : la position préférentielle est donc celle fermée.
VANNE OUVERTE
SIMPLE EFFET - SR N.F. En faisant entrer de l’air dans le trou de commande « B » ( le trou « A » doit être en purge ), le piston, une fois que sa course est terminée, se trouve le plus loin possible du siège d'étanchéité : la vanne est alors ouverte.
SIMPLE EFFET - SR N.O. En faisant entrer de l’air dans l’e trou de commande « A » ( le trou « B » doit être en purge ), le piston, une fois que sa course est terminée, presse sur la garniture du siège d'étanchéité : la vanne est alors fermée.
SIMPLE EFFET - SR N.O. Le ressort est logé dans la chambre « B1 », ce qui signifie qu'en l'absence de commande, le piston est éloigné du siège d'étanchéité : la position préférentielle est donc celle ouverte.
DOUBLE EFFET - DA En faisant entrer de l’air dans le trou de commande « A » ( le trou « B » doit être en purge ), le piston presse sur la garniture du siège d'étanchéité : la vanne est alors fermée. Aimant de fin de course: à demander lors de la commande.
DOUBLE EFFET - DA En faisant entrer de l’air dans le trou de commande « B » ( le trou « A » doit être en purge ), le piston s'éloigne du siège d'étanchéité : la vanne est alors ouverte.
Aimant de fin de course: à demander lors de la commande.
Versions double effet DA: ressort inclus pour dispositif anti-statique.
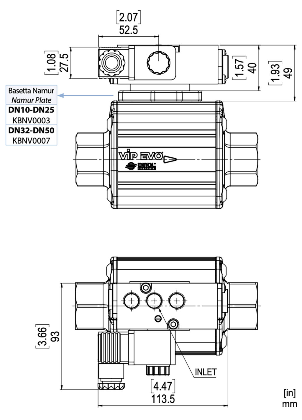
| ÉLECTROVANNE NAMUR | |||||
| Électrovanne | ER8188A2 | ER8188A4 | ER8188A5 | ER8188C2 | ER8188C4 |
| Tension | 24V CA | 115V CA | 230V CA | 24V CC | 110V CC |
Électrovanne 5/2 selon la norme NAMUR
• L'électrovanne est configurée pour choisir entre la fonction 5/2 et 3/2 voies effectuée à l'aide du plan de pose approprié de l'électrovanne.
• Puissance absorbée CC : 2,5 W.
• Puissance absorbée CA : 2 W
• Tolérance tension d'alimentation : ±10 %.
• Classe d’isolation de la bobine : F.
• Indice de protection avec connecteur : IP 65.
• Raccordement électrique : PG 9.
• Raccordements pneumatiques : alimentation 1/4" ; échappement 1/4" ISO 228
• Pression électrovanne max. : 10 bar (145 psi).
• Température fluide d'alimentation : de -10 °C à +80 °C (de 14 °F à 122 °F).
• Température ambiante : de -10 °C à +50 °C (de 14 °F à 122 °F).
| MICRO-ÉLECTROVANNE | |||||
| Électrovanne | EP415024 | EP415110 | EP415220 | EP412012 | EP412024 |
| Tension | 24V CA | 115V CA | 230V CA | 12V CC | 24V CC |
Micro-électrovanne universelle compacte
• L’électrovanne est raccordée directement à la prise d’air de l’actionneur, éliminant ainsi toute pièce intermédiaire et vis de fixation.
• Électrovanne de type 3/2 avec solénoïde disponible avec les tensions suivantes : 24-110-220V CA ; 12-24V CC.
• Puissance absorbée au démarrage - CA : 9 VA.
• Puissance absorbée à plein régime - CC : 5 W.
• Puissance absorbée à plein régime - CA : 6 VA.
• Tolérance tension d’alimentation : ±10 %.
• Classe d'isolation du fil de cuivre : H.
• Classe d’isolation de la bobine : F.
• Indice de protection avec connecteur : IP 65.
• Raccordement électrique : PG 9 (orientable à 360°).
• Raccordement pneumatique : 1/8” ISO 228 (orientable à 360°).
• Pression électrovanne max. : 10 bar (psi).
• Température fluide d'alimentation : de -10 °C à +50 °C (de 14 °F à 122 °F).
• Température ambiante : de -10 °C à +50 °C (de 14 °F à 122 °F).
• Diamètre nominal de passage 1,3 mm (0,05 in).
| FIN DE COURSE |
La vanne VIP EVO a été conçue pour l'utilisation de fin de course magnétique, avec des LED de signalisation, fournis avec un kit permettant leur fixation rapide dans les rainures latérales du corps. Les aimants permettant de détecter la position au moyen de fin de course se trouvent à l'intérieur. Par conséquent, ils ne peuvent être installés que pendant le montage de la VIP EVO et non après. C’est pourquoi il est nécessaire d’indiquer, au moment de la commande, l’éventuelle demande d’un aimant.
| DONNÉES TECHNIQUES FIN DE COURSE | ||||||||
| Modèle électrique | REED (PNP/NPN) | REED (PNP) | HALL (PNP) | HALL (PNP) | ||||
| Type de contact | N.O. | N.O. | N.O. | N.O. | ||||
| Tension d'alimentation | V | 5-120 AC/DC | 5-50 AC/DC | 10-30 DC | 10-30 DC | |||
| Capacité de courant permanente de la sortie de commutation CA | mA | 100 | 350 | - | - | |||
| Capacité de courant permanente de la sortie de commutation CC | mA | 100 | 500 | 100 | 100 | |||
| Indice de protection | IP 67 | IP 67 | IP 69K | IP 67 | ||||
| Température ambiante: | °C | -25/70 | -25/+70 | -25/+85 | -25/+60 | |||
| °F | -13÷158 | -13 ÷ +158 | -13/185 | -13/+140 | ||||
| Nombre de câbles | 2 | 3 | 3 | 3 | ||||
| Longueur de câble | m | 2 | 2 | 0,3 | 2 | 0,3 | 2 | 0,3 |
| ft | 6,56 | 6,56 | 1 | 6,56 | 1 | 6,56 | 1 | |
| Raccordement | Direct | Direct | M12 | Direct | M12 | Direct | M12 | |
| Catégorie Atex | - | - | - | II 3D Ex tc IIIC T125°C Dc C | ||||
| Certificats | CE/UKCA/UL/EAC/CCC | CE/UKCA/UL/EAC/CCC | CE/UKCA/UL/EAC | CE/UKCA/EAC | ||||
| Codes | FM7B7200 | FM7B9200 | FM7B9112 | FM7C3200 | FM7C3112 | FM7A3200 | FM7A3112 | |
| Matériau | PA / Inox | |||||||
| INTERFACE EMBASE NAMUR |