OMAL,<br>EMPOWERED<br>PERFORMANCE
OMAL,
EMPOWERED
PERFORMANCE
วาล์วและแอคชูเอเตอร์
โซลูชันขั้นสูงสำหรับการควบคุมของไหลและระบบอัตโนมัติในกระบวนการ

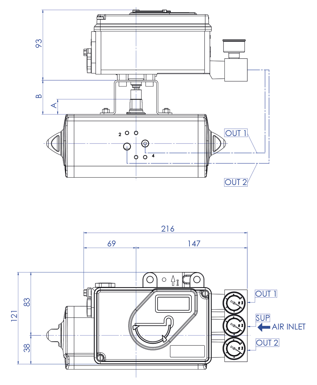
ตัวปรับตำแหน่งอิเล็กโทรนิวเมติก KPFE ช่วงสัญญาณ 4-20mA

การผลิตตามมาตรฐาน ATEX
มาตรฐาน
วาล์วสปูลมาตรฐาน
เวอร์ชันแบบดับเบิลแอคติ้ง
มี
แมนิโฟลด์พร้อมเกจวัดความดัน
มี
กล่องอะลูมิเนียมพ่นสีอีพ็อกซี
มาตรฐาน
กล่องสแตนเลส
ออปชัน

เมื่อซื้อตัวปรับตำแหน่งที่ติดตั้งมากับแอคชูเอเตอร์นิวเมติกของ OMAL S.p.A. จะได้รับอุปกรณ์ที่ปรับเทียบเรียบร้อยแล้ว หากไม่ได้ติดตั้งจากโรงงาน การตั้งค่าจะเป็นความรับผิดชอบของลูกค้าเอง โดย OMAL S.p.A. จะไม่รับผิดชอบในกรณีดังกล่าว

คุณสมบัติทางเทคนิค
- ตัวปรับตำแหน่งแบบแอนะล็อก พร้อมสัญญาณอินพุต 4–20 mA ออกแบบมาเพื่อควบคุมแอคชูเอเตอร์นิวเมติก สามารถตั้งค่าได้ง่ายด้วยสวิตช์และโพเทนชิโอมิเตอร์ รุ่นที่มีสัญญาณป้อนกลับจะมีตัวส่งสัญญาณตำแหน่งเพื่อการตรวจสอบการทำงานของวาล์วอย่างต่อเนื่อง (4–20 mA)
- ตัวเรือนอะลูมิเนียมพ่นสีอีพ็อกซี อุณหภูมิการทำงาน: ตั้งแต่ -40°C ถึง 80°C
- รุ่น: แบบซิงเกิลแอคติ้ง / ดับเบิลแอคติ้ง
- อินพุต: สัญญาณ 4–20 mA
- อินพุต/เอาต์พุตเพิ่มเติม: ไม่มี
- สวิตช์จำกัดตำแหน่ง: ไม่มี
- ช่องสอดสายไฟ: M20x1.5 พร้อมคัปเปิลเกลียวกันน้ำ
- การป้องกัน: IP65 (IP66 ตามคำขอ)

อุปกรณ์ที่รวมมาให้
- ตัวขยายแรงลมแบบ “สปูลวาล์ว”
- แมนิโฟลด์พร้อมเกจวัดความดัน พร้อมข้อต่อขนาด 1/4-18 NPT
- ชุดติดตั้งสำหรับแอคชูเอเตอร์แบบหมุน ตามมาตรฐาน VDI/VDE 3845

อุปกรณ์เสริมตามคำขอ
- ระบบส่งสัญญาณป้อนกลับตำแหน่ง 4–20 mA แบบนิรภัยภายใน
- สวิตช์ลิมิต NAMUR จำนวน 2 ตัว / ไมโครสวิตช์แบบ PNP นิรภัยภายใน
- ตัวเรือนสแตนเลส 316
- ตัวเรือนสแตนเลส 316 พร้อมเกจวัดความดัน

การรับรองมาตรฐาน
- ตามคำขอ

FOXBORO ECKART-SRI990

หมายเหตุ
ตัวปรับตำแหน่งแบบนิวเมติกและอิเล็กโทรนิวเมติกจะจัดส่งตามคำขอ โดยได้รับการปรับตั้งล่วงหน้าและติดตั้งโดยใช้ท่ออะลูมิเนียมหุ้มพร้อมข้อต่อแบบเร็ว

การปรับตั้ง A = 0° - 90°:
• สัญญาณควบคุม 4 mA: ตำแหน่งปิด
• สัญญาณควบคุม 20 mA: ตำแหน่งเปิด
การปรับตั้ง D = 90° - 0°:
• สัญญาณควบคุม 4 mA: ตำแหน่งเปิด
• สัญญาณควบคุม 20 mA: ตำแหน่งปิด

สำหรับข้อมูลเพิ่มเติม กรุณาดูคู่มือการใช้งานและบำรุงรักษา

ตัวปรับตำแหน่งสำหรับแอคชูเอเตอร์แบบดับเบิลแอคติ้ง

ตัวปรับตำแหน่งสำหรับแอคชูเอเตอร์แบบสปริงรีเทิร์น

สำหรับขนาด A และ B โปรดดูหน้า 19 ของแค็ตตาล็อกอุปกรณ์เสริม

ค้นหารหัส 
ปิด X

กิจกรรมถัดไป

IVS - Industrial Valve Summit 2026
IVS - Industrial Valve Summit 2026
Bergamo, Italy, 19 - 21 may 2026