images/testate/1600x499accattuatori.jpg

KPFE Posizionatore elettropneumatico 4-20mA

Esecuzione ATEXSTANDARD
Spoll ValveSTANDARD
Versione doppio EffettoSI
Manifold completo di manometriSI
Custodia in Alluminio Verniciata EpossidicaSTANDARD
Custodia INOXOPZIONE

IL POSIZIONATORE È VENDUTO GIÀ TARATO SE ACQUISTATO IN UN ASSIEME CON ATTUATORE PNEUMATICO DI OMAL S.P.A.; INVECE SE VENDUTO SINGOLARMENTE, LA RESPONSABILITÀ DELLA TARATURA È A CARICO DEL CLIENTE. OMAL S.P.A. NON SI RITIENE RESPONSABILE DEL SET-UP.

CARATTERISTICHE PRINCIPALI
- Posizionatore elettropneumatico analogico con ingresso 4-20 mA. Progettato per il controllo di attuatori pneumatici. Semplicità di configurazione tramite Switches e Potenziometri. Nella versione con feedback, lo strumento è dotato di ritrasmissione della posizione per il monitoraggio continuo della valvola (4 – 20 mA).
- Custodia in Alluminio verniciato con Resina Epossidica Temperatura esercizio: da -40°C a 80°C
- VERSIONE: Singolo / Doppio effetto
- INPUT: Segnale 4-20 mA
- INPUTS/OUTPUTS ADDIZIONALI: No
- LIMIT SWITCHES INTERNI: No
- ATTACCO ELETTRICO: M20x1.5, completo di Cable Gland
- Grado di protezione ambientale: IP65 (IP66 a richiesta)

ACCESSORI INCLUSI
- Amplificatore pneumatico tipo “Spool Valve”
- Manifold completo di manometri, con attacco al processo 1/4-18 NPT
- Kit montaggio per attuatore rotativo, in accordo a VDI/VDE 3845

OPZIONI A RICHIESTA
- Trasmissione Posizione valvola 4-20 mA a sicurezza intrinseca
- N° 2 Limit Switches NAMUR / PNP micro switches a sicurezza intrinseca
- Custodia in acciaio Inox 316
- Custodia e manometri in acciaio Inox 316

CERTIFICAZIONI
- A richiesta

FOXBORO ECKART-SRI990

NOTE
I posizionatori pneumatici ed elettropneumatici vengono forniti a richiesta regolati e montati utilizzando tubi in alluminio rivestito e raccordi rapidi.

Regolazione A = 0° - 90°:
- Segnale di comando 4mA: posizione chiuso
- Segnale di comando 20mA: posizione aperto
Regolazione D = 90° - 0°:
- Segnale di comando 4mA: posizione aperto
- Segnale di comando 20mA: posizione chiuso

Per altre informazioni vedere il manuale d’uso e manutenzione.

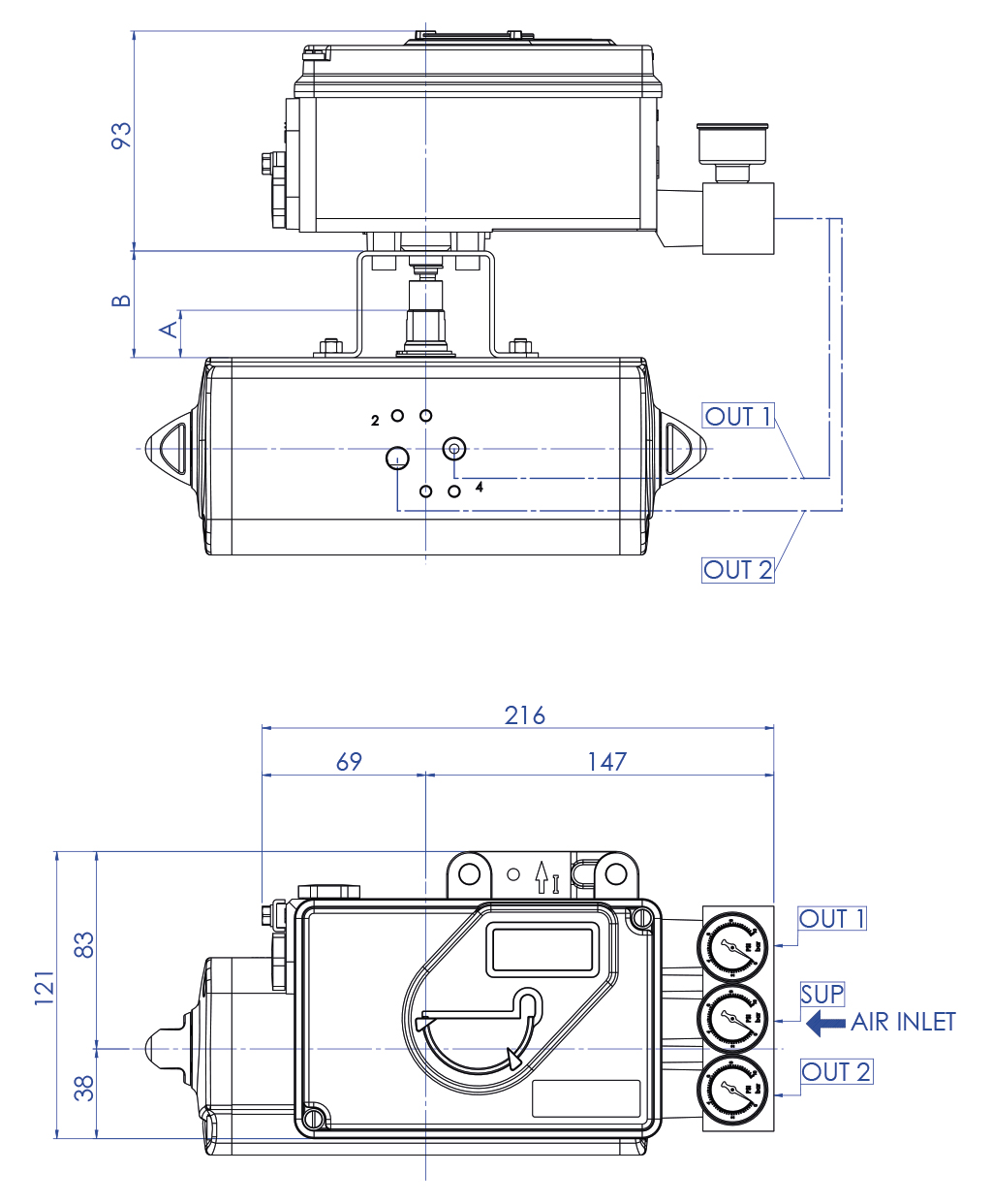
Posizionatore con attuatore Doppio Effetto

Posizionatore con attuatore Semplice Effetto

Per le quote A e B vedere pag. 19 del catalogo accessori.

CERCA IL CODICE 
X CHIUDI

PROSSIMO EVENTO

IVS - Industrial Valve Summit 2026
IVS - Industrial Valve Summit 2026
Bergamo, Italia, 19 - 21 maggio 2026