images/testate/1600x499accattuatori.jpg

KPFE Posicionador electroneumático 4-20mA

Ejecución ATEX
ESTÁNDAR
Válvula de carrete
ESTÁNDAR
Versión doble efecto
SI
Colector con manómetros
SI
Funda de aluminio barnizada epoxídica
ESTÁNDAR
Funda INOX
OPCIÓN

EL POSICIONADOR SE VENDE YA CALIBRADO SI SE COMPRA CON EL ACTUADOR NEUMÁTICO DE OMAL S.P.A.; POR EL CONTRARIO, SI SE VENDE SOLO, LA RESPONSABILIDAD DEL CALIBRADO ES A CARGO DEL CLIENTE. OMAL S.P.A. NO SE HACE RESPONSABLE DEL AJUSTE.

CARACTERÍSTICAS PRINCIPALES
- Posicionador electroneumático analógico con entrada 4-20 mA. Diseñado para controlar los actuadores neumaticos. Fácil de configurar mediante Interruptores y - Potenciómetros. En la versión con retroalimentación, la herramienta cuenta con retransmisión de la posición para el monitoreo continuo de la válvula (4 – 20 mA).
- Funda de aluminio barnizado con resina epoxídica Temperatura de funcionamiento: de -40°C a 80°C
- VERSIÓN: Simple / Doble efecto
- ENTRADA: Señal 4-20 mA
- ENTRADAS/SALIDAS ADICIONALES: No
- INTERRUPTORES DE TOPE INTERNOS: No
- EMPALME ELÉCTRICO: M20x1.5, con prensaestopas
- Grado de protección ambiental: IP65 (IP66 bajo pedido)

ACCESORIOS INCLUIDOS
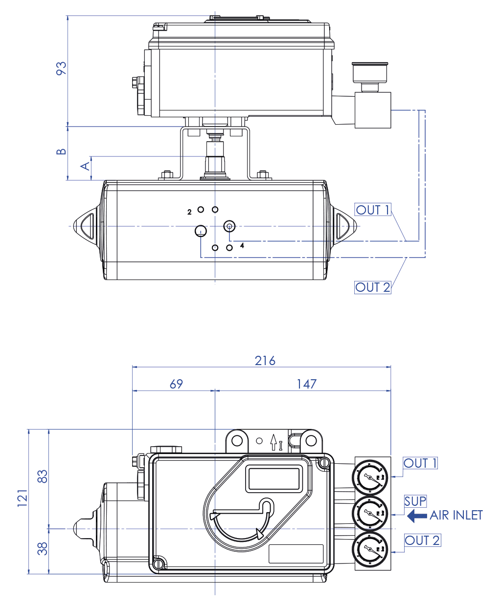
- Amplificador neumático tipo "Válvula de carrete"
- Colector con manómetros,con empalme en el proceso 1/4-18 NPT
- Kit de montaje para actuador rotativo, de conformidad con VDI/VDE 3845

OPCIONES BAJO PEDIDO
- Trasmisión de posición de la válvula 4-20 mA de seguridad intrínseca
- 2 Interruptores de tope NAMUR / PNP microinterruptores de seguridad intrínseca
- Funda de acero inox 316
- Funda y manómetros de acero inox. 316

CERTIFICACIONES
- Bajo pedido

FOXBORO ECKART-SRI990

NOTAS
Los posicionadores neumáticos y electroneumáticos se proporcionan bajo pedido
Regulados y montados utilizando tubos de aluminio revestido y empalmes rápidos.

Regulación A = 0° - 90°:
- Señal de mando 4mA: posición cerrada
- Señal de mando 20mA: posición abierta
Regulación D = 90° - 0°:
- Señal de mando 4mA: posición abierta
- Señal de mando 20mA: posición cerrada

Para más información ver el manual de uso y mantenimiento.

Posicionador con actuador Doble Efecto

Posicionador con actuador Simple Efecto

Para las dimensiones A y B véase la pág. 19.

BUSCAR CóDIGO 
X CERRAR

SIGUIENTE EVENTO

Asia Water 2026
Asia Water 2026
Kuala Lumpur, 7-9 April 2026