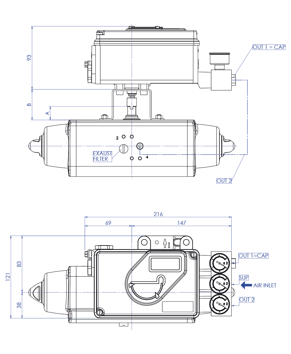
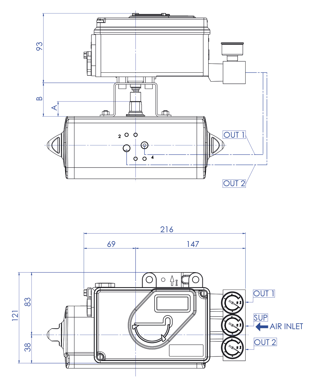
พื้นที่ปลอดภัย กล่องลิมิตสวิตช์ ลิมิตสวิตช์ภายนอกและตัวบ่งชี้ตำแหน่ง โพซิชันเนอร์ โซลินอยด์วาล์วและคอยล์ อุปกรณ์ควบคุมการไหล เกียร์บ็อกซ์พวงมาลัยมือ ตัวลดสี่เหลี่ยมและฟิลเตอร์ พื้นที่ ATEX กล่องลิมิตสวิตช์ ลิมิตสวิตช์ภายนอกและตัวบ่งชี้ตำแหน่ง โพซิชันเนอร์ โซลินอยด์วาล์วและคอยล์ Download General catalogue ดาวน์โหลด Actuator Accessories Catalogue การถอดรหัส MAGNUM & THOR กำหนดค่าผลิตภัณฑ์ของคุณ ดาวน์โหลดไฟล์ 2D และ 3D ในหลายรูปแบบ ดาวน์โหลด Sales conditions มาโคร อุปกรณ์เสริมสำหรับแอคชูเอเตอร์ หมวดหมู่ พื้นที่ปลอดภัย หมวดย่อย โพซิชันเนอร์ ค้นหารหัส ขอข้อมูล ดาวน์โหลดแค็ตตาล็อก KPFH SMART POSITIONER HART 4-20MA การผลิตตามมาตรฐาน ATEXมาตรฐานวาล์วสปูลมาตรฐานการทำงานแบบดับเบิลแอคติ้งมีแมนิโฟลด์พร้อมเกจวัดความดันมีกล่องอะลูมิเนียมพ่นสีอีพ็อกซีมาตรฐานกล่องสแตนเลสออปชันการสื่อสารแบบสมาร์ท HARTมี เมื่อซื้อตัวปรับตำแหน่งที่ติดตั้งมากับแอคชูเอเตอร์นิวเมติกของ OMAL S.p.A. จะได้รับอุปกรณ์ที่ปรับเทียบเรียบร้อยแล้ว หากไม่ได้ติดตั้งจากโรงงาน การตั้งค่าจะเป็นความรับผิดชอบของลูกค้าเอง โดย OMAL S.p.A. จะไม่รับผิดชอบในกรณีดังกล่าว คุณสมบัติทางเทคนิค- ตัวปรับตำแหน่งอัจฉริยะรุ่น SRD991 ออกแบบมาเพื่อควบคุมแอคชูเอเตอร์นิวเมติก ตั้งค่าได้ง่ายด้วยฟังก์ชัน Autostart รองรับการสื่อสารผ่านระบบ HART และสามารถเลือกใช้ PROFIBUS-PA / FOUNDATION Fieldbus H1 ตามมาตรฐาน FISCO / FoxCom ได้ตามคำขอ รุ่นที่มีสัญญาณป้อนกลับจะมีตัวส่งสัญญาณตำแหน่งสำหรับการตรวจสอบการทำงานของวาล์วอย่างต่อเนื่อง (4–20 mA)- ตัวเรือนอะลูมิเนียมพ่นสีอีพ็อกซี- อุณหภูมิการทำงาน: ตั้งแต่ -40°C ถึง 80°C- รุ่น: แบบซิงเกิลแอคติ้ง / ดับเบิลแอคติ้ง- อินพุต / การสื่อสาร: สัญญาณ 4–20 mA และโปรโตคอล HART- อินพุต/เอาต์พุตเพิ่มเติม: ไม่มี- สวิตช์ลิมิตภายใน: ไม่มี- ช่องสอดสายไฟ: M20x1.5 พร้อมคัปเปิลเกลียวกันน้ำ- การจัดประเภททางไฟฟ้า: II 2 G EEx ia/ib IIB/IIC T4/T6 ตามมาตรฐาน ATEX- การป้องกัน: IP65 (IP66 ตามคำขอ) อุปกรณ์ที่รวมมาให้- ตัวขยายแรงลมแบบ “สปูลวาล์ว”- แมนิโฟลด์พร้อมเกจวัดความดัน พร้อมข้อต่อขนาด 1/4-18 NPT- ชุดติดตั้งสำหรับแอคชูเอเตอร์แบบหมุน ตามมาตรฐาน VDI/VDE 3845- หน้าจอแสดงผล LCD พร้อมเมนู 3 ภาษา: อังกฤษ เยอรมัน อิตาลี (ภาษาอื่น ๆ ตามคำขอ) อุปกรณ์เสริมตามคำขอ- ระบบส่งสัญญาณป้อนกลับตำแหน่ง 4–20 mA แบบนิรภัยภายใน- สวิตช์ลิมิต NAMUR จำนวน 2 ตัว / ไมโครสวิตช์แบบ PNP นิรภัยภายใน- ตัวเรือนสแตนเลส 316- ตัวเรือนสแตนเลส 316 พร้อมเกจวัดความดัน การรับรองมาตรฐาน- ตามคำขอ FOXBORO ECKART-SRD991 หมายเหตุตัวปรับตำแหน่งแบบนิวเมติกและอิเล็กโทรนิวเมติกจะจัดส่งตามคำขอ โดยได้รับการปรับตั้งล่วงหน้าและติดตั้งโดยใช้ท่ออะลูมิเนียมหุ้มพร้อมข้อต่อแบบเร็วสำหรับข้อมูลเพิ่มเติม กรุณาดูคู่มือการใช้งานและบำรุงรักษา ตัวปรับตำแหน่งสำหรับแอคชูเอเตอร์แบบดับเบิลแอคติ้ง ตัวปรับตำแหน่งสำหรับแอคชูเอเตอร์แบบสปริงรีเทิร์น สำหรับขนาด A และ B โปรดดูหน้า 19 ของแค็ตตาล็อกอุปกรณ์เสริม ค้นหารหัส