OMAL,<br>EMPOWERED<br>PERFORMANCE
OMAL,
EMPOWERED
PERFORMANCE
วาล์วและแอคชูเอเตอร์
โซลูชันขั้นสูงสำหรับการควบคุมของไหลและระบบอัตโนมัติในกระบวนการ

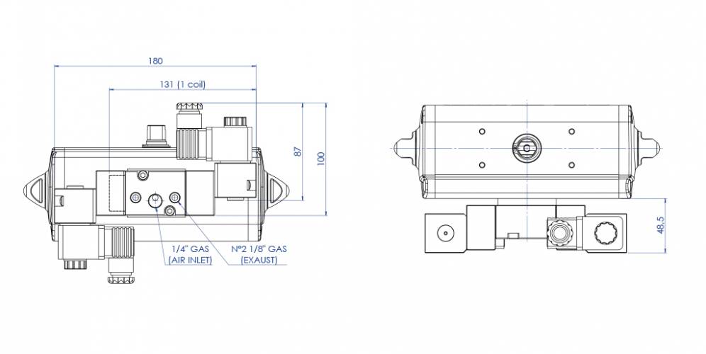
โซลินอยด์วาล์วแบบ NAMUR 3/2 - 5/2 พร้อมขดลวด CNOMO

โซลินอยด์วาล์วแบบ NAMUR 3/2 - 5/2 พร้อมขดลวด CNOMO

ตัวอย่างการใช้งานด้วยโซลินอยด์วาล์ว 1 ตัว (โมโนสเตเบิล)

ตัวอย่างการใช้งานด้วยโซลินอยด์วาล์ว 2 ตัว (ไบสเตเบิล)

คุณสมบัติทางเทคนิค
- โซลินอยด์วาล์วแบบโมโนสเตเบิลหรือไบสเตเบิล 3/2 - 5/2 ตามมาตรฐาน NAMUR พร้อมอินเทอร์เฟซขดลวดแบบ CNOMO
- วาล์วนี้ออกแบบมาเพื่อเลือกการทำงานระหว่างฟังก์ชัน 5/2 และ 3/2 ซึ่งสามารถปรับได้โดยใช้เพลทอินเทอร์เฟซ 2 แบบที่แตกต่างกัน
- มีระบบระบายลมในตัวแบบ ETS (Exhaust to Spring) เมื่ออยู่ในตำแหน่ง 3/2
- การป้องกันเมื่อใช้กับคอนเน็กเตอร์: IP65
- ความสามารถในการไหล: 675 ลิตร/นาที ที่แรงดัน 6 บาร์ และความดันต่าง Δp = 1 บาร์
- การเชื่อมต่อลม: ช่องลมเข้า 1/4", ช่องลมออก 1/8" ISO 228
- ระบบควบคุมแบบไบสเตเบิลพร้อมสกรูควบคุม
- แรงดันใช้งาน: ตั้งแต่ 3 ถึง 10 บาร์
- อุณหภูมิโดยรอบ: ตั้งแต่ -20°C ถึง 80°C
- ผ่านการรับรองมาตรฐานความปลอดภัยถึงระดับ SIL 2
- ผ่านการรับรองมาตรฐานความปลอดภัยถึงระดับ SIL 3 สำหรับการทำงานแบบ 3/2

วัสดุ
- ตัวเรือนและฝาครอบ: อะลูมิเนียม DURAL ชุบอโนไดซ์; สแตนเลส 316 ตามคำขอ
- สปูล: อะลูมิเนียมชุบอโนไดซ์เคลือบ PTFE
- ซีล: ไนไตรล์
- สปริง: สแตนเลส
- สกรู: สแตนเลส
- เพลทแปลง 3/2 - 5/2: ไนลอน 66 เสริมใยแก้ว (30%)

ขดลวด CNOMO (MC30 – ปลั๊กและซ็อกเก็ต) สำหรับโซลินอยด์วาล์วรุ่น ER85 – ER86 – ER8187

รหัสขดลวด

รหัสขดลวด
คำอธิบาย
BBR92024
แหล่งจ่ายไฟ 24 Vdc
BBR91024
แหล่งจ่ายไฟ 24 Vac 50/60 Hz
BBR91110
แหล่งจ่ายไฟ 110 Vac 50/60 Hz
BBR91220
แหล่งจ่ายไฟ 230 Vac 50/60 Hz

คุณสมบัติทางเทคนิค
- กำลังไฟอินพุต: 2 W (กระแสตรง DC)
- กำลังไฟอินพุต: 5 VA (สูงสุด 9 VA ในกระแสสลับ AC)
- ค่าความคลาดเคลื่อนของแรงดันไฟฟ้า: ±10%
- ฉนวนขดลวด: ระดับ F
- การทำงานต่อเนื่อง (Duty cycle): 100%
- ระดับการป้องกัน: IP65
- การเชื่อมต่อทางไฟฟ้า: PG.9
- อุณหภูมิการทำงาน: ตั้งแต่ -20°C ถึง +60°C

วัสดุ
- ตัวเรือน: เทอร์โมพลาสติก

ค้นหารหัส 
ปิด X

กิจกรรมถัดไป

IVS - Industrial Valve Summit 2026
IVS - Industrial Valve Summit 2026
Bergamo, Italy, 19 - 21 may 2026