images/testate/1600x499accattuatori.jpg

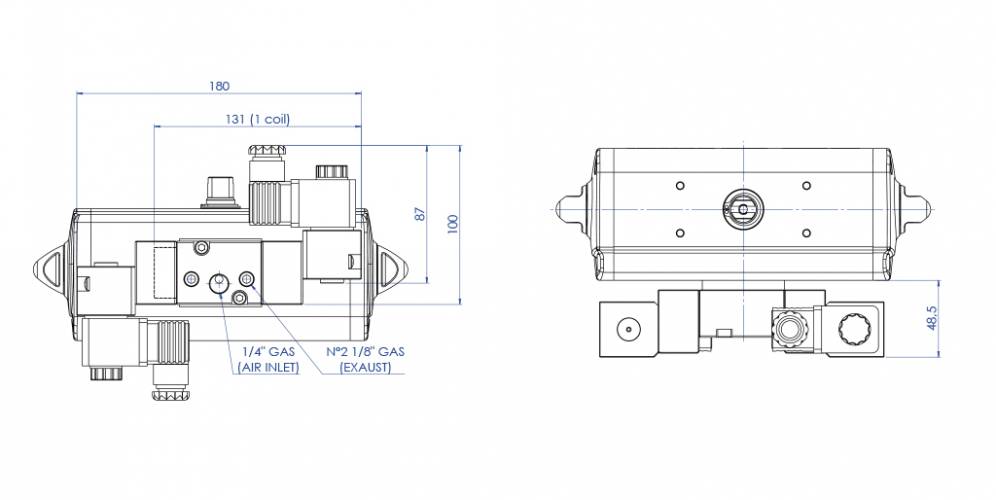
Electroválvula 3/2 - 5/2 NAMUR con bobina CNOMO

Electroválvula 3/2 - 5/2 NAMUR con bobina CNOMO

Ejemplo con 1 electroválvula (Monoestable)

Ejemplo con 2 electroválvula (Biestable)

CARACTERÍSTICAS PRINCIPALES
- Electroválvula monoestable o biestable 3/2 - 5/2 según norma NAMUR con interfaz CNOMO para bobinas.
- La electroválvula está diseñada para la selección entre las funciones 5/2 y 3/2 que se realiza usando una de las 2 placas de interfaz diferentes.
- Sistema integrado de recirculación de aire (ETS) en la función 3/2.
- Grado de protección con conector: IP65.
- Capacidad: 675 l/min a 6 bar Δp 1 bar.
- Conexiones neumáticas: alimentación 1/4”; descarga 1/8” ISO 228.
- Comando biestable con tornillos.
- Presión de funcionamiento: de 3 a 10 bar.
- Temperatura ambiente: de -20°C a 80°C.
- Certificado hasta SIL 2
- Certificado hasta SIL 3 en función 3/2

MATERIALES
- Cuerpo y tapas: aluminio anodizado DURAL; acero inox. 316 bajo pedido
- Canilla: aluminio anodizado impregnado PTFE
- Juntas: nitrilo
- Muelle: acero inox.
- Tornillos: acero inoxidable
- Placa de conversión 3/2 - 5/2 nailon 66 cargado vidrio (30%)

BOBINA CNOMO (MC30 - ENCHUFE Y TOMA DE RED) PARA ELECTROVÁLVULA ER85- ER86- ER8187

CÓDIGO DE PEDIDO

CÓDIGO BOBINA
DESCRIPCIÓN
BBR92024
Alimentación 24 Vdc
BBR91024
Alimentación 24 Vac 50/60 Hz
BBR91110
Alimentación 110 Vac 50/60 Hz
BBR91220
Alimentación 230 Vac 50/60 Hz

CARACTERÍSTICAS PRINCIPALES
- Potencia absorbida: 2 W (DC)
- Potencia absorbida: 5 VA (9 VA máx. en AC)
- Tolerancia tensión de alimentación: ±10%
- Clase aislamiento: bobina F (bobinado H)
- Rendimiento (ciclo de trabajo): 100%
- Grado de protección: IP65
- Conexión eléctrica: PG.9
- Temperatura de uso: de -20°C a +60°C

MATERIALES
- Cuerpo: tecnopolímero

BUSCAR CóDIGO 
X CERRAR

SIGUIENTE EVENTO

IVS - Industrial Valve Summit 2026
IVS - Industrial Valve Summit 2026
Bergamo, Italy, 19 - 21 may 2026