images/testate/1600x499accattuatori.jpg

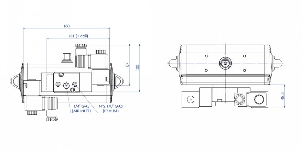
Elettrovalvola 3/2 - 5/2 NAMUR con bobina CNOMO

Elettrovalvola 3/2 - 5/2 NAMUR con bobina CNOMO

Esempio con 1 elettrovalvola (Monostabile)

Esempio con 2 elettrovalvole (Bistabile)

CARATTERISTICHE PRINCIPALI
- Elettrovalvola monostabile o bistabile 3/2 - 5/2 a norma NAMUR con interfaccia CNOMO per bobine.
- L’elettrovalvola é predisposta per la selezione tra la funzione 5/2 e 3/2 che si realizza usando una delle 2 differenti piastre di interfacciamento.
- Sistema integrato di ricircolo aria (ETS) nella funzione 3/2.
- Grado di protezione con connettore: IP65.
- Portata: 675 l/min a 6 bar ∆p 1 bar.
- Connessioni pneumatiche: alimentazione 1/4”;scarico 1/8” ISO 228 .
- Comando bistabile a vite.
- Pressione di esercizio: da 3 a 10 bar.
- Temperatura ambiente: da -20°C a 80°C.
- Certificato fino a SIL 2
- Certificato fino a SIL 3 in funzione 3/2

MATERIALI 
- Corpo e tappi: alluminio anodizzato DURAL; acciaio inox 316 su richiesta
- Spola: alluminio anodizzato impregnato PTFE
- Guarnizioni: nitrile
- Molla: acciaio inox
- Viti: acciaio inox
- Piastra di conversione 3/2 - 5/2 nylon 66 caricato vetro (30%)

BOBINA CNOMO (MC30 - PLUG AND SOCKET) PER ELETTROVALVOLA ER85 - ER86 -ER8187

CODICE DI ORDINAZIONE

CODICE BOBINA
DESCRIZIONE
BBR92024
Alimentazione 24 Vdc
BBR91024
Alimentazione 24 Vac 50/60 Hz
BBR91110
Alimentazione 110 Vac 50/60 Hz
BBR91220
Alimentazione 230 Vac 50/60 Hz

CARATTERISTICHE PRINCIPALI
- Potenza assorbita: 2 W (DC)
- Potenza assorbita: 5 VA (9 VA max. in AC)
- Tolleranza tensione di alimentazione: ±10 %
- Classe isolamento: bobina F (avvolgimento H)
- Rendimento (duty cycle): 100%
- Grado di protezione: IP65
- Connessione elettrica: PG.9
- Temperatura di utilizzo: da -20°C a +60°C

MATERIALI
Corpo: tecnopolimero

CERCA IL CODICE 
X CHIUDI

PROSSIMO EVENTO

IVS - Industrial Valve Summit 2026
IVS - Industrial Valve Summit 2026
Bergamo, Italia, 19 - 21 maggio 2026