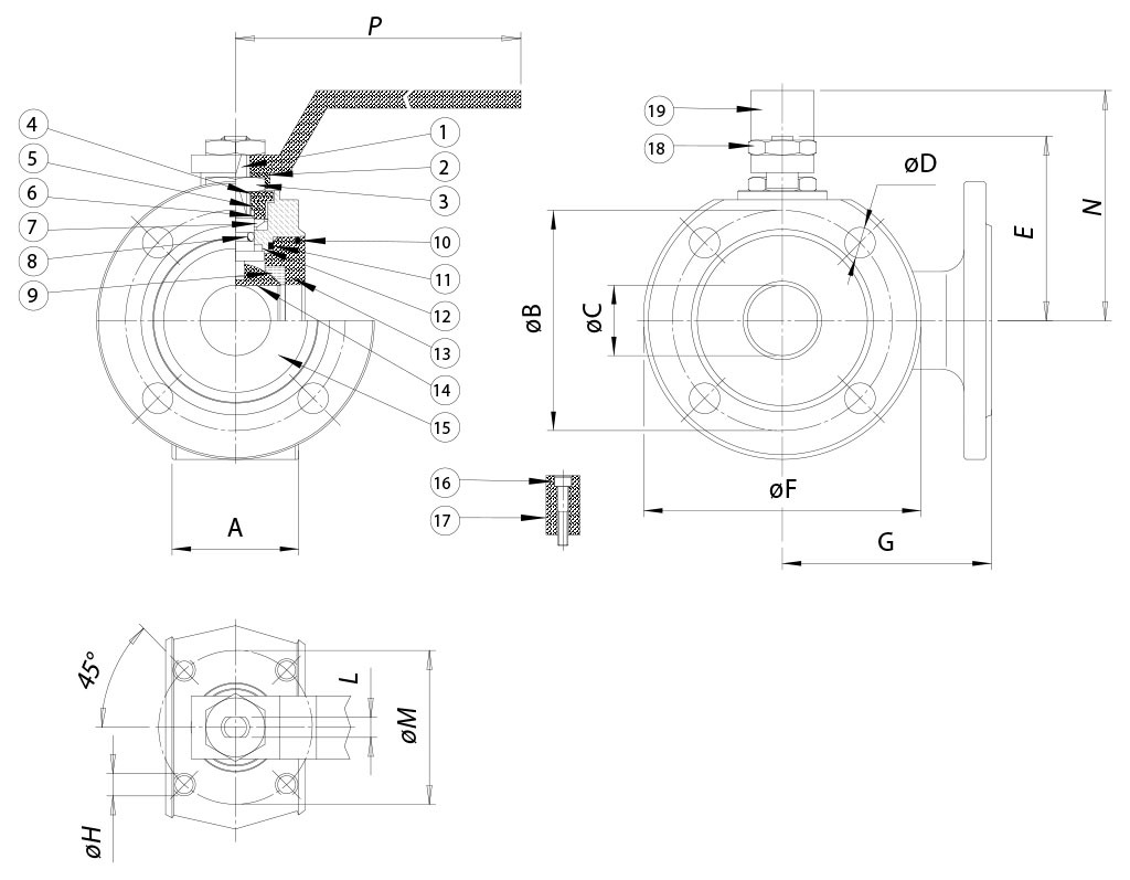
H2 INVICTUS (เอชทู อินวิคตัส) MAGNUM (แม็กนัม) THOR PROCHEMIE 60 (โปรเคมมี 60) HERCULES (เฮอร์คิวลีส) KRATOS (เครโทส) SUPREME TRUNNION (ซูพรีม ทรันเนียน) OTHER BRASS BALL VALVES (วาล์วลูกบอลทองเหลืองอื่น ๆ) OTHER CAST IRON BALL VALVES (วาล์วลูกบอลเหล็กหล่ออื่น ๆ) OTHER STAINLESS STEEL BALL VALVES (วาล์วลูกบอลสแตนเลสอื่น ๆ) OTHER CARBON STEEL BALL VALVES (วาล์วลูกบอลเหล็กกล้าคาร์บอนอื่น ๆ) OTHER PVC BALL VALVES (วาล์วลูกบอลพีวีซีอื่น ๆ) Download General catalogue ดาวน์โหลด Actuator Accessories Catalogue การถอดรหัส MAGNUM & THOR กำหนดค่าผลิตภัณฑ์ของคุณ ดาวน์โหลดไฟล์ 2D และ 3D ในหลายรูปแบบ ดาวน์โหลด Sales conditions มาโคร วาล์วบอล หมวดหมู่ Other carbon steel ball valves (วาล์วลูกบอลเหล็กกล้าคาร์บอนอื่น ๆ) วาล์วบอลเหล็กคาร์บอนแบบตัวถังแบน 3 ทาง หน้าแปลน พอร์ตแบบ “L” รูลด กำหนดค่า ระบบขับเคลื่อน ขอข้อมูล พิมพ์หน้าเว็บ ดาวน์โหลดแค็ตตาล็อก OTHER CARBON STEEL BALL VALVES (วาล์วลูกบอลเหล็กกล้าคาร์บอนอื่น ๆ) คุณลักษณะ ขนาด วัสดุ แผนภาพและแรงบิดเริ่มต้น ข้อมูลจำเพาะ คุณลักษณะทั่วไป:• วาล์วนี้ทำงานได้เฉพาะแบบเปลี่ยนทิศทางการไหล (diverter) เท่านั้น การปิดการไหลสามารถทำได้เฉพาะจากช่องกลางเท่านั้น โปรดดูแผนผังประกอบ• หน้าแปลนตามมาตรฐาน EN 1092-1: PN40 ถึงขนาด DN50; PN16 สำหรับ DN65, 80, 100• อุณหภูมิการทำงาน: ตั้งแต่ -10°C ถึง +150°C (สูงสุด +200°C เมื่อใช้ซีลพิเศษ)• ความดันการทำงาน: ดูจากแผนภาพประกอบ• ของไหลที่ใช้งาน: น้ำ ผลิตภัณฑ์ปิโตรเลียม และผลิตภัณฑ์ปิโตรเคมี• รูทางผ่านแบบรูลดตามคำสั่งพิเศษ:• ตัววาล์วทำจากเหล็ก A350 LF2 สำหรับอุณหภูมิ -20°C• ซีลสามารถทำจากวัสดุดังต่อไปนี้:PTFE ผสมใยแก้วPTFE ผสมกราไฟต์คาร์บอน• พอร์ตแบบ “T” (ช่องทางที่ 3 เป็นทางเข้าเท่านั้น)• สำหรับการใช้งานอื่น ๆ กรุณาติดต่อฝ่ายเทคนิคของเราการรับรอง:• รุ่น ATEX เป็นไปตามข้อกำหนดของสหภาพยุโรป Directive 2014/34/EU• ใบรับรอง ATEX มีให้ตามคำขอ มิติมิติAøBøCøDEøFGøHLøMNPDN [mm][inch]DN 151/2"356510M12X4489085M563665140DN 203/4"387515M12X45110090M563670140DN 251"438520M12X462,511090M584282180DN 321" 1/45410025M16X467130105M584285180DN 401" 1/26611032M16X480140120M61050102230DN 502"8312540M16X487150130M61050110230DN 652" 1/210314550M16X4119,5175150M81470137,5350DN 803"12216065M16X8129,5190175M81470150350DN 1004"15318078M16X8148,5220185M1016102165508 วัสดุ1เพลา316 S.S.1.4401UNI X5CrNiMo 17 122ตัวยึดน็อต304 S.S.1.4301UNI X5CrNi 18 103น็อตล็อกเหล็กคาร์บอน4แหวนสปริงเบลวิลล์50Crv45แหวน304 S.S.1.4301UNI X5CrNi 18 106*แหวนอัดก้าน304 S.S.1.4301UNI X5CrNi 18 107*ซีลด้านบนP.T.F.E.8*โอริงFKM9*ซีลP.T.F.E.10*โอริงFKM11*ซีลแหวนล็อกP.T.F.E.12*ซีลด้านล่างP.T.F.E.13แหวนล็อกA10514ลูกบอล DN15-DN50316 S.S.1.4401UNI X5CrNiMo 17 1214ลูกบอล DN65-DN100304 S.S.1.4301UNI X5CrNi 18 1015ตัววาล์วA10516สกรูยึดเหล็กคาร์บอน17ตัวยึด304 S.S.1.4301UNI X5CrNi 18 1018น็อตคันโยกเหล็กคาร์บอน19คันโยกเหล็กคาร์บอน* ชิ้นส่วนในชุดอะไหล่ KGBV63... แผนภาพความดัน/อุณหภูมิ แรงบิดเริ่มต้น (Nm)ขนาดDN 151/2"DN 203/4"DN 251"DN 32 1"1/4DN 40 1"1/2DN 502"DN 65 2"1/2DN 803"DN 1004"PN 16 บาร์85128212PN 40 บาร์81320304261แรงบิดอาจแตกต่างกันไปตามอุณหภูมิและชนิดของของไหล ต้องใช้ค่าความปลอดภัย 1.4 แรงบิดอาจลดลงเมื่อมีการทำงานบ่อยครั้ง การเลือกขนาดของตัวกระตุ้น/วาล์วที่แสดงในหน้าถัดไปอ้างอิงจากการใช้งานกับของเหลวหรือก๊าซที่สะอาดและมีอุณหภูมิปานกลาง สำหรับข้อมูลเพิ่มเติมหรือการใช้งานในลักษณะอื่น กรุณาติดต่อแผนกขายของเรา แผนผังสำหรับพอร์ตแบบ “L”หมายเหตุ:“A” ต้องเป็นตำแหน่งพักของลูกบอลเมื่อใช้กับตัวกระตุ้นแบบ SR FAIL CLOSE“B” ต้องเป็นตำแหน่งพักของลูกบอลเมื่อใช้กับตัวกระตุ้นแบบ SR FAIL OPEN แผนผังสำหรับพอร์ตแบบ L แผนผังสำหรับพอร์ตแบบ “T” (ตามคำขอ)เมื่อใช้กับตัวกระตุ้น จะสามารถเลือกได้เพียง 2 ตำแหน่งด้วยการหมุน 90° เท่านั้น การกำหนดตำแหน่งของลูกบอลต้องแจ้งให้แผนกขายของเราทราบทุกครั้งหมายเหตุ:เลือกตำแหน่งพักของลูกบอลเมื่อใช้กับตัวกระตุ้นแบบ SR FAIL CLOSE; เมื่อจ่ายลม ตัวกระตุ้นจะหมุนทวนเข็มนาฬิกาเลือกตำแหน่งพักของลูกบอลเมื่อใช้กับตัวกระตุ้นแบบ SR FAIL OPEN; เมื่อจ่ายลม ตัวกระตุ้นจะหมุนตามเข็มนาฬิกา แผนผังสำหรับพอร์ตแบบ T (ตามคำขอ) กำหนดค่า ไดรฟ์ เลือกมาตรฐานการค้นหา -- ไดรฟ์ -- เพลาฟรี คันโยก แอคชูเอเตอร์ลมแบบ DA แอคชูเอเตอร์ลมแบบ SR ค้นหารายการ