images/testate/Template-Header-Sito-OMALBALLVALVES.jpg

วาล์วบอลเหล็กกล้าคาร์บอน MAGNUM แบบ Wafer PN 16–40 ANSI 150–300

  • ประโยชน์
  • คุณลักษณะ
  • มิติ
  • วัสดุ
  • แผนภาพและแรงบิดเริ่มต้น
  • อุปกรณ์เสริม
  • เอกสาร

1. อุปกรณ์ป้องกันไฟฟ้าสถิต (การนำไฟฟ้าต่อเนื่องระหว่างลูกบอล, ก้าน และตัววาล์ว)
หลีกเลี่ยงการเกิดประจุไฟฟ้าสถิตที่อาจทำให้เกิดการจุดติดในสภาพแวดล้อมที่ติดไฟและ/หรือระเบิดได้
รับประกันความปลอดภัยของการสัมผัสตลอดอายุการใช้งานของวาล์ว

2. แหวนป้องกันการเสียดสีคู่ (Double Anti-friction Ring)
ช่วยลดแรงบิดที่ใช้ในการขับเคลื่อนวาล์ว
การสึกหรอน้อยกว่ารุ่นที่ใช้แหวนเพียงวงเดียว

3. ชุดซีลแบบ “V” พร้อมซีล 3 ชิ้น และโอริง
รับประกันการซีลที่สมบูรณ์แม้หลังจากการใช้งานหลายรอบ

4. สปริงดิสก์บนซีลก้านวาล์ว
ชดเชยระยะเล่นจากการสึกหรอที่เกิดจากการหมุนกึ่งรอบของก้าน เพื่อป้องกันการรั่วไหลออกภายนอก
ช่วยคงแรงกดบนซีลแบบเชฟรอน (V) ป้องกันการรั่วไหล แม้ในสภาวะอุณหภูมิเปลี่ยนแปลงมาก

5. ซีลกราไฟต์แบบยืดหยุ่น (ตามสั่ง)
รับประกันการซีลภายนอกโดยไม่ขึ้นกับการเปลี่ยนแปลงอุณหภูมิที่วาล์วต้องเผชิญ

ความแม่นยำสูงขึ้นในการจัดแนวเพลา เนื่องจากการกลึงจากชิ้นงานดิบจนสำเร็จเสร็จสิ้นในตำแหน่งเดียว
อายุการใช้งานของวาล์วนานขึ้น
แรงบิดในการขับเคลื่อนน้อยลง

ตัววาล์วทำจากเหล็กคาร์บอน ที่ผ่านการทำมาตรฐาน NACE เป็นแบบมาตรฐาน
รับประกันความต้านทานการกัดกร่อนที่สูงขึ้น
เพิ่มความเหนียวและความยืดหยุ่นของวัสดุ

กระบวนการผลิตทั้งหมดดำเนินการภายใน OMAL
การควบคุมสูงสุดในทุกขั้นตอนการผลิต
ความสามารถในการจัดหาผลิตภัณฑ์พิเศษตามความต้องการของลูกค้าอย่างรวดเร็ว

ใบรับรอง “Fire Safe”
รับประกันการซีลของวาล์วแม้ในกรณีเกิดเพลิงไหม้

ใบรับรอง ATEX
อนุญาตให้ติดตั้งในสภาพแวดล้อมที่มีความเสี่ยงการระเบิด

ใบรับรอง “TA LUFT fugitive emission”
รับประกันความปลอดภัยสูงในการซีลของก้านวาล์วต่อภายนอก

ใบรับรอง PED
สอดคล้องอย่างสมบูรณ์กับมาตรฐานความปลอดภัยของยุโรปสำหรับอุปกรณ์ที่ทำงานภายใต้ความดัน

ใบรับรองระดับ SIL 3
ระดับความปลอดภัยการทำงานสูง

คุณลักษณะมาตรฐาน (Standard Features)

  • ไม่มีบอลลอยที่ยื่นออกมา, แบบฟูลบอร์ (Full Bore)
  • ซีลที่นั่งนิ่ม (Soft-seat) ทำจาก Modified PTFE
  • มาตรฐานหน้าแปลนเชื่อมต่อ: EN 1092-1; ASME B16.5
  • อุณหภูมิใช้งาน: โปรดดูแผนภาพอุณหภูมิ–ความดัน
  • ระดับความดัน: PN16–40; ANSI 150–300
  • ระดับความแน่นสนิท: EN12266-1 ระดับ A
  • ของไหลที่ใช้: อากาศ, น้ำ, ก๊าซ, ผลิตภัณฑ์ปิโตรเลียมและปิโตรเคมี
  • อุปกรณ์ป้องกันไฟฟ้าสถิต (Antistatic device) ตาม EN12266-2
  • ซีลก้านวาล์ว: Modified PTFE แบบ V-pack
  • ซีลเสริมบนก้านวาล์วพร้อมโอริง FKM
  • ก้านวาล์วป้องกันการหลุด (Anti Blow-out stem)
  • การเชื่อมต่อกับแอคชูเอเตอร์ตามมาตรฐาน ISO 5211
  • มุมปิด >7°
  • การเคลือบผิว: การอบสีน้ำเงิน (Blueing)

คุณลักษณะตามคำขอ (Features on Request)


  • เหล็กกล้าคาร์บอน LF2 สำหรับงานอุณหภูมิต่ำ (-40°C)
  • สำหรับประเภทหน้าแปลนอื่น โปรดติดต่อฝ่ายการขาย
  • แจ็คเก็ตทำความร้อน (Heating jacket)
  • ซีลวัสดุ: PTFE เสริมใยแก้ว (PTFE-GF), PTFE เสริมคาร์บอน-กราไฟต์ (PTFE-CF) – สำหรับวัสดุประเภทอื่น โปรดติดต่อฝ่ายการขาย
  • รุ่นทางเดียว (Mono-directional) พร้อมรูระบายแรงดันในบอล
  • คันโยกสแตนเลส – สำหรับรุ่นที่ใช้วัสดุต่างจากมาตรฐาน (ตัววาล์ว, บอล, ก้านวาล์ว) โปรดติดต่อฝ่ายขาย
  • น็อตและสปริงก้านวาล์วทำจากสแตนเลส
  • การเคลือบผิว: สังกะสีขาว, การเคลือบอีพ็อกซี (สำหรับการเคลือบชนิดอื่น โปรดติดต่อฝ่ายขาย)
  • การทำเครื่องหมายและใบรับรอง ATEX ตามคำขอ

การรับรอง (Certifications)

  • สอดคล้องตามข้อกำหนดยุโรป 2014/68/EU PED
  • การปล่อยสารรั่ว Fugitive Emission ISO 15848 (ISO FE BH-C03-SSA 0)
  • TA-LUFT VDI 2440
  • FIRE SAFE: ISO 10497 ฉบับที่ 3, 2010 / API 607 ฉบับที่ 6, 2010
  • ระดับความปลอดภัยเชิงฟังก์ชันสูงสุด SIL 3 ตาม IEC 61508
  • สอดคล้องตามข้อกำหนดยุโรป ATEX 2014/34/EU (ใบรับรอง ATEX ตามคำขอ)

มาตรฐานทางวิศวกรรม (Engineering Standards)

  • ความหนาของตัววาล์วสอดคล้องตาม: ASME B16.34, ASME VIII div.1, EN 12516
  • วัสดุและแรงดัน สอดคล้องกับ ASME B16.34 สำหรับวาล์ว ANSI และ EN 12516 สำหรับวาล์ว PN

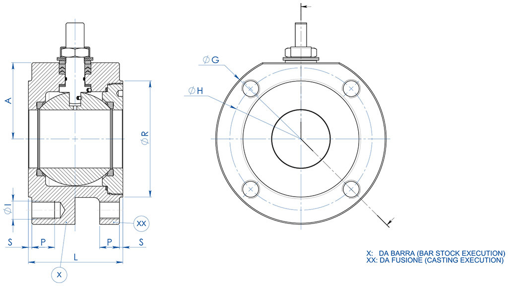
ขนาด   
ขนาด  
∅E
L
B
C
แอคชูเอเตอร์ ISO
∅M
∅N
F/T
H
Y
ชุดคันโยก
DN [mm]
[inch]
DN 15
1/2"
13
36
52
10
F03
36
M5
10/6
71
140
KLV58004
DN 20
3/4"
19
39
55
10
F03
36
M5
10/6
73
140
KLV58004
DN 25
1"
25
43
68
15
F04
42
M5
12/8
87
150
KLV58006
DN 32
1" 1/4
32
51(*) o 54
73
15
F04
42
M5
12/8
91
150
KLV58006
DN 40
1" 1/2
38
63
93
21
F05
50
M6
16/10
108
275
KLV58008
DN 502"
4870(*)10021F0550M616/10108275KLV58008
DN 50
2"
51
83
102
21
F05
50
M6
16/10
118
275
KLV58008
DN 65
2" 1/2
64
107
130,5
28
F07
70
M8
22/14
143
350
KLV58010
DN 80
3"
76
120
137,5
28
F07
70
M8
22/14
150
350
KLV58010
DN 100
4"
95
152
166
35
F10
102
M10
30/18
192
450
KLV58012

*ลูกบอลยื่นออกมา

ขนาด   -PN-
ขนาด
PN
A
∅G
∅R
S
∅H
จำนวนรู
∅I
P
L
Kg. (X)
Kg. (XX)
ชุดซีล
DN [mm]
[inch]
DN 15
1/2"
PN 16-40
32
90
45
1
65
4
M12
14
36
1,4
-
KGBV480040
DN 20
3/4"
PN 16-40
35
100
58
2
75
4
M12
14
39
1,8
-
KGBV480050
DN 25
1"
PN 16-40
42
110
68
2
85
4
M12
16
43
2,5
-
KGBV480060
DN 32
1" 1/4
PN 16-40
47
130
78
2
100
4
M16
20
51*
4,0
-
KGBV480070
DN 32
1" 1/4
PN 16-40
47
130
78
2
100
4
M16
20
54
4,3
-
KGBV480070
DN 40
1" 1/2
PN 16-40
58
140
88
3
110
4
M16
20
63
5,9
-
KGBV480080
DN 50
2"
PN16
6515010231254M16
20837,5-KGBV48090C
DN 50
2"
PN 16-40
67
150
102
3
125
4
M16
20
83
8,9
6,3
KGBV480090
DN 65
2" 1/2
PN16
83
178
122
3
145
4
M16
20
107
16,2
9,7
KGBV480100
DN 65
2" 1/2
PN 25-40
83
178
122
3
145
8
M16
20
107
16,1
-
KGBV480100
DN80
3"
PN 16-40
90
190
138
3
160
8
M16
20
120
20,0
12,5
KGBV480110
DN 100
4"
PN16
101
220
160
3
180
8
M16
20
152
34,0
20,3
KGBV480120
DN 100
4"
PN 25-40
105
235
162
3
190
8
M20
25
152
39,1
-
KGBV480120

ขนาด   -ANSI-
ขนาด
ANSI
A
∅G
∅R
S
∅H
จำนวนรู
∅I
P
L
Kg. (X)
ชุดซีล
DN [mm]
[inch]
DN 15
1/2"
ANSI 150
32
90
45
1
60,5
4
1/2”UNC
14
36
1,4
KGBV480040
DN 15
1/2"
ANSI 300
34
90
45
1
66,5
4
1/2”UNC
14
36
1,4
KGBV480040
DN 20
3/4"
ANSI 150
35
100
52
1,6
69,8
4
1/2”UNC
14
39
1,8
KGBV480050
DN 20
3/4"
ANSI 300
40
110
52
1,6
82,6
4
5/8”UNC
15
39
2,1
KGBV480050
DN 25
1"
ANSI 150
42
110
60
1,6
79,2
4
1/2”UNC
16
43
2,5
KGBV480060
DN 25
1"
ANSI 300
45
118
60
1,6
88,9
4
5/8”UNC
16
43
2,9
KGBV480060
DN 32
1" 1/4
ANSI 150
47
118
72
1,6
88,9
4
1/2”UNC
20
54
3,8
KGBV480070
DN 32
1" 1/4
ANSI 300
47
130
72
1,6
98,6
4
5/8”UNC
20
54
4,3
KGBV480070
DN 40
1" 1/2
ANSI 150
58
127
82
1,6
98,6
4
1/2”UNC
20
63
5,1
KGBV480080
DN 40
1" 1/2
ANSI 300
58
150
82
1,6
114,3
4
3/4”UNC
25
63
7,0
KGBV480080
DN 50
2"
ANSI 150
67
150
102
1,6
120,6
4
5/8”UNC
20
83
9,1
KGBV480090
DN 50
2"
ANSI 300
73
160
102
1,6
127,0
8
5/8”UNC
20
83
10,4
KGBV480090
DN 65
2" 1/2
ANSI 150
83
178
122
1,6
139,7
4
5/8”UNC
20
107
16,4
KGBV480100
DN 65
2" 1/2
ANSI 300
89
190
122
1,6
149,4
8
3/4”UNC
25
107
18,6
KGBV480100
DN 80
3"
ANSI 150
90
190
135
1,6
152,4
4
5/8”UNC
20
120
20,4
KGBV480110
DN 80
3"
ANSI 300
96
205
138
1,6
168,1
8
3/4”UNC
25
120
24,0
KGBV480110
DN 100
4"
ANSI 150
101
220
160
1,6
190,5
8
5/8”UNC
20
152
34,0
KGBV480120
DN 100
4"
ANSI 300
115
250
160
1,6
200,2
8
3/4”UNC
25
152
46,4
KGBV480120

*ลูกบอลยื่นออกมา

ลำดับ
คำอธิบาย
เหล็กกล้าคาร์บอน A105
เหล็กกล้าคาร์บอน A350 LF2
1
ตัววาล์ว
  ASTM A105  
  ASTM A350 LF2  
2
แหวนล็อก
3
บอล
ASTM A351 CF8(*) (1.4308/Gx5CrNi19-10)
4
ก้านวาล์ว
ASTM A182F6A/A479 Tp.410 (**)
5*
ที่นั่ง
PTFE ดัดแปร (.)  
6*
ปะเก็นตัววาล์ว–แหวนล็อก
PTFE ดัดแปร (.)  
7*
ซีลก้านวาล์วด้านล่าง
PTFE ดัดแปร (.)  
8*
แหวนเชฟรอน
PTFE ดัดแปร (.)  
  9*  
โอริงก้านวาล์ว
  FKM (.)  
  10  
แหวนอัดบรรจุ
เหล็กกล้าคาร์บอน ชุบกัลวาไนซ์ (x)  
  11  
แผ่นน็อตหยุด
  304 S.S.  
  12  
น็อตก้านวาล์ว
เหล็กกล้าคาร์บอน ชุบกัลวาไนซ์ (x)  
  13  
แหวนรองสปริง
เหล็กกล้าคาร์บอน ชุบกัลวาไนซ์ (xx)  
  14  
อุปกรณ์ป้องกันไฟฟ้าสถิต
  316 S.S.  
  15  
น็อตล็อก
เหล็กกล้าคาร์บอน ชุบกัลวาไนซ์ (x)  
  16  
สกรูยึด
  A2-70 (304 S.S.)  
  17  
สกรูยึด
เหล็กกล้าคาร์บอน ชุบกัลวาไนซ์ (x)  
  18  
คันโยก
  Fe37 ชุบกัลวาไนซ์ (x)  
* ชิ้นส่วนที่รวมอยู่ในชุดซีล


มีให้เลือกตามคำขอ:

(*) : A351 CF8M
(**) : A564 TP.630 (17-4PH)
(x) : สแตนเลส 304
(xx) : สแตนเลส 301
(.) : มีวัสดุอื่น ๆ ให้เลือกตามคำขอ

แผนภูมิอุณหภูมิ/ความดันสำหรับวาล์วเหล็กคาร์บอน

แผนภูมิอุณหภูมิ/ความดันสำหรับวาล์วสแตนเลส

แผนภูมิการไหล/การสูญเสียความดันและสัมประสิทธิ์ Kv ชื่อค่า

Kv คือสัมประสิทธิ์ ซึ่งแสดงเป็น m³/h (กับน้ำที่ 15°C) ซึ่งทำให้เกิดการสูญเสียความดัน 1 bar

แรงบิดเริ่มเคลื่อนที่ (Breakaway Torque) เป็น Nm กับซีล TFM 1600 และของไหลที่ถูกน้ำป้องกัน (*)
ขนาด
DN 15 DN 20 DN 25 DN 32 DN 40 DN 50 DN 65 DN 80 DN 100 
0 bar 








PN16 bar 8131827376180120215
PN25 bar 9,5152029406795130230
PN40 bar 111721314175110165280
ANSI 150-20 bar 9141928386590128220
ANSI 300-50 bar 121921324280120170290


(*) : หากของไหลไม่ได้รับการหล่อลื่น และ/หรือของไหลที่มีอนุภาคแข็งถูกขัดขวาง แรงบิดอาจสูงกว่าที่ระบุในตาราง
แรงบิดอาจเปลี่ยนแปลงตามอุณหภูมิและชนิดของของไหล ต้องนำค่าตัวคูณความปลอดภัย 1.4 มาใช้ แรงบิดอาจลดลงเมื่อมีการใช้งานบ่อย
การกำหนดขนาดของแอคชูเอเตอร์นิวเมติกพิจารณาจากแรงดันจ่ายขั้นต่ำ 5.6 barg

ก้านขยายแบบหล่อพร้อมคันโยก

    วัสดุ
หมายเลขชิ้นส่วน
 คำอธิบาย
วัสดุ
1
ขยาย
AISI304 S.S.
2
พิน
AISI 430 F
3
บุช
DELRIN
4
โอริง
NBR
5
คันโยก
Fe 37 ชุบสังกะสี (*)
6
น็อต
เหล็กคาร์บอนชุบสังกะสี (*)
7
ตัวยึดคันโยก
เหล็กคาร์บอนชุบสังกะสี (*)
8
สกรูตัวยึด
A2-70
9
สเปเซอร์
PTFE เติมคาร์บอน


(*) : สามารถสั่งทำได้ในวัสดุสแตนเลส AISI 304

ขนาด  
วาล์วมาตรฐาน ISO
ØA
ØB
ØM
ØN
F/T
X
Y
F03
36
5,5365,5
10/638,5141,5
F04
425,542M512/845,5151,5
F05
506,5506,516/1048,5276,5
F07
708,5708,522/1457,5351,5
F10
102111021130/1879,5451,5


หมายเหตุ: รหัสของก้านขยายขึ้นอยู่กับประเภทของไดรฟ์และการเชื่อมต่อของวาล์ว; ต้องแจ้งเมื่อสั่งซื้อ

ก้านขยายแบบหล่อสำหรับแอคชูเอเตอร์

 วัสดุ
หมายเลขชิ้นส่วน
 คำอธิบาย
วัสดุ
1
ขยาย
ASTM A351 CF8M
2
พิน
AISI 430 F
3
บุช
DELRIN
4
โอริง
NBR


หมายเหตุ: รหัสของก้านขยายขึ้นอยู่กับประเภทของไดรฟ์และการเชื่อมต่อของวาล์ว; ต้องแจ้งเมื่อสั่งซื้อ

ก้านขยายแบบเชื่อมพร้อมคันโยก

วัสดุ    
หมายเลขชิ้นส่วน
คำอธิบาย
วัสดุ
1
ขยาย
304 s.s.
2
พิน
AISI 430 F
3
บุช
DELRIN
4
โอริง
NBR
5
คันโยก
Fe 37 ชุบสังกะสี (*)
6
น็อต
เหล็กคาร์บอนชุบสังกะสี (*)
7
ตัวยึดคันโยก
เหล็กคาร์บอนชุบสังกะสี (*)
8
สกรูตัวยึด
A2-70
9
น็อตตัวยึด
A2-70 (**)
10
สเปเซอร์
PTFE เติมคาร์บอน


(*) : สามารถสั่งทำได้ในวัสดุสแตนเลส AISI 304
(**) : ไม่มีให้สำหรับวาล์วที่มีการเชื่อมต่อ ISO F04

ขนาด
วาล์วมาตรฐาน ISO
ØA
ØB
ØM
ØN
F/T
X
Y
F03
36
5,5365,510/638,5141,5
F04
425,542M512/845,5151,5
F05
506,5506,516/1048,5276,5
F07
70970922/1457,5351,5
F10
102111021130/1879,5451,5


หมายเหตุ: รหัสของก้านขยายขึ้นอยู่กับประเภทของไดรฟ์และการเชื่อมต่อของวาล์ว; ต้องแจ้งเมื่อสั่งซื้อ

ก้านขยายแบบเชื่อมสำหรับแอคชูเอเตอร์

วัสดุ    
หมายเลขชิ้นส่วน
คำอธิบาย
วัสดุ
1
ขยาย
304 S.S.
2
พิน
AISI 430 F
3
บุช
DELRIN
4
โอริง
NBR


หมายเหตุ: รหัสของก้านขยายขึ้นอยู่กับประเภทของไดรฟ์และการเชื่อมต่อของวาล์ว; ต้องแจ้งเมื่อสั่งซื้อ

ก้านขยายพร้อมซีลเสริม

 วัสดุ
หมายเลขชิ้นส่วน
 คำอธิบาย
 วัสดุ
1
ขยาย
304 s.s.
2
พิน
A564 TP.630 (17-4ph)
3
ซีลด้านล่าง
TFM1600
4
โอริง
FKM
5
แหวนเชฟรอน
TFM1600
6
แหวนอัดแพ็กกิ้ง
304 s.s.
7
สปริงวอชเชอร์
50CrV4 ชุบสังกะสี
8
น็อตก้านวาล์ว
UNI 3740-1 6S ชุบสังกะสี
9
แผ่นน็อตล็อก
304 s.s.
10
ปะเก็น
GRAFOIL


ขนาด
วาล์วมาตรฐาน ISO
ØA
ØB
ØM
ØN
F/T
CD
F03
36
5,5
36M510/6
2010,2
F04
42
5,5
42M512/8
2615,1
F05
50
6,550M616/10
3521,2
F07
70
8,570M822/14
47,528,4
F10
102
10,5102M1030/18
6135,2

หมายเหตุ: รหัสของก้านขยายขึ้นอยู่กับประเภทของไดรฟ์และการเชื่อมต่อของวาล์ว; ต้องแจ้งเมื่อสั่งซื้อ

กำหนดค่า ไดรฟ์
เลือกมาตรฐานการค้นหา
ค้นหารายการ
ปิด X

กิจกรรมถัดไป

IVS - Industrial Valve Summit 2026
IVS - Industrial Valve Summit 2026
Bergamo, Italy, 19 - 21 may 2026