images/testate/Template-Header-Sito-OMALBALLVALVES.jpg

Vanne à boisseau sphérique MAGNUM Wafer PN 16-40 ANSI 150-300 acier au carbone

Vanne à boisseau sphérique MAGNUM Wafer PN 16-40 ANSI 150-300 acier au carbone
Catégorie MAGNUM
Sous-catégorie MAGNUM Wafer

Gamme MAGNUM Wafer PN 16-40 ANSI 150-300

CONFIGURER Actionnement
DEMANDE D'INFORMATIONS
IMPRIMER PAGE
DÉCODIFIER CODE
  • avantages
  • caractéristiques
  • dimensions
  • matériaux
  • diagrammes et couples de démarrage
  • accessoires
  • documents

1. Dispositif antistatique (continuité électrique entre le boisseau, la tige et le corps)
Les charges électrostatiques qui pourraient provoquer une inflammation dans des environnements inflammables et/ou explosifs sont évitées
Sécurité du contact garantie pendant toute la durée de vie de la vanne

2. Double bague antifriction
Garantit un couple d’actionnement inférieur de la vanne
Usure moindre par rapport à la réalisation avec une seule bague  

3. Empilement de joints en chevron en "V" avec 3 garnitures et joint torique
Une étanchéité parfaite est garantie même après un nombre élevé de cycles

4. Rondelles ressort sur l’étanchéité de la tige
Elles garantissent la récupération des jeux dus à l'usure causée par le mouvement semi-rotatif de l’arbre en évitant les fuites vers l'extérieur
Permettent de maintenir les joints en « chevron » (en V) sous tension, évitant des fuites vers l’extérieur, en présence d’importantes variations de température

5. Étanchéité élastique en graphite sur demande
Garantit une étanchéité vers l'extérieur indépendamment des excursions thermiques auxquelles est soumise la vanne

Plus grande précision dans l'alignement des axes grâce à l'usinage de la pièce brute à la finition avec un positionnement unique
Allongement de la durée de vie de la vanne
Couple d’actionnement inférieur

Corps de la vanne en acier au carbone réalisé avec un matériau normalisé certifié NACE en exécution standard 
Garantit une plus grande résistance à la corrosion
Plus grande ductilité du matériau

Processus de production entièrement réalisé chez OMAL 
Contrôle maximum dans toutes les phases d’usinage
Possibilité de fournir rapidement des réalisations particulières requises par le client

Certificat "Sécu feu"
Garantit l'étanchéité de la vanne même en cas d'incendie

Certificat ATEX
Permet son installation en présence d'un milieu potentiellement explosif

Certification "TA LUFT émissions fugitives"
Garantit un haut degré de sécurité de l’étanchéité de la tige vers l'extérieur

Certificat ESP
Conformité totale aux normes de sécurité européennes pour les équipements sous pression

Certifié jusqu'à SIL 3
Niveau élevé de sécurité fonctionnelle

RÉALISATION STANDARD
• Boisseau flottant non protubérant, passage intégral
• Garniture souple pour siège Modified PTFE
• Normes pour les brides de raccordement EN 1092-1; ASME B16.5
• Températures de fonctionnement voir diagramme de pression température
• Classe de pression: PN16-40 ; ANSI 150-300
• Classe d'étanchéité: EN12266-1 taux de fuite A
• Fluide véhiculé: air, eau, gaz, produits pétroliers et pétrochimiques.
• Dispositif antistatique EN12266-2
• Garniture de tige: empilement chevrons de série en Modified PTFE
• Étanchéité supplémentaire sur tige avec joint torique FKM
• Tige inéjectable
• Plan de perçage pour actionneur selon ISO 5211
• Angle de fermeture > 7 °
• Traitement de surface brunissage

RÉALISATIONS SUR DEMANDE
• Réalisation pour température -40°C  en LF2, pour d’autres types de raccordements à brides, veuillez contacter notre service commercial
• Enveloppe de réchauffage.
• Garnitures d’étanchéité en: PTFE chargé de verre (PTFE-GF), PTFE chargé de graphite de carbone (PTFE-CF). Pour les autres types de matériaux, veuillez contacter notre service commercial
• Réalisation unidirectionnelle avec orifice de compensation de la pression dans le boisseau
• Levier en acier inoxydable; écrous et ressorts tige en acier inoxydable. Pour les réalisations avec du matériel (corps/boisseau/tige) autre que la norme, veuillez contacter notre service commercial
• Traitement de surface: galvanisation blanche, peinture époxy, (pour d'autres traitements, contactez notre service commercial).
• Marquage et certificat ATEX SUR DEMANDE

CERTIFICATIONS
• Conforme à la directive européenne 2014/68/UE DESP.
• Émissions fugitives ISO 15848 (ISO FE BH-C03-SSA 0).
• TA-LUFT VDI 2440.
• SÉCU FEU: ISO 10497 Third ed. 2010 / API 607 Sixth ed. 2010.
• Sécurité fonctionnelle jusqu’au niveau SIL 3 selon CEI 61508.
• Conforme à la directive européenne 2014/34/UE ATEX (certificat ATEX SUR DEMANDE).

NORMES DE CONCEPTION
• Épaisseurs corps selon: ASME B16.34, ASME VIII div.1, EN 12516.
• Matériaux et valeurs nominales conformes à la norme ASME B16.34 pour les vannes ANSI et EN 12516 pour les vannes PN

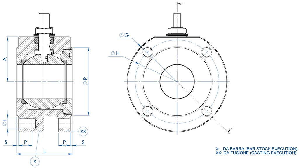
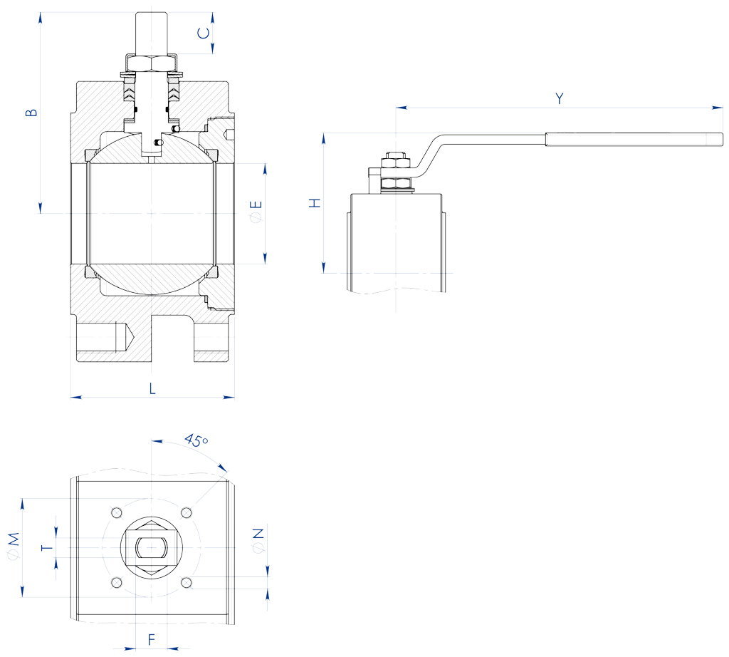
DIMENSIONS   
MESURE  
∅E
L
B
C
RACC.ISO
∅M
∅N
F/T
H
Y
KIT LEVIER
DN [mm]
[pouces]
DN 15
1/2"
13
36
52
10
F03
36
M5
10/6
71
140
KLV58004
DN 20
3/4"
19
39
55
10
F03
36
M5
10/6
73
140
KLV58004
DN 25
1"
25
43
68
15
F04
42
M5
12/8
87
150
KLV58006
DN 32
1" 1/4
32
51(*) o 54
73
15
F04
42
M5
12/8
91
150
KLV58006
DN 40
1" 1/2
38
63
93
21
F05
50
M6
16/10
108
275
KLV58008
DN 502"
4870(*)10021F0550M616/10108275KLV58008
DN 50
2"
51
83
102
21
F05
50
M6
16/10
118
275
KLV58008
DN 65
2" 1/2
64
107
130,5
28
F07
70
M8
22/14
143
350
KLV58010
DN 80
3"
76
120
137,5
28
F07
70
M8
22/14
150
350
KLV58010
DN 100
4"
95
152
166
35
F10
102
M10
30/18
192
450
KLV58012

*Boisseau protubérant

DIMENSIONS   -PN-
MESURE
PN
A
∅G
∅R
S
∅H
NBRE
TROUS
∅I
P
L
Kg. (X)
Kg. (XX)
KIT GARNITURES
DN [mm]
[pouces]
DN 15
1/2"
PN 16-40
32
90
45
1
65
4
M12
14
36
1,4
-
KGBV480040
DN 20
3/4"
PN 16-40
35
100
58
2
75
4
M12
14
39
1,8
-
KGBV480050
DN 25
1"
PN 16-40
42
110
68
2
85
4
M12
16
43
2,5
-
KGBV480060
DN 32
1" 1/4
PN 16-40
47
130
78
2
100
4
M16
20
51*
4,0
-
KGBV480070
DN 32
1" 1/4
PN 16-40
47
130
78
2
100
4
M16
20
54
4,3
-
KGBV480070
DN 40
1" 1/2
PN 16-40
58
140
88
3
110
4
M16
20
63
5,9
-
KGBV480080
DN 50
2"
PN16
6515010231254M16
20837,5-KGBV48090C
DN 50
2"
PN 16-40
67
150
102
3
125
4
M16
20
83
8,9
6,3
KGBV480090
DN 65
2" 1/2
PN16
83
178
122
3
145
4
M16
20
107
16,2
9,7
KGBV480100
DN 65
2" 1/2
PN 25-40
83
178
122
3
145
8
M16
20
107
16,1
-
KGBV480100
DN80
3"
PN 16-40
90
190
138
3
160
8
M16
20
120
20,0
12,5
KGBV480110
DN 100
4"
PN16
101
220
160
3
180
8
M16
20
152
34,0
20,3
KGBV480120
DN 100
4"
PN 25-40
105
235
162
3
190
8
M20
25
152
39,1
-
KGBV480120

DIMENSIONS   -ANSI-
MESURE
ANSI
A
∅G
∅R
S
∅H
NBRE
TROUS
∅I
P
L
Kg. (X)
KIT GARNITURES
DN [mm]
[pouces]
DN 15
1/2"
ANSI 150
32
90
45
1
60,5
4
1/2”UNC
14
36
1,4
KGBV480040
DN 15
1/2"
ANSI 300
34
90
45
1
66,5
4
1/2”UNC
14
36
1,4
KGBV480040
DN 20
3/4"
ANSI 150
35
100
52
1,6
69,8
4
1/2”UNC
14
39
1,8
KGBV480050
DN 20
3/4"
ANSI 300
40
110
52
1,6
82,6
4
5/8”UNC
15
39
2,1
KGBV480050
DN 25
1"
ANSI 150
42
110
60
1,6
79,2
4
1/2”UNC
16
43
2,5
KGBV480060
DN 25
1"
ANSI 300
45
118
60
1,6
88,9
4
5/8”UNC
16
43
2,9
KGBV480060
DN 32
1" 1/4
ANSI 150
47
118
72
1,6
88,9
4
1/2”UNC
20
54
3,8
KGBV480070
DN 32
1" 1/4
ANSI 300
47
130
72
1,6
98,6
4
5/8”UNC
20
54
4,3
KGBV480070
DN 40
1" 1/2
ANSI 150
58
127
82
1,6
98,6
4
1/2”UNC
20
63
5,1
KGBV480080
DN 40
1" 1/2
ANSI 300
58
150
82
1,6
114,3
4
3/4”UNC
25
63
7,0
KGBV480080
DN 50
2"
ANSI 150
67
150
102
1,6
120,6
4
5/8”UNC
20
83
9,1
KGBV480090
DN 50
2"
ANSI 300
73
160
102
1,6
127,0
8
5/8”UNC
20
83
10,4
KGBV480090
DN 65
2" 1/2
ANSI 150
83
178
122
1,6
139,7
4
5/8”UNC
20
107
16,4
KGBV480100
DN 65
2" 1/2
ANSI 300
89
190
122
1,6
149,4
8
3/4”UNC
25
107
18,6
KGBV480100
DN 80
3"
ANSI 150
90
190
135
1,6
152,4
4
5/8”UNC
20
120
20,4
KGBV480110
DN 80
3"
ANSI 300
96
205
138
1,6
168,1
8
3/4”UNC
25
120
24,0
KGBV480110
DN 100
4"
ANSI 150
101
220
160
1,6
190,5
8
5/8”UNC
20
152
34,0
KGBV480120
DN 100
4"
ANSI 300
115
250
160
1,6
200,2
8
3/4”UNC
25
152
46,4
KGBV480120

*Boisseau protubérant

N°  
 Description  
 A105  Carbon steel  
A350 LF2 Carbon steel  
 1  
 Corps  
  ASTM A105  
 ASTM A350 LF2  
 2  
 Bague  
 3  
 Boisseau  
ASTM A351 CF8(*) (1.4308/Gx5CrNi19-10)
 4  
 Tige  
ASTM A182F6A/A479 Tp.410 (**)
 5*  
 Siège  
 Modified PTFE (.)  
 6*  
 Garniture corps bague  
 Modified PTFE (.)  
 7*  
 Garniture inférieure tige  
 Modified PTFE (.)  
 8*  
 Empilement joints en chevron  
 Modified PTFE (.)  
 9*  
 Joint torique tige  
 FKM (.)  
 10  
 Bague presse-étoupe  
 Acier au carbone galvanisé  (x)  
 11  
 Plaque blocage écrou  
 304 S.S.  
 12  
 Écrou tige  
 Acier au carbone galvanisé (x)  
 13  
 Rondelles ressort  
 Acier au carbone galvanisé (xx)  
 14  
 Dispositif antistatique  
 316 S.S.  
 15  
 Contre-écrou  
 Acier au carbone galvanisé (x)  
 16  
 Vis de butée  
 A2-70 (304 S.S.)  
 17  
 Butée de position  
 Acier au carbone galvanisé (x)  
 18  
 Levier  
 Fe37 galvanisé (x)  
* Composants du kit de garnitures


Sur demande disponible en:

(*): A351 CF8M
(**): A564 TP.630 (17-4PH)
(x): 304 s.s.
(xx): 301 s.s.

(.) : Autres matériels disponibles sur demande


Diagramme pression/température pour vannes avec corps en acier carbone

Diagramme pression/température pour vannes avec corps en acier inox

Débit/perte de charge et coefficient nominal Kv

La valeur Kv est la valeur du débit en m3/h (avec de l’eau à 15°C) qui provoque une chute de pression d’1 bar.

COUPLES DE DÉMARRAGE EN Nm AVEC SIÈGE EN TFM 1600 ET AVEC FLUIDE VÉHICULÉ EAU (*)
MESUREDN 15 DN 20DN 25DN 32 DN 40DN 50DN 65 DN 80DN 100
0 bar








PN16 bar8131827376180120215
PN25 bar9,5152029406795130230
PN40 bar111721314175110165280
ANSI 150-20 bar9141928386590128220
ANSI 300-50 bar121921324280120170290


(*) : si les fluides véhiculés sont des fluides dégraissants et/ou contenant des particules solides, les couples de manœuvre peuvent être supérieurs à ceux indiqués dans le tableau


Les valeurs du couple en Nm peuvent varier en fonction de la température et du fluide. Considérer un facteur de sécurité d'1,4. Avec des cycles fréquents d'ouverture et de fermeture, le couple de manœuvre pourrait être considérablement inférieur au couple initial.


Le dimensionnement des actionneurs pneumatiques a été établi en tenant compte d’une pression d’alimentation minimale de 5,6 barg.


RALLONGE GUIDÉE PAR FUSION, AVEC LEVIER

MATÉRIAUX
N° PIÈCE
DESCRIPTION
MATÉRIAUX
1
Rallonge  
AISI304 S.S.
2
AxeAISI 430 F
3
DouilleDELRIN
4
JOINT TORIQUE
NBR
5
Levier
Fe 37 galvanisé (*)
6
Écrou
acier au carbone galvanisé (*)
7
Goupille arrêt levier
acier au carbone galvanisé (*)
8
Vis goupille arrêt levier
A2-70
9
Entretoise
PTFE Chargée carbone


(*) : Sur demande disponibles en 304 S.S.


DIMENSIONS  
ISO VANNE
ØA
ØB
ØM
ØN
F/T
X
Y
F03
36
5,5365,5
10/638,5141,5
F04
425,542M512/845,5151,5
F05
506,5506,516/1048,5276,5
F07
708,5708,522/1457,5351,5
F10
102111021130/1879,5451,5


REMARQUE : Le code de la rallonge dépend du type d'actionnement et du raccord de la vanne ; à demander lors de la commande.

RALLONGE GUIDÉE PAR FUSION, POUR ACTIONNEUR

 MATÉRIAUX
N° PIÈCE
 DESCRIPTION
MATÉRIAUX
1
Rallonge
ASTM A351 CF8M
2
Axe
AISI 430 F
3
Douille
DELRIN
4
JOINT TORIQUE
NBR


REMARQUE: Le code de la rallonge dépend du type d'actionnement et du raccord de la vanne ; à demander lors de la commande

RALLONGE GUIDÉE SOUDÉE, AVEC LEVIER

MATÉRIAUX    
N° PIÈCE
DESCRIPTION
MATÉRIAUX
1
Rallonge
304 s.s.
2
Axe
AISI 430 F
3
Douille
DELRIN
4
Joint torique
NBR
5
Levier
Fe 37 galvanisé (*)
6
Écrou
acier au carbone galvanisé  (*)
7
Goupille arrêt levier
acier au carbone galvanisé  (*)
8
Vis goupille arrêt levier
A2-70
9
Écrou goupille arrêt levier
A2-70 (**)
10
Entretoise
PTFE Chargée carbone


(*) : sur demande disponibles en 304 S.S.
(**) : indisponible sur les vannes avec raccord iso F04.

DIMENSIONS
ISO VANNE
ØA
ØB
ØM
ØN
F/T
X
Y
F03
36
5,5365,510/638,5141,5
F04
425,542M512/845,5151,5
F05
506,5506,516/1048,5276,5
F07
70970922/1457,5351,5
F10
102111021130/1879,5451,5


REMARQUE : Le code de la rallonge dépend du type d'actionnement et du raccord de la vanne ; à demander lors de la commande.

RALLONGE GUIDÉE SOUDÉE, POUR ACTIONNEUR

MATÉRIAUX    
PART. N°
DESCRIPTION
MATÉRIAUX
1
Rallonge
304 S.S.
2
Axe
AISI 430 F
3
Douille
DELRIN
4
JOINT TORIQUE
NBR


REMARQUE: Le code de la rallonge dépend du type d'actionnement et du raccord de la vanne ; à demander lors de la commande

RALLONGE AVEC JOINT SUPPLÉMENTAIRE

MATÉRIAUX   
N° PIÈCE
DESCRIPTION
MATÉRIAUX
1
Rallonge  
304 s.s.
2
AxeAA564 TP.630 (17-4ph)
3
Bague antifriction
TFM1600
4
Joint torique
FKM
5
Empilement joints en chevron
TFM1600
6
Bague presse-étoupe
304 s.s.
7
Rondelles ressort
50CrV4 galvanisé
8
Écrou tige
UNI 3740-1 6S galvanisé
9
Plaque blocage écrou
304 s.s.
10
Garniture d'étanchéité
GRAFOIL


DIMENSIONS
ISO VANNE
ØA
ØB
ØM
ØN
F/T
CD
F03
36
5,5
36M510/6
2010,2
F04
42
5,5
42M512/8
2615,1
F05
50
6,550M616/10
3521,2
F07
70
8,570M822/14
47,528,4
F10
102
10,5102M1030/18
6135,2

REMARQUE: Le code de la rallonge dépend du type d'actionnement et du raccord de la vanne ; à demander lors de la commande.

CONFIGURER ACTIONNEMENT
Sélectionnez les paramètres de recherche
RECHERCHER UN ARTICLE
X FERMER

PROCHAIN ÉVÈNEMENT

IVS - Industrial Valve Summit 2026
IVS - Industrial Valve Summit 2026
Bergamo, Italy, 19 - 21 may 2026