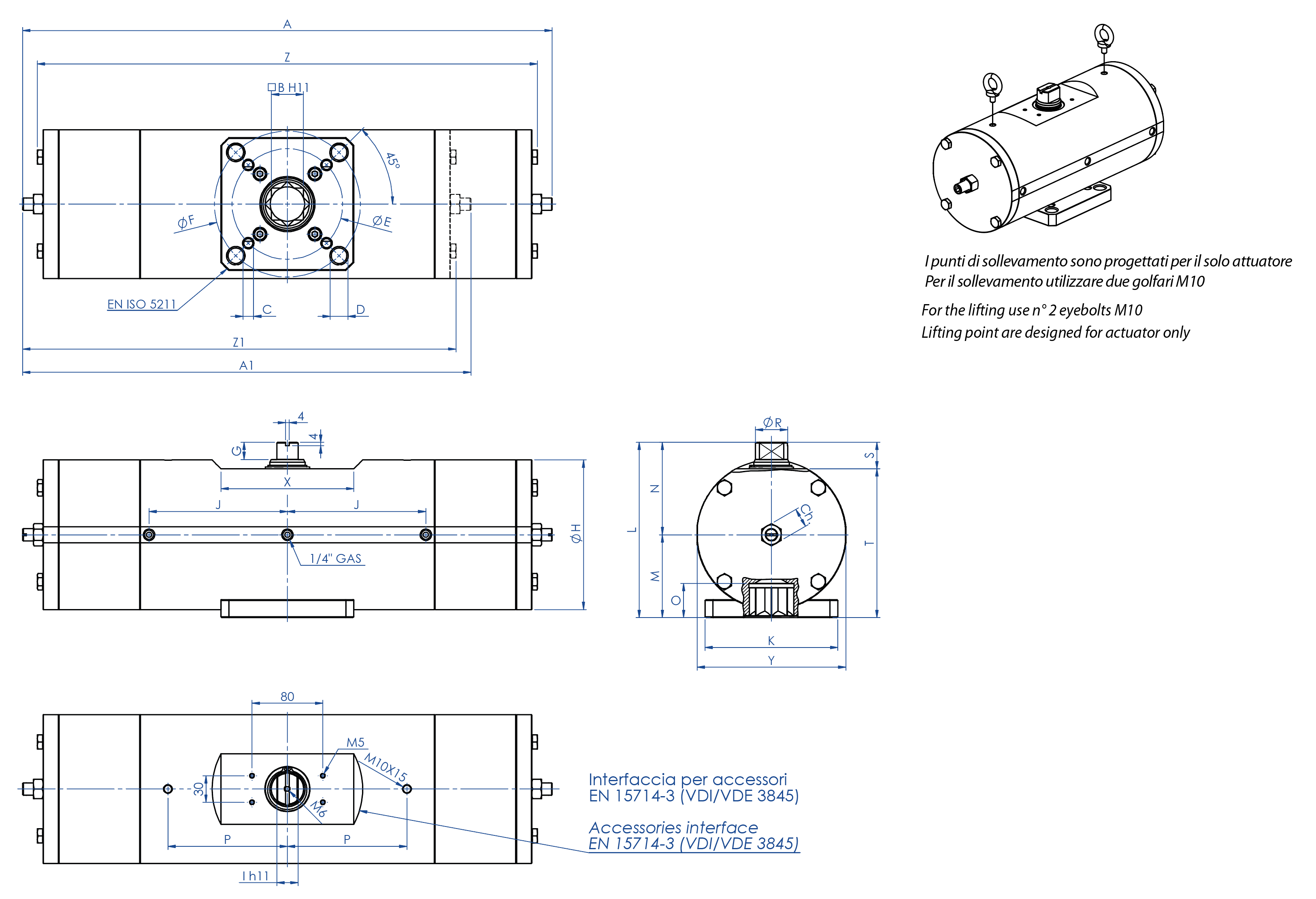
RACKON – แอคชูเอเตอร์นิวแมติกแบบแร็คแอนด์พีเนียน AGO – แอคชูเอเตอร์อะลูมิเนียม AGO HANDWHEEL – แอคชูเอเตอร์พร้อมพวงมาลัยมือในตัว AGO CF8M – แอคชูเอเตอร์สแตนเลสหล่อแม่นยำ CF8M AGO 316 – แอคชูเอเตอร์สแตนเลส 316 จากแท่งตัน AGO A105 – แอคชูเอเตอร์เหล็กกล้าคาร์บอน A105 AGO TWO STAGE – แอคชูเอเตอร์นิวแมติกอะลูมิเนียมแบบทูสเตจ AGO – รุ่นพิเศษตามคำขอ แอคชูเอเตอร์เหล็กกล้าคาร์บอนเฮฟวี่ดิวตี้ Download General catalogue ดาวน์โหลด Actuator Accessories Catalogue การถอดรหัส MAGNUM & THOR กำหนดค่าผลิตภัณฑ์ของคุณ ดาวน์โหลดไฟล์ 2D และ 3D ในหลายรูปแบบ ดาวน์โหลด Sales conditions มาโคร แอคชูเอเตอร์นิวแมติก หมวดหมู่ AGO 316 – แอคชูเอเตอร์สแตนเลส 316 จากแท่งตัน การเลือกขนาด ขอข้อมูล พิมพ์หน้าเว็บ ดาวน์โหลดแค็ตตาล็อก AGO 316 – แอคชูเอเตอร์สแตนเลส 316 จากแท่งตัน ประโยชน์ คุณลักษณะ ขนาด วัสดุ ข้อมูลจำเพาะ อุปกรณ์เสริม เอกสาร 1. แถบหล่อลื่นตัวเองแบบมีพลังงานลดแรงเสียดทานระหว่างลูกสูบและกระบอกป้องกันการยึดติดของซีลกับกระบอกแม้ในกรณีที่ไม่ได้ใช้งานเป็นเวลานาน2. ร่อง บุช และพิน ผลิตจากเหล็กที่มีค่าความแข็งมากกว่า 50 HRCเพิ่มความทนทานต่อแรงภายในตัวกระตุ้น (แอคชูเอเตอร์)3. แรงเสียดทานแบบหมุนระหว่างลูกสูบและร่องลดแรงเสียดทาน4. ระบบสก็อตยอร์กแบบแรงเสียดทานหมุน (แปลงการเคลื่อนไหวแบบหมุนให้เป็นแบบเชิงเส้นด้วยลูกสูบและเพลาโดยไม่ใช้เฟือง)ลดแรงเสียดทานระหว่างลูกสูบและเพลา จึงทำให้การสึกหรอของชิ้นส่วนลดลงแรงบิดเริ่มต้น (BTO และ BTC) สูงขึ้นขนาดเล็กกว่าตัวกระตุ้นแบบแร็คและเฟือง (ในแรงบิดเท่ากัน) จึงใช้พื้นที่ติดตั้งน้อยกว่าน้ำหนักเบากว่าตัวกระตุ้นแบบแร็คและเฟืองประมาณ 30% (กก./นิวตันเมตร) ทำให้ประหยัดในการออกแบบโครงสร้างของระบบ/อุปกรณ์ใช้ลมน้อยกว่าตัวกระตุ้นแบบแร็คและเฟือง (-40% ลูกบาศก์เซนติเมตร/นิวตันเมตร สำหรับชนิดทำงานสองทาง และ -20% สำหรับชนิดสปริงรีเทิร์น) ทำให้ภาระงานของคอมเพรสเซอร์ลดลง หรือสามารถใช้คอมเพรสเซอร์ขนาดเล็กลงได้5. กระบอกม้วนขึ้นรูปลดการสึกหรอของแถบหล่อลื่นตัวเองเนื่องจากผิวมีความเรียบเนียนสูง6. เพลาสแตนเลสทนการกัดกร่อนได้ดียิ่งขึ้นตั้งแต่ขนาดใหญ่กว่า DAN15 ขึ้นไป จะมีอินเทอร์เฟซ NAMUR สำหรับวาล์วโซลินอยด์ในตัวไม่จำเป็นต้องติดตั้งแผ่นเสริมเพิ่มเติมกระบวนการผลิตครบวงจรภายในโรงงานควบคุมและตรวจสอบความแม่นยำได้สูงสุดในทุกขั้นตอนของการผลิตใบรับรอง ATEXสามารถติดตั้งได้ในพื้นที่ที่มีความเสี่ยงต่อการเกิดการระเบิดได้รับการรับรองสูงสุดถึงระดับ SIL 3รับประกันความปลอดภัยการทำงานในระดับสูง คุณลักษณะทางเทคนิคแรงบิดตั้งแต่ 360 Nm ถึง 960 Nmหน้าแปลนติดตั้งตามมาตรฐาน EN ISO 5211; F10 - F12 - F14 - F16เป็นไปตามมาตรฐาน EN 15714-3มุมการหมุน: 92° (-1°, +91°)แรงบิดย้อนกลับขึ้นอยู่กับแรงของสปริงเท่านั้น โดยไม่ขึ้นอยู่กับแรงดันลมสปริงมีให้เลือก 4 ขนาด (ดูตารางในแคตตาล็อกทั่วไปของแอคชูเอเตอร์นิวเมติกแบบ SR)หมายเลขรหัสหลังตัวอักษร SR สอดคล้องกับค่าแรงบิดเริ่มต้น (breakaway torque) หน่วย Nm ที่แรงดันลม 5.6 บาร์ การปิดวาล์วอัตโนมัติของแอคชูเอเตอร์จะหมุนในทิศตามเข็มนาฬิกาด้วยแรงสปริงเวอร์ชัน ATEX เป็นไปตามข้อกำหนดของ Directive 2014/34/EU โปรดเพิ่มรหัส YX ต่อท้ายหมายเลขรุ่นสำหรับเวอร์ชัน ATEXสภาวะการทำงานอุณหภูมิการทำงาน: ตั้งแต่ -20°C ถึง +80°Cแรงดันลมขาเข้า: 5.6 บาร์; สูงสุด 8.4 บาร์ตัวกลางในการขับเคลื่อน: อากาศอัดแห้งที่ผ่านการกรอง ไม่จำเป็นต้องหล่อลื่น แต่หากมีการใช้อากาศที่หล่อลื่น ต้องใช้น้ำมันที่ไม่เป็นสารทำความสะอาดและเข้ากันได้กับ NBR แผ่นข้อมูลรหัสSR0360416SSR0480416SSR0720424SSR0720416SSR0960416SชุดซีลสำรองKGXI0023KGXI0024KGXI0025KGXI0025KGXI0026ขนาดSR0360F10/F12SR0480F12/F16SR0720F12SR0720F14SR0960F12/F16A565,5598736,8736,8769,6A1 (2,8 บาร์)483,5506630,8630,8645B2736363646C x ความลึกM10x11,5M12x20M12x18M16x18M12x23D x ความลึกM12x11,5M20x20--M20x23ØE102125125140125ØF125165--165G19,519,519,519,518,5ØH156169188188211I2224272732J138,5156,3179,5179,5192K115150130130150L178198216216237,7M78,593,5101,5101,5114,7N99,5104,5114,5114,5123O29,538,538,538,548,5P116135160160160Q-----Q2-----ØR31,836,5414146S3030303030S2-----T148168186186207,7T2-----X150150150150150Y155168187187209Z525,8565685685718,4Z1 (2,8 บาร์)435,8473559,4559,4593,8Ch2222242424Ch1 (2,8 บาร์)2424303030น้ำหนัก (กก.)45,56082,582,5112น้ำหนัก (2,8 บาร์) (กก.)37,551777796อากาศ (dm3/รอบ) (ลิตร/รอบ)2,002,84,204,205,9 ชิ้นส่วนแอคชูเอเตอร์นิวแมติก สแตนเลส 316 จากแท่งตัน แบบดับเบิลแอคติ้งและสปริงรีเทิร์น 316 จากแท่งตัน – ชิ้นส่วนแอคชูเอเตอร์นิวแมติก แบบดับเบิลแอคติ้งและสปริงรีเทิร์นPosชื่อชิ้นส่วนจำนวนวัสดุ1กระบอก1สแตนเลส2ลูกสูบ2อะลูมิเนียมอัลลอย3ฝาครอบ2สแตนเลส4เพลา1สแตนเลส5สก็อตช์โย้ก1เหล็กอัลลอย6บูชเพลา1เรซินอะซีทัล7ตัวรองรับเพลาด้านบน1เรซินอะซีทัล8บูชเพลา1เรซินอะซีทัล9พินยืดหยุ่นภายนอก1เหล็กอัลลอย10พินยืดหยุ่นภายใน1เหล็กอัลลอย11บูชเหล็ก2เหล็กอัลลอย12ปลอกหมุน2เหล็กอัลลอย13*ซีลไดนามิก2โพลียูรีเทน14*แผ่นรอง4PTFE เติมคาร์โบ-กราไฟต์15*โอริง2ยางไนไตรล์16โอริง1FKM17แบริ่งรับแรงดัน1เรซินอะซีทัล18แหวนรอง1สแตนเลส19แหวนล็อก1สแตนเลส20ตัวรองรับเพลาด้านล่าง1PTFE เติมคาร์โบ-กราไฟต์21โอริง1FKM22*โอริง GD2ยางไนไตรล์23สกรู8สแตนเลส24สกรูเกลียวหัวจม2สแตนเลส25โอริง2ยางไนไตรล์26น็อตปรับ2สแตนเลส27หน้าแปลนยึด1สแตนเลส28สกรู4สแตนเลส29*โอริง GS4ยางไนไตรล์30แหวนเว้นระยะกระบอก2สแตนเลส31สปริง2เหล็กอัลลอย32ฝาครอบสปริง2อะลูมิเนียมอัลลอย33สกรูปรับแรงสปริง2สแตนเลส* ชิ้นส่วนที่รวมอยู่ในชุดอะไหล่ ระนาบการทำงานของกระบอกลมแบบสปริงรีเทิร์น ประเภท “SR” กล่องลิมิตสวิตช์ (Limit Switch Box) ระบบควบคุมมือด้วยพวงมาลัยมือ (Manual Override with Hand Wheel) โซลินอยด์วาล์ว NAMUR (NAMUR Solenoid Valves) โซลินอยด์วาล์ว (Solenoid Valves) โพซิชันเนอร์อิเล็กโทรนิวแมติก (ชนิดนิรภัยโดยธรรมชาติ – Intrinsically Safe) โพซิชันเนอร์นิวแมติก (Pneumatic Positioner) ลิมิตสวิตช์แบบใกล้ชิด (Proximity Limit Switches) ลิมิตสวิตช์อิเล็กโทรแมคคานิค (Electromechanical Limit Switches) ลิมิตสวิตช์นิวแมติก (Pneumatic Limit Switches) ลิมิตสวิตช์กันระเบิด II2GD ExdIIC (Explosion Proof Limit Switches) ใบรับรอง ATEX - Pneumatic Actuators SIL EN 61508 - Actuators: SR, SRN, DA, DAN คำแนะนำ ATEX MANUAL UITG0G01ATX เลือก ขนาด เลือกมาตรฐานการค้นหา -- ขนาด -- SR0360 SR0480 SR0720 SR0960 ค้นหารายการ