images/testate/Template-Header-Sito-OMALBALLVALVES.jpg

Küresel vana MAGNUM Split Wafer 3 yol 4 contalı PN 16-40 ANSI 150 karbon çeliği

Küresel vana MAGNUM Split Wafer 3 yol 4 contalı PN 16-40 ANSI 150 karbon çeliği
Kategori MAGNUM

Aile MAGNUM Split Wafer 3 yol 4 contalı PN 16-40 ANSI 150

KONFİGÜRE İşlem
BİLGİ İSTEYİN
SAYFAYI YAZDIRIN
ÜRÜN KODUNU ÇÖZÜMÜ
  • faydaları
  • özellikleri
  • boyutlar
  • malzemeler
  • şemalar ve başlangıç momentleri
  • özellikler
  • aksesuarlar
  • belgeler

1. Antistatik cihaz (bilye, sap ve gövde arasındaki elektriksel devamlılık) 
Yanıcı ve/veya patlayıcı ortamlarda tutuşmaya neden olabilecek elektrostatik şarjlar önlenir.  
Vananın kullanım ömrü boyunca garanti edilen temas güvenliği

2.
Çift sürtünme önleyici halka
Daha düşük vana çalışma momenti sağlar  
Tek halkalı uygulama ile karşılaştırıldığında daha az aşınma

3.
3 contalı artı o-ringli "V” packing
Çok sayıdaki devir sonrası bile mükemmel bir sızdırmazlık sağlanır.

4.
Sap contası üzerindeki çanak yaylar  
Milin yarım dönme hareketinin neden olduğu aşınma nedeniyle dışa doğru kaçak oluşumunu önleyerek boşlukların telafi edilmesini sağlarlar.  
Büyük çaptaki sıcaklık değişimleri karşısında dışa doğru kaçakları önleyen "chevron" tipi contaları (V-şekilli) enerjik olarak muhafaza olmasını sağlarlar.

5. Elastik grafitli conta

Vananın maruz kaldığı sıcaklık değişiklikleri ne olursa olsun dışarıya sızdırmazlık sağlar.

Kabadan bitmiş ürüne kadar tek bir yerleştirme ile işleme sayesinde eksenler hizasında daha fazla hassasiyet

Daha uzun vana ömrü
Daha az çalışma momenti

Standart uygulamada standardize edilmiş NACE sertifikalı malzemeden üretilen karbon çeliğinden vana gövdesi

Korozyona karşı daha fazla direnç sağlar  
Daha fazla fazla sünekliği

Üretim süreci tamamen OMAL’de gerçekleştirilmiştir

Tüm işlem aşamalarında maksimum kontrol  
Müşterinin talep ettiği özel uygulamaları hızlı bir şekilde tedarik etme imkanı

ATEX
Sertifikası
Potansiyel olarak patlayıcı bulunan ortamlarda kuruluma olanak sağlar

"TA LUFT fugitive emission" sertifikası
Sap contasının dışa doğru yüksek derecede emniyetini sağlar

PED Sertifikası

Basınçlı cihazlar konusunda Avrupa güvenlik standartlarına tam uyum

STANDART UYGULAMA
• Şamandıra biye içeriyor, tam hatve
• Conta soft-seat Modified PTFE
• Bağlantı flanşı standartları E N 1092-1; ASME B16.5
• Basınç sınıfları: ANSI 150; PN16-40
• Sızdırmazlık sınıfı: EN12266-1 derece A
• Çalışma sıcaklığı: -20°C +150°C
• Tutulan sıvı: hava, su, gaz, petrol ve petrokimya ürünleri, agresif sıvılar.
• Antistatik cihaz EN12266-2
• Sap contası: Modified PTFE olarak V serisi takım conta
• Sap üzerinde ek conta O-ring FKM
• Patlama önleyici sap
• ISO 5211'e göre aktüatör için delme düzlemi

İSTEĞE GÖRE UYGULAMALAR
• Sıcaklık uygulaması A350 LF2 olarak -40°C
• Diğer flanş tipleri için satış bölümümüzle iletişime geçiniz.
• Aşağıdaki malzemeden üretilen sızdırmazlık contaları: PTFE cam takviyeli (PTFE-GF), PTFE karbografit takviyeli (PTFE-CF). Diğer malzeme türleri için satış bölümümüz ile iletişime geçiniz.
• Paslanmaz çelik kol, sap somunları ve yayları
• Standart dışındaki farklı malzemelerle (gövde/bilye/sap) yapılan uygulamalar için satış ofisimizle iletişime geçiniz.
• Yüzey işleme: beyaz çinko kaplama, epoksi boya (diğer işlemler için satış ofisimizle iletişime geçiniz).
• İSTEĞE GÖRE ATEX Markalama ve sertifikası

SERTİFİKALAR
• Avrupa Direktifi 2014/68/AB PED ile uyumlu; Kaçak Emisyon ISO 15848 (ISO FE BH-C03-SSA 0); TA-LUFT VDI 2440; YANGIN GÜVENLİĞİ: 2440
• IEC 61508'e göre SIL 3'e kadar işlevsel güvenlik seviyesi
• CATEX 2014/34/EU yönergesine uygundur, İSTEĞE GÖRE ATEX sertifikası

TASARIM STANDARTLARI

• ASME B16.34, ASME VIII div.1, EN12516 uyumlu gövde kalınlıkları
• ANSI vanaları için ASME B16.34 ve PN vanaları için EN 12516‘ya uygun malzemeler ve dereceler

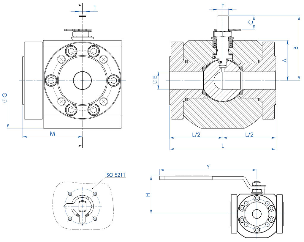
BOYUTLAR -PN-
ÖLÇÜ
PN∅ELMABCATT. ISOF/TØG∅JØRSPØKDELİK SAYISI
ØIHYKg.KOL KİTİ
CONTA KİTİ
DN [mm][inç]
151/2"16-40131246240559,2F0310/61129045215654M12731406,8KLV58004KGBV557040
203/4"16-401913679487113F0412/813010058214754M1290,415010,5KLV58006KGBV557050
251"16-402515185579219,1F0516/1014911068216854M12108,427515,2KLV58008KGBV557060
321" 1/416-403216796609519,1F0516/10164130782201004M16111,427520,8KLV58008KGBV557070
401" 1/216-403818510072119,526,4F0722/14185140883201104M16132,535026,1KLV58010KGBV557080
502"16-405120011081128,526,7F0722/141951501023201254M16141,535032,4KLV58010KGBV557090
652" 1/216642181219315433,2F1030/182201781223201454M16180,345047,6KLV58012KGBV557100
803"167624412610116233,2F1030/182391901353201608M16188,345057,9KLV58012KGBV557110
1004"1610232515012418233,2F1030/182962351583201808M16208,3450109KLV58012KGBV557120

BOYUTLAR -ANSI-
ÖLÇÜ
ANSIØELMABCATT. ISOF/TØGØJØRSPØKDELİK SAYISI
ØIHYKg.KOL KİTİ
CONTA KİTİ
DN [mm][inç]
151/2"150131246240559,2F0310/61129035,11,61660,541/2"UNC731406,8KLV58004KGBV557040
203/4"1501913679487113F0412/813010042,91,61669,841/2"UNC90,415010,4KLV58006KGBV557050
251"1502515185579219,1F0516/1014911050,81,61679,241/2"UNC108,427515,2KLV58008KGBV557060
321" 1/41503216796609519,1F0516/1016413063,51,61688,941/2"UNC111,427521,3KLV58008KGBV557070
401" 1/21503818510072119,526,4F0722/14185140731,61698,641/2"UNC132,535026,4KLV58010KGBV557080
502"1505120011081128,526,7F0722/1419515091,91,620120,645/8"UNC141,535032,6KLV58010KGBV557090
652" 1/2150642181219315433,2F1030/18220178104,61,620139,745/8"UNC180,345046,6KLV58012KGBV557100
803"1507624412610116233,2F1030/182391901271,620152,445/8"UNC188,345058,5KLV58012KGBV557110
1004"15010232515012418233,2F1030/18296235157,21,620190,585/8"UNC208,3450109KLV58012KGBV557120

MALZEMELER  -  SPLIT WAFER PN16-40 ANSI 150
NO
TanımA105  Karbon çeliği
A350 LF2 Karbon çeliği
1
GövdeASTM A105
ASTM A105
2
Yüzük somun
3
Yandan girişli yüzük somun
4
BilyeASTM A351 CF8M
5
Sap
A564 TP.630 (17-4PH)
6*
YuvaModified PTFE
7*
Sap alt contası
Modified PTFE
8*
A V Takım contaModified PTFE
9*
O-ring sap
FKM
10
Packing conta halkasıGalvanizli karbon çeliği (x)
11
Sap yaylarıGalvanizli karbon çeliği (xx)
12
Sap somunu
Galvanizli karbon çeliği (x)
13
Somun kilit plakası304 S.S.
14
Gösterge I
304 S.S.
15*
Conta gövde yüzük somunGrafoil
16*
Conta gövde yüzük somun yandan giriş
Grafoil
17
Gövde somunu vidaları8.8 galvanizli
A2-70 (304 S.S.)
18
Gövde somunu vidaları yandan giriş
19
Antistatik cihaz316 S.S.
20
Kilit somunuGalvanizli karbon çeliği (x)
21
Tespit vidasıA2-70 (304 S.S.)
22
Pozisyon tespitiGalvanizli karbon çeliği (x)
23
KolFe37 galvanizli (x)
* Conta kiti bileşenleri

İSTEĞE GÖRE ŞUNLAR DA MEVCUTTUR:
(x) : 304 s.s.
(xx) : 301 s.s.

Basınç debisi/düşüşü ve Kv nominal katsayısı

Kv değeri, 1 bar'lık basınç düşüşüne neden olan  m3/sa (15°C'de su ile) cinsinden akış hızıdır.

"L” bilye şeması

NOT: NORMAL OLARAK SR aktüatörü KAPALI iken bilyenin bekleme pozisyonu "A" olmalıdır.
NORMAL OLARAK SR aktüatörü AÇIK iken bilyenin bekleme pozisyonu "B" olmalıdır.

Üstten görünüş

"T” bilye şeması

Aktüatör ile 90° lik dönüş sadece iki pozisyonda mümkündür: bilyenin konfigürasyonu konusunda daima satış ofisimize iletişim içinde olunması gerekmektedir.
NOT.:
NORMAL OLARAK SR aktüatörü KAPALI iken bilyenin bekleme pozisyonunu seçin; ilerletildiğinde, aktüatör saat yönünün tersine döner.
NORMAL OLARAK SR aktüatörü AÇIK iken bilyenin bekleme pozisyonunu seçin; ilerletildiğinde, aktüatör saat yönünde döner.

Üstten görünüş

Pnömatik aktüatörlerin boyutlandırılması, minimum 5,6 barg besleme basıncı dikkate alınarak yapılmaktadır.
Yağ alma ve/veya katı partiküllü akışkanların kesintiye uğratılması halinde, çalışma momentleri beklenenden daha fazla artabilir.

KOLLU DÖKÜM KILAVUZLU UZANTI

MALZEMELER   
PARÇA NO
TANIMMALZEME
1
Uzantı
AISI304 S.S.
2
Pim
AISI 430 F
3
Burç
DELRIN
4
O-RING  
NBR
5
Kol  
Fe 37 galvanizli (*)
6
Somun  
Galvanizli karbon çeliği (*)
7

Kol tespit parçası

Galvanizli karbon çeliği (*)
8
Kol tespit vidası
A2-70
9
Ara parça
PTFE Karbon Dolgulu


(*): İsteğe göre 304 S.S olabilir.


ÖLÇÜLER
ISO VANA
ØA
ØB
ØM
ØN
F/T
X
Y
F03
36
5,5365,510/638,5141,5
F04
425,542M512/845,5151,5
F05
506,5506,516/1048,5276,5
F07
708,5708,522/1457,5351,5
F10
102111021130/1879,5451,5


NOT: Uzantı kodu akış türüne ve vana bağlantısına bağlıdır; sipariş sırasında talep ediniz.

AKTÜATÖR İÇİN KILAVUZLU UZANTI

 MALZEMELER
PARÇA NO
 TANIM
MALZEME
1
Uzatma
ASTM A351 CF8M
2
Pim
AISI 430 F
3
Burç
DELRIN
4
O-RING
NBR


NOT: Uzantı kodu akış türüne ve vana bağlantısına bağlıdır; sipariş sırasında talep ediniz.

KOLLU DÖKÜM KILAVUZLU UZANTI

MALZEMELER    
PARÇA No
TANIM
MALZEME
1
Uzatma
304 s.s.
2
PimAISI 430 F
3
Burç
DELRIN
4
O-Ring
NBR
5
Kol
Fe 37 galvanizli (*)
6
Somun
galvanizli karbon çeliği  (*)
7
Kol tespit parçası
galvanizli karbon çeliği  (*)
8
Kol tespit vidası
A2-70
9
Kol tespit somunu
A2-70 (**)
10
Ara parça
PTFE Karbon Dolgulu


(*): İsteğe göre 304 S.S olabilir.
(**): İso F04 bağlantılı vanalarda mevcut değildir.

ÖLÇÜLER 
ISO VANA
ØA
ØB
ØM
ØN
F/T
X
Y
F03
36
5,5365,510/638,5141,5
F04
425,542M512/845,5151,5
F05
506,5506,516/1048,5276,5
F07
70970922/1457,5351,5
F10
102111021130/1879,5451,5


NOT: Uzatma kodu akış türüne ve vana bağlantısına bağlıdır; sipariş sırasında talep ediniz.

AKTÜATÖR İÇİN KILAVUZLU UZANTI

MALZEMELER    
PARÇA NO
TANIM
MALZEME
1
Uzatma
304 S.S.
2
Pim
AISI 430 F
3
Burç
DELRIN
4
O-RING  
NBR


NOT: Uzantı kodu akış türüne ve vana bağlantısına bağlıdır; sipariş sırasında talep ediniz.

İLAVE CONTALI UZANTI

 MALZEMELER
PARÇA NO
 TANIM
 MALZEME
1
Uzatma
304 s.s.
2
Pim
AA564 TP.630 (17-4ph)
3
Sürtünme önleyici halka
TFM1600
4
O-Ring
FKM
5
Chevron Yüzük
TFM1600
6
Salmastra somun halkası
304 s.s.
7
Çanak yay
50CrV4 galvanizli
8
Sap somunu
UNI 3740-1 6S galvanizli
9
Somun kilitleme plakası
304 s.s.
10
Sızdırmazlık contası
GRAFOIL


ÖLÇÜLER
ISO VANA
ØA
ØB
ØM
ØN
F/T
CD
F03
36
5,5
36M510/6
2010,2
F04
42
5,5
42M512/8
2615,1
F05
50
6,550M616/10
3521,2
F07
70
8,570M822/14
47,528,4
F10
102
10,5102M1030/18
6135,2

NOT: Uzatma kodu akış türüne ve vana bağlantısına bağlıdır; sipariş sırasında talep ediniz.

KONFİGÜRE SÜRÜCÜ
Arama parametrelerini seçin
MAKALE ARAYIN
X KAPAT

GELECEK ETKİNLİK

IVS - Industrial Valve Summit 2026
IVS - Industrial Valve Summit 2026
Bergamo, Italy, 19 - 21 may 2026