images/testate/Template-Header-Sito-OMALBALLVALVES.jpg

Küresel vana THOR Split Body PN 16-40 ANSI 150-300 karbon çeliği

Küresel vana THOR Split Body PN 16-40 ANSI 150-300 karbon çeliği
Kategori THOR
Alt kategori THOR Split Body

Aile THOR Split Body PN 16-40 ANSI 150-300

KONFİGÜRE İşlem
BİLGİ İSTEYİN
SAYFAYI YAZDIRIN
ÜRÜN KODUNU ÇÖZÜMÜ
  • faydaları
  • özellikleri
  • boyutlar
  • malzemeler
  • şemalar ve başlangıç momentleri
  • aksesuarlar
  • belgeler

1. Antistatik cihaz (bilye, sap ve gövde arasındaki elektriksel devamlılık) 
Yanıcı ve/veya patlayıcı ortamlarda tutuşmaya neden olabilecek elektrostatik şarjlar önlenir.  
Vananın kullanım ömrü boyunca garanti edilen temas güvenliği

2. Çift sürtünme önleyici halka

Daha düşük vana çalışma momenti sağlar  
Tek halkalı uygulama ile karşılaştırıldığında daha az aşınma

3. 3 contalı artı o-ringli "V” packing

Çok sayıdaki devir sonrası bile mükemmel bir sızdırmazlık sağlanır.

4. Sap contası üzerindeki çanak yaylar  
Milin yarım dönme hareketinin neden olduğu aşınma nedeniyle dışa doğru kaçak oluşumunu önleyerek boşlukların telafi edilmesini sağlarlar.  
Büyük çaptaki sıcaklık değişimleri karşısında dışa doğru kaçakları önleyen "chevron" tipi contaları (V-şekilli) enerjik olarak muhafaza olmasını sağlarlar.

5. Elastik grafitli conta

Vananın maruz kaldığı sıcaklık değişiklikleri ne olursa olsun dışarıya sızdırmazlığı garanti eder.

Kabadan bitmiş ürüne kadar tek bir yerleştirme ile işleme sayesinde eksenler hizasında daha fazla hassasiyet

Daha uzun vana ömrü
Daha az çalışma momenti

Doğrudan sistem üzerinde bakım kolaylığı
Bakım sırasında maliyet tasarrufu

Standart uygulamada standardize edilmiş NACE sertifikalı malzemeden üretilen karbon çeliğinden vana gövdesi

Korozyona karşı daha fazla direnç sağlar  
Daha fazla fazla sünekliği

Üretim süreci tamamen OMAL’de gerçekleştirilmiştir

Tüm işlem aşamalarında maksimum kontrol  
Müşterinin talep ettiği özel uygulamaları hızlı bir şekilde tedarik etme imkanı

"Fire Safe" Sertifikası

Yangın durumunda bile vana sızdırmazlığı sağlar

ATEX
Sertifikası
Potansiyel olarak patlayıcı bulunan ortamlarda kuruluma olanak sağlar

"TA LUFT fugitive emission" sertifikası

Sap contasının dışa doğru yüksek derecede emniyetini sağlar

PED
Sertifikası
Basınçlı cihazlar için Avrupa güvenlik standartlarına tam uyum

SIL 3’e kadar Sertifikalı

Yüksek düzeyde işlevsel güvenlik

STANDART UYGULAMA
• Şamandıra bilye, tam hatve. Düşük hatveli versiyonları mevcuttur.
• Conta soft-seat Modified PTFE
• Bağlantı flanşı standartları EN 1092-1;ASME B16.5
• Çalışma sıcaklığı bkz. Sıcaklık basınç şeması
• Basınç sınıfı: PN16-40; ANSI 150-300
• Sızdırmazlık sınıfı: EN12266-1 derece A
• Tutulan sıvı: hava, su, gaz, petrol ürünleri
• Antistatik cihaz EN12266-2
• Sap contası: Modified PTFE olarak V serisi takım conta
• Sap üzerinde ek conta O-ring FKM
• Patlama önleyici sap
• ISO 5211'e göre aktüatör için delme düzlemi
• Kapanma açısı >7°
• Yüzey işleme parlatma

İSTEĞE GÖRE UYGULAMALAR
• Çalışma sıcaklığı LF2 olarak-40 C°
• Diğer flanş tipleri için satış bölümümüzle iletişime geçiniz.
• PTFE cam takviyeli  (PTFE-GF) sızdırmazlık contaları, karbografit takviyeli PTFE (PTFE-CF). Diğer malzeme türleri için satış bölümümüzle iletişime geçiniz.
• Bilye içindeki basınç dengeleme deliği ile tek yönlü uygulama
• Paslanmaz çelik kol
• Paslanmaz çelik somun ve yaylar
• Standart dışı malzemelerle (gövde/bilye/sap) yapılan uygulamalar için satış ofisimizle iletişime geçin.
• Yüzey işleme: beyaz çinko kaplama, epoksi boya (diğer işlemler için satış bölümümüzle iletişim geçiniz).
• İSTEĞE GÖRE ATEX Markalama ve sertifikası

SERTİFİKALAR

• Avrupa Direktifi 2014/68/AB PED ile uyumlu; Kaçak Emisyon ISO 15848 (ISO FE BH-C03-SSA 0); TA-LUFT VDI 2440; YANGIN GÜVENLİĞİ: ISO 10497 Third ed. 2010 / API 607 Fifth ed. 2005
• IEC 61508'e göre SIL 3'e kadar fonksiyonel güvenlik seviyesi
• ATEX 2014/34/EU yönergesine uygundur, İSTEĞE GÖRE ATEX Sertifikası

TASARIM STANDARTLARI
• Gövde kalınlıkları aşağıdaki standartlara göre: ASME B16.34, ASME VIII böl.1, EN 12516.
• API 6D İSTEĞE GÖRE
• ANSI vanaları için ASME B16.34 ve PN vanaları için EN 12516‘ya uygun malzemeler ve dereceler

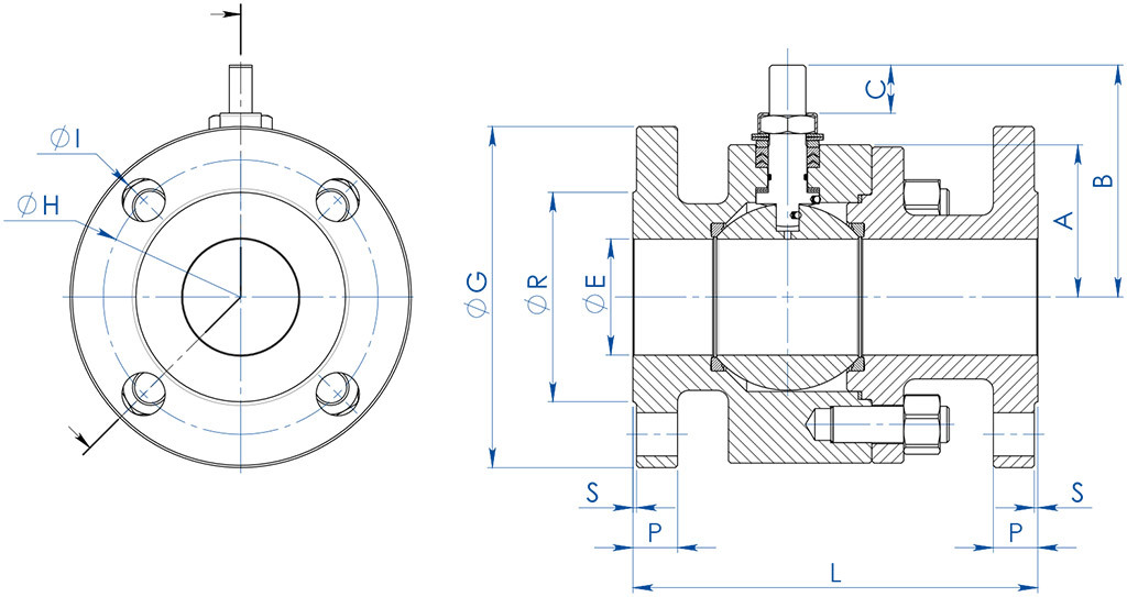
BOYUTLAR  
ÖLÇÜ  
H
Y
∅V
∅M
∅N
F/T
ATT. ISO
KOT KİTİ
DN [mm]
[inç]
DN 15
1/2"
71
140
---
36
M5
10/6
F03
KLV58004
DN 20
3/4"
73
140
---
36
M5
10/6
F03
KLV58004
DN 25
1"
87
150
---
42
M5
12/8
F04
KLV58006
DN 32
1" 1/4
91
150
---
42
M5
12/8
F04
KLV58006
DN 40
1" 1/2
108
275
---
50
M6
16/10
F05
KLV58008
DN 50
2"
118
275
---
50
M6
16/10
F05
KLV58008
DN 65
2" 1/2
143
350
---
70
M8
22/14
F07
KLV58010
DN 80
3"
150
350
---
70
M8
22/14
F07
KLV58010
DN 100
4"
198
450
---
102
M10
30/18
F10
KLV58012
DN 125
5"
208
450
---
102
M10
30/18
F10
KLV58012
DN 150 PN16 - ANSI150 (*)
6"
522
326
400
140
M16
45/30
F14
---
DN 150 PN25-40 - ANSI300
6"
522
347,5
600
140
M16
45/30
F14
---
DN 200 PN16-PN25-ANSI150 (*)
8"
516
347
500
140
M16
52/35
F14
---
DN 200 PN40
8"
614
348
500
140
M16
52/35
F14
---

DN150 ve DN200 için manüel redüktörlü STANDART versiyon.
(*) İSTEĞE GÖRE kollu versiyon.

BOYUTLAR  -PN-
ÖLÇÜ
∅E
PN
A
B
C
∅G
∅R
S
P
∅H
DELİK SAYISI
∅I
Kg
L
CONTA KİTİ
DN [mm]
[inç]
DN 15
1/2”
13
PN 16-40
32
52
10
95
45
2
16
65
4
14
3,0
115 (1)
KGBV485040
DN 20
3/4”
19
PN 16-40
35
55
10
105
58
2
18
75
4
14
3,8
120 (1)
KGBV485050
DN 25
1”
25
PN 16-40
42
68
15
115
68
2
18
85
4
14
5,2
125 (1)
KGBV485060
DN 32
1” 1/4
32
PN 16-40
47
73
15
140
78
2
18
100
4
18
7,6
130 (1)
KGBV485070
DN 40
1” 1/2
38
PN 16-40
58
93
21
150
88
3
18
110
4
18
10
140 (1)
KGBV485080
DN 50
2”
51
PN 16-40
67
102
21
165
102
3
20
125
4
18
14,3
150 (1)
KGBV485090
DN 65
2” 1/2
64
PN 16
83
130,5
28,4
185
122
3
18
145
4
18
20,2
170 (1)
KGBV485100
DN 65
2” 1/2
64
PN 25-40
83
130,5
28,4
185
122
3
22
145
8
18
28,2
270 (2)
KGBV485100
DN 80
3”
76
PN 16-40
90
137,5
28,4
200
138
3
24
160
8
18
25,4
180 (1)
KGBV485110
DN 100
4”
102
PN 16
111
172
35
220
158
3
20
180
8
18
38
190 (1)
KGBV485120
DN 100
4”
102
PN 25-40
111
172
35
235
162
3
24
190
8
22
57,8
300 (2)
KGBV485120
DN 125
5”
118
PN 16
117
182
35
250
188
3
22
210
8
18
68
325 (2)
KGBV485130
DN 150(*)
6”
152
PN 16
154
227,5
40,5
285
212
3
23
240
8
22
121
350 (2)
KGBV485140
DN 150
6”
152
PN 25-40
154
227,5
40,5
300
218
3
28
250
8
26
125
350
KGBV48514D
DN 200(*)
8”
203
PN 16
188
274
44,8
340
268
3
24
295
12
22
198
400 (2)
KGBV485150
DN 200(*)
8”
203
PN 25
188
274
44,8
360
310
3
30
310
12
26
220
457
KGBV485150
DN 200
8”
203
PN 40
195
274
44,8
375
285
3
34
320
12
30
250
502
KGBV48515D

BOYUTLAR   -ANSI-
ÖLÇÜ
∅E
ANSI
A
B
C
∅G
∅R
S
P
∅H
DELİK SAYISI
∅I
Kg
L
CONTA KİTİ
DN [mm]
[inç]
DN 15
1/2”
13
ANSI 150
32
52
10
90
35,11,6
11,4
60,5
4
16
3,0
108 (3)
KGBV485040
DN 15
1/2”
13
ANSI 300
32
52
10
95
35,1
1,6
14,5
66,5
4
16
2,7
140 (3)
KGBV485040
DN 20
3/4”
19
ANSI 150
35
55
10
100
42,91,6
13
69,8
4
16
3,1
117(3)
KGBV485050
DN 20
3/4”
19
ANSI 300
35
55
10
11842,91,6
16,6
82,6
4
19
4,2
152(3)
KGBV485050
DN 25
1”
25
ANSI 150
42
68
15
110
50,81,6
14,5
79,2
4
16
4,5
127 (3)
KGBV485060
DN 25
1”
25
ANSI 300
42
68
15
125
50,81,6
18
88,9
4
19
5,9
165 (3)
KGBV485060
DN 32
1” 1/4
32
ANSI 150
47
73
15
11863,5
1,6
16,1
88,9
4
16
6,2
140 (3)
KGBV485070
DN 32
1” 1/4
32
ANSI 300
47
73
15
135
63,5
1,6
19,5
98,6
4
19
8,7
178 (3)
KGBV485070
DN 40
1” 1/2
38
ANSI 150
58
93
21
12873
1,6
18
98,6
4
16
9,4
165 (3)
KGBV485080
DN 40
1” 1/2
38
ANSI 300
58
93
21
155
73
1,6
21
114,3
4
22
12
190 (3)
KGBV485080
DN 50
2”
51
ANSI 150
67
102
21
15391,91,6
19,6
120,6
4
19
13,3
178 (4)
KGBV485090
DN 50
2”
51
ANSI 300
67
102
21
165
91,91,6
22,6
127,0
8
19
16,5
216 (4)
KGBV485090
DN 65
2” 1/2
64
ANSI 150
83
130,5
28,4
180
104,6
1,6
22,6
139,7
4
19
23,1
191 (4)
KGBV485100
DN 65
2” 1/2
64
ANSI  300
83
130,5
28,4
190
104,6
1,6
26,1
149,4
8
22
27,3
241 (4)
KGBV485100
DN 80
3”
76
ANSI 150
90
137,5
28,4
190
127
1,6
24
152,4
4
19
27
203 (4)
KGBV485110
DN 80
3”
76
ANSI 300
96
137,5
28,4
210127
1,6
29
168,1
8
22
38,1
282 (4)
KGBV485110
DN 100
4”
102
ANSI 150
111
172
35
230
157,2
1,6
24,6
190,5
8
19
46
229 (4)
KGBV485120
DN 100
4”
102
ANSI 300
111
172
35
255
157,2
1,6
32,6
200,2
8
22
67,7
305 (4)
KGBV485120
DN 125
5”
118
ANSI 150
117
182
35
255
185,7
1,6
24,5
215,9
8
22
62
254 (3)
KGBV485130
DN 125
5”
118
ANSI 300
125
182
35
280
185,7
1,6
36,6
235
8
22
94
381 (3)
KGBV485130
DN 150(*)
6”
152
ANSI 150
154
227,5
40,5
280
215,91,6
25,6
241,3
8
22
126
394 (4)
KGBV485140
DN 150
6”
152
ANSI 300
154
227,5
40,5
320
215,91,6
37,6
269,7
12
22
147
403
KGBV48514D
DN 200(*)
8”
203
ANSI 150
188
274
44,8
345
269,7
1,6
29,5
298,4
8
22
210
457 (4)
KGBV485150

DN150 ve DN200 için manüel redüktörlü STANDART versiyon.
(*) İSTEĞE GÖRE kollu versiyon.
(1) EN558 TAB. 2 SÜT. 14 / DIN 3202-1 F4 (2) EN558 TAB. 2 SÜT. 15 / DIN 3202-1 F5 (3) ANSI B16.10 (4) B16.10 / API6D

MALZEME 
SPLIT BODY PN16-40 ANSI 150-300 karbon çeliği 
NO
TanımA105 karbon çeliği 
A350 LF2 karbon çeliği 
1
GövdeASTM A105
ASTM A350 LF2
2
Terminal
3
BilyeASTM A351 CF8 (*) (1.4308/Gx5CrNi19-10)
4
SapASTM A182F6A / A479 Tp.410 (**)
5*
YuvaModified PTFE (.) (2)
6*
Gövde-terminal contası
GRAFOIL
7*
Sap alt contasıModified PTFE (.)
8*
A V Takım contaModified PTFE (.)
9*
O-ring sap
FKM (.)
10
 Packing conta halkası
Galvanizli karbon çeliği  (x) (1)
11
Somun kilit plakası304 S.S.
12
Sap Somunu
Galvanizli karbon çeliği (x)
13
Çanak yayGalvanizli karbon çeliği  (xx)
14
Antistatik cihaz316 S.S.
15
Bağlantı çubuklarıA193-B7
A320-L7M
16
SomunlarA194-Gr.2H
A194-Gr.7M
17
 Kilit somunu
Galvanizli karbon çeliği (x)
18
Tespit vidasıA2-70 (304 S.S.)
19
Pozisyon tespitiGalvanizli karbon çeliği  (x)
20
KolFe37 galvanizli (x)
21
Ridüktör
Dökme demir (boyanmış)
22
El çarkıCarbon steel painted
* Conta kiti bileşenleri

 İsteğe göre şu malzemelerden imal edilebilir:
(*): A351 CF8M
(**): A564 TP.630 (17-4PH)
(x): 304 s.s.
(xx): 301 s.s.
(1): DN150 ve 200 için sadece 304 S.S olarak mevcuttur.
(2) DN150 PN25-40 - ANSI300, DN200 PN40 için DEVLON.
(.): İsteğe göre diğer malzemeler

Gövdesi karbon çeliğinden imal edilmiş olan vanalar için basınç/sıcaklık şemas

Paslanmaz çelik gövdeli vanalar için basınç/sıcaklık şeması

Basınç debisi/düşüşü ve Kv nominal katsayısı

Kv değeri, 1 bar'lık basınç düşüşüne neden olan  m3/sa (15°C'de su ile) cinsinden akış hızıdır.

TFM 1600 YUVALI VE SU KARIŞIMLI AKIŞKAN İÇEREN Nm BAŞLANGIÇ MOMENTLERİ (*)
ÖLÇÜDN 15
DN 20
DN 25
DN 32
DN 40
DN 50
DN 65
DN 80
DN 100
DN 125
DN 150
DN 200
0 bar












PN16 bar
8
13
19
28
42
61
85
128
220
245
405
690
PN25 bar
9,5
14,5
20
29
43
66
98
158
252
383


PN40 bar
11
16
21
31
44
72
108
165
292
510


ANSI 150-20 bar
9
14
19,5
30
43
65
96
153
243
360
480
750
ANSI 300-50 bar
12
18
22
32
46
80
115
180
302
570



 (*): Yağ alma ve/veya katı partiküllü akışkanların kesintiye uğratılması halinde, çalışma momentleri tabloda gösterilenlere kıyasla artırılabilir.
Nm cinsinden olan moment değerleri sıcaklığa ve sıvıya bağlı olarak değişebilir. ‘1.4’e eşdeğer  olan bir emniyet faktörünü dikkate alınız. Sık açılma ve kapanma döngülerinde hareket momenti başlangıçtakine nazaran önemli ölçüde azalmaktadır.
Pnömatik aktüatörlerin boyutlandırılması minimum 5,6 barg besleme basıncı dikkate alınarak yapılmıştır.


KOLLU DÖKÜM KILAVUZLU UZANTI

MALZEMELER   
PARÇA NO
TANIMMALZEME
1
Uzantı
AISI304 S.S.
2
Pim
AISI 430 F
3
Burç
DELRIN
4
O-RING  
NBR
5
Kol  
Fe 37 galvanizli (*)
6
Somun  
Galvanizli karbon çeliği (*)
7

Kol tespit parçası

Galvanizli karbon çeliği (*)
8
Kol tespit vidası
A2-70
9
Ara parça
PTFE Karbon Dolgulu


(*): İsteğe göre 304 S.S olabilir.


ÖLÇÜLER
ISO VANA
ØA
ØB
ØM
ØN
F/T
X
Y
F03
36
5,5365,510/638,5141,5
F04
425,542M512/845,5151,5
F05
506,5506,516/1048,5276,5
F07
708,5708,522/1457,5351,5
F10
102111021130/1879,5451,5


NOT: Uzantı kodu akış türüne ve vana bağlantısına bağlıdır; sipariş sırasında talep ediniz.

AKTÜATÖR İÇİN KILAVUZLU UZANTI

 MALZEMELER
PARÇA NO
 TANIM
MALZEME
1
Uzatma
ASTM A351 CF8M
2
Pim
AISI 430 F
3
Burç
DELRIN
4
O-RING
NBR


NOT: Uzantı kodu akış türüne ve vana bağlantısına bağlıdır; sipariş sırasında talep ediniz.

KOLLU DÖKÜM KILAVUZLU UZANTI

MALZEMELER    
PARÇA No
TANIM
MALZEME
1
Uzatma
304 s.s.
2
PimAISI 430 F
3
Burç
DELRIN
4
O-Ring
NBR
5
Kol
Fe 37 galvanizli (*)
6
Somun
galvanizli karbon çeliği  (*)
7
Kol tespit parçası
galvanizli karbon çeliği  (*)
8
Kol tespit vidası
A2-70
9
Kol tespit somunu
A2-70 (**)
10
Ara parça
PTFE Karbon Dolgulu


(*): İsteğe göre 304 S.S olabilir.
(**): İso F04 bağlantılı vanalarda mevcut değildir.

ÖLÇÜLER 
ISO VANA
ØA
ØB
ØM
ØN
F/T
X
Y
F03
36
5,5365,510/638,5141,5
F04
425,542M512/845,5151,5
F05
506,5506,516/1048,5276,5
F07
70970922/1457,5351,5
F10
102111021130/1879,5451,5


NOT: Uzatma kodu akış türüne ve vana bağlantısına bağlıdır; sipariş sırasında talep ediniz.

AKTÜATÖR İÇİN KILAVUZLU UZANTI

MALZEMELER    
PARÇA NO
TANIM
MALZEME
1
Uzatma
304 S.S.
2
Pim
AISI 430 F
3
Burç
DELRIN
4
O-RING  
NBR


NOT: Uzantı kodu akış türüne ve vana bağlantısına bağlıdır; sipariş sırasında talep ediniz.

İLAVE CONTALI UZANTI

 MALZEMELER
PARÇA NO
 TANIM
 MALZEME
1
Uzatma
304 s.s.
2
Pim
AA564 TP.630 (17-4ph)
3
Sürtünme önleyici halka
TFM1600
4
O-Ring
FKM
5
Chevron Yüzük
TFM1600
6
Salmastra somun halkası
304 s.s.
7
Çanak yay
50CrV4 galvanizli
8
Sap somunu
UNI 3740-1 6S galvanizli
9
Somun kilitleme plakası
304 s.s.
10
Sızdırmazlık contası
GRAFOIL


ÖLÇÜLER
ISO VANA
ØA
ØB
ØM
ØN
F/T
CD
F03
36
5,5
36M510/6
2010,2
F04
42
5,5
42M512/8
2615,1
F05
50
6,550M616/10
3521,2
F07
70
8,570M822/14
47,528,4
F10
102
10,5102M1030/18
6135,2

NOT: Uzatma kodu akış türüne ve vana bağlantısına bağlıdır; sipariş sırasında talep ediniz.

KONFİGÜRE SÜRÜCÜ
Arama parametrelerini seçin
MAKALE ARAYIN
X KAPAT

GELECEK ETKİNLİK

IVS - Industrial Valve Summit 2026
IVS - Industrial Valve Summit 2026
Bergamo, Italy, 19 - 21 may 2026